Главная » Электромонтаж » Заземление » Для чего нужно повторное заземление ВЛИ
Повторное заземление ВЛИ – это специальное заземление PEN проводника от комплексной трансформаторной подстанции. Основным предназначением подобного заземления считается повышение безопасности определенных участков ЛЭП.


Если вы не знаете, что такое ВЛИ, тогда помните, что это воздушная линия электропередач, которая имеет изолированную проволоку СИП. Воздушные линии будут прокладываться от трансформаторной подстанции, которая имеет глухозаземленную нейтраль на опорах из дерева или железобетона.
Правильный монтаж СИП кабеля: как выполняется и что для этого нужно
Провода ЛЭП – это наиболее простой и недорогой способ передачи электроэнергии на любые расстояния. В электрических сетях до 1000 В ЛЭП располагаются вдоль улиц больших и малых поселений.
На опорах крепятся изоляторы с наиболее дешевыми алюминиевыми проводами. И уже от них делаются ответвления в дома. Для подобных ответвлений от магистральных проводов широко используются самонесущие провода.
Для чего нужны СИП
Самонесущие провода с изолированными жилами сокращенно обозначаются как СИП, то есть Самонесущий Изолированный Провод. Он представляет собой витую пару и устойчив к продольным нагрузкам. До появления этой разновидности проводов компенсация продольной нагрузки возлагалась на трос. Он являлся опорой для изолированного провода, закрепленного вдоль этого троса.
Монтаж таким способом занимал больше времени и технически получался сложнее в сравнении с монтажом новых проводов. Собственно, по этой причине их и придумали. Теперь они применяются повсюду там, где по тем или иным причинам невозможно использовать более дешевые оголенные провода. Поэтому их располагают вблизи сооружений и в окружении деревьев.


Как выполнить крепление таких проводов к различным опорам. Если бы провода были оголены – деревья, особенно в сырую ветреную погоду, могли бы прикоснуться к ним и вызвать короткое замыкание. Для монтирования СИП используется специализированная арматура. Ее элементы адаптированы для расположения на стенах домов и опорах (столбах).
Делаем оптимальный выбор элементов для крепления
Показанные на изображениях модели – это лишь часть из того, что производится в мире для монтирования самонесущих-ИП. По этой причине у продавцов в наличии может оказаться та продукция, которая действительно предназначена для крепления этих проводов, но не оптимальна для конкретного покупателя.
При выборе элементов монтирования надо учитывать, с какой целью СИП используется. Например, силовые провода могут нагреваться, поскольку в них допускается температура жил до 90 градусов Цельсия. По этой причине нужна и соответствующая подборка элементов для монтирования.
Кронштейны фасадного крепления для таких проводов должны обеспечивать большее расстояние до стены для наилучшего охлаждения провода.
Опытные электрики, которые выполнили большое число инсталляций самонесущих-ИП, рекомендуют широко распространенные марки СИП с жилами 16 и 25 кв. мм крепить зажимом (далее на изображении). Зажим для СИП Зажим для СИП Этот зажим не рекомендуется использовать для СИП-2.
Причин этому две. Китайские зажимы этой модели содержат непрочную скобу, которая ломается, и в результате этого провод может оторваться. Другой недостаток этой модели, даже если она не китайского производства, а от известного бренда, состоит в том, что жилы провода после зажима расположены слишком близко от кронштейна. Поэтому неудобно выполнять монтажные работы. Особенно при фасадном креплении.
Скоба зажима и места ее разлома (их касаются пальцы) Модель анкерного кронштейна, рекомендуемая для широкого применения На изображении выше показан недорогой и удобный анкерный кронштейн. Это справедливо, потому что для монтирования его на столбе нужна всего одна лента. Также и на стене дома его возможно закрепить всего одним метизным креплением.
Прочность таких соединений достаточна для большинства ситуаций, связанных с монтированием самонесущих-ИП как на столбах, так и на стенах. Поэтому не имеет смысла применять более массивные, дорогие и сложные в установке модели кронштейнов.
Состав арматуры
Поскольку опоры для самонесущих-ИП бывают различной конструкции, в соответствии с ней выбирается и часть арматуры для монтирования к этим опорам. Арматура и непосредственно СИП в связке образуют цепочку. Она начинается на опоре и заканчивается на стене дома. Первое звено – это кронштейны, которые располагаются на деревянных, стальных и железобетонных столбах.
Кронштейн удерживает следующее звено – зажим анкерный. Затем из элементов арматуры следуют зажимы промежуточные поддерживающие. И завершается эта арматурная цепочка креплением на фасаде здания (стене). Это так называемое фасадное крепление.
Кронштейн Разновидности кронштейнов для самонесущих ИП Анкерный зажим для СИП Еще один анкерный зажим Еще один анкерный зажим Еще один анкерный зажим Еще один анкерный зажим Еще один анкерный зажим для СИП Анкерный зажим Разновидности анкерных зажимов для СИП Промежуточные зажимы Разновидности промежуточных зажимов для самонесущих-ИП Разновидности фасадных креплений для СИП
Важные нюансы монтажа
- Нельзя использовать один анкерный кронштейн для двух зажимов самонесущих-ИП. Усилие со стороны провода должно быть приложено наиболее соосно кронштейну. Составляющая силы, направленная в сторону будет воздействовать на кронштейн разрушающе. Один провод СИП – один кронштейн. Это правило нельзя нарушать.
- Если никак нельзя избежать бокового усилия в кронштейне, рекомендуется использовать его специальную модель с прикреплением в трех или четырех точках, расположенных по углам основания воображаемой пирамиды, в вершине которой расположена точка контакта кронштейна и зажима.
Пример модели кронштейна, рекомендуемой для самонесущих-ИП, присоединенного под углом к нему
- Для монтирования на столбах лентой рекомендуется применять такие кронштейны, у которых большие ограничительные выступы для удерживания ее. Со временем появляется люфт, который обусловлен растяжением ленты.Если выступы маленькие, кронштейн может соскочить с места крепления.
- На прямых участках рекомендуется применять поддерживающие зажимы. Они в основном дешевле, потому что их конструкция проще, чем у анкерных. Но на прямых участках этого достаточно.
- Для монтирования анкерного зажима на стене дома выбирается место, защищенное от падения снега и сосулек.
- Монтирование СИП делается с учетом расстояний, которые обязательно соблюдаются.Если стена дома, на которой крепится анкерный кронштейн, удалена от столба больше чем на 25 метров, для самонесущих-ИП нужна дополнительная промежуточная опора.
- Расстояние от поверхности земли до кронштейна делается 2,5 метра или больше, а на улице до провода между опорами – 5–6 м.
Расстояния, которые надо соблюдать при подключении проводом самонесущих-ИП
- Нормированы также расстояния до окон, балконов и крыши. Они наглядно показаны на изображении далее.
Расстояния, которые необходимо соблюдать для СИП, если провод проложен по стене жилого дома. До нее от провода должно быть не менее 6 см.
На изображениях выше не показано еще одно расстояние, обязательное к соблюдению. Если провод расположен под углом к стене, а кронштейн закреплен на ней ближе 10 сантиметров к углу дома, со временем, особенно если стена кирпичная, она растрескается и кронштейн выпадет. Монтирование кронштейна к любой стене рекомендуется на саморезах с шестигранной головкой. Диаметр самореза выбирается не меньше, чем под посадочное отверстие в кронштейне.
- Газовые и водопроводные трубопроводы также должны оставаться на удалении от самонесущих-ИП, проложенных по стене соответственно на 0,4 и 0,1 метра.
- Если стена дома деревянная, провод прокладывается по стене в металлическом гофре. Но при этом обязательно прогнозируется температура жил и, если она выше нормы, надо применить СИП с увеличенным сечением жил.
Самонесущие-ИП на бетонном прямоугольном столбе СИП на бетонном круглом столбе Самонесущие-ИП на деревянной опоре Монтирование СИП (3 фазы и ноль) на кирпичной стене Монтирование самонесущих-ИП на деревянной стене.
Материал
Перед монтажом необходимо приобрести весь материал, а именно:
Здесь указанны марки материалов производителя ENSTO, в вашем случае спецификация (SLIP, SO, SOT и т.д.) может не совпадать, но сами названия (прокалывающий, анкерный зажим, скрепа) должны быть одинаковыми.
Особенности организации молниезащиты
Помимо предохранения от поражения электрическим током заземление стальных опор может служить в качестве молниезащиты. Особенно важно заземлять опоры при монтаже наружного освещения на открытых площадках, которые удалены от зданий и сооружений. Значительная высота столбов для наружного освещения, которая составляет от 3 до 11 м, способствует притягиванию молний.
Попадание молнии в мачты для светильников наружного освещения, которые не подсоединены к заземлителям, приводит к перенапряжению сети. Если опорные конструкции заземлены, то во время грозы импульсные токи отводятся в грунт.
Для отвода тока молнии следует заземлять каждый столб для наружного освещения. Кроме того, нужно предусмотреть защитные мероприятия от перенапряжения из-за вторичных проявлений молний. Наличие защиты от молний позволяет избежать нарушений в работе линий наружного освещения.
Соединение провода СИП в домашнем щитке с шиной заземления. Как лучше?
В общем, озадачился я повышением надёжности крепления СИП к шине. В настоящий момент у нас в СНТ и электрики местных электросетей (в щитах освещения и учёта, установленных на опорах ЛЭП) и сами мы, наглядевшись на них, зажимаем СИП непосредственно в латунную шину вот так:
Сип алюминиевый, шина латунная. Металлы по идее несовместимы. Но практика показывает, что они стоят нормально довольно долго. Стоят в некоторых местах уже лет 7. Нагрузка в некоторых щитах до 25 ампер, следов коррозии нет, зажаты до сих пор хорошо.
Тем не менее, хочется сделать надёжнее, без пар алюминий-латунь. Поэтому я рассматриваю несколько вариантов. Самый надёжный — вместо этих латунных шинок поставить настоящую медную ГЗШ с болтами. Но имеется две трудности — медная пластина даже без болтов стоит довольно дорого. Вторая трудность — требует немало места, а в щитках его уже не так много. Конечно, можно найти медную пластину на пунктах сдачи металла, и выкроить из неё нужную геометрию шины, но это надо ходить, искать и спрашивать. И третье — неэстетично она выглядит, хотя это как раз ерунда, ведь контакты хорошо доступны для контроля.
В общем, поездил я по рынкам да магазинам, и нашёл вот такие латунные шины уравнивания потенциалов по 250 рублей:
Что мне в них понравилось — имеется болт с гроверной шайбой для крепления наконечника СИП и все зажимы для проводов имеют два винта, как в электросчётчике. Выглядит такая шина гораздо надёжнее прежней маленькой шинки, и аккуратно. Короткие шины занимают сравнительно мало места. Ну и стоят относительно недорого.
Почему необходимо заземлять опоры
Нарушение изоляции, обрыв провода, перекрытие или пробой изолятора вызывают протекание токов через мачту и образование напряжения прикосновения и пошагового напряжения. Снабжение опор заземляющими устройствами защищает от электротравмирования находящихся поблизости людей.
Исходя из инструкции по молниезащите и устройству систем заземления, металлические опоры, применяемые при проведении наружного освещения, обязательно нужно заземлить.
Заземление требуется при размещении на опоре молниезащитных средств. В случае прямого удара молнии в опору, через заземляющее устройство происходит отвод импульсных токов, понижая напряжение на изоляции силового кабеля.


Правильное подключение СИП: переходим на медь
Способов перехода с СИП на медь несколько. Для начала попробуем подключить алюминиевые провода СИП к медным проводам, которые можно завести на клеммы счетчика непосредственно. Потом — как предписывает ПУЭ, через автомат. Другие способы, а также философию провода СИП я рассмотрел в предыдущих частях статьи ( ищите на канале СамЭлектрик.ру )
Сжим типа “Орех“. Это самое лучшее соединение любых проводов (по сечению, материалу и гибкости) с точки зрения надежности, простоты монтажа (нужна только отвертка) и цены. Я писал о нём неоднократно, например в статье Какие контакты я использую, их плюсы и минусы и Как я установил себе реле напряжения .
Подключение СИП к проводу 4 мм2 через Орех Подключение СИП к проводу 4 мм2 через Орех
К несчастью, этот способ – не самый лучший с точки зрения возможности незаконных “утечек”, поэтому его не любят проверяющие органы. Кроме того, Орехи плохо реагируют на влажность, и устанавливать их под открытым небом не рекомендую – через несколько лет они могут банально заржаветь. Даже в уличном щите учета их тоже может ждать такая участь, ведь туда так или иначе попадает влага и образуется конденсат. Конечно, если вы не установите в щите учета печку с термостатом, как это сделал мой читатель .
Распределительные блоки РБДп, которые я считаю эволюцией Орехов. Их плюсы – они могут быть смонтированы на ДИН-рейку, соединение не нужно разбирать ради монтажа/демонтажа одного провода (каждый провод – на один персональный винт), количество проводов на одном блоке легко сделать больше двух (у ореха, чтобы скрутить 3 и более проводов, надо постараться). Я рекомендовал РБДп в статье про грузинскую электрику :
Разделение посредством проходного блока РБДп 35 Разделение посредством проходного блока РБДп 35
На фото СИП проходит, а нам нужно, чтобы зачищенный фазный конец зажимался и оставался в блоке. Плюсы такого способа – для подключения не нужно никаких инструментов, кроме отвертки и гаечного ключа. Жила прекрасно зажимается полукруглой планкой. Ещё плюс – с РБДп можно завести провод не только в счетчик, но и ещё куда-нибудь, если позволяет система учета электроэнергии (напомню, мы куражимся ДО счетчика!) Минус – блок не предназначен для пломбирования.
При подключении ввода к СИП профессионалы часто применяют специальные прокалывающие зажимы . Их можно использовать для перехода с СИП на медь на фасаде дома, или прямо на магистральной линии.
Прокалывающий зажим для перехода с СИП на медные провода Прокалывающий зажим для перехода с СИП на медные провода
Данные зажимы не предназначены для повторного использования. Нужно иметь некоторый опыт и качественный зажим, чтобы сделать хорошее соединение. Как конкретно это делается, смотрите обучающие видео.
Вот, что получается:
Переход с СИП на ВВГ Переход с СИП на ВВГ
Один мой коллега делал такое соединение на линии, и недокрутил болт. Результате контакт оказался плохим. К несчастью, это оказался нейтральный провод… Поэтому, если вы не уверены, такой зажим лучше использовать для ответвления СИП от магистрали (например, с СИП сечения 35 на 16 мм2), а переход на медь на фасаде или в щите сделать другими способами.
Пожалуй, лучший способ для перехода на медь – снова гильзы ГАМ 16/10 (алюмомедные под опрессовку), о которых я говорил в предыдущих разделах. Принцип я описывал выше. Нужно использовать пресс-клещи, контактную проводящую пасту КПП или кварцевазелиновую пасту.
В итоге мы получаем качественное соединение алюминия с однопроволочной либо многопроволочной медью. Как правило, используются гибкая многопроволочная жила, которая оконцовывается обычным способом, через НШВИ. Можно ли таким же образом использовать однопроволочную жилу типа ПВ-1? Да. Плюс – её не нужно обжимать. Минус – монтаж получается не таким эстетичным.
В итоге, данный способ позволяет подключить к счетчику уже не алюминиевый, а гибкий или жесткий медный провод, который имеет гораздо лучшие свойства по сравнению с алюминиевым.
The best: Подключить алюминиевые провода СИП к медным проводам, которые завести на клеммы счетчика через автомат
Это самый правильный способ. Он сочетает в себе все плюсы предыдущих и выполняет рекомендации ПУЭ. Хорошо, что его используют всё чаще.
Перейти на медь можно всеми способами, описанными в предыдущем разделе, но наиболее предпочтительный и профессиональный – через гильзы алюмомедные ГАМ 16-10 , которые ещё называют биметаллическими.
В итоге получается такой монтаж:
Переход с СИП на ПВ-3 через алюмо-медные гильзы ГАМ Переход с СИП на ПВ-3 через алюмо-медные гильзы ГАМ В итоге получается такой образцово-показательный щит с переходом СИП через ГАМ 16/10 В итоге получается такой образцово-показательный щит с переходом СИП через ГАМ 16/10
В щите выполнено повторное заземление (TN-C-S) с переходом на 5-проводную систему питания без разрыва нейтрального провода (кстати, он заходит в клемму N счетчика непосредственно).
Подобное подключение хорошо показано на видео:
Какой провод в СИП по цвету – фаза, а какой – нейтраль?
Смотрю, что этот вопрос довольно часто поднимается, но он на самом деле очень прост. Достаточно обратиться к ГОСТ на СИП, в котором четко расписана его расцветка.
ГОСТ 31946-2012 раздел 5.2.7.2 : Основные токопроводящие жилы самонесущих изолированных проводов должны иметь отличительное обозначение в виде продольно выпрессованных рельефных полос на изоляции (…). Изолированная нулевая несущая жила не должна иметь отличительного обозначения. Отличительное обозначение также может быть выполнено в виде цветных продольных полос шириной не менее 1 мм. Цвет полос должен быть контрастным по отношению к черному цвету.
Получается, что фазные проводники всегда имеют продольную цветную линию, нулевой (нейтральный) провод никакой линии не имеет. И даже если на проводе – синяя полоса, это фаза, а не нейтраль, как может показаться! При этом, не смотря на четкое изложение данного вопроса в ГОСТ, нужно всегда использовать правило: “Доверяй, но проверяй!”. Иначе будет, как у одного моего читателя – он сделал щит учета, завёл “синюю” жилу СИП через автомат в счетчик, а жилу нейтрали подключил напрямую на ГЗШ, разделив на N и РЕ (система заземления TN-C-S). Местный электрик “с 40-летним стажем”, которого вызвали официально для подключения, никого не предупредив, полез на столб подключать СИП. Скатившись после КЗ со столба с выпученными глазами (при этом вводной автомат был выключен!), он начал учить матчасть.
Подключение СИП к ВЛ на опоре Подключение СИП к ВЛ на опоре
Примеры подключения СИП к дому
Хорошо весь процесс подключения показан в видео Дмитрия, канал Заметки электрика:
Вывод в статье простой. Продолжительная беспроблемная эксплуатация гарантирована лишь в случае правильного подключения СИП. Но такое подключение – наиболее сложное и ответственное во всем доме, и требует тщательной подготовки и высокой квалификации.
Дополнение: Счетчик должен быть в тепле и граница балансовой принадлежности
Читатель Александр 9 и 10 сентября поднял важную тему- счетчик должен быть в тепле, работать при плюсовой температуре, иначе возможно образование конденсата. Вот его рассказ:
По правилам установки счетчиков: Правила устройства электроустановок» издание шестое. Раздел 1.5.. Что касается подогрева раздел. 1.5.27.
На основании ПУЭ_1.1.4. Открытыми или наружными электроустановками называются электроустановки, не защищенные зданием от атмосферных воздействий.
Закрытыми или внутренними электроустановками называются электроустановки, размещенные внутри здания, защищающего их от атмосферных воздействий.
ПУЭ _1.5.27 Счетчики должны размещаться в легкодоступных для обслуживания сухих помещениях, в достаточно свободном и не стесненном для работы месте с температурой в зимнее время не ниже О °С.
Допускается размещение счетчиков в неотапливаемых помещениях и коридорах распределительных устройств электростанций и подстанций, а также в шкафах наружной установки. При этом должно быть предусмотрено стационарное их утепление на зимнее время посредством утепляющих шкафов, колпаков с подогревом воздуха внутри них электрической лампой или нагревательным элементом для обеспечения внутри колпака положительной температуры, но не выше +20 °С.
Место установки счетчика и балансовая принадлежность
«По вопросу места установления прибора учета», основанное на постановлении Президиума Высшего Арбитражного Суда Российской Федерации N 16008/10 от 18 мая 2011 года. (п.16.1, 16.3, пп «г» п. 25.1). В тексте Письма Федеральной антимонопольной службы от 28 декабря 2015 г. № СП/75571/15 «О направлении разъяснений», указано, что место установки прибора учета электрической энергии определяется потребителем самостоятельно с обязательным соблюдением требований пункта 144 Постановления Правительства РФ №442 и главы 1.5 ПУЭ (шестое издание).
Федеральный закон №522 о перекладывании ответственности за установку и поверку приборов учета на сетевую организацию или гарантирующего поставщика, не даёт, монополисту, право в одностороннем порядке менять существующие договорные условия.
Когда счетчик установлен в доме, точка балансовой принадлежности начинается в месте установки и потребитель уже не оплачивает потери в линии электропередач до счетчика.
Люди просто не знают как их разводят и оплачивают ошибки счетчиков установленных наружно. Суммы порой бывают не одна тысяча, а то и десятки тысяч в течении года.
В случае нарушения прав потребителя, необходимо идти в прокуратуру и суд. Не хочется? Тогда нагибайтесь и платите.
От Автора: добавлю, что что данные вопросы рассмотрены в первой части статьи, а пример подогрева счетчика подробно рассмотрен в статье Уличный электрощит с обогревом и термостатом .
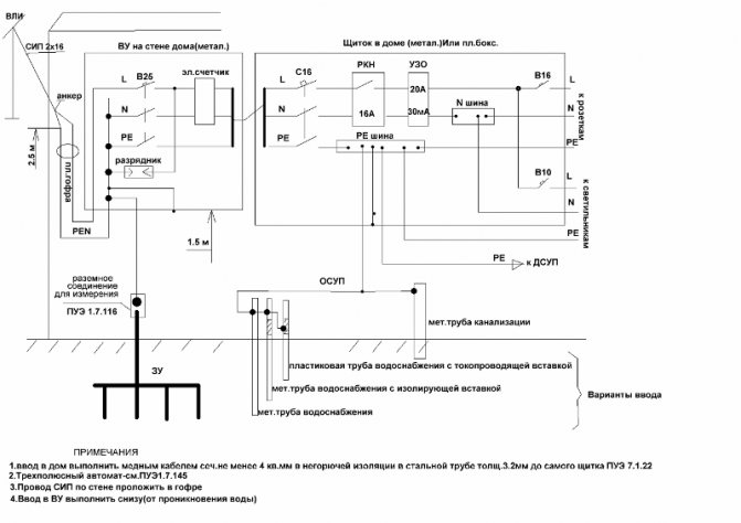
TN-C-S и для чего нужно повторное заземление PEN проводника
Если речь идет о населенной местности с одно- и двухэтажной застройкой, то повторное заземление PEN проводника на вводе в частный дом согласно ПУЭ не требуется. И никакие 4, 10 или 30 Ом вас не касаются. В штатном режиме повторное заземление PEN проводника, которое вы сделаете самостоятельно на вводе в свой дом, по сути к вам не будет иметь непосредственного отношения. Сопротивление его заземляющего устройства в совокупности со всеми повторными заземлениями будет относится к заземлению нейтрали трансформатора, а это ответственность снабжающей организации.
Давайте представим, что вы сделали повторное заземление с сопротивлением заземляющего устройства 30 Ом, и рассмотрим вариант с ЗУ 300 Ом. Какая здесь разница? Для вас, как владельца частного дома, никакой:
- При отгорании общего нуля ваши старания практически бесполезны.
- При выносе потенциала на зануленные корпуса отработает защитное отключение и без вашего повторного заземления на вводе.
Важно! Остается единственный опасный случай, когда происходит отгорание вашего PEN проводника в месте до разделения на PE и N и вынос потенциала на зануленные корпуса. Здесь ситуация такая-же, как и с занулением в двухпроводке. В этом случае даже при наличии повторного заземления никакое УЗО не сработает. Единственная надежда остается на систему уравнивания потенциалов (СУП) и расцепитель напряжения для автоматических выключателей (или реле контроля напряжения). И если представить, что ни расцепителя, ни СУП у вас нет при такой аварийной ситуации, то лучше иметь повторное заземление PE проводника с наименьшим возможным сопротивлением заземляющего устройства для снижения напряжения прикосновения.
Технология монтажа провода СИП-3 на опорах ВЛ 6-10кв.


Именно на средний класс напряжения 6-10кв приходится основная доля аварийных отключений. Старые ЛЭП-6-10кв выполненные голыми проводами, в первую очередь подвержены влиянию таких погодных факторов, как ветер и гололед. А применение самонесущих проводов с защитной изоляцией позволяет существенным образом улучшить характеристики их безопасности и надежности.
При использовании СИП-3 уменьшается сразу несколько параметров:
- пространство при компоновке распределительных узлов на подстанции
Все это очень выгодно с экономической точки зрения.
Технические характеристики провода СИП-3
Технические параметры и характеристики (сечение, номинальный ток, ток КЗ, диаметр, масса) высоковольтного провода СИП-3:


Еще данные — ток, активное, индуктивное сопротивление, падение напряжения
Качество ВЛЗ безусловно зависит от качества применяемых проводов, но оно в равной степени также зависит и от применяемой арматуры. При использовании проверенных материалов можно построить не требующую обслуживание ВЛ сроком эксплуатации более 40 лет.
Монтаж опор для ВЛЗ-10кв


Провод СИП-3 может монтироваться как на новые опоры, так и на уже существующие, взамен голых проводов АС-50-70-95-120. Естественно с заменой всей несущей, крепежной арматуры и изоляции. Замена старой ВЛ-10кв на новую ВЛЗ с проводами СИП-3 называется реконструкцией.
И реконструкцию и новое строительство обязательно выполняют по проекту.
Чаще всего монтаж новой ВЛЗ начинают с установки анкерных опор. Еще до подъема стойки анкерной опоры, на земле, на ней закрепляют необходимое количество траверс.
Для предотвращения коррозии, а также в силу того, что линия должна быть необслуживаемой, необходимо использовать оцинкованные траверсы. В противном случае, вам через несколько лет придется заново подниматься на каждую опору и для защиты от ржавчины перекрашивать выцветшие траверсы.


Траверса сразу заземляется. Делается это через присоединение плашечным зажимом и стальным прутом диаметром минимум 10мм (сечением 78,5мм2) к заземляющему выпуску на макушке опоры.
На ж/б опорах допускается как сварное присоединение, так и болтовое. На деревянных рекомендуется использовать в первую очередь плашки.


На многостоечных анкерных опорах количество заземляющих спусков должно быть не менее двух. В качестве таковых можно использовать элементы продольной арматуры железобетонных стоек СВ-105-110.
Все металлоконструкции здесь (крепление подкоса, сама траверса) заземляют сверху, через заземляющий выпуск. Не требуется делать отдельный спуск выполненный прутом или полосой, непосредственно по телу опоры до земли.


Изоляторы на траверсу желательно не накручивать на земле до момента установки опоры, во избежание случайного повреждения и боя при монтаже спецтехникой. Частично оборудованную стойку с помощью автокрана или бурокрановой машины устанавливают в нужной точке.
Затем монтируются один или два подкоса. Их число зависит от схемы трассы и определяется проектом.


Опора должна быть заглублена не менее чем на 2,3-2,5 метра. После этого монтируются промежуточные опоры.
Установка изоляторов на ВЛЗ


Когда все опоры выставлены можно приступать к установке на них изоляторов. Причем здесь можно использовать как традиционные фарфоровые изоляторы ШФ-20, так и изоляторы нового поколения IF27 со специальной пластмассовой втулкой.
IF27 более удобен в монтаже и позволяет производить раскатку провода СИП-3 без наличия монтажных роликов. Изоляторы монтируются на штыри траверс или на крюки опор с помощью пластиковых колпачков КП-22.
Однако не обязательно везде использовать современные марки изоляторов. Например на анкерных опорах для линий ВЛЗ с СИП-3 очень хорошо зарекомендовали себя старые проверенные временем стеклянные изоляторы ПС-70Е, собранные в гирлянды минимум по 2шт.
Технические характеристики изоляторов от Ensto, Sicam, Niled для СИП-3:
Ensto Sicam Niled
После монтажа изоляторов приступают к раскатке провода. Наиболее просто раскатка и монтаж производится непосредственно по желобам штыревых изоляторов IF27.
Если применяются простые изоляторы ШФ-20, то вам потребуются раскаточные ролики, которые должны быть установлены на траверсах промежуточных опор.
Раскатка провода СИП-3


На начальной анкерной опоре закрепляется силовой ролик немного другой конструкции с бандажной лентой. Если на промежуточных траверсах нет петель или крюка за который можно было бы подвесить ролик, то везде применяют девайсы с бандажной лентой.
Технические характеристики и марки монтажных роликов от Ensto, Sicam, Niled, КВТ:
Ensto Sicam Niled КВТ


ВЛИ: расшифровка и назначение
От подстанций к различным потребителям, электроэнергия передается по двум основным линиям (воздушные и под землей). В свою очередь, воздушные линии электропередачи разделяют на два вида ВЛ и ВЛИ.
Особенности ВЛИ:
- Надежность;
- Стойкость к различным климатическим условиям;
- Дешевизна электромонтажных работ.
ВЛИ – воздушные линии электропередачи с применением самонесущих изолированных проводников (СИП), с напряжением до 1 кВ и в которых нейтраль глухозаземлена.
Надежность данных линий определяется тем, что на проводниках отсутствует стеклянная линейная изоляция.
К стойкости к климатическим условиям относят различные факторы. Например, прочные проводники, способны выдерживать высокие нагрузки при обледенении, при сильных порывах ветра не происходит схлестывания проводов (обычно это приводит к отключению подачи электроэнергии), так как данные проводники покрыты внешней изоляцией.
Обратите внимание! Достаточно часто, отключение электроэнергии происходит из-за контакта проводников посторонними предметами (ветки деревьев). Защитная изоляция не допускает замыкания.
Стоит отметить, что благодаря конструктивным особенностям кабелей, достаточно сложно произвести несанкционированное подключение к электросети.
Нормальную работу электроприемников, обеспечивают посредством устройства заземления. Характеристики заземляющего устройства прописаны в правилах ПУЭ.
После ввода в эксплуатацию и непосредственно во время работы, производятся различные контрольно – измерительные мероприятия. К ним относят испытания проводников, которые проводят только после того, как от сети отключены все потребители.
Осуществляется контроль и заземлителей (выборочно), при которых заземляющий контур несущей конструкции раскапывается и производится замер сопротивления.
Теги
системе TN системе TN системы TN системы TN группу TN.системе TN.системы TN системе TN делатьсистеме TN насистемы TN требованиямповторное заземление повторного заземления повторное заземление повторного заземления вповторное заземление повторное заземление повторного заземления приповторного заземления допускаетсяповторного заземления ужеПовторное заземление нулевоготакое повторное заземление повторного заземлениянужно повторное заземлениеПрименение повторного заземлениянужно повторное заземление повторное заземлениеработы повторного заземленияобустройства повторного заземленияконтура повторного заземления Повторное заземлениепредусмотрены проводники изащитный проводник PEзащитный проводник PE.нейтрального проводника сповреждения проводника PEN
обрывапитанияисточникавыполненысипстолба
Основные виды
Защитное заземление позволяет защитить человека от удара током, если на корпусе прибора или установки случайно возникает напряжение. Опасный потенциал снимается либо обеспечивается срабатывание электрических защитных устройств с минимальным запаздыванием.


Естественными заземлителями считаются любые металлические предметы, которые находятся в земле. Устанавливающими норму документами не рекомендуется использование естественных проводников, потому что невозможно учесть такую величину, как сопротивление растеканию тока в грунте от них.
Искусственными заземлителями считаются устройства с заранее рассчитанными параметрами, специально созданные для сооружения заземления.
Последствия при обрыве «нуля»
Последствия при обрыве нейтрального проводника могут быть совершенно разные. Все зависит от того в какой сети произошло аварийное отключение нуля: трехфазной или однофазной. Рассмотрим оба случая отдельно друг от друга.
- Трехфазная сеть. Отгорание или обрыв нейтрального проводника в трехфазной сети может привести к полному перекосу питающих фаз в результате которого на одной линии электропроводки, питающей бытовую технику и осветительные приборы может возникнуть повышенное напряжение в 380 В, а на другой понизиться вплоть до нулевой величины. Перенапряжение, а также снижение напряжения электрической сети, является опасным для любых электроприборов и электронных устройств. Предельные величины напряжения в электропроводке могут вызвать возгорание как самих проводов, так и электроприборов, что приведет к пожару в помещение.
- Однофазная сеть. Совершенно другая картина возникает при обрыве «нуля» в однофазной сети, которая заводится в квартиры и дома от распределительного щита. Каждая линия питания группы осветительных приборов и бытовой техники состоит из двух проводников: «нуля» и фазы. К тому же в большинстве современных многоэтажных домах кабель электропроводки имеет третью жилу для подключения к электроприборам защитного заземления, чего нет в старых постройках. При обрыве «нуля» в однофазной сети на нулевом проводе появляется опасное для человека напряжение в 220 В.
Как мы видим, при обрыве нейтрального провода в любой сети как трехфазной, так и однофазной, может возникнуть ряд негативных и опасных последствий. Что делать, чтобы исключить такое развитие событий? Конечно, выход есть! Необходима защита от отгорания «нуля» или его обрыва! Ниже мы рассмотрим все виды защиты от обрыва или отгорания «нуля» в трехфазных и однофазных сетях.
Глухое погружение нейтрали


Системы заземления разделяют на две большие группы: с глухо заземленной нейтралью и с изолированной. В схеме первого типа нейтральный проводник (обозначается N) всегда заземлен и может быть независимым от защитного PE-проводника, а может соединяться с ним, образуя PEN-проводник. Если нейтральный провод объединен с защитным проводником, он образует систему TN-C, если проводиться отдельно − систему TN-S, в случае, когда объединен на подстанции с защитным проводником, а при входе в здание разделяется на два проводника – защитный PE и функциональный N, образуется система TN-C-S. Еще одним видом является система, при которой нейтральный проводник заземляется на подстанции и к потребителю трехфазный ток поступает по четырем проводам, одним из которых является ноль N. Это − система TT.
Читайте также: Как определить падеж у местоимений
Методы определения
Рассмотрим способы определения нулевого и заземляющего проводников, от очень простого к более сложным.
Цепь имеет защиту по дифф-току
. Если весь объект или исследуемая ветка снабжены защитой по дифференциальному току — дифф-автоматом или УЗО, задача значительно упрощается. Нужно контрольный прибор, например лампа с проводниками, подключить к фазе и к одному из исследуемых проводников. Если дифф-защита не сработала, значит лампа подключена к рабочему нолю. Если происходит срабатывание УЗО при подключении лампы — вы ее подключаете к фазе и земле. Все достаточно просто и заодно проверите устройство защитного отключения на практике.
Перед выполнением такого теста нужно убедиться в работоспособности дифф-защиты, нажав кнопку «тест» на защитном аппарате. Следует отметить, что способ будет работать при условии, что ток через лампу будет превышать номинальный дифференциальный ток аппарата. То есть, при использовании лампы накаливания (энергосберегайка не подходит) сработает УЗО с током утечки 10-30 мА. Вводное УЗО на утечку 300 мА может не сработать, для надежной проверки нужно брать прибор помощнее.
Сравнение с заземляющими контактами розеток
. Данный метод будет работать если на вводе стоит двухполюсный автомат, размыкающий рабочий ноль и в помещении имеются розетки с заземлением. Вводной автомат следует отключить, тем самым мы разомкнем любую связь ноля с землей. По возможности следует отключить все приборы из розеток.
Далее следует «прозвонить» мультиметром в режиме измерения сопротивления заземляющий контакт одной из розеток с исследуемыми контактами. При соединении с нулевым проводом, мультиметр должен показывать большое сопротивление, с заземляющим контактом на неизвестной точке с землей розетки сопротивление практически нулевое.
Таким способом можно заодно проверить правильность подключенных розеток: при отключенном вводном двухполюсном автомате, нулевые и заземляющие контакты прозваниваться не должны. Ну это при условии, что проводка изначально исправна и верно смонтирована.
Лезть в щит
. Если предыдущие способы реализовать нет возможности, придется лезть в «начинку» электрощита. Думаю напоминать здесь о технике безопасности не стоит: ее никто не отменял. На самом деле способ достаточно прост: нужно найти нулевой проводник, уходящий в помещение и отсоединить его от клемм щита. Затем прозвонить с исследуемыми контактами: с которым будет звониться — тот и есть нулевой проводник.
В случае с щитом вполне может возникнуть сложность, когда даже в щите сложно отличить ноль от заземления. В этом случае понадобятся токовые клещи. Нужно включить напряжение и нагрузку в помещении, и исследовать клещами неизвестные проводники в щите — где будет ток, так и рабочий ноль
Обратите внимание: метод работает только в том случае, когда вы точно знаете, что один из проводников — ноль, а другой — земля.
Все вышеописанные методы работают как с заземлением, так и с «занулением»
Определить контакты при подключении электроплиты
. Иногда возникает необходимость заменить розетку электроплиты, а проводка советских времен или начала 90-х, одноцветная. Для верного определения зануления электроплиты необходимо условие — двухполюсный автомат во вводном щите, отключающий и фазу, и ноль от всей квартиры.
Итак, при включенной электроэнергии определяем фазу на ичсследуемых выводах для будущей розетки — этот контакт помечаем и откидываем в сторону, далее он нам не нужен. Потом нужно определить ноль в любой розетке в квартире — так как проводка советская, земли там нет, поэтому нолем окажется тот вывод, на котором не светится отвертка-индикатор.
Теперь обесточиваем всю квартиру и мультиметром прозваниваем ноль обычной розетки с двумя оставшимися контактами на электроплиту. Тот контакт, который звонится с нолем розетки — рабочий, а тот что не звонится — зануление (земля). Если же звонятся оба контакта — нужно искать ошибки в электропроводке. При организации зануления в советское время, его присоединяли к клемме «PEN» без каких-либо коммутационных аппаратов.









