От стабильности напряжения сети зависит работоспособность различных бытовых приборов и промышленных агрегатов. Чтобы в работе электрических систем не возникало сбоев, применяют защитные устройства: автоматические выключатели, реле напряжения, фазные стабилизаторы и другие. Какое устройство выбрать и как это лучше сделать, расскажем в нашем подробном материале.
Реле напряжения – что это такое и для чего нужно


Номинальное напряжение питания техники равно 220 В. Но обеспечить идеальные условия передачи электроэнергии невозможно, поэтому потребители постоянно наблюдают скачки в сети. Особенно часто с проблемой сталкиваются жители квартир в старых многоэтажных домах и частный сектор.
Важно: нормальным является отклонение от номинального значения в пределах 10%.
Реле контроля напряжения (РКН) — техническое устройство, предназначенное для непрерывного контроля параметров сети и автоматического выключения питания при резких скачках напряжения. Прибор срабатывает в том случае, если показатели вышли за установленные значения.
Другими словами, устройство защищает электроприборы от перепадов напряжения в сети, которые могли возникнуть из-за замыкания одной из фаз, обрыва нуля, перекоса фаз и т.п. Стоит отметить, что на технику негативно влияет как чрезмерное, так и недостаточное напряжение питания.


Что такое реле и его существующие разновидности
Чтобы разобраться с назначением этого защитного прибора, давайте узнаем, из чего он состоит. Итак, реле контроля напряжения, далее именуемое РКН, состоит из единого корпуса, внутри которого находится электронный контроллер напряжения и разъединители нагрузки. Контроллер может быть выполнен из компаратора или электронной схемы с микропроцессором. Второй вариант считается надежней, плюс позволяет плавно срабатывать отключающемуся устройству. Что касается разъединителей нагрузки, то это обычный блок механических контактов, работающих по принципу контактора.
Существует много разновидностей РКН. Производитель для удобства работы пытается улучшить свои изделия, оборудовав их электронным табло или другими приспособлениями. Давайте рассмотрим основные разновидности приборов, подходящих для домашнего пользования.
Модель системы вилка-розетка
Простейший прибор, представленный моделями V-protector 16AN или РН-101М, предназначен для защиты отдельного потребителя. Его внешний вид напоминает простой тройник или переходник. Реле на корпусе с одной стороны имеет вилку для подключения к розетке. С другой стороны корпуса находится разъем, куда подключают вилку любого электроприбора, например, холодильника. Для установки порогов срабатывания РКН на корпусе имеются кнопки. Электронное табло служит для удобства настройки, а также отображает напряжение электросети. Внутри корпуса установлен микроконтроллер, анализирующий проходящее напряжение и управляющий работой электромагнитного реле.


Модель системы удлинитель
Устройство и работа этого реле идентичны выше рассмотренной модели. Единственным отличием является конструкция корпуса. Внешний вид реле напоминает простой удлинитель типа сетевого фильтра. Корпус оборудован несколькими разъемами для одновременного подключения нескольких потребителей. Изделие представлено моделями РН-101М, ZUBR P616y и V-protector 10Acy.


Модель для монтажа на DIN-рейку
РКН такого образца монтируется внутри электрощита. Его можно подключить к отдельной линии, идущей на группу потребителей, или весь дом. Защитный прибор представлен моделями V-protector 16-80A и ZUBR D340t. Они отличаются широким диапазоном регулировки и наличием независимых режимов работы. То есть, прибор способен работать только на высоких или низких порогах, а также как обычное реле. РКН рассчитано на рабочую нагрузку не более 8,5 кВА. Если мощность потребителя превышает данный параметр, реле ставят в комплекте с контактором или магнитным пускателем.


Принцип работы и функционал


Многофункциональное реле DigiTOP VA-32A
Принцип работы прибора, известного большинству любителей под названием ограничитель напряжения 220V, можно понять после ознакомления с его устройством. В состав входят следующие узлы:
- электронный модуль контроля, настраиваемый по нижнему и верхнему пределам;
- формирователь управляющего сигнала;
- электромагнитное реле, отключающее прибор при превышении уставки.
Когда напряжение в сети достигает одного из предельных уровней, электроника вырабатывает управляющий сигнал, подающий питание на реле контроля. Оно срабатывает и обесточивает линию, защищая подключенные к розеткам бытовые приборы.


Принцип действия реле
Функционал таких изделий в сравнении с тем же стабилизатором существенно расширен:
- Можно установить два порога срабатывания (верхний и нижний).
- Приборы имеют светодиодные индикаторы, встроенные в лицевую панель и обеспечивающие контроль наличия напряжения на входе и выходе.
- Предусмотрен жидкокристаллический дисплей, на котором фиксируются значения основных параметров сетевого питания.
Перечисленные возможности заметно облегчают эксплуатацию защитного оборудования, установленного в квартире или в загородном доме.
Реле защиты от скачков напряжения
Защита дома от скачков напряжения с помощью РН рекомендуется в тех случаях, когда напряжение в сети устойчиво, а его заметные скачки редки. РН представляет собой устройство, способное считывать параметры электрического тока и разрывать электрическую цепь в тот момент, когда показатели выйдут за пределы заданного диапазона. После того, как показетели в общей сети нормализуются, устройство автоматически замкнет цепь и возобновит питание потребителей. Функция возобновления питания через заданный промежуток времени (с задержкой), встроенная в реле напряжения 220в для дома, помогает продлить срок службы некоторых бытовых устройств, холодильников и т.п.
РН обладают небольшими габаритами, сравнительно низкой стоимостью и хорошим быстродействием. К недостаткам РН можно отнести их неспособность сглаживать колебания электрической энергии. Для максимальной защиты всех потребителей потребуется установить сразу несколько устройств.
РН защищает сеть только от недопустимых скачков напряжения и не предназначено для защиты от коротких замыканий (эту функцию выполняют автоматические выключатели).
Современные модели РН бывают трех типов:
1. Стационарное реле, встраиваемое в электрический щиток дома или квартиры.
![]()
![]()
2. Реле для индивидуальной защиты одного потребителя.
![]()
![]()
3. Реле индивидуальной защиты нескольких потребителей.
![]()
![]()
Если с эксплуатацией реле второго и третьего типа все практически ясно, то РН первого типа имеет более сложную конструкцию, а его установка требует определенных знаний. Подобные устройства монтируются на входе в помещение, так выполняется защита от скачков напряжения в сети всего домашнего электрооборудования.
Как выбрать номинальный ток аппарата?


Мощность, которую пропускает реле напряжения, выставляется с запасом 20-30% от потребляемой. То есть, если ваш автомат рассчитан на ток 16 А, то реле следует выбирать на 25 А. Подключение и настройка производятся по инструкции производителя.
Настраиваемые параметры реле напряжения:
- напряжения срабатывания, верхний и нижний порог;
- время повторного включения после скачка напряжения.
При выборе стабилизатора напряжения учитывайте коэффициент трансформации. Подключать стабилизатор напряжения лучше всего после счетчика. Подключение схемы производится по инструкции производителя.
Классификация и виды
Для защиты электросети частного дома, квартиры в старом и новых жилых фондах необходимы разные устройства. Реле напряжения делятся на две
- по типу подключения;
- по количеству фаз.


По типу подключения
Существует две основных категории реле напряжения в зависимости от способа их подключения:
- стационарные;
- переносные.
Стационарные устройства контроля подразделяются на два типа. Приборы для установки в электрощитах и встроенные в розетку. Подробнее рассмотрим каждый из видов.
Реле напряжения, установленное в распределительном щите, обладает целым рядом преимуществ. Устройство монтируется на входе сети для защиты всего электрооборудования дома или квартиры. В случае его применения нет необходимости использовать дополнительные реле для защиты отдельных потребителей, что значительно экономит бюджет.


Розеточные реле напряжения представляют отличную альтернативу, когда нет физической возможности для установки устройства в щитке. Используют розетки для точечной защиты таких приборов, как холодильники, бойлеры, стиральные машины и т.д.
Совет: для экономии бюджета выбирайте двойные розетки!
Переносные реле представлены двумя видами — вилкой-розеткой и удлинителем. Их используют в том случае, когда установка защитного устройства на входе сети невозможна. Несмотря на громоздкие параметры, переносные устройства пользуются спросом. Это связанно, в первую очередь, с их портативностью и легкостью в использовании (монтаж не требуется).
Вилка-розетка предназначена для защиты лишь одного потребителя. Устройство подключается к стандартной розетке и контролирует перепады напряжения в узле, не отслеживая общее состояние сети. Подходит для защиты дорогих и мощных электроприборов.
Удлинитель со встроенным реле контроля используют для защиты группы устройств от перепадов в сети. Удобное и простое решение имеет только одно основное ограничение — максимальная мощность нагрузки.
По количеству фаз
В зависимости от типа электросети различают два вида реле:
- однофазные;
- трехфазные.


Однофазное реле предназначено для контроля электрических сетей с рабочим напряжением 220 В. При правильной настройке, устройство подходит для защиты практически всех бытовых электроприборов.
Трехфазные защитные приборы используют, в основном, в загородных домах и новом жилом фонде, где предусмотрено подключение по трехфазной цепи питания. Причем РКН контролирует напряжение каждой фазы.
Основные технические характеристики


Большинство реле работают при напряжении в пределах от 50 до 400 Вт. Такой большой интервал позволяет использовать устройство как в однофазных, так и трехфазных сетах, а также гибко настраивать нужные границы срабатывания защитного прибора. Из основных технических характеристик следует выделить:
- напряжение питания;
- максимальная мощность нагрузки;
- максимальный ток нагрузки;
- степень защиты по корпусу;
- коммутационная стойкость контактов реле;
- время отключения нагрузки;
- максимальное сечение подключаемых проводов;
- время задержки на включение;
- габаритные параметры.
Как выбрать реле напряжения для квартиры и дома
Многие кто не знает, что такое реле напряжения, очень часто его путают со стабилизатором. Однако, общего между этими двумя устройствами не так уж и много. Путаница возникает из-за того, что, как и в случае со стабилизатором напряжения, реле позволяет автоматически контролировать параметры тока, но не регулировать его (повышать или понижать, как это умеет делать стабилизатор напряжения).


Основные функции реле напряжения, это контроль:
- Вы можете запрограммировать реле напряжения на верхний и нижний диапазон срабатывания. Например, реле будет выключаться, в том случае, если напряжение в электросети упадёт до 160 Вольт или же наоборот, поднимется до 240 Вольт;
- Можете самостоятельно регулировать показания индикатора напряжения, если оно некорректно отображается на дисплее реле;
- Выставлять задержку реле напряжения (время, через которое реле начнёт контроль напряжения, чтобы включиться заново).
Как было сказано выше, главным параметром реле напряжения является скорость срабатывания. Чем ниже будет скорость отключения, тем быстрее сработает реле напряжения. Для современных устройств защиты, данный параметр колеблется в районе 0,02-0,05 секунд.
Что нужно знать про мощность реле контроля напряжения
Также, при выборе защитного реле нужно учитывать мощность подключаемых приборов и фазность. Бывают трехфазные и однофазные реле напряжения. Именно однофазные реле, чаще всего выбираются для установки в домах и квартирах. При этом реле напряжения может устанавливаться на специальную DIN рейку, когда через него будет подключен весь дом или к обычной розетке, если требуется защитить только отдельные электроприборы.


Не менее важным параметром при выборе защитного реле является мощность. Если неправильно подобрать мощность реле напряжения на весь дом, то в случае превышения допустимой нагрузки, реле будет выключаться. В свою очередь, реле гораздо большей мощности, чем нужно, выключаться не будет, однако его стоимость обойдется на порядок выше.
Поэтому при выборе реле напряжения по мощности следует учитывать номинал установленных автоматических выключателей в доме и потребляемую нагрузку. Если стоят автоматы на 25А, то потребуется реле напряжения на 32-40А, чтобы защитить весь дом. Иногда требуется выбрать реле напряжения и мощнее, например, на 50-63А, здесь все во многом зависит от того, какая нагрузка к нему будет подключена.
Основные критерии при выборе защитного реле
Итак, чтобы правильно выбрать реле напряжения, нужно учесть:
- Фазность;
- Мощность;
- Скорость срабатывания;
- Диапазон настраиваемых напряжений (если в сети будет напряжение ниже, чем оно может быть выставлено в реле, то устройство защиты будет все время выключаться, а нормально использовать его не получится);
- Возможность самостоятельной регулировки индикатора напряжения (при его искажении на дисплее);
- Наличие термозащиты от внутреннего перегрева реле напряжения.
Итак, разобравшись с выбором защитного устройства, следует добавить, что его установка на весь дом или квартиру, является как плюсом, так и минусом. К преимуществам относится то, что в таком случае будут защищены абсолютно все потребители электричества в доме. Что же касается недостатков, то при сильном перепаде напряжения будет обесточен весь дом, что совсем неудобно.


Поэтому, многие выбирают установку реле напряжения, только на отдельные электроприборы, исключая источники освещения при этом.
Какой тип предпочтительней


Однофазное реле напряжения РН-111М 1Ф НОВАТЕК
Если пользователь обеспокоен сохранностью дорогой модели холодильника, например, а все другие приборы уже защищены стабилизатором, удобнее приобрети образец типа «розетка-вилка».
В этом случае установка общего автоматического устройства будет излишней, так как приведет к неоправданным издержкам. Этот вариант больше подходит для жителей городских квартир, не желающих тратиться на установку РКН в распределительном щитке (для этого придется приглашать электрика).
Независимо от условий эксплуатации реле контроля следует понимать, что установка нескольких приборов в розетку обойдется дороже, чем одного – в щиток.
Когда стабилизатора в доме нет, а его владелец желает надежно защитить кухонное и комнатное оборудование, разумнее выбрать монтируемый на DIN-рейку прибор. При установке нескольких реле – по одному на каждую защищаемую линию – возможность поломки дорогостоящего оборудования полностью исключается. Они оптимально подойдут для частного дома, где смогут контролировать и трехфазную сеть.
Назначение контактора и его работа вместе с РКН
Конструкция контактора представляет собой блок контактов, соединяющих или разъединяющих цепь. Его использование уместно для коммутации потребителя большой мощности. То есть вся нагрузка будет проходить через элементы контактора, а не через контакты реле. Для такой схемы можно купить менее дорогое реле, рассчитанное на малый номинальный ток. Главное, его должно хватить для срабатывания контактора. А вот модель самого контактора необходимо подобрать по мощности соответствующей нагрузке потребителя, плюс те же 20% запаса.
Применение контактора часто обусловлено экономической точкой зрения. Намного дешевле купить слабое реле с контактором, чем дорогостоящую модель РКН, рассчитанную на высокие параметры коммутируемой нагрузки.
Для наглядности давайте рассмотрим еще одну схему подключения РКН с модульным контактором.


Минусом такой схемы является снижение скорости защиты, что обусловлено принципом ее работы. Требуется определенное время для срабатывания самого реле, контакты которого отключают подачу напряжения на контактор. После этого необходимо еще время, чтобы обесточенный контактор отключился. Только когда последний из приборов разомкнет свои контакты, опасное напряжение перестанет поступать к потребителю.
Вот все нюансы устройства и работы РКН. Устанавливать его в своей квартире или нет, решать самому хозяину. Но, как показывает практика, затраты на монтаж реле намного меньше, чем обходится ремонт бытовой техники.
Особенности установки РКН


Схема установки
Общий порядок монтажа реле в электрическом шкафу определяется требованиями действующих стандартов (ПУЭ, в частности). Каждая конкретная модель РКН может устанавливаться в соответствии с выполняемыми ей функциями. Возможны следующие варианты установки реле в линию электропроводки:
- размещение сразу после электрического счетчика (этот способ считается классическим);
- подключение совместно с УЗО и линейным автоматом, что расширяет функциональные возможности прибора;
- установка до электрического счетчика, позволяющая защитить от перенапряжений сам прибор учета.
Последний вариант возможен только после получения разрешения от представителей «Энергосбыта».
В зависимости от способа подключения к нагрузке различные образцы РКН устанавливаются либо по схеме прямого подсоединения к нагрузке, либо через силовые контакты магнитного пускателя. Второй вариант существенно расширяет возможности прибора по нагрузочному току.
Защита от скачков напряжения 220в
Для того чтобы РН смогло принести пользу своему владельцу, его рабочие параметры (пределы допустимых напряжений и время задержки возобновления питания) необходимо правильно отрегулировать. Если в рабочей схеме используется одно РН, то устанавливать пределы допустимых значений следует, ориентируясь на характеристики бытовой техники, чувствительной к перепадам. Наиболее чувствительным и дорогостоящим оборудованием является аудио- и видеотехника. Диапазон допустимых значений напряжения для нее составляет 200 – 230В.
Допускаемое отклонение напряжения от номинальных показателей в отечественных энергетических сетях составляет 10% (198…242В). В случае частого срабатывания РН эти показатели можно брать за основу, осуществляя регулировку реле. Однако чувствительную бытовую электронику в этом случае рекомендуется защищать с помощью переносных стабилизаторов невысокой цены.
Никто и не говорит, что надо при плюс-минус 15В выключаться. Есть диапазон предельно допустимых отклонений в 10%, его большинство приборов должно выдерживать. Ставить нужно, исходя из этого, примерно 190В-250В. Хотя, с нашим состоянием сетей, особенно в частном секторе ожидаемо все. Так что разумная осторожность не повредит.
Для того чтобы обеспечить максимально надежную защиту всех потребителей, следует использовать электрическую схему с несколькими реле. Рабочая схема защиты, включающая несколько РН, позволяет разбить потребителей по группам – в соответствии с их чувствительностью к перенапряжению:
- К первой группе относится аудио- и видеотехника (допускаемые значения напряжения – 200 – 230В);
- Ко второй можно отнести бытовую технику, оснащенную электрическим двигателем: холодильники, кондиционеры, стиральные машины и т. д. (допускаемые значения – 190 – 235В);
- Третья группа – это простые нагревательные приборы и освещение (допускаемые значения – 170 – 250В).
Каждая группа потребителей подключается к своему РН. В такой схеме рабочие параметры каждого реле настраиваются индивидуально.
![]()
![]()
Время задержки возобновления питания должно соответствовать эксплуатационным требованиям, предъявляемым к бытовой технике. Для некоторых холодильников, к примеру, рекомендуемая задержка равняется 10 минутам.
Защита трехфазной сети с помощью РН
Если электроснабжение вашего дома осуществляется через трехфазную систему, то на каждую фазу целесообразно устанавливать отдельное реле контроля.
Трехфазные реле напряжения созданы исключительно для защиты соответствующего оборудования (электродвигателя и т.п.). Если подобное реле установлено на вводе в жилище, то перекос напряжения на одной из фаз приводит к обесточиванию всех однофазных потребителей.
Как выбирать стабилизатор
Выбирать стабилизатор следует, исходя из суммарной мощности домашних потребителей. Устройство обязательно должно обладать приличным запасом мощности.
Запас по мощности должен быть в 2 раза больше, чем существующие потребности. То есть стабилизатор мощностью 10 кВт рассчитан на половину реальной нагрузки (5кВт) при минимальном внешнем напряжении – 150 вольт (т.е. при большом падении). Это следует учитывать при выборе.
Как проверить реле напряжения
Все устройства проходят проверку в отделе контроля качества перед тем, как попасть к конечному потребителю. Если вы сомневаетесь в исправности РКН, можете выполнить проверку следующими способами:
- Замерять напряжение мультиметром или вольтметром между фазной и нулевой клеммами. Значение должно соответствовать показанию на цифровом табло. Учитывайте погрешность мультиметра.
- Пригласить специалиста с поверенным измерительным прибором, чтобы получить максимально точный результат.
С каждым годом в домах появляется все большее количество дорогих электроприборов. Чтобы обеспечить их корректную работу и уберечь кошелек от дорогих ремонтов, необходимо использовать реле напряжения. Если установить РКН на входе сети невозможно, используйте переносные устройства.
Стабилизатор напряжения в щиток: установка
Устанавливать стабилизатор рекомендуется вблизи силового щитка в соответствии со следующей схемой.
![]()
![]()
![]()
![]()
Встраивать стабилизатор (как и РН) в общую схему следует непосредственно после счетчика. Ведь эти устройства тоже являются потребителями, следовательно, перед прибором учета их устанавливать нельзя.
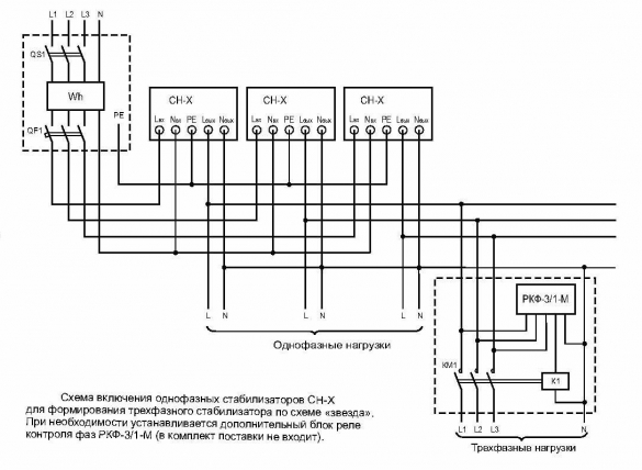
Защита трехфазных сетей с помощью стабилизатора
Сразу скажем, что трехфазные стабилизаторы призваны защитить исключительно трехфазные потребители. Если же к вашему дому подходит трехфазное питание, то для создания устойчивого напряжения во внутренней сети целесообразно устанавливать на каждую фазу отдельный однофазный стабилизатор.
![]()
![]()
Подобный подход позволит существенно снизить ваши затраты (3 стабилизатора мощностью 5, 7 и 10 кВт всегда дешевле одного устройства, рассчитанного на 30 кВт). К тому же, при просадке напряжения на одной из фаз, трехфазное устройство обесточит весь дом. Это конструктивная особенность стабилизатора, ориентированного на защиту трехфазных электродвигателей.
![]()
![]()
Обсудить особенности выбора и эксплуатации стационарных стабилизаторов вы можете, посетив соответствующий раздел нашего форума. Если вам интересно поделиться личным опытом установки реле контроля напряжения в паре с контактором, то на этот случай у нас тоже найдется подходящая тема. А видео, подробно описывающее монтаж щитка и распределительной коробки, поможет вам подключить квартиру к системе электроснабжения в соответствии с общепринятыми правилами электромонтажных работ.