Для пуска электродвигателя применяются низковольтные пускатели. Выделяют реверсивные, модульные сборки. Устройство магнитного пускателя является востребованным в промышленной сфере деятельности.
Устройство магнитного пускателя
Магнитный пускатель состоит из двух частей: сам пускатель и блок контактов.


Хотя блок контактов и не является основной частью магнитного пускателя и не всегда он используется, но если пускатель работает в схеме где должны быть задействованы дополнительные контакты этого пускателя, например, реверс электродвигателя, сигнализация работы пускателя или включение дополнительного оборудования пускателем, то для размножения контактов, как раз, и служит блок контактов или, как его еще называют — приставка контактная.
Конструкция магнитного пускателя
Магнитные пускатели конструктивно могут быть трех- и четырехполюсными. Соответственно у них 3 и 4 основных контакта. Четвертый контакт выступает в качестве нормально-открытого блок-контакта, блокирующего цепи управления.






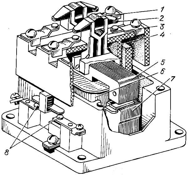
Внутри корпуса пускателя размещена электромагнитная система, включающая в себя неподвижную Ш-образную часть сердечника и обмотку, намотанную на катушку. Сердечник набран из изолированных друг от друга листов электротехнической стали. Подвижная часть сердечника (якорь) соединена с пластмассовой траверсой, на которой смонтированы контактные мостики с подвижными контактами. Плавность замыкания контактов и необходимое усилие нажатия обеспечиваются контактными пружинами. Неподвижные контакты припаяны к контактным пластинам, снабженным винтовыми зажимами для присоединения проводов внешней цепи. Кроме главных контактов, пускатели имеют дополнительные контакты, расположенные на боковых поверхностях аппарата. Главные контакты закрыты крышкой, защищающей их от загрязнения, случайных прикосновений и междуфазных замыканий.
Принцип действия пускателя заключается в следующем: при включении пускателя по катушке проходит электрический ток, сердечник намагничивается и притягивает якорь, при этом главные контакты замыкаются, по главной цепи протекает ток. При отключении пускателя катушка обесточивается, под действием возвратной пружины якорь возвращается в исходное положение, главные контакты размыкаются.
С помощью магнитного пускателя можно осуществлять контроль над любой нагрузкой, поскольку этот аппарат способен создавать коммутации с большой частотой. Здесь нужно учесть только одно ограничение, а именно нагрузку, или номинальный ток, который могут поддерживать силовые контакты. За счет контакторов можно запускать и прекращать работу электродвигателей, а также реверсировать их рабочие движения.
Принцип работы магнитного пускателя
Давайте рассмотрим на примере, показанном ниже:


При подаче напряжения на катушку пускателя 2, протекающий в ней ток притянет якорь 4 к сердечнику 1, следствием чего станет замыкание силовых контактов 3, а также замыкание (или размыкание в зависимости от исполнения) вспомогательных блок контактов, которые в свою очередь, сигнализируют в систему управления о включении или отключении устройства. При снятии напряжения с катушки магнитного пускателя под действием возвратной пружины контакты разомкнутся, то есть вернутся в свое начальное положение.
Принцип работы реверсивных магнитных пускателей такой же как и не реверсивных. Отличие заключается в чередовании фаз, которые подключает к пускателям (А – В – С одно устройство, С – В – А другое устройство). Это условие необходимо для выполнения реверса двигателя переменного тока. Также при реверсивном включении магнитных пускателей предусматривается блокировка одновременного включения устройств, чтоб избежать короткого замыкания.


Литература
- ГОСТ Р 50030.4.1-2002 (МЭК 60947-4-1-2000) Аппаратура распределения и управления низковольтная. Часть 4-1. Контакторы и пускатели. Электромеханические контакторы и пускатели
- ГОСТ 2491—82 «Пускатели электромагнитные низковольтные. Общие технические условия»
- Рожкова Л. Д., Козулин В. С. Электрооборудование станций и подстанций: Учебник для техникумов. — М.: Энергоатомиздат, 1987.
Блок контактов или приставка контактная


Внутри блока контактов (приставки контактной) встроена подвижная контактная система, которая жестко связывается с контактной системой магнитного пускателя и стает с ним как бы одним целым. Крепится приставка в верхней части пускателя, где для этого предусмотрены специальные полозья с зацепами.


Контактная система приставки состоит из двух пар нормально замкнутых и двух пар нормально разомкнутых контактов.
Чтобы идти дальше давайте сразу разберемся: что есть нормально замкнутый и нормально разомкнутый контакты. На рисунке ниже схематично показана кнопка с парой контактов под номерами 1-2 и 3-4, которые закреплены на вертикальной оси. В правой части рисунка показано графическое изображение этих контактов, используемое на электрических принципиальных схемах.
Нормально разомкнутый (NO) контакт в нерабочем состоянии всегда разомкнут, то есть, не замкнут. На рисунке он обозначен парой 1–2, и чтобы через него прошел ток контакт необходимо замкнуть.
Нормально замкнутый (NC) контакт в нерабочем состоянии всегда замкнут и через него может проходить ток. На рисунке такой контакт обозначен парой 3–4, и чтобы прекратить прохождение тока через него, надо контакт разомкнуть.


Теперь, если нажать кнопку, то нормально разомкнутый контакт 1-2 замкнется, а нормально замкнутый 3-4 разомкнется. О чем показывает рисунок ниже.


Вернемся к блоку контактов.
В исходном состоянии, когда магнитный пускатель обесточен, нормально разомкнутые контакты 53NO–54NO и 83NO–84NO разомкнуты, а нормально замкнутые 61NC–62NC и 71NC–72NC замкнуты. Об этом говорит шильдик с номерами клемм контактов, расположенный на боковой стенке блока контактов, а стрелка показывает направление движения контактной группы.


Теперь, если на катушку пускателя подать напряжение питания, то сердечник потянет за собой контакты блока контактов и нормально разомкнутые замкнутся, а нормально замкнутые разомкнутся.
Фиксируется блок контактов на пускателе специальной защелкой. А чтобы блок снять, достаточно приподнять защелку и выдвигать блок в сторону защелки.


Защитные функции магнитного пускателя
Современные магнитные пускатели обеспечивают защиту электродвигателя от ряда таких неприятностей:
- пропадания фаз
- длительных перегрузок
- уменьшения показателей пусковых токов.
Стоит отметить, что защиту от длительной перегрузки позволяет осуществить тепловое реле.
В трехфазном двигателе согласно наблюдениям при наличии симметричной нагрузки и отсутствии одной из питающих фаз мгновенно возникают неисправности, которые выводят его из строя. Если по определенной схеме установить всего два магнитных пускателя, то можно обеспечить защиту от возникновения неполнофазного режима.
При запуске электрического трехфазного двигателя входной пусковой ток может в несколько раз превышать его номинально допустимое значение для выполнения нормальной работы. Если подобная ситуация будет возникать довольно часто, то могут возникать различные неприятные последствия, например, перегрев обмотки, и, как результат, сложная поломка. Таких ситуаций можно полностью избежать при помощи магнитного пускателя, поэтому в пользе этих незаменимых устройств можно ничуть не сомневаться.
Схемы подключения
Для чего нужен магнитный пускатель? Преимущественно для организации безопасного подключения (и управления) асинхронных трехфазных двигателей. Поэтому рассмотрим варианты работы схемы при различных условиях. На всех иллюстрациях присутствует защитное реле, обозначенное литерой «P». Биметаллические пластины, приводящие в действие аварийный размыкатель (установленный в цепи управления), располагаются на силовых линиях контактной группы. Они могут размещаться на одном или нескольких фазных проводниках. При перегреве (он возникает при превышении нагрузки или банальном коротком замыкании), управляющая линия разрывается, питание на катушку «KM» не подается. Соответственно, силовые контактные группы «KM» размыкаются.
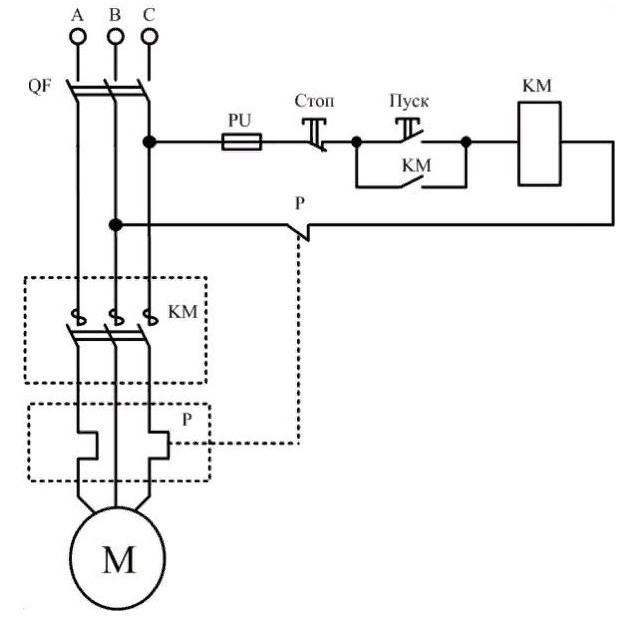
Классическая схема прямого включения трехфазного электродвигателя


Схема управления использует питание от напряжения между двумя соседними фазными линиями. При нажатии кнопки «Пуск», с помощью основного ее контакта замыкается цепь катушки «KM». При этом все контактные группы, включая дополнительные контакты в цепи управления, соединяются под управлением электромагнита катушки. Разомкнуть цепь можно двумя способами: при срабатывании аварийного реле, или нажав на кнопку «Стоп». В этом случае магнитный пускатель возвращается в исходное положение «все выключено» (или в случае с двумя категориями контактов, нормально замкнутые группы будут подключены).
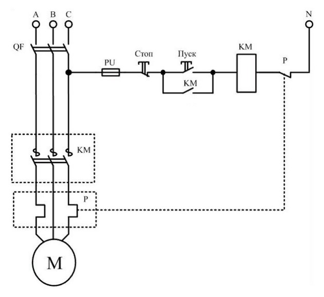
Этот же вариант подключения, только управляющая цепь соединяется с фазой и нейтралью. С точки зрения работы пускателя, разницы нет. Так же точно срабатывают кнопки, и защитное термореле.


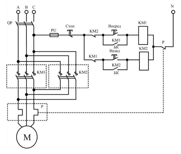
Реверсивное подключение трехфазного электродвигателя
Как правило, для этого применяются два электромагнитных пускателя, в которых выхода фазных контактов комбинированы со сдвигом. Устройства скомбинированы в один коммутатор, поэтому его можно рассматривать как единый элемент.


В зависимости от того, какая контактная группа подключена к электродвигателю, его ротор крутится в одну либо другую сторону. Такой вариант незаменим при использовании на конвейерах, станках, и прочих электроустановках, в которых предусмотрено 2 направления вращения (движения).
Как работает эта схема на практике? Смотрим иллюстрацию:


Единая схема управления с двумя группами кнопок пуска: «Вперед» и «Назад». Каждая из них включает соответствующую катушку электромагнита. Почему схема общая? Кнопка «Стоп» по условиям безопасности должна быть единой. Иначе при возникновении аварийной ситуации, оператор потеряет драгоценные секунды в поисках необходимой кнопки (для «Вперед» или для «Назад»).
Устройство магнитного пускателя
Все виды магнитных пускателей объединяют такие элементы конструкции, как электромагнит переменного тока, система подвижных и неподвижных силовых и вспомогательных контактов. Несущей частью является корпус из термостойких и негорючих пластиков. Эти пластмассы должны быть механически прочными и не деформироваться при повышенной температуре. Любой пускатель, как правило, трехфазный.


- Контактные пружины, обеспечивающие плавность пуска
- Подвижные контакты (мостики)
- Неподвижные контакты (пластины)
- Пластмассовая траверса
- Якорь
- Катушка пускателя
- Ш-образная часть магнитопровода
- Дополнительные контакты
Классификация магнитных пускателей делается по нескольким признакам, среди которых обычно главной является величина пускателя. Под величиной подразумеваются не габариты или вес пускателя, а то, какой ток он может коммутировать и насколько он устойчив к дуге в цепях с индуктивностями (при отключении электродвигателя). Основой является нереверсивный магнитный пускатель, так как реверсивные собираются из последних. Работа магнитных пускателей протекает в разных условиях, поэтому их также классифицируют по степени защищенности: открытое, защищенное, пылебрызгонепроницаемое.
Работа магнитного пускателя очень часто требует наличия теплового реле. Все типы магнитных пускателей имеют конструктивно совместимые тепловые реле. Часто их выпускает один и тот же производитель. Особенно важными применениями тепловых реле является защита электродвигателей от перегрева. Тепловое реле состоит из двухфазных биметаллических проводников (проводников с разными коэффициентами теплового расширения) – по одному на каждую фазу.
С электрической точки зрения, они являются резисторами с очень малым сопротивлением, и, таким образом, служат датчиками тока. Когда через фазы (или одну из них) протекает слишком большой ток, биметаллическая пластина изгибается и размыкает магнитные контакты, то есть контакты в цепи катушки пускателя. Подключение тепловых реле выполняется между пускателем и нагрузкой.


На верхнюю сторону пускателей наносится маркировка, необходимая при монтаже и ремонте. Там есть обозначение типа, схема контактов и в некоторых случаях производители оставляют место для наклейки или подписи потребительских данных.
Большие успехи в силовой электронике, достигнутые за последние десятилетия, привели к тому, что большинство основных производителей теперь предлагают потребителям бесконтактные пускатели, содержащие мощные полупроводниковые ключи. У них есть определенные преимущества. Они работают бесшумно, не искрят, имеют высокую частоту переключений.
Некоторые модели благодаря ШИМ-контроллерам позволяют плавно пускать электродвигатели, а для автоматизации предусмотрены даже сетевые интерфейсы. К недостаткам можно отнести высокую цену, высокую квалификацию ремонтного персонала и небезопасную гальваническую связь с сетью, что может угрожать электрикам-ремонтникам.
Заключение
Несмотря на внедрение электронных ключей: уже устаревающие тиристоры и симисторы, мощные полевые транзисторы, и перспективные IGBT-транзисторы, магнитные пускатели сохраняют свое значение. Именно они надежно разрывают цепи, без каких-либо опасных для персонала или оборудования остаточных токов и утечек. Фактически это тот самый бессмертный “рубильник” который с гарантией обесточивает электроустановку. качественные пускатели никогда не заклинивают и приобретать нужно именно такие.
Монтаж и подключение
В сети представлены схемы подключения с катушкой на 220 вольт. Для этого используются кнопочные посты. Встречаются элементы на 1 и 2 контакта. Для подключения необходимо клемма заземления. При включении пускателя к сети не обойтись без дополнительного шнура, который фиксируется к вилке. Силовые контакты должны находиться в замкнутом состоянии. Посмотрев однофазную цепь, провод подается на ноль.


Включение пускателя
В случае чего фазу можно перекинуть. Пускатели считаются удобными, поскольку не требуется использовать дополнительные проводники. Специалисты рекомендуют брать рубильник, но это не обязательно. Чтобы наладить стабильную работу двигателя, используется схема с кнопками «пуск» и «стоп». Магнитный пускатель в данном случае позволит изменять режимы работы мотора.
Если рассматривать последовательное подключение, то во время эксплуатации придется удерживать кнопку «пуск». Когда налажено параллельное подключение, придется устанавливать вспомогательные контакты.
Видео по теме
Хорошая
Подключение через кнопочный пост
Схема, подключающая магнитные пускатели через кнопочный пост, предусматривает использование аналогового переходника. Блоки контактов бывают на 3 или 4 выхода. При присоединении необходимо определить направленность катода. Затем через переключатель подсоединяют контакты. Для этого используют триггер двухканального вида.
Если подключать устройство с автоматическими переключателями, то для них используют электронный регулятор. Блоки при этом могут находиться на контроллере. Чаще всего встречаются устройства с широкополосными разъемами.
Рекомендации по уходу
Пускатель считается простым устройством, однако при эксплуатации могут наблюдаться различные неприятности. При работе с асинхронным двигателем из строя выходят отдельные детали. Таким образом, следует при монтаже выполнять определенные правила:
- чистка пускателя;
- проверка магнитной системы;
- снятие кожуха;
- проверка свободного хода;
- оценка главных контактов;
- проверка сопротивления;
- затяжка крепления.
Выше рассмотрены устройства магнитного пускателя, а также его виды. Данный элемент требуется для работы двигателя, и незаменим в промышленной сфере. При подборе оборудования стоит ознакомиться с базовым принципом функционирования, знать классификацию и правила монтажа.