Возникающий дефицит электроэнергии вынуждает государство вводить лимиты на ее потребление для производственных предприятий и жилых секторов, используя новые технологии.
Назначение и описание работы
Автоматический ограничитель входящей мощности – это устройство, которое контролирует данный показатель и при резком превышении или, наоборот, понижении его — отключает питание абонента. ОМ часто используется как в квартирах, так и в частных домах для обеспечения наивысшего уровня защиты.


Назначение ограничителя:
- Контроль входящей электроэнергии. При превышении поступление тока прекращается – это поможет сохранить бытовые приборы от перегрузок;
- Защита электросети от незаконного подключения. Часто бывает, что к Вашему питающему кабелю подключается еще один абонент, тем самым воруя электрический ток. С этим также может бороться ОМ, т. к. на нем есть четкие установки количества потребителей и нужной мощности;
- Контроль работы различных механизмов. Его используют для управления мощностью двигателя мотоцикла, автомобиля, станочных механизмов, СВЧ и т. д. Иногда его можно встретить также на скутере, в аварийных схемах.
Работает это электрооборудование довольно просто, сравнивая максимальное допустимую мощность и вольтаж напряжения, поступающие из локальной электросети. Когда прибор обнаруживает некоторые отклонения – он отключает потребителя. Стоит помнить, что включение производится не сразу, а с погрешностью в несколько секунд. Спустя короткий отрывок времени, поступление потребляемой энергии возобновится, следовательно, до этого момента нужно уменьшить нагрузку на сеть в квартире или доме.


Рассмотрим технические характеристики прибора — ограничитель мощности ОМ-310:
Ограничитель входящей мощности ОМ 630 (ОП-630) и 611 имеет приблизительно те же характеристики, за исключением параметров (у него максимальный показатель 63 кВт).


Видео: применение ограничителей мощности
Модельный ряд
Данные представлены по состоянию на май 2016 г.
Обратите внимание, что максимальный допустимый ток контактов составляет 8 — 16А. Это объясняется малыми габаритами современных ограничителей мощности, и невозможностью разместить силовые реле в корпусе прибора. Для подключения абонентов используются внешние контакторы, рассчитанные на ток требуемой величины. Исключение составляет ОМ-1-1, способный коммутировать нагрузку до 16 кВа встроенным реле.


На фото ниже приведены примеры монтажа ограничителей мощности для работы в однофазных и трехфазных сетях, с использованием внешних контакторов.


Особенность ОМ-630-1 — возможность настройки при помощи персонального компьютера. Все параметры: величина и вариант расчета мощности, задержка отключения и повторного включения, режим работы выходного реле, задаются программно, при подключении к компьютеру через USB-порт.
В продукции «Новатек Электро» выделяется ОМ-310 — многофункциональный прибор, с впечатляющими рабочими характеристиками, богатой комплектацией, огромным количеством настроек, возможностью дистанционного управления, передачей данных по протоколу MODBUS и… инструкцией на 27 страницах. На мой взгляд, именно чрезмерная усложненность мешает ему достичь популярности ОМ-630.
Назначение, функции, виды ограничителей мощности


Если напряжение превышает допустимые нормы, ограничитель размыкает электрическую цепь. Это позволяет сберечь технические приборы бытового или промышленного назначения (зависит от типа устройства). Дополнительная защита необходима большей части техники, особенно цифровой и высокомощной: компьютеры, стиральные машины, печи. Основные функции:
- Контроль входящего уровня тока.
- Обеспечение защиты от несанкционированного подсоединения. Часто происходит включение абонентов без извещения соответствующих организаций, что является незаконным. Ограничитель контролирует количество пользователей и уровень допустимого напряжения.


- Управление некоторыми механизмами, например, автомобильным двигателем, микроволновой печью, скутером, аварийными системами.
Благодаря широкому спектру сфер использования производители постоянно совершенствуют модели ограничителей. Ежегодно на рынок выводятся новые устройства, поэтому важно разобраться с деталями и описанием.
Виды устройств


ПЗС 23
Модели разнятся по техническим характеристикам: допустимое напряжение, сфера применения и другие параметры. Популярными являются:
- PF10 – соединяются с аппаратурой типа СИП, допустима установок пломб от незаконной врезки, часто идут в комплекте со снимающимися предохранителями.
- OSP6 – устройства имеют компактный размер, высокий уровень защиты и пломбы, подходят для квартирных щитков.
- ОПС635 – подходят как производственным, так и бытовым элекрощитам, держат локальные сети под контролем.
- ПЗР – одна из наиболее популярных моделей, позволяет экономить электрическую энергию. Может отключать потребление тока на заданный промежуток времени, легко снимается с металлической рейки электрощитка.
- ПЗС23 – применяются для непосредственной защиты от аварий: потери вольт, перепада напряжения, контроля мощности.
Внутри устройств соединяются несколько баз и схем. Дополнительно устанавливаются электромеханическое и полупроводниковое реле, контроллеры на микропроцессорах. Механизм удобен и прост в применении, имеется значительное число настроек и функций. На современных приборах есть дисплей для отображения результатов калибровки – технологичные ограничители удобны и безопасны в использовании.
Принцип работы ограничителей мощности
Алгоритм ограничителя мощности непрерывно мониторит процесс работы нагрузки потребителей электрической сети.
Измерительный блок ОМ на основе трансформаторов тока и напряжения постоянно сканирует вектора входящих величин, и передает их в логический блок для вычисления потребляемой мощности, значение которой сравнивается с заданным оператором пределом верхней уставки с помощью потенциометра.
Если текущие значения расхода электроэнергии достигнет критической величины, то блок вычислительной логики выдаст команду исполнительной схеме на срабатывание, при котором произойдет отключение контактора. После срабатывания ограничителя мощности, необходимо убедиться об отключении дополнительных электроприборов которые превысили лимит потребляемой электроэнергии. Через заданный промежуток времени ОМ снова сработает на включение, для дальнейшего контроля мощности.
Схема ограничителя мощности
Принцип работы ограничителя мощности
Представленная на рисунке схема показывает работу однофазных приборов.
В трехфазной сети:
- изменяется схема измерения, выполняющая мониторинг токов и напряжений в каждой фазе;
- усложняется процесс вычисления потребляемой мощности.
Достоинства и недостатки


Некоторые модели ограничителей мощности можно настроить вручную
Ограничитель мощности 3 фазный и 1 фазный – устройства, которые предохраняют подключенные механизмы и выполняют несколько других функций. Приборы достаточно полезны – повышают безопасность электрической сети, контролируют работу некоторых установок. Достоинства:
- точность показаний;
- слежение за активной частью напряжения и реактивной;
- возможность работы в широком диапазоне температур внешней среды;
- используется цветовая маркировка проводов или дисплей – позволяет отследить текущий уровень напряжения;
- часть моделей можно вручную настроить по некоторым параметрам, например, время полного разъединения сети при перепадах величины тока.
Можно установить предельное значение большим, чем предусмотрено сетью. В процессе работы достаточно отслеживать показания ограничителя мощности и при необходимости корректировать заданные параметры.
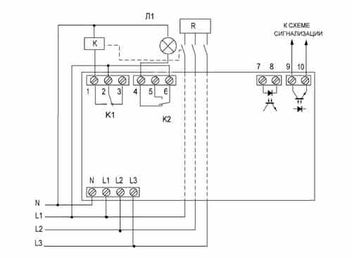
Как правильно подключить прибор


Схема подключения однофазного реле ограничения мощности ОМ-110
Чаще ограничитель мощности устанавливают рядом со счетчиком потребления электроэнергии. Монтаж требует некоторых знаний и навыков работы с электротехникой. Но если принято решение установить устройство своими руками, необходимо предварительно ознакомиться с общими правилами и требованиями. Порядок действий:
- Определиться с параметрами электрической сети.
- Выставить значение мощности текущей цепи.
- Рассчитать время разъединения с электрической сетью.
Важно соблюдать общие правила технической безопасности, выставляемые для работы с электроприборами. Внимательного отношения требуют сопутствующие элементы: предохранители, провода, зажимы и другие.
Монтаж устройства прост – большая часть моделей фиксируется специальными зажимами на ДИН-рейке. После закрепления подключают провода, затем проверяют работоспособность устройства.
Сначала подводят напряжение меньшее, чем то, на которое рассчитан прибор. Тестовый режим выставляется ненадолго, только чтобы проверить устройство.
Сначала загорается зеленый индикатор, затем можно подвести напряжение больше, чем требуется для данной сети. Должен включиться красный индикатор, затем произойдет разъединение. Через некоторое время подключение восстановится, и система продолжит работать в прежнем режиме. Если установлено верно, можно соединять приборы окончательно.
Ограничитель мощности – необязательный атрибут электрической сети, электрощит работает без таких деталей. Однако дополнительное оборудование поможет сберечь электротехнические устройства, сэкономить электроэнергию и проконтролировать работу некоторых механизмов. Монтаж лучше доверить мастерам. Самостоятельная установка требует внимательности и осторожности – несоблюдение требований безопасности может привести к травмам, возгораниям и другим последствиям.
Эксплуатационные режимы ограничителей мощности
Микропроцессорные конструкции позволяют выявлять случаи хищений электрической энергии. Для этого у них реализована схема «Ложный ноль», которая предоставляет возможности защиты контролируемой сети на токи утечки так же, как работают УЗО и дифавтоматы.
При пользовании ими можно выбирать уставки с учетом срабатывания более высоких ступеней по нормативам на паразитные токи.
Обзор цен
Купить ограничитель мощности можно в любом специальном электромагазине, цена зависит от типа прибора и его марки.
Продажи производятся также в фирменных дилерских центрах, это Новатек, ABB, Скан и прочие. Перед покупкой обязательно проверяйте все сертификаты соответствия качества, паспорт прибора и условия гарантии. В большинстве случаев, гарантийное обслуживание действует 1 год с момента установки.
Ограничитель мощности выполняет фискальные задачи
Для этого его монтируют на вводном щите производственного, административного или частного дома. При превышении лимита установленной мощности снимается питание со всех потребителей сети.
Без ОМ для восстановления электропитания нужна бригада электриков, на вызов которого уходит много времени. Прибор ОМ восстановит электропитание в кротчайшие сроки, без участия человека.
Способ потребителей: создание двух контуров из основной и резервной схемы ОМ
Хозяину дома можно разделить электроприемники на две группы, выделив приоритетные потребители, которые останутся работать при аварийном отключении. Например, энергосберегающее освещение, оргтехника.
После срабатывания ограничителя мощности можно последовательно восстанавливать работу холодильника, стиральной машины и других потребителей по мере необходимости без превышения лимитов.
приоритетная линия
Способ потребителей: применение альтернативного источника
Большой ассортимент в продаже электрических генераторов на газе, дизтопливе, бензине позволяет запускать их в работу при срабатывании ОМ от функции АВР.
Организация ОМ с системой удаленного доступа
Обеспечение некоторых приборов ОМ интерфейсами программ интернета, например, (Ethernet-RS-485/RS-232), которая позволяет объединить их в единую комплексную систему, с помощью которой будет осуществляться передача данных по протоколам TCP с удаленных компьютеров для дополнительного контроля ограничения мощности в электрической сети.