Для подачи питания на двигатели или любые другие устройства используют контакторы или магнитные пускатели. Устройства, предназначенные для частого включения и выключения питания. Схема подключения магнитного пускателя для однофазной и трехфазной сети и будет рассмотрена дальше.
Магнитный пускатель
Теперь о том, на что следует обратить внимание, рассматривая сам пускатель перед его подключением. Самое важное – напряжение катушки управления, которое указано либо на ней самой, либо неподалеку. Если надпись гласит 220 В АС (или рядом с 220 стоит значок переменного тока), то для работы схемы управления потребуется фаза и ноль.
Интересное видео о работе магнитного пускателя смотрите ниже:
Если же это 380 В АС (того же переменного тока), то управлять пускателем будут две фазы. В процессе описания работы схемы управления будет понятно, в чем отличие.
При любых других значениях напряжения, наличии знака постоянного тока или букв DC подключить изделие к сети не получится. Оно предназначено для других цепей.
Еще нам потребуется использовать дополнительный контакт пускателя, называемый блок-контактом. У большинства аппаратов он маркируется цифрами 13НО (13NO, просто 13) и 14НО (14NO, 14).
Буквы НО означают «нормально открытый», то есть замыкается он только на притянутом пускателе, что при желании можно проверить мультиметром. Встречаются пускатели, имеющие нормально замкнутые дополнительные контакты, они не годятся для рассматриваемой схемы управления.
Силовые контакты предназначены для подключения нагрузки, которой они и управляют.
У разных производителей их маркировка отличается, но при их определении сложностей не возникает. Итак, крепим пускатель к поверхности или DIN-рейке в месте его постоянной дислокации, прокладываем силовые и контрольные кабели, начинаем подключение. 

Для чего используют МП?
Часто пускатели используются для механического включения обогревателей, осветительных линий и т.д. Также они применяются для работы двигателей. Различаются схемы подключения МП главным образом в зависимости от того, какая катушка в нем находится. Включить пускатель самостоятельно не трудно, но можно сделать легче и приобрести пускатель уже в сборке, лучше всего, с пластиковым корпусом.
В нем конструкция уже в собранном виде и подсоединены управленские кнопки на крышке. Необходимо лишь подключить электрические кабели в верхней части и провод отхождения к нагрузке.
Контакторы и пускатели — в чем разница
И контакторы и пускатели предназначены для замыкания/размыкания контактов в электрических цепях, обычно — силовых. Оба устройства собраны на основе электромагнита, работать могут в цепях постоянного и переменного тока разной мощности — от 10 В до 440 В постоянного тока и до 600 В переменного. Имеют:
- некоторое количество рабочих (силовых) контактов, через которые подается напряжение на подключаемую нагрузку;
- некоторое количество вспомогательных контактов — для организации сигнальных цепей.
Так в чем разница? Чем отличаются контакторы и пускатели. В первую очередь они отличаются степенью защиты. Контакторы имеют мощные дугогасительные камеры. Отсюда следуют два других отличия: из-за наличия дугогасителей контакторы имеют большой размер и вес, а также используются в цепях с большими токами. На малые токи — до 10 А — выпускают исключительно пускатели. Они, кстати, на большие токи не выпускаются.


Внешний вид не всегда так сильно отличается, но бывает и так
Есть еще одна конструктивная особенность: пускатели выпускаются в пластиковом корпусе, у них наружу выведены только контактные площадки. Контакторы, в большинстве случаев, корпуса не имеют, потому должны устанавливаться в защитных корпусах или боксах, которые защитят от случайного прикосновения к токоведущим частям, а также от дождя и пыли.
Кроме того, есть некоторое отличие в назначении. Пускатели предназначены для запуска асинхронных трехфазных двигателей. Потому они имеют три пары силовых контактов — для подключения трех фаз, и одну вспомогательную, через которую продолжает поступать питание для работы двигателя после того, как кнопка «пуск» отпущена. Но так как подобный алгоритм работы подходит для многих устройств, то подключают через них самые разнообразные устройства — цепи освещения, различные устройства и приборы.
Видимо потому что «начинка» и функции обоих устройств почти не отличаются, во многих прайсах пускатели называются «малогабаритными контакторами».
Особенности монтажа пускателя
Неправильный монтаж магнитного пускателя, может иметь последствия в виде ложных срабатываний. Чтобы избежать этого, нельзя выбирать участки, подверженные вибрации, ударам, толчкам.
Конструкционно МП устроен так, что его можно монтировать в электрощите, но с соблюдением правил. Устройство будет работать надежно, если местом его установки будет поверхность прямая, плоская и расположенная вертикально.
Тепловые реле не должны подвергаться подогреву от посторонних источников тепла, что отрицательно скажется на функционировании устройства. По этой причине их нельзя размещать в местах, подверженных нагреву.
Устанавливать магнитный пускатель в помещении, где смонтированы устройства с током от 150 А, категорически нельзя. Включение и выключение таких устройств провоцирует быстрый удар.


Провода из меди до подключения нужно залудить. Если они многожильные, их концы перед лужением скручивают. У алюминиевых проводов концы зачищают надфилем, затем покрывают пастой или техническим вазелином
Чтобы не допустить перекоса пружинных шайб, находящихся в контактном зажиме пускателя, конец проводника загибают П-образно или в кольцо. Когда нужно подключить 2 проводника к зажиму, нужно чтобы их концы были прямыми и находились по две стороны зажимного винта.
Включению в работу пускателя должен предшествовать осмотр, проверка исправности всех элементов. Подвижные детали должны перемещаться от руки. Электрические соединения нужно сверить со схемой.
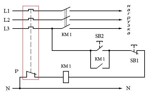
Схема подключения магнитного пускателя на 220 В


Здесь ток на магнитную катушку КМ 1 подается через тепловое реле и клеммы, соединенных в цепь кнопок SB2 для включения — «пуск» и SB1 для остановки — «стоп». Когда мы нажимаем «пуск» электрический ток поступает на катушку. Одновременно сердечник пускателя притягивает якорь, в результате чего происходит замыкание подвижных силовых контактов, после чего напряжение поступает на нагрузку. При отпускании «пуск» не происходит размыкание цепи, поскольку параллельно этой кнопке выполнено подключение блок-контакта КМ1 с замкнутыми магнитными контактами. Благодаря этому на катушку поступает фазное напряжение L3. При нажатии «стоп» питание отключается, подвижные контакты приходят в исходное положение, что приводит к обесточиванию нагрузки. Те же процессы происходят при работе теплового реле Р – обеспечивается разрыв ноля N, питающего катушку.
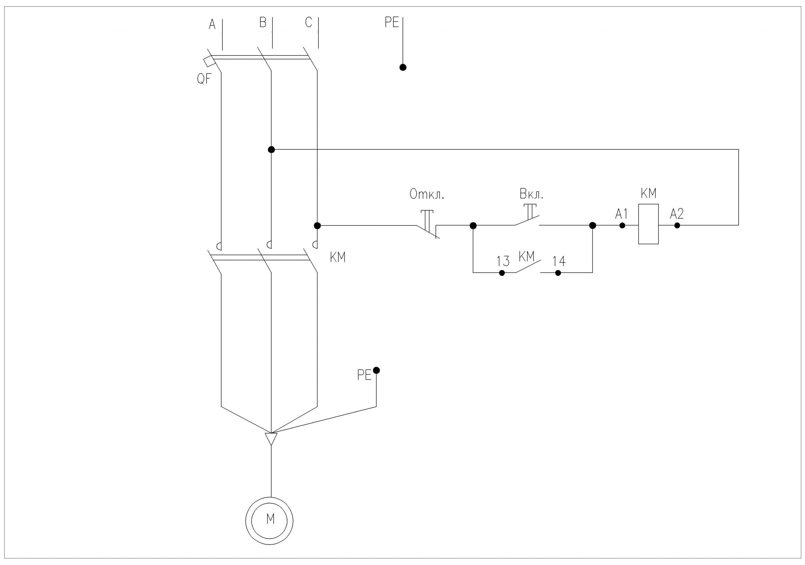
Схема управления пускателем на 380 В
Все то же самое, но для того, чтобы катушка заработала, проводник от вывода «А2» надо подключить не к нулевой шинке, а к любой другой фазе, не использующейся до этого. Вся схема будет работать от двух фаз. 

Проверка работоспособности схемы
Для того, чтобы понять, правильно собрана схема или нет, нагрузку к пускателю лучше не подключать, оставив его нижние силовые клеммы свободными. Так вы обезопасите коммутируемое оборудование от лишних проблем. Включаем автоматический выключатель, подающий напряжение на испытуемый объект.
Само собой разумеется, пока идет монтаж, он должен быть отключен. А также любым доступным способом предотвращено случайное его включение посторонними лицами. Если после подачи напряжения пускатель не включился самостоятельно – уже хорошо.
Нажимаем на кнопку «Пуск», пускатель должен включиться. Если нет – проверяем замкнутое положение контактов кнопки «Стоп» и состояние теплового реле.
При диагностике неисправности помогает однополюсный указатель напряжения, которым можно легко проверить прохождение фазы через кнопку «Стоп» до кнопки «Пуск». Если при отпускании кнопки «Пуск» пускатель не фиксируется, а отпадает – неправильно подключены блок-контакты.
Проверьте – они должны подключиться параллельно этой кнопке. Правильно подключенный пускатель должен фиксироваться во включенном положении при механическом нажатии на подвижную часть магнитопровода.
Теперь проверяем работу теплового реле. Включаем пускатель и аккуратно отсоединяем любой проводок от контактов реле. Пускатель должен отпасть.
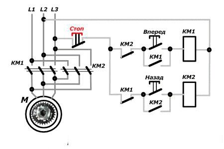
Запуск мотора с реверсным ходом
Для функционирования отдельного оборудование необходимо, чтобы двигатель мог вращаться как влево, так и вправо.
Схема подключения для такого варианта содержит два МП, кнопочный пост либо отдельные три клавиши — две стартовые «Вперед», «Назад» и «Стоп».


Для реализации этого варианта в схему с одним МП добавляют еще одну сигнальную цепь. В нее входит клавиша SB3, МП КМ2. Немного изменена и силовая часть
От к.з. силовую цепь защищают контакты нормально замкнутые КМ1.2, КМ2.2.
Подготовку схемы к работе осуществляют следующим образом:
- Включают АВ QF1.
- На силовые контакты МП КМ1, КМ2 поступают фазы А, В, С.
- Фаза, которая снабжает цепь управления (А) через SF1 (автомат защиты сигнальных цепей) и клавишу SB1 «Стоп» подается на контакт 3 (клавиши SB2, SB3), контакт 13НО (МП КМ1, КМ2).
Далее схема работает по алгоритму, зависящему от направления вращения мотора.
Управление реверсом двигателя
Вращение начинается при задействовании клавиши SB2. При этом фаза А через КМ2.2 подается на катушку МП КМ1. Начинается включение пускателя с замыканием нормально разомкнутых контактов и размыканием нормально замкнутых.
Замыкание КМ1.1 провоцирует самоподхват, а за смыканием контактов КМ1 следует подача фаз А, В, С на идентичные контакты обмоток двигателя и он начинает вращение.


Перед запуском мотора в противоположном направлении необходимо остановить заданное прежде вращение посредством кнопки «Стоп». Для кручения в обратном направлении стоит только при помощи пускателя КМ2 поменять дислокацию каких-то двух питающих фаз
Предпринятое действие разъединит цепь, на дроссель КМ1 перестанет подаваться управляющая фаза А, а сердечник с контактами, посредством возвратной пружины, восстановится в исходном положении.
Контакты разъединятся, на двигатель М прекратится подача напряжения. Схема будет пребывать в ждущем режиме.
Запускают ее путем нажатия на кнопку SB3. Фаза А через КМ1.2 поступит на КМ2, МП, сработает и через КМ2.1 окажется на самоподхвате.
Далее, МП посредством контактов КМ2 поменяет фазы местами. В результате двигатель М изменит направление вращения. В это время соединение КМ2.2, находящееся в цепи, питающей МП КМ1, рассоединится, не допуская включения КМ1 пока функционирует КМ2.
Работа силовой схемы
Ответственность за переключение фаз для перенаправления вращения двигателя возложена на силовую схему.


Провод белого цвета заводит фазу А на левый контакт МП КМ1, затем через перемычку заходит на левый контакт КМ2. Выходы пускателей также объединены перекрестной перемычкой и далее через КМ1 на первую обмотку поступает фаза А двигателя
При срабатывании контактов МП КМ1 на первую обмотку поступает фаза А, на вторую обмотку — фаза В, а на третью — фаза С. При этом мотор вращается влево.
Когда срабатывает КМ2, передислоцируются фазы В и С. Первая попадает на третью обмотку, вторая — на вторую. Изменений по фазе А не происходит. Двигатель начнет вращаться вправо.
Выводы и полезное видео по теме
Подробности об устройстве и подключении контактора:
Практическая помощь в подключении МП:
По приведенным схемам можно подключить магнитный пускатель своими руками как к сети 220, так и 380 В.
Необходимо помнить, что сборка не отличается сложностью, но для реверсивной схемы важно наличие двухсторонней защиты, делающей невозможным встречное включение. При этом блокировка может быть как механической, так и посредством блокировочных контактов.
Если у вас появились вопросы по теме статьи, пожалуйста, оставляйте свои в расположенном ниже блоке. Там же вы можете сообщить интересную информацию или дать совет по подключению магнитных пускателей посетителям нашего сайта.
В каких местах нельзя делать монтаж МП
Для исключения случайного включения пускателя или его предохранения нельзя делать монтаж прибора в местах, которые поддаются толчкам, ударам, тряске.


Провода в монтажной схеме также нужно прокладывать правильно. Для того, чтобы был хороший контакт и не было искривления шайб зажимов пружины, надо выгнуть в круглой форме.
Конструкцию устройства составляют после снятия напряжения. Сердечники могут работать от 220 вольт, либо от 380 . Можно также купить готовый МП, это будет намного упрощать ситуацию.