Электросчетчик СО-505 — технические характеристики и схема подключения

Электросчётчик СО-505 — качественный и надёжный в работе прибор учёта. С его помощью можно контролировать расход электроэнергии в однофазной сети переменного тока. Эта модель устройства считается одной из наиболее популярных, поэтому часто устанавливается в жилых помещениях. Схема его подключения довольно простая, поэтому такую работу можно выполнить самостоятельно.

УЗО: Характеристики устройств дифференциальной защиты

Настало время рассказать, что такое УЗО, для чего оно нужно и как работает. Мне предоставилась возможность…

Оставить отзыв

Ваше Имя:

Оценка: Плохо            Хорошо

Введите код, указанный на картинке:

Как устроен защитный автомат

В предыдущей статье мы разобрались с характеристиками автоматических выключателей, а сейчас полезем глубже. Я…

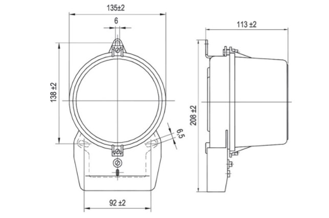
Конструкция

На следующем фото вы сможете посмотреть конструкцию этого устройства:

Конструкция устройства

Общие сведения

Однофазный счётчик электроэнергии СО-505 относится к конструкциям индукционного типа и используется для измерения потребляемого электричества. Установить его можно самостоятельно или при помощи квалифицированного электрика. Первый вариант более дешёвый, но требует наличия некоторых знаний и навыков подобной работы.

Устройство и принцип действия

Перед тем как определить схему подключения электросчётчика СО-505, необходимо подробно изучить его конструкцию и принцип действия. Вся эта информация поможет максимально быстро установить прибор и избежать каких-либо непредвиденных ситуаций.

Счётчик состоит из следующих элементов:

  • Корпус. Он представляет собой ударопрочный каркас, изготовленный из пластика, который не плавится под воздействием высоких температур, а также не поддерживает горение. В некоторых случаях он делается прозрачным, чтобы представители контрольных служб могли увидеть незаконно внесённые изменения в конструкцию.
  • Токовая катушка. Этот элемент изготавливается из медного провода небольшого сечения, рассчитанного на максимальный рабочий ток прибора. Подключается она последовательно нагрузке.
  • Катушка напряжения. В отличие от токовой, она подключается параллельно и может быть выполнена проводом маленького сечения.
  • Диск. Он изготавливается из алюминия и выполняет функцию определения количества потреблённой электроэнергии.
  • Постоянный магнит. Эта деталь конструкции позволяет тормозить алюминиевый диск.
  • Стопорное устройство. Эта простая деталь помогает предотвратить вращение диска в обратном направлении. Всё это значительно снижает вероятность похищения электричества.
  • Счётный механизм. Показывает владельцу прибора числовое значение количества использованного электричества.

Принцип работы СО-505 довольно простой, поэтому в нём может разобраться не только опытный электрик, но и новичок, который видит этот прибор в первый раз. Это даёт возможность всем желающим правильно установить счётчик своими руками.

Схема работы СО-505 выглядит следующим образом:

  1. При прохождении электричества через обмотку катушек тока и напряжения создаются магнитные потоки.
  2. Они пересекают подвижный элемент — алюминиевый диск, индуцируя в нём токи трансформации.
  3. Благодаря этому формируется вращающий момент, который пропорционален потребляемой мощности.
  4. Вращение диска приводит в движение счётный механизм. Делается это при помощи системы приводных шестерней.
  5. На его шкале отображается количество использованной электроэнергии.

Преимущества и недостатки

Однофазный электросчётчик СО-505 обладает рядом достоинств. Благодаря им он ценится потребителями и часто устанавливается в жилых, а также офисных помещениях.

Основные положительные характеристики этой модели счётчика:

  • большой запас технологической прочности;
  • долговечность (не менее 30 лет), которая достигается использованием деталей, устойчивых к износу;
  • небольшая погрешность в измерениях потреблённой электроэнергии;
  • наличие защитных механизмов, предотвращающих незаконное хищение электроэнергии;
  • высокая прочность корпуса, способного выдержать значительные внешние воздействия;
  • достаточная пожаробезопасность всех деталей конструкции;
  • герметичность корпуса, предотвращающего попадание влаги и посторонних предметов.

Несмотря на большое количество преимуществ у счётчика СО-505 есть и несколько недостатков. Их обязательно нужно брать во внимание перед покупкой прибора и началом его монтажа. В противном случае можно столкнуться с различными сложностями, которые затруднят процесс установки и повлекут за собой множество проблем.

Среди недостатков выделяют несколько основных:

  • низкий класс точности электросчётчика СО-505;
  • большие габариты, которые не позволяют размещать прибор в любом удобном месте;
  • непривлекательный внешний вид;
  • большое потребление тока самим прибором.

Технические характеристики

  • Класс точности электросчетчика СО-505 — второй.
  • Температура окружающей среды, в которой можно эксплуатировать счетчик -20 до +55
  • Частота сети 50 Гц
  • Номинальный ток — 10А
  • Максимальный ток — 40А
  • Номинальное рабочее напряжение 220 Вольт

Характеристики автоматических выключателей на примере TEXENERGO

Несколько лет назад я опубликовал на блоге статьи по выбору автоматических выключателей и почему выбивает…

Установка электросчётчика

Схема подключения электросчётчика СО-505 довольно простая, но требует от мастера соблюдения советов профессионалов, а также всех этапов процесса. Только в этом случае можно добиться желаемого результата и выполнить работу за максимально короткий промежуток времени.

Рекомендации специалистов

Для того чтобы самостоятельно установленный прибор эффективно работал и хорошо выполнял свои функции, необходимо учитывать советы высококвалифицированных специалистов. Они помогут новичкам избежать большинства ошибок и выполнить работу максимально качественно.

Полезные рекомендации:

  • Перед началом монтажа следует тщательно изучить устройство счётчика, правила его эксплуатации, а также требования техники безопасности.
  • Электросчётчик СО-505, как и любая другая конструкция индукционного типа, плохо переносит воздействие холода. Из-за этого рекомендуется выполнять монтаж при температуре не меньше 5 градусов выше нуля (по Цельсию).
  • Если прибор будет установлен на улице, то ему необходимо обеспечить защиту от дождя, снега и прочих природных явлений. Для этого лучше всего соорудить герметичный корпус и оснастить его нагревательными элементами.
  • При выборе места размещения прибора следует учитывать не только требования безопасности, но и ростовые характеристики людей, которые постоянно находятся в помещении. Важно, чтобы снятие показаний было удобным для каждого из них. Рекомендовано крепить счётчик на высоте от 1 до 1,7 метра.
  • Все используемые монтажные инструменты должны иметь заизолированные ручки. Это поможет предотвратить удар электрическим током и все его негативные последствия.

Необходимые материалы и инструменты

Для того чтобы упростить процесс монтажа однофазного счётчика СО-505, необходимо правильно подобрать инструменты и материалы. Их можно купить в специализированных магазинах любого населённого пункта по сравнительно небольшой цене. Это позволяет самостоятельно выполнять работу даже людям с небольшими финансовыми возможностями.

В процессе монтажа понадобятся следующие предметы:

  • щиток;
  • счётчик однофазного типа СО-505;
  • кусачки, плоскогубцы, отвёртка (с заизолированными ручками);
  • автоматические выключатели;
  • изоляторы;
  • провода;
  • крепёжные элементы (гайки винты и прочие);
  • индикаторная отвёртка;
  • DIN-рейки.

Пошаговый монтаж

Чтобы самостоятельная установка прибора учёта электроэнергии не вызывала нареканий у службы энергосбыта, необходимо соблюдать все предусмотренные законом правила. Следует обратиться в соответствующую организацию, написать заявление и получить разрешение на проведение работ. После получения всех необходимых документов и ознакомления с требованиями монтажа счётчика можно приступать к работе.

Порядок действий:

  1. По параметрам оборудования и электросети рассчитывается количество выключателей.
  2. Помещение отключается от электричества.
  3. С помощью специальной индикаторной отвёртки проверяется наличие напряжения в сети.
  4. Корпус защитного щитка открывается и в него устанавливается купленный прибор.
  5. Там он надёжно крепится при помощи специальных фиксаторов, входящих в комплектацию СО-505.
  6. На следующем этапе работы подготавливаются провода, идущие от вводного автомата к электросчётчику.
  7. Три фазовых кабеля заводятся в прибор и подключаются к нижним клеммам.
  8. После этого выводятся нулевые провода.
  9. К опорным изоляторам винтами крепится DIN-рейка.
  10. К ней с помощью специальной защёлки с пружиной прикрепляются выключатели.
  11. К DIN-рейке крепится заземляющая и защитная шина. Делается это при помощи обыкновенных винтов и гаек. Важно размещать элементы так, чтобы исключить вероятность их соприкосновения и замыкания.
  12. Подключается нагрузка на выключатели. Для этого фаза фиксируется в нижних клеммах выключателей, а ноль — в нулевой шине. Провода заземления присоединяются к соответствующей шине.
  13. Автоматы соединяются с устройством учёта.
  14. Выполняется подключение СО-505 путём соединения фазы с верхним зажимом автомата. Ноль необходимо закрепить на нулевой шине.
  15. В предварительно выбранном месте устанавливается щиток.
  16. Нулевой провод соединяется с третьей клеммой электросчётчика, а фаза — с первой.
  17. Все места крепления проводов дополнительно изолируются.
  18. Установленное устройство проверяется на работоспособность. Если обнаружились какие-либо проблемы, то они сразу же устраняются.

После завершения установки следует опять обратиться в службу энергосбыта и написать заявление на проверку, а также опломбировку прибора. В назначенное время придёт представитель этой организации и выполнить все необходимые действия. После этого электросчётчик СО-505 можно использовать.

Как подключить

Схема подключения CO-505 выглядит следующим образом:

Как выглядит схема подключения

Для подключения предусмотрено 4 клеммы. Каждая их них получила соответственное буквенное обозначение.

В коробке с этим счетчиком вы сможете найти подробную инструкцию по подключению, но мы рекомендуем посмотреть и следующее видео, которое поможет наглядно посмотреть на его установку.

Обращаем внимание! Устанавливаться счетчик должен только на ровную поверхность. В противном случае он может пересчитывать или недосчитывать потребляемую электрическую энергию. Если угол будет слишком большим, он может и вовсе выйти из строя.

Вот мы и рассказали про популярный считчик, который можно активно применять для подключения электричества в доме или квартире. Данное устройство является практичным и уже используется во многих домах на нашей территории.

Самоход электрического счетчика: что делать, как исправить.

Счетчик Меркурий 201: характеристики, схема подключения.

Как снять счетчик электроэнергии.

Паспорт на счетчик

Так как счетчик довольно старый и выпускался около 30 лет, могли быть утеряны документы на него например паспорт счетчика, без которого поверку вам не пройти. Ниже прикладываем сканы паспорта счетчика СО-505. Так же можно скачать в PDF файле ниже.

Прикладываем паспорт к электросчетчику СО-505 для просмотра и скачивания
со-505.PDF

со-505.doc

со-505 доп улучшенное качество

Правила техники безопасности

Для того чтобы процесс установки и эксплуатации электросчётчика СО-505 не стал причиной аварий или травм, необходимо точно соблюдать основные меры предосторожности, предусмотренные в техническом паспорте. Эти простые правила помогут избежать неприятностей и предотвратить возникновение непредвиденных ситуаций.

Правила безопасности:

  • Межповерочный интервал электросчётчика СО-505 составляет 16 лет, поэтому следует выполнять поверку не реже этого срока. В противном случае возможны сбои в его работе, которые повлекут за собой неточность выдаваемых показаний.
  • Разрешается использовать прибор учёта только при температуре в пределах от -50 до +70 градусов по Цельсию. Влажность должна быть не более 95%.
  • Монтаж нового счётчика и снятие старого могут проводить только высококвалифицированные специалисты, имеющие опыт подобной работы и допуск к ней.
  • Любые ремонтные, монтажные или профилактические мероприятия можно проводить только при выключенном электричестве. Для проверки наличия напряжения в сети следует использовать специальные тестеры или обыкновенную индикаторную отвёртку.
  • Чтобы устройство правильно работало, необходимо исключить увеличение напряжения в сети выше максимально предусмотренных показаний.
  • Несколько раз в год следует проводить проверку всех соединений. Это поможет избежать поломок оборудования и случайного удара электрическим током.
  • Запрещается прикасаться к потенциально опасным местам устройства влажными руками.
  • Нельзя хранить рядом с электросчётчиком горючие материалы и легковоспламеняющиеся предметы. Эта мера предосторожности поможет избежать возгораний при возникновении какой-либо аварийной ситуации.
  • Запрещена эксплуатация прибора, имеющего видимые повреждения корпуса или проводки. В противном случае можно получить удар током, который приведёт к самым серьёзным последствиям.
  • Нельзя пытаться остановить электросчётчик СО-505, так как попытка отмотать электричество может привести к удару током и выходу прибора из строя.
  • При установке СО-505 на улице необходимо уберечь прибор от воздействия различных факторов окружающей среды, а человека — от случайного контакта с незаизолированными элементами.
  • При возникновении какой-либо непредвиденной ситуации необходимо сразу же обесточить помещение и обратиться за помощью к квалифицированному электрику.

Однофазный электросчётчик СО-505 — это надёжное и долговечное устройство. С его помощью можно определять количество использованного электричества и контролировать денежные расходы. При правильной установке и соблюдении всех правил техники безопасности можно значительно снизить вероятность получения травмы, а также избежать аварий.

В сегодняшней статье сделаем обзор счетчика электрической энергии индукционного типа — СО-505. Данные прибор учета электроэнергии уже снят с производства, так пришли на его смену более современные модели.

СО-505 используется в однофазных цепях и ведет учет электричества по одному тарифу (однотарифный) нарастающим итогом. Информация выводится на механическом отсчетном механизме. Количество оборотов индукционного диска пропорционально потребляемой в данный момент электроэнергии. Таким образом можно определить какое потребление сейчас электричества, для этого нужно взять постоянную счетчика (600 оборотов х 1 кВт/час), которая показывает отношение оборотов к потребляемой электроэнергии.

Межповерочный интервал

Поверку СО-505 следует проводить раз в 16 лет (межповерочный интервал), т.е при эксплуатации скорее всего вы успеете сделать одну поверку, а когда подойдет время чтобы снова проверить прибор на точность измерения возможно выгоднее будет его заменить и установить новый.

Купить электросчетчик СО-505 в среднем по России можно по цене от 700 до 800 рублей. Это сравнительно недорого для однотарифных индукционных счетчиков. На данный момент модель СО-505 снята с производства и выпускается другая модель к которой можно присмотреться это СОЭ-52.

Как снять показания

Для того чтобы записать показания со счетчика и произвести оплату, используем общие правила съема. Если на абло счетчика присутствует запятая, либо правая часть цифр отделена рамкой или другим цветом, то записываем все цифры которые левее рамки или запятой, это количество целых киловатт, справа десятые доли киловатт.

Для более подробного изучения технических характеристик электросчетчика СО-505 и правил эксплуатации, можно воспользоваться техническим паспортом прибора и руководством пользователя, которые прикладываем ниже.

Ссылка на основную публикацию