Импульсное реле — устройство, принцип работы, назначение

Плата, со встроенной системой приема импульсных сигналов информации называется реле. Мы предлагаем рассмотреть, что такое импульсное реле времени – его описание и назначение, как его сделать своими руками, принцип работы, а также подробная инструкция и схема подключения в систему энергообеспечения.

Где может применяться импульсное реле?

Внедрение этого устройства в бытовое пользование объясняется простым удобством. Ведь оно позволяет контролировать освещение как минимум из двух точек.

В квартире это может быть спальня, где включение произошло у входа, а выключение рядом с кроватью. В офисах – это длинные коридоры, лестничные пролеты и большие конференц-залы.

Использование двух выключателей для освещения лестницы стало необходимостью. Включив свет на первом этаже, вполне логично погасить его вторым выключателем наверху

С задачей трехпозиционного управления могут справиться проходные и перекрестные выключатели. Эта схема и до сих пор имеет широкое применение. Но в ней присутствуют и очевидные недостатки.

Во-первых, это довольно сложная для монтажа система, в которой электричество проходит путь через главный автомат, распределительную коробку, сами выключатели и затем на лампы освещения. При ее установке нередко возникают ошибки. Если же необходимо более трех мест управления, то схема усложняется.

Схема наглядно показывает перегруженность проводами: от первого выключателя – пять, от второго – шесть, от первой и второй подсветки – по три кабеля

Во-вторых, все провода имеют одинаковое сечение, так как используют ток одного напряжения, что сказывается на общих затратах. В них также входит цена проходных выключателей, в несколько раз превышающая стоимость обычных.

Но необходимость использования импульсного реле происходит не только из соображений комфорта. Оно также применяется для сигнализации и защиты.

Например, на промышленном предприятии для запуска производственных процессов, требующих высокой электрической мощности, этот прибор позволяет обезопасить оператора. Так как работает от токов малого напряжения либо вовсе управляется дистанционно.

История

Некоторые историки науки утверждают, что реле впервые было разработано и построено русским учёным П. Л. Шиллингом в 1830—1832 гг. Это реле составляло основную часть вызывного устройства в разработанном им телеграфе.

Другие историки отдают первенство известному американскому физику Дж. Генри (его именем названа единица индуктивности — генри), который сконструировал контактное реле в 1835 году при попытках усовершенствовать изобретённый им в 1831 г. телеграфный аппарат. В 1837 году устройство получило применение в телеграфии. Фактически первое реле было изобретено американцем Джозефом Генри в 1831 г. и основывалось на электромагнитном принципе действия. Следует отметить, что первое реле Дж. Генри было не коммутационным.

Слово «реле» возникло от французского relay, — процедура смены уставших почтовых лошадей на станциях или передача эстафеты в спортивных эстафетных состязаниях.

Как самостоятельное устройство реле впервые упомянуто в патенте на телеграф Самюэля Морзе.

Первые попытки создания научной методики для построения структуры релейных устройств относятся к 1925—1930 годам (работы ученых СССР Кутти А, Цимбалистый М, а также работы иностранных авторов). Однако началом развития теории релейный устройств является 1936—1938 года, когда В.Шестаков,К.Шеннон, и А. Накашима,применили для решения задач релейными устройствами аппарат математической логики; указание на возможность применения этого аппарата было сделано ещё в 1910 году ученым П.Эренфестом.

Существенную роль в развитии релейных устройств сыграли международные симпозиумы по теории релейных устройств и конечных автоматов. Первый из них (1957 г.) имел место в США, а второй (1962 г.) — в СССР.

Принцип действия импульсного реле

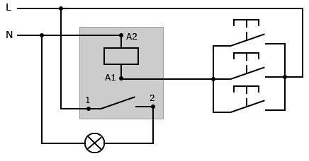
Устройство состоит из катушки, которая управляет механизмом замыкания или размыкания контактов. После воздействия тока на катушку, переключатель контакта остается в последнем положении до нового сигнала. Дальнейшее потребление тока для удержания контакта – не требуется и катушка отключается.

Управление импульсным реле может осуществляться с кнопки (оптимальный вариант), клавишного выключателя, любого другого типа размыкателя.

В отдельных моделях реле кнопки могут быть частью конструкции, иметь подсветку.

По типу устройства встречаются электронные и электромеханические импульсные реле. Для быта используются реле для управления одной-двумя цепями, есть модели для управления и с 20 контактами на выводе. Последние используют чаще в промышленности, сфере услуг для оптимизации потребления электроэнергии, снижения нагрузки на внутреннюю сеть.

Импульсные реле могут оснащаться таймерами для автоматического размыкания контакта после определенной выдержки его по времени.

В ряде моделей реализована возможность выставления таймера на определенное время. Часто это используется для управления приборами освещения, где таймеры можно выставить с периодами по 5…10 минут с максимальным временем размыкания контакта до 30…40 минут.

Тип реле

Данное электронное устройство бывает нескольких типов:

  • импульсное электромагнитное реле бистабильного типа 411, способно передавать до 12в. Кнопки этого прибора параллельно соединены между собой, при этом, когда замыкаются контакты в одном месте, электрическая схема автоматически размыкает их в другом. Переключать можно любым удобным способом. Главным преимуществом является экономия кабеля, нет необходимости разветвлять проводку в квартире; Импульсное реле bis-414
  • бистабильное устройство 413. Здесь за управление отвечает специальная схема, которая сама выключает свет после определенного промежутка времени. Данная система часто используется в местах общественного питания, где зачастую клиенты просто забывают выключать свет. В некоторых отдельных случаях выключение производится при повторном нажатии кнопки, хотя этот механизм также регулируется;
  • аналоги вышеперечисленных приборов – это устройство серии 414 и 412. Это приборы, которые объединяют в себе характеристики двух предыдущих аппаратов. Ключевой особенностью их работы является то, что они предусматривают питание не только с двух сторон прохода, но и двух нагрузок, т.е. их можно подключать к двум различным проводкам, скажем много рожковой люстры, лифта и т.д. С механической точки зрения, они более выгодны и долговечны.

Импульсное реле bis-411

Подавляющая часть реле работает с различными неоновыми подсветками, светодиодными лампами и прочими небольшими и относительно не нагруженными осветительными приборами. Но, к сожалению, самое просто импульсное групповое или двустабильное реле, например, моделей фирмы legrand, acti, Colan, dc, electric Schneider, gerin, general, esmi etimat, fotek, fujitsu, hager, moeller, iek, itl, merlin, multi, pulsar, sassin, Siemens, tlc, zamel, finder, их стоимость порядком 1000 рублей (хотя цена отечественных ишм несколько ниже – от 700 рублей). Поэтому, мы расскажем, как собрать такое устройство у себя дома.

Видео: Схема подключения импульсного реле — Часть 2

Разновидности и характеристики импульсных реле

В настоящее время существует два типа устройств:

  • электромеханические
  • электронные

Электромеханическое реле — имеет катушку управления и механические контакты, которые работают по схожему принципу кнопки с фиксацией. Подали сигнал на катушку (нажали на кнопку) контакты замкнулись. Прекратили подачу напряжения на вводы (отпустили кнопку), а контакты остались в положении замкнуто. При повторной подаче импульса управления (нажали кнопку повторно), механизм размыкает контакты и остается в таком положении до следующего импульса.

Электромеханическое импульсное реле

Электронные реле бывают с релейным выходом или с полупроводниковым ключом. Данные устройства собраны на базе микроконтроллеров, которые и управляют коммутацией нагрузки и следят за сигнальным входом. Кроме того некоторые контроллеры совмещены с таймерами, что позволяет расширить сферу применения и собирать на базе одного аппарата специфические схемы.

Электронное импульсное реле

Импульсные реле выпускаются нескольких разновидностей: для монтажа на DIN-рейку, в распаечную коробку, для монтажа непосредственно в сам светильник. Некоторые производители светотехнического оборудования комплектуют свои светильники импульсными реле, в результате чего можно управлять несколькими группами ламп одним выключателем по двухпроводной линии.

Помимо простых импульсных реле, рассчитанных на простое включение – выключение нагрузки, существуют импульсные реле со встроенным таймером. Применять такие устройства оптимально на лестничных маршах, проходных коридорах, в помещениях, где много дверей.

Импульсное реле со встроенным таймером

Кроме как для управления освещением, импульсные реле широко применяют в производстве, для автоматизации различных процессов.

Основными характеристиками импульсных реле являются:

  • Количество и первоначальное состояние контактов
  • Номинальное управляющее напряжение
  • Ток срабатывания катушки
  • Номинальный ток силовой цепи
  • Длительность импульса управления
  • Количество подключаемых выключателей

Последняя указанная характеристика зависит от наличия ламп подсветки в выключателях, суммарный ток которых может привести к срабатыванию катушки. Если импульсное реле электронное, то оно подвержено влиянию радиопомех и наводок от окружающих силовых цепей.

Варианты применения импульсного реле

Импульсное реле необходимо для подачи, остановки тока в цепи, на определенном ее участке с возможностью управления подключением из различных мест.

Примеры:

  1. Управление освещением с помощью реле, вместо проходных выключателей. Реле является исполнительным механизмом, которым вы можете управлять с кнопки, выключателя.

    Цепи управления (реле-кнопка) могут монтироваться тонким проводом, значительно экономя на затратах кабеля, что актуально для больших протяженных участков.

    Интересное видео об управлении освещением в доме с помощью импульсного реле:

  2. В целях защиты оператора мощного оборудования: для удаленного включения через кнопку можно подводить небольшой ток, который будет запускать реле в требуемое положение, а оно в свою очередь будет включать/выключать оборудование.

    Данная мера минимизирует риск для оператора: не требуется участие электрика для подключения из распределительного щита.

    Оператора можно поместить на безопасное расстояние, если оборудование работает с выбросами опасных газов, отходов, других поражающих факторов.

  3. Ограничение потребления электроэнергии оборудованием с помощью импульсных реле с таймерами (освещение, отопление, нагрев воды, вентиляция).

Классификация

По виду физических явлений, используемых для действия:

  • электромагнитные
    • нейтральные;
    • поляризованные;
  • магнитоэлектрические;
  • ферродинамические;
  • индукционные реле;
    • с вращающимся полем;
    • с бегущим полем;
  • ферромагнитные;
  • магнитострикционные;
  • электростатические;
  • электронные;
  • ионные;
  • полупроводниковые (твердотельные);
  • сегнетоэлектрические;
  • пьезоэлектрические;
  • МЭМС-реле;
  • фотоэлектрические
    • эмиссионные;
    • резистивные;
  • резонансные;
  • тепловые:

По виду физических величин, на которые реагируют: По назначению делятся на:

  • аварийные
  • контроля и управления
    • воспринимающие;
    • исполнительные;
    • промежуточные.

Обозначение на схемах

На принципиальных электрических схемах реле обозначается следующим образом:

На некоторых схемах ещё можно встретить обозначения по ГОСТ 7624-55.

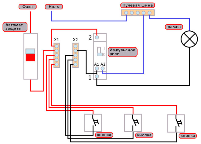
Схемы подключения

Импульсное реле очень часто используется с подключением нескольких выключателей с пружинным возвратом кнопки. Подключаться они должны параллельно друг к другу по всем требованиям.

Для организации схемы управления освещением следует подключить силовой провод к бистабильному реле. А выключатели между собой соединяются посредством проводка. Благодаря этому в дальнейшем есть возможность обесточить всю сеть, используя всего один выключатель.

Данный вариант популярен, так как упрощается монтаж. При этом надо рассчитывать характеристики точно: к примеру, поддержку светодиодной подсветки кнопок, чтобы сеть полноценно функционировала.

Чтобы было удобнее, можно проверять маркировку. Производители используют такие обозначения, как:

  • А1-А2 – контакты катушки;
  • 1-2 (или другие цифры) – количество контактов, замыкающихся или размыкающихся при работе бистабильного реле;
  • ON-OFF – маркировка контактов, которые переводят реле в состояние выключения или включения (используется при монтаже центрального управления).

СПРАВКА! Как правило, используется реле 220 вольт для подключения к силовому щиту. В этом случае к контактам подключаются кабели, и в дальнейшем управление выполняется через импульсное реле. А отдельные выключатели во всей системе освещения соединены проводками.

Видео

Смотрите также по теме:

   Таймер времени, электронный и электромеханический.

   Фотореле для уличного освещения: виды, применение, схема подключения.

Будем рады, если подпишетесь на наш Блог!

Выводы и полезное видео по теме

Видеоматериал рассказывает об устройстве, работе, применении и истории создания этого вида устройств:

Следующий сюжет подробно описывает принцип действия твердотельных или электронных реле:

Использование импульсных реле находит все более широкое применение в современных системах электрификации. Увеличение требований к функционалу и гибкости управления освещением, экономии материалов и безопасности создает непрерывный импульс к совершенствованию контакторов.

Они уменьшаются в размерах, упрощаются конструктивно, повышая надежность. А использование принципиально новых технологий в основе работы позволяет применять их в жестких условиях пыльных производств, вибрации, магнитных полей и влажности.

Пишите, пожалуйста, в находящемся ниже блоке. Задавайте вопросы, делитесь полезной информацией по теме статьи, которая пригодится посетителям сайта. Расскажите о том, как выбирали и устанавливали импульсный выключатель.

Заключение

Современные системы освещения и электрификации очень активно используют импульсное реле. Требования на рынке к производителям таких реле становятся все выше, что рождает непрерывное развитие в данной сфере.

Большинству пользователей требуется расширенный функционал и гибкость управления освещением. Поэтому спрос стимулирует предложение, так как данная технология является очень востребованной на сегодняшний день.

Ссылка на основную публикацию