Во время эксплуатации энергетического оборудования на него постоянно воздействуют токовые перегрузки, снижающие долговечность. Защитой в таких ситуациях служит тепловое реле для электродвигателя, отключающее электроснабжение при возникновении нестандартных обстоятельств.
Предлагаем разобраться в конструкции, принципе работы, видах и нюансах подключения защитного устройств. Кроме того, мы расскажем, какие параметры и характеристики стоит учитывать пи выборе теплового реле.
Конструктивное исполнение тепловых реле
Тепловые реле всех видов имеют аналогичное устройство. Наиболее важный элемент любого из них — чувствительная биметаллическая пластина.
Значение тока срабатывания находится под влиянием температурных показателей среды, в которой работает реле. Рост температуры уменьшает время срабатывания.
Чтобы это влияние свести к минимуму, разработчики устройств выбирают как можно большую температуру биметалла. С этой же целью некоторые реле снабжают дополнительной компенсационной пластиной.


Состоит прибор из корпуса, нихромового нагревателя, биметаллической пластины, защелки, винта, рычага, подвижного контакта и кнопки возврата (+)
Если в конструкцию реле включены нихромовые нагреватели, подключение их осуществляют по параллельной, последовательной или параллельно-последовательной схеме с пластиной.
Значение тока в биметалле регулируют при помощи шунтов. Все детали вмонтированы в корпус. Биметаллический элемент U-образной формы зафиксирован на оси.
Цилиндрическая пружина упирается в один конец пластины. Другим концом она базируется на уравновешенной изоляционной колодке.Совершает повороты вокруг оси и является опорой для контактного мостика, оснащенного контактами из серебра.
Для координации тока уставки биметаллическая пластина своим левым концом соединена с ее механизмом. Регулировка происходит за счет влияния на первичную деформацию пластины.
Если величина токов перегрузки становится равной или большей чем уставки, изоляционная колодка поворачивается под воздействием пластины. Во время ее опрокидывания происходит отключение размыкающего контакта устройства.


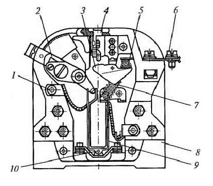
Тепловое реле ТРТ в разрезе. Здесь основными элементами являются: корпус (1), механизм уставки (2), кнопка (3), ось (4), контакты серебряные (5), контактный мостик (6), изоляционная колодка (7), пружина (8), пластина биметаллическая (9), ось (10)
Автоматически реле делает возврат в первоначальное положение. Процесс самовозврата занимает не более 3 минут с момента включения защиты. Возможен и ручной возврат, для этого предусмотрена специальная клавиша Reset.
При ее использовании прибор занимает исходное положение за 1 минуту. Чтобы задействовать кнопку, ее проворачивают против часовой стрелки до момента, когда она поднимется над корпусом. Ток установки обычно указан на щитке.
Итак, начнем с самого сложного. Что делать, если паспортные данные двигателя не известны?
Для этого случая рекомендуем токовые клещи или мультиметр С266, конструкция которого также включает токоизмерительные клещи. С помощью данных приборов нужно определить ток мотора в работе, измерив его на фазах.
В том случае, когда на таблице частично читаются данные, размещаем таблицу с паспортными данными асинхронных двигателей широко распространенных в народном хозяйстве (тип АИР). С помощью нее возможно определить In.


Читаем какой номинальный ток двигателя при подключении к сети 380 вольт (Iн). Этот ток, как мы видим на шильдике двигателя, Iн = 1,94 Ампера
Выбор теплового реле по мощности двигателя
У теплового реле есть один основной параметр, показывающий ток, при котором реле отключит электродвигатель. Ниже приводится таблица по выбору теплового реле для электродвигателей.
Распространенные марки тепловых реле – РТЛ и РТИ, которые по параметрам идентичны, и отличаются в основном креплением и конструкцией.
В интернете гуляет табличка выбора теплового реле двигателя по мощности, где подробно перечислены параметры тепловых реле серии РТЛ. Стоит сказать об ошибке – во второй строке внизу вместо “РТЛ-ЮООМ” следует читать “РТЛ-1000М”. Кто-то распознавал бездумно.
• Выбор теплового реле / Выбор электротеплового реле — таблица параметров, pdf, 34.01 kB, скачан: 6165 раз./
И ещё фото старенькой теплушки, фото новых легко найти в интернете.


Такое тепловое реле ставится на пускатель ПМЕ.
Подробно про схему подключения теплового реле и схему подключения пускателя к трехфазному двигателю рассказано в другой моей статье. Рекомендую.
Понравилось? Поставьте оценку, и почитайте другие статьи блога!
Свежие статьи на СамЭлектрик.ру:


Принцип работы приспособления
Выполняя защитную функцию, автоматический выключатель разъединяет силовые питающие цепи. Тепловое реле отличается от него тем, что при превышении нагрузки просто выдает управляющий сигнал. При такой защите токи небольшой величины коммутируются в одной цепи управления.
В схеме перед термореле находится магнитный пускатель. Когда цепи размыкаются в аварийном порядке, отпадает надобность в дублировании работы контактора. Следовательно, не расходуется материал для изготовления силовых контактных групп.
Наиболее популярными являются приборы, оснащенные биметаллическими пластинами. Собственно пластина состоит из двух аналогичных элементов.
Один из них обладает значительным температурным коэффициентом, а другой — несколько меньшим. Эти две составляющие плотно прилегают друг к другу.


Так как составные части биметаллической пластины выполнены из пары разнородных металлов, имеющих неодинаковые коэффициенты расширения, нагрев заставляет ее изгибаться и взаимодействовать с контактами
Обеспечивается такое жесткое скрепление путем сваривания или прокаткой в горячем виде. За счет того, что пластина закреплена неподвижно, при нагреве наблюдается ее изгиб в сторону элемента с меньшим температурным коэффициентом. Этот принцип взят за основу при создании тепловых реле.
При их производстве применяют хромоникелевую сталь и немагнитную, обладающие большим значением температурного коэффициента. Как материал с малым значением этого параметра используют инвар — соединение никеля с железом.


По такой схеме функционирует тепловое реле. Незакрепленный конец биметаллической пластины при ее прогибе воздействует на контакты термореле (+)
Пластину из биметалла прогревают токи нагрузки. Протекают они чаще всего по специальному нагревателю. Существует и комбинированный нагрев, при котором, кроме тепла, отдаваемого нагревателем, биметалл прогревает еще и ток, проходящий через него.
Как устроен защитный автомат
В предыдущей статье мы разобрались с характеристиками автоматических выключателей, а сейчас полезем глубже. Я…


Как подключить тепловое реле
Замкнутый контакт (normal connected), при помощи которого производят подключение теплового модуля к магнитному пускателю, обозначают NC или НЗ, что расшифровывается, как нормально замкнутый. Буквенным сочетанием NO обозначают нормально разомкнутый контакт.
В несложной схеме он применяется для подачи сигнала, свидетельствующего о срабатывании защиты двигателя из-за превышения пороговой температуры.
При внедрении в сложные схемы управления он способен формировать в аварийном порядке сигнал выведения из рабочего состояния конвейера.


Тепловое реле размещают за контакторами, но перед электродвигателем. Подсоединение контакта normal connectde к кнопке «Стоп» на пульте управления осуществляют по последовательной схеме (+)
Обозначение клемм контакторов диктует ГОСТ: нормально замкнутый — 95-96, нормально разомкнутый — 97-98. К первой паре подключают пускатель, вторую используют для схем сигнализации. Так как двигатель и тепловое реле нужно защищать от КЗ, цепь должна содержать автомат защиты.
Схема прибора включает кнопки «Тест» и «Стоп» или «Сброс». С помощью первой проверяют работоспособность, а второй — отключают защиту вручную.
При помощи переключателя поворотного взвода после включения защиты вновь запускают электродвигатель. На стеклянную крышку изделия наносят маркировку и пломбируют.
Если исходить из типа подключения, можно выделить две большие группы термореле:
- первая группа – устройства, монтируемые за магнитным пускателем и те, что подключаются с использованием перемычек;
- вторая группа – приборы, устанавливаемые на контактор пускателя непосредственно.
В последнем случае при запуске основная нагрузка приходится на контактор. Здесь тепловой модуль оснащен медными контактами, подключенными к входам пускателя непосредственно.


Схема теплового реле. На нее нанесены обозначения управляющих элементов и выводов. У разных моделей эти обозначения могут отличаться (+)
К ТР подключают провода от двигателя. Само реле в такой схеме представляет промежуточный узел, анализирующий ток, протекающий транзитом к двигателю от магнитного пускателя.
Характеристики автоматических выключателей на примере TEXENERGO
Несколько лет назад я опубликовал на блоге статьи по выбору автоматических выключателей и почему выбивает…
Теперь, исходя из номинального тока двигателя, подбираем тепловое реле и соответствующий ему пускатель нужной величины.
Выражение «величина» является условным термином, обозначающим то, какой ток может пропустить через главные рабочие контакты выбранный магнитный пускатель. При присвоении величины считается, что пускатель работает при напряжении 380 В, а его рабочий режим АС-3.
Приведу список различий приборов по их величинам (токи в зависимости от величин):
- 0 – 6,3 А;
- 1 – 10 А;
- 2 – 25 А;
- 3 – 40 А;
- 4 – 63 А;
- 5 – 100 А;
- 6 – 160 А;
- 7 – 250 А.
Величины их допустимых токов, протекающих по контактам главной цепи, различаются от тех, что я привел вот по каким принципам:
- категория использования (она может быть АС-1 -, АС3, АС-4 и еще 8 категорий);
- первая подразумевает чисто активную нагрузку (или с малым присутствием индуктивности);
- вторая – для управления моторами, имеющими контактные кольца;
- третья – работу в режиме прямого запуска движков с ротором короткозамкнутого типа и подключение оных;
- четвертая — старт моторов, имеющих короткозамкнутый ротор, обесточивание движков, вертящихся медленно, либо недвижимых, торможение методом противотока.
Если увеличивать номер категории использования, то максимальный контактный ток главной цепи (при идентичности параметров коммутационной износостойкости) будет снижаться.
Вернемся к нашим баранам.
Тепловое Реле имеет шкалу, калиброванную в амперах. Обычно шкала соответствует значению тока уставки (тока несрабатывания реле). Срабатывания реле происходит в пределах 5-20% от превышения тока уставки потребляемым током электродвигателя. Т.е., при перегрузке электродвигателя на 5-20% (1,05*Iн — 1,2*Iн), произойдет срабатывание теплового реле в соответствии с его токовременной характеристикой. Поэтому выбираем реле таким образом, чтобы ток несрабатывания теплового реле был на 5-10% выше от номинального тока защищаемого электродвигателя (см. таблицу ниже).
Итоги Конкурса статей 2019 г
Конец года – время подводить итоги. 10 декабря я запустил голосование, в котором приняли участие 5 авторов…
Существующие типы устройств
Класс тепловых реле включает несколько видов: ТРН,РТЛ, ТРП, РТИ, РТТ. Применение каждого обусловлено особенностями конструкции.
Токовое реле двухфазное (ТРН), используют в основном для электрозащиты двигателей асинхронных, имеющих короткозамкнутый ротор. Как правило, они работают от сети с номиналом до 500 В, частотой 50 Гц.
Оснащено реле ручным механизмом управления контактами. Габариты ТРН дают возможность встраивать их в комплектные устройства как закрытого, так и открытого типа станций, координирующих работу приводов. Функцию защиты от КЗ они не выполняют и сами нуждаются в ней.
Реле ТРП имеют механизм, устойчивый к вибрациям, ударопрочный корпус. Разработаны для охраны асинхронных трехфазных двигателей, функционирующих в условиях больших механических нагрузок.
Рассчитаны они на максимальный ток 600 А и напряжение максимум 500 В, а в цепях с постоянным током — 440 В. Автоматика нечувствительна к внешней температуре и срабатывает тогда, когда показатель превышает 200°C.
Устройства РТЛ — трехфазные, кроме защиты двигателя от перегрузок, предохраняют от заклинивания ротор. Они страхуют его от поломок в случае перекоса фаз, при затяжном пуске.
Работают автономно с клеммниками КРЛ и в модификации с магнитным пускателем ПМЛ. Токовый рабочий промежуток — от 0,10 до 86 А.


Контактор в паре с тепловым реле. Когда устройство срабатывает, нормально замкнутый и нормально разомкнутый контакт синхронно меняют свое положение
РТТ – приспособление защищает асинхронные двигатели от токовых бросков, перекоса фаз, заклинивания и других нештатных ситуаций. Используется и как самостоятельный прибор, и в виде встройки в пускатели ПМА, ПМЕ.
Изделие трехфазное РТИ наделено теми же функциями, что и предыдущее, но используется в модификации с пускателями КТМ и КМИ.
Выводы и полезное видео по теме
Схема эффективной защиты двигателя:
Составные части теплового реле:
Принцип взаимодействия различных приборов в разных вариантах подключения теплового реле одинаков. Для лучшей ориентации в схемах надо уметь “читать” маркировку устройств. В идеале все работы по подключению должен выполнять мастер, имеющий допуск к работе в условиях высокого напряжения.
Есть, что дополнить, или возникли вопросы по выбору и применению теплового реле? Можете оставлять к публикации, участвовать в обсуждениях и делиться собственным опытом использования устройств. Форма для связи находится в нижнем блоке.