На производственных предприятиях и иных учреждениях предъявляются строгие требования к бесперебойной работе электросети. Основные средства ее обеспечения – автоматический ввод резерва, используемый в однофазных электросетях, и переключатель фаз, отличающийся от классического АВР использованием добавочных линий с неактивной фазы трехфазной сети.
Принцип работы и устройство фазового переключателя
В общем случае фазовый переключатель является устройством, главная задача которого – это подключение вместо основной фазы какой-либо любой другой, имеющей близкое к номинальным показателям напряжение, при отключении линии питания или скачке напряжения выше установленных пределов.
Конструкция этого устройства подразумевает то, что на его вводные клеммы поступает трехфазное питание. При этом на вывод поступает всего лишь одна фаза, качество напряжения которой наиболее близкое к показаниям нормы. Активация переключателя происходит в случае полного исчезновения фазы или же при скачках и просадках электропитания. Важно учитывать то, что для работы фазового переключателя требуется трехфазная сеть. Кроме этого, как говорилось выше, существует два типа таких устройств: автоматические переключатели и модели, переключаемые вручную.
Принцип работы переключателя фаз, например, модели ПЭФ-301, заключается в переборе линий питания до тех пор, пока не будет найдено то значение, которое имеет оптимальные показатели напряжения. Переключение осуществляется посредством микроконтроллера, который и направляет расположенную внутри корпуса устройства группу реле.


Как подключать оборудование
Ручной переключатель фаз более известен многим, как пакетник. Данное устройство представляет собой кулачковый механический переключатель (3-х позиционный). Современная промышленность предлагает и другие виды пакетников, отличающихся между собой количеством переключателей, все зависит от целей и потребностей электрической сети.
Основные функции переключателей
Основное назначение электронных переключателей фаз состоит в своевременном автоматическом перебросе питания с перегруженной линии на более свободную. Очень часто такая необходимость связана с падениями напряжения, при которых приборы и оборудование не могут нормально функционировать.
Большинство приборов, бытовой техники и других устройств обладают индивидуальными техническими характеристиками, обеспечивающими их нормальную работоспособность. Эти данные указываются в паспортах или руководствах по эксплуатации изделия. В первую очередь отображаются значения минимального и максимального напряжения, при которых устройство может нормально работать, а проводка не будет разрушаться под действием нагрузок.
Большое значение имеет борьба с перегрузками, поэтому каждый автоматический переключатель фаз настроен именно на это. Чтобы обеспечить правильную реакцию прибора, следует правильно установить время срабатывания. То есть показатели выставляются таким образом, чтобы исключить ложную тревогу.
Стандартные переключатели фаз допускают регулировку наиболее важных параметров. В первую очередь выставляются минимальный и максимальный пределы напряжения. В этом случае необходимо исключить пересечение значений верхних и нижних областей, что может привести к нестабильной работе переключателя. Рекомендуется выставлять пределы верхней и нижней границы не на глаз, а в соответствии с инструкцией и техническими характеристиками оборудования.
Важной настройкой является время возврата, в течение которого переключатель пытается вернуться в исходное положение путем перебрасывания контактов на родной источник питания. Однако это будет возможно лишь при условии возврата напряжения на данной линии в нормальное состояние. Еще одна настройка представляет собой время включения, когда задается определенный временной промежуток, по прошествии которого переключатель должен сделать попытку включения питания после его полного отсутствия. То есть, после того как питание появится хотя бы на одной линии, источник резервного питания может быть отключен.
Существуют и другие настройки, которые могут использоваться в различных комбинациях. Все зависит от конструкции, назначения и возможностей конкретного переключающего устройства.
Как выбрать переключатель фаз


Ручной и автоматический переключатель фаз
При выборе переключателя напряжения прежде всего нужно обращать внимание на параметры тока, на которые рассчитан прибор. Именно они определяют, подойдет ли прибор для использования в конкретной сети. Не рекомендуется приобретение переключателя, ток которого больше номинального показателя для входного автомата.
Другими значимыми параметрами при приобретении ручного или автоматического фазоискателя являются:
- гибкость и вариативность настроек: как минимум, должны быть предусмотрены установка границ нормального напряжения и основной фазы;
- тип индикации: предпочтительный – жидкокристаллический дисплей; в дешевых моделях используются светодиоды;
- дополнительные возможности – например, сенсорное управление.
Если обнаружилось, что у распределителя фаз недостаточная мощность для обслуживания сети, можно поставить коммутационное устройство. При этом обмотка контактора или пускателя должна соединяться с выходными зажимами прибора.
Переключатель фаз используется в промышленном и бытовом оборудовании для подачи питания и защиты от повышенного или пониженного напряжения
Область использования:
- Освещение.
- Автоматика газового котла.
- Компьютерные сети и серверы.
- Сигнализация и прочие объекты.
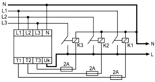
Преимущественно используются в трехфазной сети с выходом на одну фазу. Сверху подключается три фазы и ноль. Внизу находится соединительная шина с отходящей фазой. От нее запитывается нагрузка и ноль. Переключатель и линии необходимо защищать автоматическими выключателями.
Как выбрать
Прежде, чем приобрести прибор, надо хорошо понимать, где планируется установка, и какие функции будут возлагаться. Одно дело – установка оборудования на производстве, другое – для домашнего потребления электричества.


Электронные автоматы с микропроцессором имеют герметичные реле с отдельным управлением, мощностью 40 — 80 A. Во время перебоя напряжения определяется фаза и подается на выход. Выпускаются они от недорогих с ограниченными возможностями (ПФ-40А) до модернизированных (DigiTOP).
У потребителя большие возможности в плане выбора. Одни ценят новейшие изобретения, другие – приверженцы простых, но надежных и проверенных временем.
Достоинства и недостатки
Автоматический переключатель фаз обладает большой точностью и надежностью. Благодаря внутренней блокировке исключается залипание контактов реле. Самостоятельно, без участия пользователя контролирует напряжение и выбирает наиболее подходящую фазу.
Наряду с положительными качествами, требуется максимальная точность в настройке и подключении. Если все сделано правильно, безопасный электрический ток долгое время будет защищать приборы и устройства от перебоев напряжения.
Ручной переключатель, в основном, используются в местах, где можно обойтись без большого напряжения. Из достоинств можно выделить:
- Устойчивость к перегрузкам.
- Имеет небольшие размеры.
- Относительно невысокая стоимость.
- Удобный и простой в использовании.
- В некоторых конструкциях можно применять, как выключатели.
Недостатки
Приборы должны находиться под контролем. Ручное переключение всегда предполагает присутствие человека.
Автоматический переключатель фаз в загородных домах


Проблема частых перебоев электроэнергии, а также поставки некачественного ресурса в загородных домах решается установкой и наладкой щитка с автоматическим переключением фаз и ручным вводом резерва.
Порядок работы переключателя
Автоматический переключатель – это цифровой прибор, изготовленный на базе микропроцессоров. Устройство долговечно и отличается высокой точностью, позволяющей обеспечить надежную защиту включенной в сеть аппаратуры.
При подсоединении аппарата к линии может быть выбрана в качестве питающего проводника любая фазная жила.


Чтобы контакты встроенных в прибор выходных реле не залипали, устройство оснащено внутренней блокировкой. Кроме того, оно контролирует состояние контактов пускателей, которые имеются во внешней электроцепи. Использование этого прибора позволяет не допустить перегрузки по фазам.
Область применения, назначение и параметры


Пример использования устройства
Сфера использования устройств выбора фаз обширна: приборы устанавливаются на производственных предприятиях – в системах автоматизации, управления, вентиляции и других; в больницах и аптеках – аппараты жизнеобеспечения, хранение медикаментов. Применяются они и в жилых домах: для обеспечения сигнализационных установок, газовых котлов.
Использование 3 фазного выключателя практикуется для перенесения питания с активной линии на другую. Такая опция целесообразна в ситуациях, если в основной линии возникают перебои, резкие скачки, напряжение становится слишком высоким или перестает подаваться вообще. Для обеспечения бесперебойного снабжения сети и предотвращения аварийных инцидентов нужно правильно выставить значения ключевых параметров.
Минимальный предел напряжения
Он показывает лимит, ниже которого опускаться нельзя, в противном случае сеть будет работать с перебоями. Устанавливают границу в соответствии с документами, прилагаемыми к прибору.
Время возврата


Важной настройкой является время возврата
Это промежуток, по прошествии которого происходит попытка перенаправления контактов к основному источнику при использовании резервной жилы. Когда пройдет этот период, аппарат проверяет параметры ведущей фазы. Если они соответствуют нормальным показателям, питание переходит на нее, если же нет, позже проводится повторная проверка по истечении такого же периода времени. Использование такого механизма дает возможность сэкономить ресурсы – например, покидая помещение, снабжаемое генератором, можно отключать двигатель на некоторый интервал (час-два). Выключать его на продолжительное время чревато сильным падением температуры в холодное время года и выходом электроприборов из строя, а использование обозначенной опции будет рациональным решением.
Время включения
Характеризует время, спустя которое прибор постарается включить питание в ситуации его отсутствия на всех токоведущих проводах. Создать сигнал можно посредством реле.
Сфера применения
Главным образом фазовый переключатель используется для подключения резервной линии питания, что, в свою очередь, гарантирует бесперебойное функционирование техники. Переключение на резервную линию питания автоматически выполняется только в тот момент, если одна из фаз трансформатора перегружена.
Применение фазового переключателя в офисах и на производстве используется для обеспечения работы автоматизированных систем, отслеживающей и управляющей аппаратуры, диспетчерского оборудования, средств связи, систем вентиляции.
В медицине переключатель фаз автоматический применяется для работы такой техники, как аппараты жизнеобеспечения, ходильные установки для хранения лекарственных препаратов.
Кроме того, фазовый переключатель используется для постоянного функционирования техники, применяемой в частных домах и квартирах, для бесперебойной работы:
- газовых котлов;
- охранных систем;
- современных комплексов управления домом;
- видеонаблюдения.
Заключение
Переключатель фаз бывает не только автоматического, но и ручного типа. Однако электронное устройство более удобно в использовании, поскольку оно не требует контроля и вмешательства. Чтобы обеспечить надежную защиту бытовой аппаратуры, достаточно правильно настроить АПФ, и за сохранность техники можно будет не беспокоиться.