Каждый хозяин частной недвижимости, будь то дом, квартира или дача обязательно столкнется с необходимостью полной замены, частичного ремонта или монтажа «с нуля под ключ» электрической проводки в своем владении. Естественно, в любой из этих ситуаций человеку со средним достатком хочется максимально сэкономить, для чего он готов выполнить часть или всю работу собственными руками. Но следует знать, что без базовых знаний в области проектирования и монтажа электропроводки браться за такую работу не следует. Электрика требует профессионального подхода, в противном случае об экономии следует забыть, ведь скупой платит дважды!


Выполнить все работы по составлению схемы проводки и монтажу электрической разводки в квартире, частном доме или на даче собственными руками можно, но только в том случае, если хозяин готов разобраться в этом вопросе, изучить нормативные документы и строго следовать инструкциям по проведению работ. Если вы не готовы к этому, то лучше обратиться к специалистам. Для тех кто готов создать в собственном владении электропроводку своими силами и предназначена эта статья. В ней мы рассмотрим первый этап работ, а именно: проектирование электрической проводки в частном доме, квартире или на даче! Итак, приступаем!
Зачем нужен план внутренней электропроводки
Детальный план или схема электропроводки — это полный чертеж, на котором изображены все элементы системы внутреннего электроснабжения жилого или другого объекта: разводка проводов или кабелей, распределительные коробки, защитные устройства, приборы контроля, выключатели, розетки и если необходимо контур заземления. Для каждого объекта, будь то квартира, дача или частный дом, разрабатывается собственный план, если он построен не по типовому проекту. Но в любом случае схема электропроводки необходима. Ее наличие дает следующие преимущества при выполнении монтажных работ.
- Имея в своем распоряжении подробный план электрической разводки, можно заблаговременно составить список необходимых для выполнения работ по монтажу электросети комплектующих, оборудования и материалов. Это позволит без спешки подобрать и закупить продукцию по оптимальным ценам, что в итоге приведет к существенной экономии.


- Детальный план позволит реализовать оптимальное распределение мощностей сети. Чертеж наглядно покажет, где находятся узлы с наибольшей мощностью потребления электроэнергии, что позволит спланировать разводку так, чтобы исключить возможность перегрева проводов из-за излишней нагрузки. Такой подход обеспечит высокую пожарную безопасность сети в целом.
К тому же наличие предварительно разработанной схемы позволит четко спланировать монтажные работы и разбить их на этапы, что не даст забыть смонтировать тот или иной элемент системы.
Основные разновидности
Кабели и провода разделяются по их назначению. Первыми созданными изделиями были те, что использовались для доставки электрической энергии конечному потребителю. Они называются силовыми. Затем эксперименты показали, что передавать электричество лучше в виде переменного тока. Чем выше напряжение, тем меньше энергии терялось в процессе транспортировки, поэтому начали искать оптимальные значения. В итоге силовые электрокабели стали подразделять на:
- Провода, по которым подаётся электрический ток от электростанций в населённые пункты. Напряжение составляет 20−150 кВт.
- Эл. кабели, приносящие энергию к потребителю (110−380 Вт).
Когда произошло развитие телефонии, были изобретены и отдельные виды проводов. Для функционирования телефона не требуется большое напряжение, поэтому применять силовые линии нерационально. Также для подключения к связи большого количества домов необходимы провода, количество жил в которых было бы соответствующим.
После того как появилось радио и телевидение потребовались совершенно другие специальные кабели, которые соединяли устройство воспроизведения с антенной. Главным отличием их от других является наличие экранирования. Если оно отсутствует, сигнал получается слабым и искажённым.
С появлением компьютеров возникла необходимость соединять их в одну большую сеть. Для этого понадобились новые типы проводов. Сначала применялись телефонные линии, но они не могли обеспечить требуемую скорость обмена данными. Прорывом в этой сфере можно считать появление оптоволокна, позволяющего передавать информацию с большой скоростью без потерь. Чтобы создать местные сети, стали применять кабели по типу «витая пара».
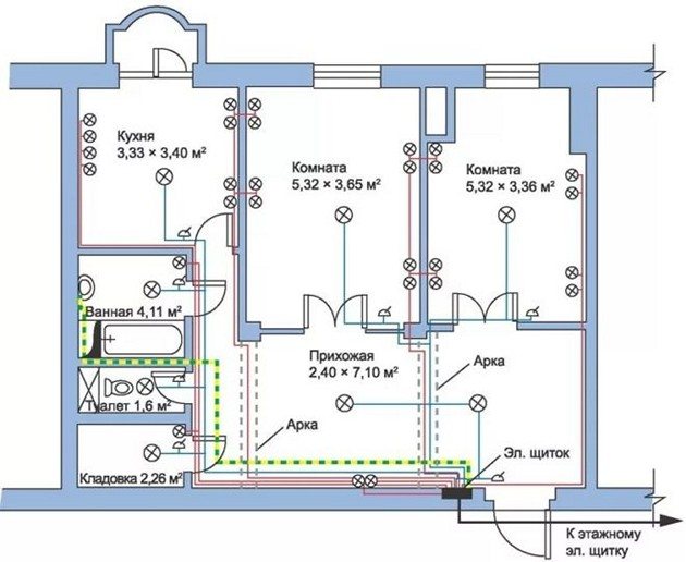
План внутренней электрической сети в частном доме
Прежде чем составлять схему, где будет указано месторасположение кабелей и проводов, необходимо составить детальный план размещения бытовой техники, приборов освещения и другого электрооборудования как в самом доме, так и на территории домовладения. Принципиальная схема электропроводки в частном доме разрабатывается основываясь именно на этих данных. Допустим, если в жилых комнатах достаточно нескольких розеток для подключения маломощной бытовой техники, то в кухню и ванную комнату необходимо заводить несколько отдельных линий для обеспечения электричеством мощных стиральных машин, микроволновых печей и так далее.


На основании этого плана разрабатывается принципиальная схема разводки электропроводки. Она считается основополагающим документом для проведения монтажных работ и закупки всех необходимых комплектующих и материалов. Схема дает возможность точно рассчитать длину необходимого кабеля и проводов, их сечение, количество разветкоробок, выключателей, розеток и других элементов электропроводки. Она не позволит запутаться при выполнении работ по монтажу и ошибиться в выборе комплектующих изделий по техническим характеристикам. Поэтапный план разработки схемы электропроводки в частном доме приведен ниже.


- На первом этапе необходимо определиться с типом электрической проводки. Существует всего два варианта: скрытая или наружная. Первый вид самый распространенный. В этом случае провода и кабели укладывают в специальные штробы, прорезанные в стенах, полах или потолке, после чего они замуровываются цементным раствором или другими строительными материалами. Наружная разводка, весьма популярная в далеком прошлом, сейчас используется в тех случаях, когда не рекомендуется прокладывать каналы в несущих конструкциях дома, а именно в деревянных строениях из бруса, оцилиндрованного бревна и так далее.


- Далее следует разделить всю электропроводку по группам потребления. Вся сеть делится на следующие линии: для освещения, питания розеток, силовую, уличную и для хозпостроек. Каждая из линий прорисовывается на отдельном листе с указанием размеров помещений, толщины перегородок и стен и так далее. В заключительной фазе этого этапа, по подготовленным данным, рисуется общий план электропроводки частного дома со всеми элементами сети. Производится расчет необходимого сечения кабелей, количества комплектующих и материалов, необходимых для монтажа электропроводки в целом.
Разрабатывая принципиальную схему электроразводки в частном доме, следует знать, что современные СНиП обязывают исполнителя планировать проводку раздельно по комнатам, с разделение линий розеток и осветительных приборов. Это связано с требованиями безопасной эксплуатации электрических сетей. К тому же по комнатное разделение внутренней проводки более удобно в эксплуатации. При проведении ремонтных работ нет необходимости обесточивать весь дом, достаточно отключить от сети одну комнату.


Разделение внутренней сети электроснабжения на линии по мощности и группам потребления позволяет использовать электрооборудование и кабельную продукцию с соответствующими техническими характеристикам. Например, для линии освещения можно применять провод с сечением 1.5 мм² и автоматический выключатель на 16 А. Этого достаточно для нормального функционирования нескольких светильников. А вот для подключения розеток необходимо использовать кабель с сечением 25 мм², соответственно и автомат большей мощности на 25 А. Все это позволяет оптимизировать технические характеристики всей внутренней сети и сократить затраты на приобретение материалов и оборудования.
Важно! Сумма мощностей электроприборов, подключенных к одной линии, не должна быть выше 4.5 кВт — это оптимальный показатель. К примеру, если к одной цепи на кухне подключены бытовые приборы общей мощностью 4.2 кВт, а вы решили выполнить монтаж бойлера и электрической духовки общей мощностью 3 кВт, то к этому оборудованию необходимо подвести отдельную линию.


Все линии проводов и кабелей подходят к электрическому распределительному щиту. Для каждой из них устанавливается автоматический выключатель соответствующей мощности и если необходимо УЗО (устройство защитного отключения). Электрощит является неотъемлемой частью всей системы внутренней проводки и его необходимо включать в принципиальную схему электроразводки в частном доме, квартире или на даче. Для частного дома, возможно, потребуется включить в схему электропроводки стабилизатор напряжения, так как параметры электрического тока, очень часто бывают нестабильными.
Внимание! Стабилизаторы напряжения защитят вашу бытовую технику от перегорания и нестабильной работы. Они способны оптимизировать параметры электрического тока, главное правильно рассчитать мощность этого устройства, чтобы ее хватало при одновременном включение всех бытовых электроприборов и освещения.
Какие бывают виды электропроводок?


Перед тем, как приступать к монтажу электрической проводки своими руками, необходимо подобрать подходящий способ разводки кабелей, определиться с материалами и составить соответствующую схему. В этой статье мы расскажем читателям Сам Электрик, какие бывают типы и виды электропроводок, а также способы их прокладки в жилых домах.
Общая классификация
Итак, грубо говоря электрическая проводка разделяется на следующие виды:
- открытая (кабельные линии монтируются по поверхности стен, потолка или же других строительных конструкций);
- скрытая (электросеть прокладывают внутри этих самых конструкций);
- наружная (данный вид электропроводки применяется исключительно на улице, провода крепятся на поверхности построек или же между специальными опорами).
В свою очередь каждый перечисленный способ прокладки имеет свои собственные разновидности, о которых мы сейчас и поговорим подробнее.
Открытая
При открытой электрической проводке используют следующие способы прокладки кабеля:
- в специальном электротехническом плинтусе;
- в кабельных каналах;
- в лотках;
- на изоляторах либо фарфоровых роликах;
- на скобах;
- в трубах (в том числе гофрированной и металлорукаве).
Преимущества и недостатки открытой электропроводки мы рассмотрели в соответствующей статье на сайте, с которой настоятельно рекомендуем ознакомиться.
Скрытая
Выполнение скрытого типа электропроводки производится следующими способами:
- в штробах под штукатуркой (самый популярный вариант);
- в технологических отверстиях строительных конструкций (к примеру, в панелях старых многоквартирных домов);
- под натяжными и навесными потолками;
- под пластиковыми панелями;
- в кабельных коробах, гофре, металлорукаве, размещенных внутри конструкций;
- в полу.
О достоинствах скрытой проводки мы также рассказали в соответствующей статье.
Наружная
Ну и последняя из основных видов электропроводок – наружная. Как мы уже сказали, это уличный вариант разводки кабельной линии, который может быть выполнен следующими способами:
- по поверхности зданий и построек;
- прокладка по воздуху между опорами (тросовая электропроводка либо струнная);
- под землей (так сказать скрытый уличный вид проводки).
Наружную прокладку проводов используют при монтаже уличного освещения, электрификации садовых построек (в том числе и гаража), а также для того, чтобы провести свет на чердак.
Какие еще существуют разновидности
Помимо основной классификации существует еще более локальная, о которой вы также должны знать. Итак, во-первых, существует еще два типа электропроводки: однофазная (220 Вольт) и трехфазная (380 Вольт). С этим, надеемся, все понятно.
Помимо этого, существует проводка двухжильная (без земли) и с заземлением (три жилы). Тут мы дополнительно рекомендуем ознакомиться со статьей о том, какие бывают виды заземления.
Ну и самое интересное, о чем мы хотели бы вам рассказать – какие существуют типы электропроводок по конструктивному исполнению, начиная от вводного щитка. Тут проводка может разделятся на такие варианты:
- Замкнутая кольцевая. Как видно из схемы ниже, замкнутая цепь снабжает неограниченное количество розеток в пределах одной квартиры либо дома. Важное требование к данному виду электрической проводки – площадь пола не должна быть выше 100 квадратных метров.
- Радиальная. В этом случае к каждому отдельном электроприбору и группе розеток ведется отдельный кабель, цепь обратно к щиту не возвращается, что более целесообразно и безопасно.
- Шлейфовая. Прокладка кабеля осуществляется к одной электрической точки, от которой в дальнейшем питание передается к соседней, до тех пор, пока вся группа не станет единым целым.
- Дозовая коробка. От щитка идет кабель на каждую дозовую коробку, размещенную между потолочными балками. В свою очередь от этих коробок по одному проводу отходит на выключатель света и по одному непосредственно на патрон.
Вот такие виды электропроводок применялись (-ются) в промышленных и гражданских зданиях. Чтобы выбрать подходящий способ прокладки кабеля, нужно руководствоваться ПУЭ. Помимо этого выбор осуществляется в зависимости от условий окружающей среды, что не менее важно. К примеру, в чердачных помещениях нужно позаботиться о надежной защите кабеля от влаги, а в деревянном доме – от возгорания.
Напоследок рекомендуем просмотреть короткое, но полезное видео по теме, в котором рассматривается область применения, назначение и характеристики основных типов электрической проводки, применяемой в жилых помещениях:
Вот мы и рассмотрели существующие виды электропроводок и способы их прокладки в жилых домах. Как вы видите, каждый вариант исполнения имеет свои особенности и устройство. Надеемся, информация была для вас полезной!
Также читают:
Источник: https://samelectrik.ru/kakie-byvajut-vidy-jelektroprovodki.html
Правила проектирования электроразводки
Следует сразу сказать, что свод правил, норм и требований к проектированию электрической проводки в частном доме, квартире или на даче опубликован в специальных документах и ГОCТАХ. Но в большинстве случаев нет необходимости пользоваться такой литературой, особенно при самостоятельном составлении плана разводки проводов. Достаточно выполнять самые необходимые нормы, перечень которых представлен ниже.
- Все выключатели на принципиальной схеме должны запитываться от верхней линии проводов, а розетки от нижней. Розетки необходимо располагать не ниже 30 см от уровня пола, при этом к ним должен быть обеспечен свободный доступ. Выключатели должны быть расположены у входа в помещение, желательно в месте, где он не будет перекрыт открытой дверью или другими интерьерными элементами. Согласно нормам розетки запрещено монтировать в ванных комнатах и туалетах, без включения в принципиальную схему электроразводки специальных защитных устройств по току или понижающих трансформаторов.


- Все кабели о провода на принципиальной схеме необходимо разводить в горизонтальных и вертикальных направлениях, при этом угол поворота линий должен быть прямым в 90 градусов. Электропроводка не должна иметь никаких отводов по диагонали хотя такой монтаж позволяет экономить на материалах, но согласно нормам это недопустимо. На монтажной схеме скрытая проводка наносится с привязкой к стенам, полу и потолку, то есть указывается расстояние от нее до этих конструктивных элементов дома. План расположения скрытой проводки необходим при проведении различных ремонтных работ.
- Кабель или провода должны быть расположены на определенном расстоянии от конструктивных элементов дома и коммуникации. К примеру, для горизонтальных линий разводки это расстояние до потолка должно составлять более 15 см, от пола более 20 см, а между газовой трубой и кабелем оно должно быть не менее 40 см. Вертикальные линии проводки должны быть расположены не ближе 10 см от углов, дверных и оконных проемов. Между параллельно проложенными кабелями и проводами расстояние должно быть не менее 3 см и их необходимо укладывать в защитные короба или гофру, металлическую или пластиковую.


- Не допускается закладывать в план электроразводки использование проводов и кабелей из разных металлов. Если без этого не обойтись, то соединять проводники из разных металлов необходимо через специальную муфту, в противном случае они быстро окисляться и выйдут из строя. Для соединения линий или монтажа отвода от них, на принципиальной схеме электропроводки нужно обозначить места расположения специальных разветвляющих коробок, в которых осуществляется соединение проводников на специальных монтажных планках. Скрутку использовать не рекомендуется, так как это ненадежное соединение.
Внутренняя открытая проводка
Такой вид электропроводки редко используются в домах, квартирах. Однако она является основным видом электропроводки в деревянных пожароопасных домах, банях, гаражах и арендных офисах. В офисах и других арендуемых помещениях удобно перепланировать открытую проводку под свои нужды.
Открытую проводку популярно проводить в кабельных каналах, которые разводятся по различным точкам потребления электроэнергии. Единственный недостаток кабельных каналов — это видимость и подчеркивание неровности поверхностей, по которым они проложены. Открытую проводку проводят горизонтально или вертикально.


Открытая электропроводка в стиле ретро
При горизонтальной укладке электропроводки, отступают от потолка на 20 см. Если тянут две пары проводов, тогда выдерживают расстояние в 10 см. Если открытая электропроводка проводится в кабельных каналах, тогда размер канала выбирается в зависимости от сечения проводов и их числа.
Иногда вместо кабельных каналов используют пластиковые плинтусы, имеющие специальную полость для укладки электропроводки с крышкой. Для монтажа открытой проводки под старину используют фарфоровые изоляторы. Однако реализовать такую проводку под старину нелегко, так как найти необходимые изоляторы и специальный витой медный провод со специфической изоляцией нелегко, что отображается на не маленькой стоимости монтажа.
Схема электрической разводки в квартире


Проектирование электропроводки в квартире практически ничем не отличается от тех же работ, выполняемых для частного дома. Схема проводки в квартире разрабатывается с учетом одних и тех же норм и правил. Различие заключается лишь в том, что в большинстве современных квартир уже смонтирован электрощиток на площадке в подъезде. Он оснащен прибором учета электроэнергии и необходимыми модульными устройствами: первичным автоматом и автоматическими выключателями по фазам. Внутренняя электроразводка также присутствует, но в некоторых случая ее необходимо менять или выполнять монтаж с нуля.
В старых многоэтажных домах такие работы выполняются в случае несоответствия проводки современным требованиям, а в новых застройщики часто продают квартиры без внутренней сети, только с подводкой электроэнергии к электрощиту на площадке этажа. Вот во всех этих случаях и необходимо составлять принципиальную схему электрической разводки в квартире, для выполнения последующего монтажа. В верхней части стать даны рекомендации по разработке плана проводки в частном доме. Они полностью корректны и при проведении таких работ в квартире.
Кабель


Кабель — это несколько изолированных проводов в общей защитной изоляции. Количество проводов в кабеле может быть различным. Для бытовой электропроводки применяются двух-, трех- и четырехжильные кабели сечением от 2,5 до 4 мм.
Провода и кабели для бытовой электропроводки изготавливают из меди или алюминия. В старых домах, которым более 15 – 20 лет, раньше использовалась алюминиевая проводка. Современные дома оборудуются медными кабелями: при одинаковом сечении провода медные кабели способны выдерживать большую электрическую нагрузку. Кроме того, медные кабели более гибкие и меньше подвержены окислению.
Важно: старайтесь не допускать соединения медных и алюминиевых проводов. В месте такого контакта происходит химическая реакция окисления с выделением большого количества тепла. Возможно возгорание. Выполняйте проводку кабелями из одного материала.
Кабель NYM


Качественный немецкий кабель, состоящий из 1-5 жил. Применяется для прокладки осветительных и силовых сетей как внутри помещений, так и на открытом воздухе. Его отличительная черта – высокая степень безопасности. Этот кабель также отличается влаго- и термостойкостью, но не любит солнечный свет, поэтому от прямых лучей его необходимо защищать.
Кабель ВВГ


Кабель с прекрасными изоляционными характеристиками. Он состоит из одной жилы, благодаря чему его удобно прокладывать внутри стен. Чаще всего ВВГ используют, когда самостоятельно занимаются монтажом или заменой электропроводки в квартире. Срок эксплуатации такого кабеля – не менее 30 лет.
Схема электропроводки в дачном домике
Проектирование электропроводки в дачных домиках также подчинено общим правилам. Но так как эти объекты недвижимости не предназначены для постоянного проживания, разработка принципиальной схемы внутренней электроразводки имеет свои нюансы и заключены они в следующем.


- Дачные домики находятся, как правило, за городской чертой. Линии электропередач в такой местности имеют свои особенности. В основном они введены в эксплуатацию несколько десятилетий тому назад и не рассчитаны на современный уровень нагрузки. В результате этого случаются перебои в подачи электроэнергии, резкое повышение или понижение напряжения сети. Исключить негативные последствия от возникновения таких факторов можно включением в схему проводки стабилизаторов напряжения и надежных быстродействующих автоматических выключателей.
- Другая особенность дачных домов, которую нужно учитывать при разработке плана электропроводки, это временное проживание владельцев. В большинстве случаев дачи используются в летний период, а на зиму закрываются. В это время происходит сильное окисление проводов и контактов, что приводит к выходу из строя электропроводки. Поэтому в дачных домах рекомендуется проектировать открытую электропроводку, так как ее проще отремонтировать при появлении неисправностей.


Во всем остальном проект электрической разводки для дачи, ничем не отличается от такой же схемы для квартиры или частного дома, только он намного проще, за счет небольшого размера строения и малого количества бытовой техники.
Распределительные коробки


Для организации электрической сети дома или квартиры используются распределительные коробки, или, как их еще называют, разветкоробки. Они устанавливаются в местах соединения, или, если хотите, разветвления отдельных кабелей электропроводки. Такие коробки есть в каждой комнате. Обычно они располагаются под потолком. Существуют распределительные коробки двух типов: для скрытой и наружной установки.


Скрытые распределительные коробки утапливаются в специальные гнезда под потолком, в месте схождения нескольких кабельных каналов. В коробку приходит основной питающий кабель, а от него ответвляются кабели для питания розеток, кабель для выключателя, кабели для питания осветительных приборов: люстр, бра, секций спотов и т.д.. Открытые коробки крепятся прямо на стену в наиболее удобном для этого месте.
Требования к разметке
Разметку выполняют непосредственно на стенах и иных конструкциях помещений в соответствии со следующими требованиями:
- Трасса электропроводки должна проходить по верху стены на высоте не менее 2 (в случае возможности поражения током — 2,5 м) от пола, но не ближе, чем 200 мм к потолку.
- По потолку можно прокладывать лишь трассы к светильникам.
- Если высота помещения недостаточна, трассу можно прокладывать в стенах на высоте порядка 200 мм от пола или в трубах. Это требование не относится к проводам, идущим к розеткам или выключателям.
Более детальные правила разметки электропроводки прописаны в соответствующих СНИПах (с 2010 г. СП — Сводах Правил), последним из которых является СП 256.1325800.2016.




