Реле максимального тока — устройство, принцип действия, назначение

В любом жилом помещении или промышленном учреждении требуется устанавливать специальные защитные устройства, которые предохраняют от перенагрузок сети и коротких замыканий. Реле тока используется для контроля работы двигателя, трансформаторов и прочих электрических приборов.

Устройство реле тока

Для начала давайте разберем принцип реле тока и его устройство. На данный момент существуют электромагнитные, индукционные и электронные реле.

Мы будем разбирать устройство наиболее распространенных электромагнитных реле. Тем более, что они дают возможность наиболее наглядно понять их принцип работы.

Устройство электромагнитного реле тока

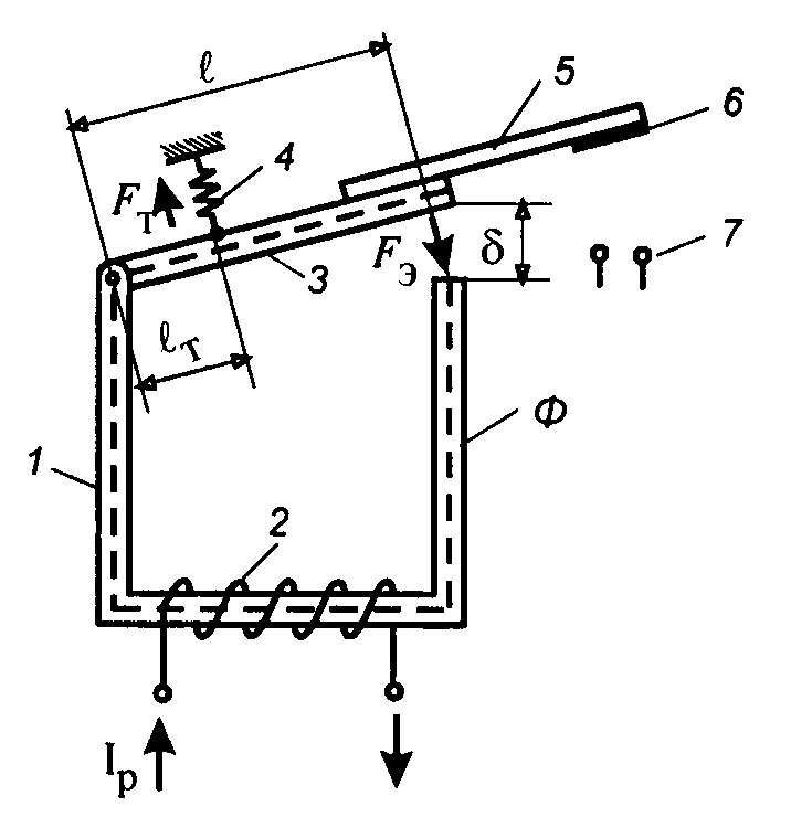
  • Начнем с основных элементов любого реле тока. Оно в обязательном порядке имеет магнитопровод. Причем, этот магнитопровод имеет участок с воздушным зазором. Таких зазоров может быть 1, 2 или более — в зависимости от конструкции магнитопровода. На нашем фото таких зазора два.
  • На неподвижной части магнитопровода имеется катушка. А подвижная часть магнитопровода закреплена пружиной, которая противодействует соединению двух частей магнитопровода.

Принцип действия электромагнитного токового реле

  • При появлении на катушке напряжения, в магнитопроводе наводится ЭДС. Благодаря этому, подвижная и неподвижная части магнитопровода становятся как два магнита, которые хотят соединиться. Не дает им это сделать пружина.
  • По мере увеличения тока в катушке, ЭДС будет нарастать. Соответственно, будет нарастать притяжение подвижного и неподвижного участка магнитопровода. При достижении определенного значения силы тока, ЭДС будет настолько велико, что преодолеет противодействие пружины.
  • Воздушный зазор между двумя участками магнитопровода начнет сокращаться. Но как говорит инструкция и логика, чем меньше воздушный зазор, тем больше становится сила притяжения, и тем с большей скоростью магнитопроводы соединяются. В результате, процесс коммутации занимает сотые доли секунды.

Существуют токовые реле разных типов исполнения

  • К подвижной части магнитопровода жестко прикреплены подвижные контакты. Они замыкаются с неподвижными контактами и сигнализируют, что сила тока на катушке реле достигла установленного значения.

Регулировка тока возврата токового реле

  • Для возврата в исходное положение, сила тока в реле должна уменьшиться как на видео. Насколько оно должно уменьшится, зависит от так называемого коэффициента возврата реле.

Оно зависит от конструкции, а также может настраиваться индивидуального для каждого реле за счет натяжения или ослабления пружины. Это вполне можно сделать своими руками.


Принцип работы РМТ

На примере работы реле РЭО-401 наглядно можно понять принцип работы.

Основные элементы конструкции токового реле РЭО-401

Катушка подключается концами в разрыв цепи, при протекании тока через обмотку наводится электромагнитное поле, которое при достижении установленного порога величины тока выталкивает стержень из трубки в центре катушки. Сердечник давит на стержень, который отодвигает замыкающую пластину, сжимая пружину, после чего цепь размыкается. При падении величины тока давление пружины на пластину ослабевает, и пластина снова замыкает разрыв в цепи.  статью ⇒ Реле напряжения.

Величина порога срабатывания в данном варианте регулируется глубиной погружения трубки с сердечником в цилиндрическое отверстие катушки. Трубка ввинчивается или выкручивается из катушки, таким образом, регулируется порог срабатывания. В некоторых конструкциях трубка свободно передвигается внутри катушки и фиксируется зажимным винтом.

На этом примере рассмотрен классический вариант, где хорошо просматривается принцип действия реле, существуют много моделей с другими конструкциями и дополнительными функциями. Основной принцип во всех вариантах один, при превышении установленного максимального порога тока, реле отключает цепь от источника питания.

Совет №1 Монтаж токового реле рекомендуется размещать в распределительном шкафу, это удобно и упрощает процесс при ремонте или замене.

Устройство этого реле тока защиты состоит из двух главных узлов:

  • Электромагнитная система.
  • Блок контакт.

Электромагнитная система включает в себя скобу сердечника с трубкой. На трубке размещена катушка, имеющая в качестве защиты изоляционный каркас. В трубке находится якорь, который может легко перемещаться вдоль трубки. Значение тока срабатывания зависит от расположения якоря.

Значение тока срабатывания регулируется с помощью изменения расположения скобы, которая после регулировки может фиксироваться специальным винтом. Когда реле сработает, то блок-контакты останутся разомкнутыми, пока не снизится ток до нормальной величины. Далее якорь переместится в нижнюю позицию, а контакты от воздействия пружины замкнутся. Проводники подключаются к реле на передней части корпуса.

Советы по выбору релеЧтобы сделать правильный выбор реле наибольшего тока необходимо руководствоваться:

  • Поставленной задачей.
  • Значением тока.
  • Напряжением питания.
  • Условиями эксплуатации.
  • Наличием механизма задержки срабатывания.
  • Наибольшим допустимым током.
  • Характеристиками и параметрами регулировки.

После приобретения реле, его необходимо настроить. Это делается легко, при помощи встроенных уставок, плавно изменяя их. Все аналогичные реле имеют компактные размеры. Это дает возможность без особых проблем установить их в шкафы релейной защиты или распределительные щиты.

Такие реле имеют надежную и простую конструкцию, унифицированы между собой, что позволяет производить их легкую замену. Для контроля параметров применяются встроенные светодиодные дисплеи.

:

Назначение и способы подключения токового реле

Реле тока и напряжения, являются основными элементами практически всех основных защит. Поэтому, давайте более детально разберемся с их сферой применения и схемой подключения.

Назначение токового реле

И в первую очередь, давайте разберемся, а зачем собственно говоря нужно это токовое реле? Для ответа на этот вопрос нам следует немного погрузиться в теорию. Но мы постараемся сделать это максимально поверхностно и доступно.

  • Любая электроустановка имеет два основных параметра своей работы — это ток и напряжение. Контролируя эти два параметра, можно оценить работоспособность оборудования и вероятные неисправности.
  • Реле тока, как несложно догадаться, контролирует ток. И если его уменьшение говорит лишь о снижении нагрузки, то его увеличение в большинстве случаев говорит о серьезных неисправностях. Дабы не рассматривать вопрос более детально, давайте возьмем в качестве примера электродвигатель.

Релейная схема защит электродвигателя

  • Электродвигатель имеет номинальный ток, например, 50А. Незначительное увеличение тока, допустим до 55А, сигнализирует о перегрузе. В этом случае, двигатель не должен отключаться немедленно, ведь перегруз может носить временный характер, и согласно ПУЭ, большинство электродвигателей допускается периодически перегружать.
  • Но длительный режим работы с повышенным номинальным током может сигнализировать о неисправности механической части или других проблемах. Поэтому, после нагрузки, через определенный промежуток времени, двигатель должен быть отключен.

Схема защиты от перегруза

  • Схема реле тока и реле времени позволяет обеспечить такую защиту. При увеличении тока выше номинального значения в 50А, срабатывает токовое реле. Своими контактами оно запускает в работу реле времени, которое отсчитывает допустимое время работы двигателя в перегаженном состоянии. Если за этот период времени токовое реле не отпало, то реле времени срабатывает и отключает электродвигатель.

Обратите внимание! Защита от перегруза должна быть отстроена от времени пуска двигателя. Как известно, при пуске пусковой ток может доходить до десятикратного номинального (обычно пяти- или шестикратное). Поэтому, для исключения ложного срабатывания защиты от перегруза, время срабатывания реле времени должно быть больше времени разворота двигателя.

Токовая отсечка

  • Теперь возьмем другую ситуацию. На нашем двигателе происходит короткое замыкание. Его необходимо отключить в максимально сжатые сроки. Короткое замыкание характеризуется резким возрастанием тока. В зависимости от вида короткого замыкания, эти токи могут превышать значения 10-кратного номинального значения.
  • Исходя из этого, нам нужно поставить реле тока, схема которого будет реагировать на такой ток, и сразу же отключать его. Такую защиту называют токовой отсечкой. Когда защита мгновенно отключает электрооборудование при достижении определенного значения тока.

Токовые реле с выдержкой времени

  • Но бывают короткие замыкания, которые имеют не такие большие токи. В этом случае, реле тока и схема его подключения несколько изменяется. Ее принцип действия похож на защиту от перегруза, только чем больше ток, тем быстрее она отключит наш электродвигатель. Достигается это за счет объединения в одном устройстве и реле времени и тока. Такая защита называется максимальной токовой.

Токовые защиты, встроенные в выключатель

  • Существуют так же защиты от однофазных замыканий на землю, защиты от токов обратной последовательности, дифференциальные защиты, дистанционные защиты и множество других релейных схем, которые используют реле тока.

Схемы подключения токовых реле

Разобрав устройство и назначение реле тока, можно перейти к вопросу их подключения. Существует два основных варианта – непосредственно или через трансформатор тока.

Давайте рассмотрим каждый из этих вариантов:

  • Непосредственно могут подключаться реле к электроустановкам напряжением до 1000В. Это связано с тем, что при большем напряжении размеры реле пришлось бы значительно увеличивать для обеспечения соответствующей изоляции и протекания больших токов. А из-за этого увеличилась бы и цена реле.

Непосредственное подключение токового реле

  • Потребители до 1000В обычно не самые ответственные, поэтому защита реализуется на одной или двух фазах. Но возможен вариант реализации защит и на всех трех фазах. Для этого просто последовательно с нагрузкой включается катушка токового реле на одной или нескольких фазах.

Токовое реле

  • Многие токовые реле содержат две катушки. Для них может применяться последовательное или параллельное соединение обмоток реле тока. Это необходимо для изменения пределов срабатывания реле.
  • В качестве примера, возьмем реле РТ 40. При параллельном подключении катушек, ток срабатывания варьирует в пределах 0,1 – 100А. При последовательном подключении обмоток, предел срабатывания можно регулировать в пределах 0,2 – 200А.

Обратите внимание! Если вам необходим предел срабатывания в 0,1 – 100А, то в принципе вы можете вовсе не подключать вторую обмотку.

Трансформатор тока 6 – 10кВ

Трансформатор тока 110кВ и выше

  • Значительно чаще, электрические схемы соединения реле тока предполагают использование трансформаторов тока. Эти устройства позволяют преобразовать любой ток до значений в 1 или 5 А.

Схема подключения реле тока через трансформатор тока

  • Такие потребители обычно относятся к ответственным, поэтому токовые защиты реализуются по каждой фазе. Принцип подключения прост. Катушка реле просто подключаются к выводам трансформатора тока.

Внимание! Но тут следует помнить, что трансформаторы тока и вся вторичная коммутация работают в режиме близком к короткому замыканию. Поэтому разкорачивание таких цепей чревато повреждением трансформатора тока, а также серьезными последствиями для человека. Поэтому прежде чем выполнять какие-либо переключения в токовых цепях их следует закоротить перемычкой. Или же производить переключения на электрооборудовании, выведенном в ремонт.

Применение

Применяют в случаях, когда одновременная работа всех потребителей приводит к перегрузке питающей сети (ввод электропитания рассчитан на меньшую мощность. чем мощность потребителей, введение лимитов потребления электроэнергии и т. п.). Потребители разбиваются на две группы: приоритетные, отключение которых от сети питания крайне нежелательно (компьютеры, теле- и видеоаппаратура, системы обработки данных и т. п.) и не приоритетные (электронагреватели, различного рода вспомогательное оборудование, электроплиты, электрочайник и т. п.). Ток срабатывания реле устанавливают таким образом, чтобы не допустить перегрузки питающей сети (отключения вводного автомата).

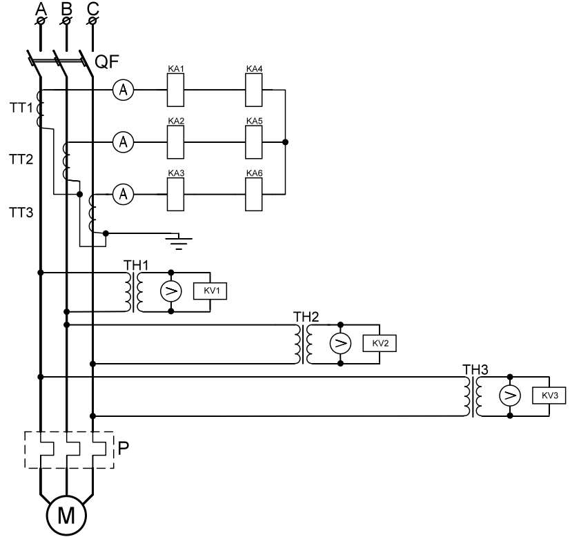
В устройствах релейной защиты наиболее широко распространены токовые реле, реагирующие на недопустимое увеличение тока в защищаемой цепи, и реле минимального напряжения, реагирующие на снижение ниже определенного значения или полное исчезновение напряжения. Токовые реле включаются последовательно, а реле напряжения — параллельно защищаемой цепи. Катушки токовых реле выполняются с малым количеством витков из провода большого сечения и поэтому имеют небольшое сопротивление, а катушки реле напряжения — с большим количеством витков из провода меньшего сечения, чем катушки токовых реле, и поэтому обладают большим сопротивлением.

Реле максимального тока срабатывает, когда проходящий через его катушку ток достигает заранее установленного значения, называемого током срабатывания. При уменьшении тока до определенной величины, называемой током возврата, подвижная система реле возвращается в исходное положение. Отношение тока возврата к току срабатывания называется коэффициентом возврата, который у большинства современных реле находится в пределах 0,8-0,9.

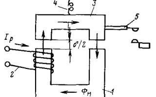
В реле максимального тока мгновенного действия по обмоткам катушек 6, расположенных на полюсах магнитопровода 7, протекает ток от трансформатора тока, включенного в рабочую цепь электроустановки или рабочий ток установки (если его величина не превышает допустимых для реле значений). Когда ток достигнет или превысит величину установленного тока срабатывания, стальной якорь 5 под влиянием магнитного потока, преодолевая противодействие пружины 2, повернется вместе с осью по часовой стрелке, и контактный мостик 3, укрепленный на оси, замкнет верхнюю пару 4 и разомкнет нижнюю пару неподвижных контактов. Возврат подвижной системы контактов реле в исходное положение при уменьшении тока в катушках происходит под действием пружины 2. Для плавной регулировки тока срабатывания служит рычаг 1, кроме того, величину этого тока можно изменять, переключая обмотки катушек. При последовательном соединении катушек каждая обтекается вдвое большим током, чем при параллельном, в результате этого ток срабатывания реле будет в два раза меньше.- Реле не имеет регулировки времени срабатывания

Конструкция и принцип работы

Реле постоянного тока состоит из следующих элементов:

  1. Электромагнита;
  2. Контактов;
  3. Якоря;
  4. Пружин;
  5. Отводы для соединения с сетью.

Когда регулятор включается в сеть, катушка начинает получать электрическую энергию. После этого якорь притягивается к металлическому сердечнику и происходит перелет контактов. Вместе с этим происходит замыкание контактов приборов, подключённых в цепь реле. При этом если электрический ток не подается (к примеру, при отсутствии электричества) или подается, но неравномерно (в сети наблюдаются скачки), то контакты присоединенных устройств оттягиваются вверх, после чего цепь размыкается.

Фото — чертеж

Действие может варьироваться в зависимости от конструкции и назначения прибора. К примеру, твердотельные реле (ТТР) типа KIPPRIBOR содержат в конструкции дополнительные силовые ключи на симисторах и тиристорах, что повышает их эффективность. Отдельно нужно отметить пропускную способность, ведь есть устройства, рассчитанные на малые токи и большие.

Фото — конструкция

Плюсы и минусы

Устройство имеет ряд преимуществ:

  • наличие выносливости к высоким импульсным напряжениям и помехам, которые образовываются в результате молний или при коммутации в высоковольтном электрооборудовании;
  • небольшой спад напряжения на замкнутых контактных соединениях, при этом не происходит их нагревание;
  • устойчивость к повышенным коммутационным нагрузкам;
  • отличная изоляция между катушкой и контактной группой;
  • небольшая стоимость прибора.

Одновременно с этим можно перечислить недостатки реле:

  • небольшая производительность;
  • лимитированный ресурс электромеханических характеристик;
  • при производстве запирания и разъединение контактов образуются помехи;
  • в сети постоянного тока возможны сбои при коммутировании потребителей, имеющих высокое напряжение.

По способу исполнения токовые реле разделяют

  • индукционные (РТ-80, РТ-90);
  • электромагнитные (РТ-40, РТ-140);
  • дифференциальные (РНТ-565, РБМ-170);
  • полупроводниковые, выполненные на современной микропроцессорной базе (РСТ-11, РСТ-13);
  • действующие по принципу фильтра – реле тока обратной последовательности.

Обзор цен

Купить любое реле для контроля тока можно в специальных электромагазинах. Цена зависит от марки и области использования определенной модели:

Выбор и подключение

При выборе определённой модели реле специалист руководствуется рядом факторов. Важно обращать внимание даже на малейшие детали. Необходимо учитывать токовую нагрузку. Современные устройства могут крепиться к плоским поверхностям или же устанавливаться на рейках в распределительном шкафу.

Некоторые модели имеют довольно маленькие габариты. Желательно отдавать предпочтение аппаратам, где можно легко регулировать диапазон пороговых значений. Удобно, когда при срабатывании возникает звуковая и световая индикация. Для этого может быть светодиодный или жидкокристаллический дисплей. На выбор влияет также степень защищённости реле и климатические условия, где будет размещаться аппарат.

Инструкция по установке и подключению у каждого прибора своя. Монтаж реле вида ЕРР происходит следующим образом:

  1. Питание полностью отключается.
  2. Реле устанавливается на шине распределительного щита.
  3. Подсоединение к питанию проводится по правилам, которые указаны в техдокументации.
  4. Через сквозной канал для подключения реле проводится кабель измеряемой линии.
  5. Провод питания сигнализации подсоединяется по очереди к контактам устройства для контроля тока.

Завершающий этап предполагает установку пороговых токовых и временных параметров на шкале самого прибора.

При установке устройства неопытный мастер может допустить ошибку. Не следует забывать, что электромагнитные конструкции в высокогорье могут работать с перебоями. Это объясняется изменениями в атмосферном давлении. Поэтому перед установкой прибора необходимо внимательно изучить его описание. Обычно в инструкции указывается, что его можно применять при максимальной высоте в 2 тыс. м над уровнем море. Специалисты должны учитывать этот факт в работе с авиационной техникой.

Характеристика видов

Реле тока можно разделить на первичные и вторичные. Первый тип чаще встречается в конструкциях выключателей. Применяется в электрической сети, напряжение которой составляет не более 1 тыс. В.

Вторичные реле срабатывают при помощи трансформатора тока, который подключается к кабелю питания. Трансформатор снижает ток до того значения, которое подходит для нормального функционирования прибора. Вторичный тип реле можно разделить на следующие подвиды:

  • индукционный;
  • электромагнитный;
  • дифференциальный;
  • устройство на интегральных микросхемах.

Принцип работы реле тока индукционного типа основывается на взаимодействии тока с переменным магнитным потоком. Аппараты такого типа можно разделить на реле с рамкой, диском и стаканом.

Электромагнитные реле могут быть нейтральными. Они одинаково реагируют на постоянный ток, который проходит по обмотке. По направлению движения якоря такие реле делятся на угловые устройства с перемещением якоря и с якорем, что втягивается. Электромагнитный аппарат состоит из следующих элементов:

  • контакты;
  • сердечник;
  • якорь;
  • штифт;
  • ярмо.

Чтобы удерживать якорь на большом расстоянии от сердечника, используются специальные пружины. Как только на обмотку поступает сигнал — формируется магнитная сила, и якорь прижимается к сердечнику. Это приводит к тому, что одни контакты замыкаются, а другие размыкаются.

Второй тип электромагнитных устройств — поляризованные приборы. Их главное отличие — присутствие двух обмоток и сердечников, а также постоянная контактная тяга.

Прибор электромагнитного типа имеют следующие преимущества:

  • доступная цена;
  • отсутствие необходимости охлаждения;
  • небольшое выделение теплоты;
  • невосприимчивость к помехам, которые могут возникать вследствие удара молнии.

Такие модели имеют свои недостатки. К их числу можно отнести небольшую скорость функционирования и формирование радиопомех во время работы силовых контактов.

Дифференциальные модели сравнивают занижение до потребителя и после него. В качестве потребителя может быть силовой трансформатор. Если он функционирует в нормальном режиме, то ток в нём всегда практически одинаковый. Однако при коротком замыкании баланс нарушается. Тогда прибор полностью замыкает контакты.

Устройства дифференциального типа чаще всего используются в бытовой технике. Они позволяют предотвратить утечку тока из проводов или прибора. Чаще всего таким образом защищается следующая бытовая техника:

  • светильники;
  • оргтехника;
  • бойлеры.

Таким же образом происходит защита от поражения электрическим током, если человек коснётся корпуса прибора. Выбор конкретного типа защиты лучше оставить специалисту.

Ошибки, которые допускаются при монтаже и эксплуатации РМТ

  • В условиях высокогорья электромагнитные конструкции могут давать сбои в работе. Это связано с изменением атмосферного давления. Внимательно смотрите характеристики, обычно допускается эксплуатация до 2000м над уровнем моря. В авиационной технике этот фактор обязательно учитывается.
  • На конструкциях с большим количеством коммутационных контактов пластины расположены, очень близко друг к другу. Поэтому припайке обязательно надевайте изолирующий кембрик или термоусадочную трубку. Особенно если реле используется в условиях вибрации, это исключит возможного замыкания.

Пример качественной изоляции контактов на реле

Часто задаваемые вопросы

  1. Можно из герконовых переключателей сделать реле тока?

Можно, наматать на геркон несколько витков провода, это будет как обмотка катушки, при протекании тока, контакты геркона будут замыкаться. Но РМТ для размыкания контактов, еще придется столкнуться с трудностью расчета сечения провода и количества витков для установки нужного порога срабатывания. Герконовые контакты рассчитаны для низковольтных сетей с малыми токами. Надежнее поставить реле промышленного изготовления.

  1. Какое токовое реле лучше поставить для защиты насоса в колодце?

Это зависит от мощности потребляемой насосом и электропитания, для бытового с питанием от одной фазы с потребляемой мощностью до 3 кВт идеально подойдет МРТ- 101.

Ссылка на основную публикацию