Для обеспечения выдержки защит или построения логических электронных схем в их состав включаются элементы, обеспечивающие задержку срабатывания. В качестве такого элемента большинство современных электрических цепей использует реле времени.
Назначение
Реле времени предназначено для формирования нормируемых временных задержек при работе каких-либо устройств. Такие логические элементы позволяют выстраивать определенную последовательность в переключениях и срабатывании приборов. Благодаря отложенной подаче напряжения производится автоматическое управление выдаваемыми с реле времени сигналами.
Реле времени устанавливают в цепях защит в качестве промежуточного элемента для обеспечения селективности, построения ступеней, сценарных переходов и т.д.
Типы механизмов
Цель использования этих механизмов заключается в замыкании и размыкании проводника, по которому идёт электрический ток. Общей функцией является выполнение каких-либо действий через определённый временной промежуток. Благодаря современным модификациям приборов можно неплохо экономить на электричестве, поэтому их часто применяют в системах освещения не только общественных зданий, но и подъездов, частных домов и дворов. Типы устройств:
- моноблочные;
- модульные.
Моноблочные встраиваются в электроприборы. Они являются автономными устройствами, внутри которых есть собственный источник питания, а также необходимые входы подключения. У такого типа нет своего корпуса. Он устанавливается в основной прибор и является его элементом. Модульный аппарат дополняет электроприборы.
По способу работы встречаются следующие типы реле времени:
- механическое с часовым механизмом;
- механическое с анкерным механизмом;
- электронное;
- моторное.
Также существует изделия с пневматическим или электромагнитным замедлением. Наиболее широкое применение получили электронные реле времени. Они позволяют устанавливать таймер на несколько дней. При этом у них довольно компактные размеры и малое потребление электроэнергии.
Виды
По своему конструктивному исполнению реле времени подразделяют на:
Моноблок — полностью независимое устройство, с собственным корпусом, встроенным питанием и специальными гнездами для подключения какой-либо техники. Хорошо знакомы с этим типом реле те, кто занимается фотопечатью.
Встраиваемые— это упрощенный вариант моноблочных реле. У них нет собственного корпуса и питания, поскольку они нужны для того, чтобы создавать более сложные устройства. Они используются как дополнительные элементы и поэтому их помещают в один корпус с другими элементами изготовляемого прибора. Классический пример — таймер в стиральной машинке, микроволновой печи, духовке и пр.
Модульные (с управляющим контактом) — этот тип имеет стандартные размеры и устанавливается на DIN-рейку в распределительный щиток.
Помимо этого, реле времени также классифицируют в зависимости от принципа работы (как именно создается временной интервал):
- Реле времени с часовым механизмом. Этот вид был изготовлен первым и до сих пор считается одним из самых надежных, так как по своим свойствам не уступает пневматическим приборам. Их работа практически не зависит ни от мощности напряжения, ни от того как часто оно подается, ни от изменения температуры. В быту такой тип реле встречается в механических будильниках, кухонных таймерах, в некоторых стиральных машинах также встречается механическое реле программ.
- С электромагнитным замедлением. Используется в цепях, ориентированных на постоянное напряжение. Задержка осуществляется за счет создания вспомогательного магнитного потока, регулируемая изменением величины натяжения возвратной пружины. Регулируемое значение составляет до пяти секунд. Существенный минус этого типа реле в том, что задержка времени зависит от изменения температуры.
Электро реле
- Вакуумное (электромеханическое). Этот вид используется там, где требуется электрический или пневматический сигнал, контролирующий достижение уровня вакуума.
- Моторные. Включает в себя двигатель с редуктором и электрическим контактом. Способность задержки времени составляет от 10 секунд и до десятков часов.
- Реле с гидравлическим или с пневматическим замедлением. Временные интервалы здесь регулируются за счет увеличения или уменьшения подачи жидкости, воздуха в рабочий процесс. Из плюсов можно также выделить то, что замедление не зависит от величины напряжения, частоты питания и изменения температуры. Также регулировка задержки не составляет особого труда.
- Электронное реле. Самый широко используемый вид реле времени, постепенно вытесняющий механические аналоги. Достоинствами такого вида считаются его небольшие размеры, вес, высокая точность работы, надежность и широкий выбор программ функционирования.
Между собой электронные реле подразделяют исходя из технологии отсчета срабатывания времени:
- Цифровые— напряжение оказывается на блок питания, из-за чего запускается задающий генератор, который затем подает импульсы на счетчик. Последний, в свою очередь, высчитывает эти импульсы до тех пор, пока они не сравнятся с нужным числом импульсов, которое задано в системе. Затем, на контролирующий реле выходной усилитель, посылается сигнал и счетчик перестает подсчитывать импульсы. Как только с блока питания снимется напряжение, реле вернется в свое изначальное состояние. Такие РВ способны задерживать время на десятки часов при минимальной погрешности. Главный минус в высокой стоимости.
- Аналоговые — для задержки времени используется конденсатор, на который при замыкании контактов подается напряжение. Следит за этим напряжением специальное устройство, которое сравнивает его и ранее указанное. В случае их совпадения, устройство подает сигнал, чтобы реле переключилось. Максимальная выдержка здесь равна 10 секунд. Этот тип превосходит цифровое в том, что он не требует точного программирования и проще в использовании.
Принцип работы
Реле времени оснащено контактной группой. Именно с её помощью происходит включение и отключение. В качестве контроллера выступает катушка, являющаяся электромагнитом, или часовой механизм. В аналоговых и электронных аппаратах применяется кварцевый генератор. С его помощью образуются импульсы, которые и определяют течение времени. Функционируют приборы по такому принципу:
- На устройство подаётся сигнал.
- В приборе заранее программируется требуемое количество импульсов.
- По достижении необходимого показателя происходит какое-либо действие.
- Счётчик времени снова становится на ноль, после чего весь процесс повторяется.


Электронное (цифровое) реле времени заменило аналоговое механическое. Такие аппараты управляются с помощью якорей, которые меняют контакты с определённой задержкой. Работает прибор благодаря изменению показателей напряжения на конденсаторе. В конструкции есть специальный узел. Он функционирует на RC-цепи. Именно этот элемент задаёт время. В необходимый период на реле поступает команда. Устройство либо замыкает, либо размыкает контактные пары, которые включаются в цепь.
Современные аппараты дополняются микроконтроллером, с помощью которого человек может программировать прибор, не разбирая его. Такому типу не нужна какая-либо специализированная настройка. Он начинает функционировать сразу же после подключения к электросети. На этих реле можно устанавливать задержку от 1 секунды до нескольких недель. В конструкцию входят:
- магнитный провод;
- специальная немагнитная прокладка (она обязательно должна присутствовать для корректной работы);
- якорь.


Чтобы замедлить переключение, часто применяют короткозамкнутую обмотку. Когда к ней подаётся электрический ток, появляется магнитное поле, благодаря которому создаётся препятствие для увеличения магнитной силы. Это значительно сокращает время срабатывания якоря. Пневматические приборы функционируют благодаря демпферу. Задержка контролируется с помощью воздушного отверстия, сечение которого можно изменять.
Реле серии реле времени 100 (РВ ххх х4), использующееся в качестве вспомогательных компонентов в схемах защиты для обеспечения контролируемой задержки времени, расшифровывается следующим образом:
- Р – реле.
- В – времени.
-
Х— цифра, указывающая на род тока;
— работает на постоянном токе;
— на переменном токе. - Х— число, указывающее на предельное время срабатывания, может быть 1, 2, 3 и 4, которые обозначают 1,3с, 3,5с, 9с и 20с соответственно.
- Х – условный номер конструктивного исполнения.
- Х4 – буква или буквы, указывающие на климатическое исполнение и цифра, обозначающая категорию размещения.
Расшифровка РВП– 72- хххх – 00 – х4):
- РВП – пневматическое реле времени.
- 72 – номер разработки.
- Х — габариты реле.
- Х – цифра, обозначающая род, вид, количество контактов:
— реле с выдержкой времени имеет по одному замыкающему и размыкающему контакту;
— имеют по одному замыкающему и размыкающему контакту, могут быть с задержкой времени и без неё;
— имеет по 2 контакт (размыкающие и замыкающие), срабатывает с выдержкой времени. - Х- род тока.
- Х – цифра, указывающая на вид управляющей команды:
— контролируются подачей напряжения питания (одноэлементные РВ);
— снятием напряжения питания (одноэлементные РВ);
— подачей, а также снятием напряжения питания (двухэлементные РВ). - 00 – уровень защиты согласно IP00.
- Х4 – климатическое исполнение с категорией размещения.
РВП -72-3122 – это одноэлементные реле с пневматическим замедлением, начинающие отсчёт замедления времени после снятия напряжения питания, работают на переменном токе.
Преимущества любых РВ
Главным преимуществом реле является то, что потребители достигают с их помощью поставленные цели, касающиеся экономии. Так как, забыв отключить какой-либо электроприбор или свет, они не будут работать без надобности, пожирая недешевое электричество.
- Экономичность. Так как осуществляют автоматическое включение и выключение разных приборов в конкретно требующееся время, существенно экономя электроэнергию.
- Длительный срок автономной работы.
- Практичность в управлении.
Существует большое разнообразие устройств, замедляющих переключение, все они имеют свои достоинства и изъяны. Но, тем не менее, любой прибор реле можно считать удобным и практически универсальным устройством, с помощью которого организовывают автономную работу различного оборудования.
:
Как выбрать?
При выборе конкретной модели реле времени необходимо руководствоваться такими принципами относительно их параметров:
- Род и величина рабочего напряжения – различные модели могут, как подключаться к бытовой сети в 220 В переменного тока, так и работать от пониженных управленческих цепей на 12, 42, 127 В и т.д.
- Допустимый ток нагрузки – определяет пропускную способность контактов реле времени без их перегрева.
- Диапазон времени срабатывания контактов и чувствительность регулировки этого параметра – определяет скорость включения реле времени, возможность его изменения в каких-либо пределах и возможный шаг регулировки.
- Конструктивные особенности и принцип работы – если по местным условиям не допускается классическое переключение контактов по соображениям взрывоопасности, необходимо устанавливать бесконтактные модели.
- Влагозащищенность и температурный диапазон – определяет допустимые параметры окружающей среды, в которых может эксплуатироваться данное реле времени.
- Тип устройства (цикличные или промежуточные) – первый из них задает некую периодичность выдаваемого сигнала, а второй выступает в качестве промежуточного звена, обеспечивающего задержку времени в уже существующей цепи.
Примеры схем подключения
В зависимости от конкретной модели реле времени или поставленных задач, которое оно должно решать, схема подключения может коренным образом отличаться.


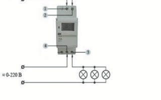
Посмотрите на рисунок 7, в данном примере приведен один из простейших вариантов управления осветительными приборами при помощи реле времени. Подача управляющего сигнала осуществляется на выводы 1 и 2, а к нагрузке от вывода 3 и нулевого провода. Клемма 4 получает питание от сети 220В. Данная схема широко используется для бытовых нужд и практически не применяется для промышленных целей, так как обеспечивает работу только с одним потребителем (прибором освещения, линией, сигнализацией и т.д.).


На рисунке 8 приведена схема включения реле времени, здесь способ питания аналогичен предыдущей схеме. Но на выходе устройства реализовано подключение двух независимых групп потребителей от контактов 3 и 5, которые могут иметь индивидуальную логику работы. Такой способ подключения предоставляет куда больший функционал, за счет чего он применяется в местах, где требуется управление сразу несколькими приборами.


Как видите на рисунке 9, при подключении мощного оборудования, для которого реле времени не может осуществлять его электроснабжение из-за недостаточной проводимости собственных цепей, применяется подключение логического элемента через силовой контактор. В данной схеме рабочим органом выступает контактор, управляющий сигнал на который подается с контактов реле времени. Основным преимуществом такой схемы подключения является возможность запитать потребитель любой мощности и принципа действия.
Реле времени c анкерным или часовым механизмом
Главным элементом этой конструкции является пружина, которая «взводиться» с помощью электромагнита. Контакты реле замыкаются после того, как часовой механизм отсчитает положенное время, которое можно выставить на специальной шкале.
Реле времени c применением двигателей
Позволяет производить задержку времени от 10 секунд до нескольких часов. Имеет в составе синхронный электродвигатель, редуктор и электромагнит, с помощью которого осуществляется сцепление первых двух элементов.


Советы по монтажу и настройке
- Перед тем как производить монтаж, заранее определитесь в какой сети вы будете работать (например, трехфазной или однофазной).
- Немаловажно также точно знать, какая нагрузка будет требовать включения или отключения.
- Уже после того, как вы будете точно знать, чего вы хотите, смело идите в магазин и покупайте соответствующий прибор.
- Перед тем как вы установите прибор и обесточите освещение, проверьте правильно ли работает устройство: подключите к нему шнур с вилкой и выставьте минимальное время для срабатывания. Напряжение на контактах выхода проверьте тестером.
- При установке к DIN-рейке плотно затягивайте болты, чтобы исключить нагревание прибора, его поломку или даже возникновение пожара.
- Помните, что максимальная влажность, при которой прибор способен работать исправно — не более 80%, и температура от 10-50 градусов.
Настройка
- Настройка таймера в приборе зависит от того, какой тип устройства перед нами. Если мы имеем дело с механическим реле, то его настройка состоит просто в переключении положений согласно надписи.
- В электронном же, есть меню, через которое и осуществляются все настройки. Как правило ее начинают с установки дня недели и текущего времени, и затем уже программируют само устройство.
- Если это электромеханическое реле, то настраивают его с помощью специальных измерительных приборов — потенциометров.
Схема подключения
Как правило, подключение реле исключает использование сложных схем. Главное, как было сказано, знать какая нагрузка будет требоваться.
Рассмотрим самую простую схему:
- Строго вертикально и достаточно плотно закрепите устройство на стене.
- Снимите крышку и заземлите реле.
- Подключите электрическую сеть к контактам (см. рисунок)
- Контакты 1 и 2 — предназначены для подачи напряжения в 220 Вольт.
- Обозначение 4 — используется для подачи фазы от электрического щита и способна коммутироваться с 3 и 5.
- 4 и 5 — нормально открытые, тогда как 3 и 4 — нормально замкнутые.
Электронные реле времени
Первоначально в таких реле использовались переходные процессы в разрядных RC или RL контурах. С появлением недорогих микроконтроллеров стало возможным необходимую задержку включения программировать.
Ещё одно интересное видео о реле времени: