Твердотельное реле (ТТР) – полупроводниковое устройство, применяемое для создания контакта между низковольтными и высоковольтными цепями, является современной альтернативой традиционным пускателям и контакторам. Применяется в бытовой технике, промавтоматике, автомобильной электронике. Эти устройства могут иметь разные конструкции и схемы подключения, рассчитанные на применение в определенной группе приборов. В отличие от электромеханических аналогов электронные коммутаторы не имеют трущихся частей, а их основными узлами являются: симисторы, тиристоры, транзисторы.
Принцип действия
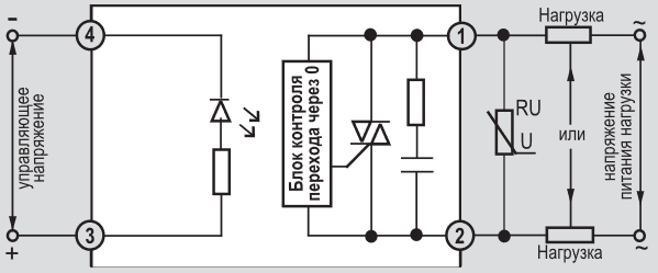
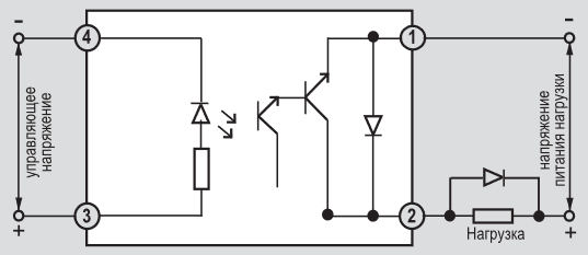
В твердотельных реле взаимодействие управляющего сигнала с управляемым происходит путем формирования гальванической развязки – как правило, с помощью оптрона. Управляющее напряжение подает питание на светодиод, а он, в свою очередь, освещает фотодиод, и с помощью тока последнего включается МОП или тиристор, управляющий нагрузкой. Тиристоры и симисторы используются в устройствах, применяемых при переменном токе, а транзисторы – в приборах с постоянным током. Также применяются и специализированные оптоэлектронные приборы – оптотиристоры и фототиристоры.
Структура ТТР включает:
- вход – первичная цепь, состоящая из резистора на постоянном изоляторе, имеющего последовательное подключение. Главной функцией входной цепи является принятие сигнала и передача его устройству реле, коммутирующему нагрузку;
- оптическая развязка – используется для изоляции входной и выходной сети переменного тока;
- триггерная цепь – отдельный элемент, обрабатывающий входной сигнал и переключающий выход;
- цепь переключателя – подает силу напряжения, включает в себя транзистор, симистор и кремниевый диод;
- цепь защиты – может быть внешней или внутренней, защищает устройство от сбоев или появления ошибок.
Для коммутации индуктивной нагрузки при помощи твердотельного реле необходимо увеличить запас тока не менее, чем в 6–8 раз.
Что такое твердотельное реле
Твердотельное реле (ТТР) или в буржуйском варианте Solid State Relay (SSR) – это особый вид реле, которые выполняют те же самые функции, что и электромагнитное реле, но имеет другую начинку, состоящую из полупроводниковых радиоэлементов, которые имеют своем составе силовые ключи на тиристорах, симисторах или мощных транзисторах.
Твердотельное реле — принцип работы
Твердотельное реле — это устройство, обеспечивающее контакт между низковольтными и высоковольтными электрическими цепями.
Рассматривая структуру данного прибора, большинство моделей схожи между собой, имеют незначительные отличия, которые никак не влияют на принцип их работы.
Структура твердотельного реле включает наличие:
- входа,
- оптической развязки,
- триггерной цепи,
- цепи переключателя,
- цепи защиты.
Входом является первичная цепь, которая характеризуется наличием резистора на постоянном изоляторе, который имеет последовательное подключение. Основная функция цепи входа состоит в принятии сигнала и передаче команды устройству твердотельного реле, которое коммутирует нагрузку.
В качестве изоляции входной и выходной сети с переменным током используется устройство оптической развязки. От типа данного компонента, зависит вид реле и его принцип работы.
Для обработки входного сигнала и переключения выхода используется конструкция триггерной цепи. Она выступает, как отдельный элемент, а в некоторых моделях входит в состав оптической развязки.
Чтобы подать силу напряжения на нагрузку используется цепь переключающего типа, которая включает транзистор, кремниевый диод и симистор.
Чтобы защитить твердотельное реле от сбоев в работе или возникновения ошибок, используется отдельная защитная цепь. Это устройство бывает двух видов: внутреннего и внешнего.
Твердотельное реле схема состоит из:
- системы контроля,
- устройства твердотельного реле,
- двигателя, насоса, сварочного аппарата, трансформатора или нагревателя.
Чтобы коммутировать индуктивную нагрузку с помощью твердотельного реле следует увеличить запас тока в 6-8 раз.
Принцип работы твердотельного реле состоит в замыкании или размыкании контактов, которые передают напряжение непосредственно на реле. Чтобы привести в действие контакты необходимо наличие активатора. Его роль в твердотельном реле выполняет полупроводник или твердотельный прибор. В устройствах которые работают при переменном токе это тиристор или симистор, а для приборов с постоянным током — транзистор.
Прибор, который характеризуется наличием ключевого транзистора, является твердотельным реле. Это, например, датчик движения или света, который с помощью транзистора осуществляет передачу напряжения.
Между напряжением в катушке и силовых контактах появляется действие гальванической развязки, которое исчезает в следствие наличия оптической цепи.
Принцип работы и устройство
Твердотельные реле позволяют объединить высоковольтные и низковольтные цепи.
Большинство устройств твердотельных реле имеет общую концепцию с различными дополнениями и изменениями, не влияющими на принцип работы.
Что такое твердотельное реле? Это устройство, состоящее из следующих элементов:
- входного узла;
- системы оптической развязки;
- триггерной цепи;
- переключателя;
- защиты.
В качестве входа используется первичная цепь с резистором. Подключение последовательное. Задача цепи входа — принять сигнал и предать команду коммутатору.
Изоляцией входной и выходной цепи служит устройство оптической развязки. Его тип обусловливает принцип работы и вид реле.
Триггерная цепь обрабатывает входной сигнал и переключает выход. В зависимости от модели контактора, она может быть частью оптической развязки либо самостоятельным элементом.
Для подачи напряжения применяется цепь переключателя. В данной операции задействуют симистор, кремниевый диод и транзистор.
Защитная цепь необходима для предотвращения появления ошибок и прочих сбоев в работе. Она бывает внешнего или внутреннего вида.
Принцип работы твердотельного реле состоит в замыкании и размыкании коммутируемых контактов, передающих напряжение на устройство. Чтобы контакты начали работать, требуется активатор. Эту задачу выполняет твердотельный прибор. Устройства, работающие на постоянном токе, используют транзистор, на постоянном — симистор или тиристор.
Каждый прибор, имеющий ключевой транзистор, является твердотельным контактором. В качестве примера можно рассмотреть датчик света, осуществляющий передачу напряжения с помощью транзистора.
Оптическая цепь нейтрализует гальванический эффект, который образуется в результате напряжения между контактами и катушкой.
Структура
В схему твердотельного реле входят:
- Вход – первичная цепь, основные функции которой – прием и передача сигнала устройству, коммутирующему нагрузку.
- Триггерная цепь – может быть отдельным элементом или входить в устройство оптической развязки твердотельного реле.
- Оптическая развязка – изолирует входную и выходную цепи переменного тока. Конструкция опторазвязки определяет тип электронного коммутатора и принцип его действия.
- Переключающая цепь – служит для передачи напряжения на нагрузку.
- Цепь защиты – может быть внутренней или наружной, предотвращает появление нештатных режимов и ошибок.
Входная цепь постоянного тока твердотельного реле
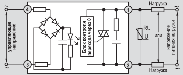
При использовании в качестве сигнала активации механических контактов, переключателей, кнопок, других контактов реле и т.д., используемое напряжение питания может быть равно минимальному значению входного напряжения SSR, тогда как при использовании твердотельных устройств, таких как транзисторы, вентили и микро-контроллеры, минимальное напряжение питания должно быть на один или два вольт выше напряжения включения SSR для учета внутреннего падения напряжения коммутационных аппаратов.
Но помимо использования напряжения постоянного тока, либо ослабления, либо источника, для переключения твердотельного реле в проводящее состояние, мы также можем использовать синусоидальную форму волны, добавив мостовой выпрямитель для двухполупериодного выпрямления и схему фильтра на вход постоянного тока.
Характеристики твердотельных реле
Эти полупроводниковые устройства имеют комплекс преимуществ, обеспечивающий популярность их применения в современной электронике и автоматике:
- малое энергопотребление – на 90% меньше, по сравнению с электромагнитными реле;
- компактные габариты, обеспечивающие удобную транспортировку и монтаж;
- конструкция, устойчивая к механическим воздействиям;
- высокое быстродействие, благодаря которому устройство выгодно отличается от электромеханических коммутаторов;
- бесшумность;
- длительный рабочий период, отсутствие потребности в проведении периодического техобслуживания;
- включение цепи без электромагнитных помех;
- обеспечение надежной изоляции между входными и коммутационными цепями;
- совместимость с большинством компонентов логических интегральных схем без использования усилителей сигнала, буферов, драйверов.
Основными недостатками этого прибора являются: высокая цена, необходимость использования радиаторов охлаждения и дорогостоящих предохранителей, вероятность появления оттоков «утечки» в отключенном состоянии.
Виды ТТР
Данные устройства представлены множеством видов. Они отличаются способом коммутации и контроля напряжения:
- Твердотельные реле постоянного тока применяются для подключения к сети с постоянным электричеством. Диапазон напряжения может варьироваться в пределах от 3 до 32-х Вт. ТТР отличается высокой надежностью и может иметь светодиодную индикацию. Работает при температуре окружающей среды от -30°С до +70°С.
- Контактор переменного тока не производит шума, отличается быстродействием и низким потреблением энергии. Диапазон напряжения — 90-250 Вт.
- ТТР с ручным управлением. В данном приборе можно самостоятельно установить тип работы.


Кроме того, существуют однофазные и трехфазные реле.
Первая релюшка может соединять цепи в диапазоне от 10 до 120 А или от 100 до 500 А. Коммутация осуществляется с помощью резистора и аналогового сигнала. Во втором случае коммутация проводится одновременно на 3 фазах с рабочим интервалом 10-120 А. Трехфазные контакторы бывают реверсивного типа. Их отличие заключается в бесконтактной коммуникации и специальной маркировке. Такие устройства имеют надежную защиту от ложных включений.
Трехфазный ТТР необходим для старта и корректной работы асинхронного двигателя. Чтобы безопасно эксплуатировать данное устройство, важно соблюдать запас мощности напряжения.
Во время работы твердотельного реле переменного тока может происходить перенапряжение. Чтобы защитить устройство, необходимо использовать предохранитель или варистор.
Благодаря коммутации через ноль, а также светодиодной индикации, трехфазный прибор имеет более длительный срок службы.
Помимо метода коммуникации устройства отличаются:
- слабостью индукции и нагрузкой емкостного типа;
- методом включения (случайный или мгновенный);
- наличием фазового управления.


Прибор имеет конструкционные отличия:
- универсальные — конструкция позволяет устанавливать реле на переходные планки;
- монтируемые на DIN-рейки.
Приобретать данный продукт стоит в специализированных магазинах, где специалисты смогут помочь с выбором необходимого типа и подскажут, как подключить прибор. Устройство может отличаться:
- способом крепления;
- материалом корпуса;
- дополнительными функциями;
- уровнем производительности;
- габаритами и прочими параметрами.
Важно! Устанавливаемое реле должно иметь запас мощности в несколько раз больше, чем используемое устройство. Несоблюдение этого условия может привести к мгновенному выходу из строя ТТР. Защитить прибор от перенапряжения можно, установив предохранитель.
Контактор быстро нагревается. Это приводит к существенной потере производительности. При нагреве выше 65°С устройство может сгореть. Использование прибора допускается только с охлаждающим радиатором. Запас тока должен быть выше в 3 раза. При работе с асинхронными моторами запас увеличивается в 10 раз.
Входная цепь переменного тока твердотельного реле
Мостовые выпрямители преобразуют синусоидальное напряжение в двухполупериодные выпрямленные импульсы с удвоенной входной частотой. Проблема здесь заключается в том, что эти импульсы напряжения начинаются и заканчиваются с нуля вольт, что означает, что они упадут ниже минимальных требований к напряжению при включении порога входа SSR, в результате чего выход будет «включаться» и «выключаться» в каждом полупериоде.
Чтобы преодолеть это беспорядочное срабатывание на выходе, мы можем сгладить выпрямленную рябь, используя сглаживающий конденсатор (C1) на выходе мостового выпрямителя. Эффект зарядки и разрядки конденсатора повысит постоянную составляющую выпрямленного сигнала выше максимального значения напряжения включения на входе твердотельных реле. Тогда, даже если используется постоянно изменяющаяся синусоидальная форма волны напряжения, входной сигнал SSR видит постоянное напряжение постоянного тока.
Значения резистора падения напряжения R 1 и сглаживающего конденсатора C 1выбираются в соответствии с напряжением питания, 120 В переменного тока или 240 В переменного тока, а также входным сопротивлением твердотельного реле. Но что-то около 40 кОм и 10 мкФ подойдет.
Затем с добавлением этой мостовой выпрямителя и сглаживающей конденсаторной цепи можно управлять стандартным твердотельным реле постоянного тока, используя источник переменного или неполяризованного постоянного тока. Конечно, производители уже производят и продают входные твердотельные реле переменного тока (обычно от 90 до 280 В переменного тока).
ТТР по типу переключения
С коммутацией перехода через ноль
Посмотрите внимательно на диаграмму


Такие ТТР на выходе коммутируют переменный ток. Как вы здесь можете заметить, когда мы подаем на вход такого реле постоянное напряжение, у нас коммутация на выходе происходит не сразу, а только тогда, когда переменный ток достигнет нуля. Выключение происходит подобным образом.
Для чего это делается? Для того, чтобы уменьшить влияние помех на нагрузках и уменьшить импульсный бросок тока, который может привести к выходу нагрузки из строя, если тем более нагрузкой будет являться схема на полупроводниковых радиоэлементах.
Схема подключения и внутреннее строение такого ТТР выглядит примерно вот так:




Мгновенного включения
Здесь все намного проще. Такое реле сразу начинает коммутировать нагрузку при появлении на нем управляющего напряжения. На диаграмме видно, что выходное напряжение появилось сразу, как только мы подали управляющее напряжение на вход. Когда мы уже снимаем управляющее напряжение, реле выключается также, как и ТТР с контролем перехода через ноль.


В чем минус данного ТТР? При подаче на вход управляющего напряжения, у нас на выходе могут возникнуть броски тока, а в следствии и электромагнитные помехи. Поэтому, данный тип реле не рекомендуется использовать в радиоэлектронных устройствах, где есть шины передачи данных, так как в этом случае помехи могут существенно помешать передаче информационных сигналов.
Внутреннее строение ТТР и схема подключения нагрузки выглядят примерно вот так:


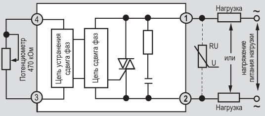
ТТР с фазовым управлением
Здесь все намного проще. Меняя значение сопротивления, мы тем самым меняем мощность на нагрузке.


Примерная схема подключения выглядит вот так:


Выход твердотельного реле
Возможности переключения выхода твердотельного реле могут быть как переменного, так и постоянного тока, аналогичными его требованиям к входному напряжению. Выходная цепь большинства стандартных твердотельных реле сконфигурирована для выполнения только одного типа переключающего действия, дающего эквивалент нормально разомкнутого однополюсного однополюсного (SPST-NO) режима работы электромеханического реле.
Для большинства твердотельных реле постоянного тока обычно используются твердотельные коммутационные устройства — силовые транзисторы, Дарлингтона и MOSFET, тогда как для твердотельного реле переменного тока, коммутационные устройства — это симисторные или двухсторонние тиристоры. Тиристоры предпочтительны из-за их высокого напряжения и тока. Один тиристор также может использоваться в схеме мостового выпрямителя, как показано на рисунке.
Наиболее распространенным применением твердотельных реле является переключение нагрузки переменного тока, будь то управление мощностью переменного тока для включения / выключения, затемнение света, управление скоростью двигателя или другие подобные приложения, где необходимо управление мощностью, эти нагрузки переменного тока может легко управляться с помощью постоянного тока низкого напряжения с помощью твердотельного реле, обеспечивающего длительный срок службы и высокие скорости переключения.
Одним из самых больших преимуществ твердотельных реле по сравнению с электромеханическим реле является его способность выключать «переменные» нагрузки переменного тока в точке нулевого тока нагрузки, тем самым полностью устраняя искрение, электрический шум и отскок контактов, связанные с обычными механическими реле и индуктивными нагрузками.
Это связано с тем, что твердотельные реле переключения переменного тока используют SCR и триак в качестве выходного переключающего устройства, которое продолжает проводить после удаления входного сигнала до тех пор, пока переменный ток, протекающий через устройство, не опустится ниже своего порогового значения или не сохранит значение тока. Тогда выход SSR никогда не сможет выключиться в середине пика синусоидальной волны.
Отключение при нулевом токе является основным преимуществом использования твердотельного реле, поскольку оно уменьшает электрические помехи и обратную эдс, связанные с переключением индуктивных нагрузок, которые видятся как искрение контактами электромеханического реле. Рассмотрим диаграмму формы выходного сигнала ниже типичного твердотельного реле переменного тока.
Фотографии
-


-


Миниатюрное твердотельное реле
-


Твердотельный замыкатель
Работа твердотельного реле
В гостях у нас ТТР фирмы FOTEK:
Давайте разберемся с его обозначениями. Вот небольшая табличка-подсказка для этих типов реле
Давайте еще раз взглянем на наше ТТР


SSR – это значит однофазное твердотельное реле.
40 – это на какую максимальную силу тока она рассчитана. Измеряется в Амперах и в данном случае составляет 40 Ампер.
D – тип управляющего сигнала. От значения Direct Current – что с буржуйского – постоянный ток. Управление ведется постоянным током от 3 и до 32 Вольт. Этого диапазона хватит самому заядлому разработчику радиоэлектронной аппаратуры. Для особо непонятливых даже написано Input, показан диапазон и фазировка напряжения. Как вы видите, на контакт №3 мы подаем “плюс”, а на №4 мы подаем “минус”.
А – тип коммутируемого напряжения. Alternative current – переменный ток. Цепляемся в этом случае к выводам №1 и №2. Можем коммутировать диапазон от 24 и до 380 Вольт переменного напряжения.
Для опыта нам понадобится лампа накаливания на 220 Вольт и простая вилка со шнуром. Соединяем лампу со шнуром только в одном месте:
В разрыв вставляем наше твердотельное реле
Втыкаем вилку в розетку и…
Нет… не хочет… Чего-то не хватает…
Не хватает управляющего напряжения! Выводим напряжение от Блока питания от 3 и до 32 Вольт постоянного напряжения. В данном случае я взял 5 Вольт. Подаю на управляющие контакты и…
О чудо! Лампочка загорелась! Это значит, что контакт №1 замкнулся с контактом №2. О срабатывании реле нам также говорит и светодиод на корпусе самого реле.
Интересно, какую силу тока потребляют управляющие контакты реле? Итак, имеем на блоке 5 Вольт.
А сила тока получилась 11,7 миллиампер! Можно управлять хоть микроконтроллером!
Выбор и покупка твердотельного реле
Чтобы купить твердотельное реле, следует обратиться в специализированный магазин электроники, в котором опытные специалисты помогут подобрать устройство, в соотношении с необходимой мощностью.
Твердотельное реле цена определяется такими характеристиками:
- тип устройства,
- наличие крепежных элементов,
- материал, из которого изготовлен корпус,
- мгновенное или постепенное включение,
- наличие дополнительных функций,
- производитель,
- мощность,
- потребление электроэнергии,
- габариты прибора.
Во время покупки твердотельного реле, следует учесть один очень важный момент. Данные устройства должны работать с запасом мощности, который превышает мощность устройства в несколько раз. Если не придерживаться этого правила, при небольшом повышении мощности, прибор мгновенно выйдет из строя.
Рекомендуется использование специальных предохранителей, которые помогут избежать поломки реле.
Есть несколько разновидностей предохранителей:
- g R — используются во широком диапазоне мощностей, отличаются быстрым действием;
- g S — используются во всем диапазоне тока, защищаю элементы полупроводников от повышенных нагрузок электросети;
- a R — защищают элементы полупроводникового типа от возникновения коротких замыканий.
Такие устройства имеют достаточно высокую стоимость, которая приравнивается к стоимости самого реле, но они обеспечивают высокоэффективную защиту устройства от поломки.
Существуют другие предохранители, которые относятся к классу В, С и D. Они отличаются меньшим спектром защиты и более дешевой стоимостью.
Во время эксплуатации твердотельного реле, следует учесть, что данный прибор очень быстро нагревается. Если корпус устройства очень сильно нагрелся, то оно не способно коммутировать ток в обычном режиме, количество тока очень сильно снижается. Если температура нагрева достигнет 65 градусов, то прибор сгорит.
Поэтому во время использования реле обязательно требуется установка охлаждающего радиатора. И запас тока должен быть в три, четыре раза выше. Если производится регулировка двигателей асинхронного типа, то запас тока увеличивается в восемь-десять раз.
Форма выходного сигнала твердотельного реле
При отсутствии входного сигнала ток нагрузки не протекает через SSR, поскольку он фактически выключен (разомкнут), а выходные клеммы видят полное напряжение питания переменного тока. При применении входного сигнала постоянного тока, независимо от того, какую часть синусоидального сигнала, положительного или отрицательного, проходит цикл, из-за характеристик переключения SSR при нулевом напряжении, выход включается только тогда, когда сигнал пересекает нулевую точку.
Когда напряжение питания увеличивается в положительном или отрицательном направлении, оно достигает минимального значения, необходимого для полного включения выходных тиристоров или симистора (обычно менее чем около 15 вольт). Падение напряжения на выходных клеммах SSR соответствует падению напряжения переключающего устройства V T (обычно менее 2 вольт). Таким образом, любые высокие пусковые токи, связанные с реактивными или ламповыми нагрузками, значительно снижаются.
Когда сигнал входного напряжения постоянного тока удаляется, выход не отключается внезапно, так как после срабатывания проводимости тиристор или триак, используемый в качестве переключающего устройства, остается включенным в течение оставшейся части полупериода, пока токи нагрузки не упадут ниже удерживающих устройств тока, в этот момент он выключается. Таким образом, высокая обратная ЭДС dv / dt, связанная с переключением индуктивных нагрузок в середине синусоиды, значительно снижается.
Тогда основными преимуществами твердотельного реле переменного тока над электромеханическим реле является его функция пересечения нуля, которая включает SSR, когда напряжение нагрузки переменного тока близко к нулю вольт, таким образом подавляя любые высокие пусковые токи, поскольку ток нагрузки всегда будет запускаться от точки, близкой к 0 В, и присущей нулевой характеристике отключения тока тиристора или симистора. Поэтому существует максимально возможная задержка выключения (между удалением входного сигнала и отключением тока нагрузки) в один полупериод.
Плюсы и минусы твердотельного реле
Плюсы
- включение и выключение цепей без электромагнитных помех
- высокое быстродействие
- отсутствие шума и дребезга контактов
- продолжительный период работы (свыше МИЛЛИАРДА срабатываний)
- возможность работы во взрывоопасной среде, так как нет дугового разряда
- низкое энергопотребление (на 95% (!) меньше, чем у обычных реле)
- надёжная изоляция между входными и коммутируемыми цепями
- компактная герметичная конструкция, стойкая к вибрации и ударным нагрузкам
- небольшие размеры и хорошая теплоотдача (если конечно использовать термопасту и хороший радиатор)
Минусы:
- дороговизна
Фазорегулирующее твердотельное реле
Хотя твердотельные реле могут выполнять прямое переключение нагрузки при пересечении нуля, они также могут выполнять гораздо более сложные функции с помощью цифровых логических схем, микропроцессоров и модулей памяти. Другое превосходное применение твердотельного реле — в устройствах с диммером ламп, будь то дома, для шоу или концерта.
Твердотельные реле с ненулевым включением (мгновенное включение) включаются сразу после подачи входного управляющего сигнала, в отличие от SSR пересечения нуля, который выше, и ожидает следующей точки пересечения нуля синусоидальной волны переменного тока. Это случайное переключение при пожаре используется в резистивных устройствах, таких как диммер ламп, и в устройствах, в которых нагрузка должна подаваться только в течение небольшой части цикла переменного тока.
Где купить твердотельное реле
Возможные схемы подключений
Схемы подключения твердотельных реле могут быть самые разнообразные. Каждая электрическая цепь строится, исходя из особенностей подключаемой нагрузки. В схему могут добавляться дополнительные предохранители, контроллеры и регулирующие устройства.


Благодаря тому, что цепи управления и нагрузки в приборе не перекрываются, их электрические характеристики могут отличаться любыми параметрами (+)
Далее будут представлены наиболее простые и распространенные схемы подключения ТТР:
- нормально-открытая;
- со связанным контуром;
- нормально-закрытая;
- трехфазная;
- реверсивная.
Нормально-открытая (разомкнутая) схема – реле, нагрузка в котором находится под напряжением при наличии управляющего сигнала. То есть подключенная техника оказывается в отключенном состоянии при обесточенных входах 3 и 4.


Перед покупкой реле необходимо определиться с требуемым типом его первоначального состояния (замкнутое или разомкнутое), чтобы обеспечить правильную работу подключенной техники (+)
Нормально-замкнутая схема – подразумевается реле, нагрузка в котором находится под напряжением при отсутствии управляющего сигнала. То есть подключенная техника оказывается в рабочем состоянии при обесточенных входах 3 и 4.
Существует схема подключения твердотельного реле, в которой управляющее и нагрузочное напряжение одинаково. Такой способ можно использовать одновременно для работы в сетях постоянного и переменного тока.
Трехфазные реле подключаются несколько по иным принципам. Контакты могут соединяться в вариантах «Звезда», «Треугольник» или «Звезда с нейтралью».


Выбор трехфазной схемы подключения реле во многом зависит от особенностей работы техники, подключенной к нему в качестве нагрузки
Реверсные твердотельные реле применяются в электродвигателях в соответствующем режиме. Они изготавливаются в трехфазном варианте и включают два контура управления.


Если для реле важно соблюдение полярности подключения контактов, то на маркировке всегда будет указано, куда подключать фазу и ноль
Собирать электрические цепи с ТТР необходимо только после их предварительной прорисовки на бумаге, потому что неверно подключенные устройства могут выйти из строя из-за короткого замыкания.
Форма сигнала с произвольным переключением
Хотя это позволяет контролировать фазу сигнала нагрузки, основная проблема случайного включения SSR заключается в том, что начальный скачок тока нагрузки в момент включения реле может быть высоким из-за переключающей мощности SSR, когда напряжение питания составляет близко к своему пиковому значению (90 o ). Когда входной сигнал удаляется, он перестает проводить, когда ток нагрузки падает ниже тока тиристоров или триаков, как показано на рисунке. Очевидно, что для твердотельного реле постоянного тока действие включения-выключения является мгновенным.
Твердотельное реле идеально подходит для широкого диапазона применений ВКЛ / ВЫКЛ переключения , поскольку они не имеют подвижных частей или контактов в отличие от электромеханического реле (ЭМР). Существует много различных коммерческих типов на выбор для входных сигналов управления переменного и постоянного тока, а также для переключения выходов переменного и постоянного тока, так как они используют полупроводниковые переключающие элементы, такие как тиристоры, триаки и транзисторы.
Но используя комбинацию хорошего оптоизолятора и симистора, мы можем сделать наше собственное недорогое и простое твердотельное реле для управления нагрузкой переменного тока, такой как нагреватель, лампа или соленоид. Поскольку для работы оптоизолятора требуется только небольшое количество входной / управляющей мощности, управляющий сигнал может поступать от PIC, Arduino, Raspberry PI или любого другого такого микроконтроллера.
Схема реле переменного тока
Этот тип конфигурации оптопары формирует основу очень простого применения твердотельного реле, которое может использоваться для управления любой нагрузкой от сети переменного тока, такой как лампы и двигатели. Здесь мы использовали MOC 3020, который является изолятором со случайным переключением. Опто-триачный изолятор MOC 3041 имеет те же характеристики, но со встроенным обнаружением пересечения нуля, позволяющим нагрузке получать полную мощность без больших пусковых токов при переключении индуктивных нагрузок.
Диод D 1 предотвращает повреждение из-за обратного подключения входного напряжения, в то время как резистор 56 Ом (R 3 ) шунтирует любые токи di / dt при отключенном симисторе, устраняя ложные срабатывания. Он также связывает терминал затвора с MT1, обеспечивая полное отключение симистора.
Если используется входной сигнал ШИМ с широтно-импульсной модуляцией, частота переключения ВКЛ / ВЫКЛ должна быть установлена не более 10 Гц для нагрузки переменного тока, иначе выходное переключение этой полупроводниковой релейной цепи может не выдержать.