

Устройство защитное многофункциональное контролирует изменение в электросети. При обнаружении показаний, отклоняющихся от нормы, оно способно отключить электроприборы.
Назначение и сферы применения изделия
УЗМ-3-63 обеспечивает контроль частоты трехфазной электросети, защищает оборудование от повышения или понижения поступающего напряжения, импульсных сетевых помех, нарушения порядка чередования фаз или исчезновения (обрыва) одной из них. Каждое из перечисленных нарушений способно привести к выходу электроприборов из строя или существенно повлиять на качество их работы. Устройство защиты может нейтрализовать негативное действие, либо произвести защитное отключение.
Например, импульсные скачки напряжения, возникающие при включении/отключении мощных потребителей (электродвигатели, сварочные аппараты, прочее), пагубно влияют на электронику другой техники, подключенной к той же сети. Подобные помехи могут возникать при перепадах на трансформаторных подстанциях. Все фазы УЗМ-3-63 имеют полупроводниковую варисторную защиту, способную сохранить потребитель и его работоспособность при импульсных перенапряжениях с токовой амплитудой до 6,5 кА.
Максимальное значение силы тока на каждой фазе, при котором сохраняется способность реле коммутировать контакты, составляет 63А, что является высоким показателем и позволяет использовать устройство без использования в цепи магнитного пускателя. УЗМ-3-63 может применяться, как на производственных объектах, так и в административных зданиях или быту, для подключения потребителей трехфазного тока.
Устройство не осуществляет защиту от разрушительного действия КЗ, а также не реагирует на утечки тока, поэтому применение в электрической цепи таких защитных средств, как АВ и УЗО, является обязательным.
Что такое УЗМ и зачем он нужно
УЗМ — это аббревиатура от названия «Устройство Защиты Многофункциональное». Это небольшое по размерам устройство (35 мм в ширину) крепится на DIN-рейку. Любое УЗМ может быть установлено в сети любого типа — ТТ, TN-C, TN-S, TN-C-S. Выполняет несколько задач (оно же многофункциональное):
- Отключает электропитание при снижении или превышении напряжения. Оба варианта — слишком низкое и слишком высокое напряжение — могут стать причиной выхода из строя бытовой техники. При восстановлении параметров сети питание автоматически восстанавливается.
- Сглаживает импульсные (кратковременные) скачки напряжения, которые возникают при включении/выключении некоторых типов оборудования (того же двигателя в холодильнике или морозильной камере).
- Модели УЗМ-50МД и УЗМ-51МД отслеживают появление искрения в проводке и отключают в этом случае питание.


УЗМ состоит из трех частей
То есть, установка УЗМ продлевает срок безаварийной эксплуатации электропроводки и подключенных к ней устройств. Также некоторые модификации — с приставкой «Д» — берегут дом/имущество от пожара. Зная состояние сетей в нашей стране, однозначно можно сказать — реле защиты от перенапряжения стоит использовать. И в доме, и в квартире. Это устройство не нужно, если на входе установлен стабилизатор, сглаживающий все неприятные моменты. Но цена на эти устройства далеко не всем позволяет их использовать, а УЗМ стоят порядка 2-3 тыс. руб. Замена не совсем равноценная, но действенная. Использовать можно не только УЗМ — устройства с похожими функциями есть и у других производителей. Называться они могут иначе, но задачи выполняют те же (или почти). Так что выбор есть.


Функции УЗМ и альтернативных устройств
Устройства с названием «УЗМ» различных модификаций выпускает Питерский завод «Меандр». Над конструкцией идет постоянная работа, появляются новые модели с новыми характеристиками или возможностями. Но подкупает не только это, а то, что на удивление неплохо налажено сервисное обслуживание. Во время действия гарантии без вопросов ремонтируют или меняют вышедшие из строя аппараты. Гарантия дается на 5 лет. Исчисляется с даты продажи. Если дату продажи отследить невозможно (потеряли паспорт), считают с даты производства (стоит на корпусе). Если ехать далеко, можно позвонить, вам все объяснят по телефону. В общем, неплохой сервис.
Конструктивные особенности
Внешне изделие представляет собой единый корпус с четырьмя клеммами ввода (N, L1, L2, L3) и вывода (N, U, V, W). На передней панели имеются регуляторы настройки напряжения срабатывания(U макс, U мин) и времени включения после срабатывания. Они имеют настроечную шкалу, по которой пользователь может выбрать интересующие его значения. Здесь же расположены светодиодные индикаторы: зеленые – сигнализируют о наличии фаз L1, L2, L3; красные – о превышении (U>) или понижении (U<) напряжения; желтый ( ) – о работе силового реле.
Внутри корпуса расположены следующие элементы:
- Основу защитного устройства составляет мощное трехфазное поляризованное реле, позволяющее производить замыкание/размыкание цепи при больших значениях тока
- Варисторы, установленные на каждую фазу, обеспечивают защиту от импульсных сетевых скачков за счет способности изменять свое сопротивление в зависимости от величины поступающего напряжения
- Блок контактов, приводимый в действие силовым реле.
Схематичное изображение этих деталей приведено на рисунке ниже.
Встроенные элементы конструкции устройства защиты УЗМ-3-63
Re: Трёхфазное устройство защиты от неполадок сети УЗМ-3-63
Установили в доме 3-х фазное УЗМ 3-63, пока не поставили электрическую духовку на которой есть электронные часы, не обращали внимания что каждую ночь происходит отключение реле. Сопоставили это с ежедневным сбиванием по утру электронных часов. Напряжение вроде бы в норме, делали даже по максимуму, но каждую ночь после 12 часов происходит отключение… В чем может быть дело?
p.s. Правда одна из фаз подключена к счетчику на столбе на 2 дома, один дом на одной фазе, другой на 3-х.
sergeyp
Сообщения : 1
Дата регистрации : 2015-08-03
Основные характеристики УЗМ
Параметры универсального устройства защиты сети от перенапряжения и импульсных токов
Модели УЗМ 50 М и 51 М отличаются тем, что подключать к ним можно проводники большего диаметра (до 35 мм²). Соответственно, они имеют больший номинальный ток нагрузки — до 63 А. Модификации с буквой «Д» — 50 МД и 51 МД — отличаются тем, что в них встроена защита от искрения. А серии УЗМ 51 отличается тем, что имеет ручную регулировку параметров отключения напряжения. При помощи ручного регулятора, который находится на лицевой панели, изменяются пределы отключения для высокого или пониженного напряжения.
УЗМ-50Ц и УЗМ-50МЦ (противопожарное) оснащены цифровым индикатором, который по умолчанию показывает напряжение и переключается на измерение тока и мощности. Конечно, можно использовать УЗМ-51МД, а в электрическом шкафу установить отдельный вольтамперметр ВАР-М01-08 АС20-450В УХЛ4 на дин-рейку. Но, если надо экономить место, лучше применить УЗМ-50МЦ. Есть и другие отличия — можно выбрать задержку срабатывания в широком диапазоне от 10 сек до 360 сек, встроенная энергонезависимая память, где сохраняется число отключений, минимальное и максимальное значение напряжения. И, как и в других моделях 50 серии, регулируемые значения порога отключения при повышении и понижении напряжения.
Re: Трёхфазное устройство защиты от неполадок сети УЗМ-3-63
Георгий Николаевич пишет:…По индикации: три лампочки фаз горят зеленым, три верхних вообще не горят…
Это не предусмотренный вариант индикации. Возможно, прибор вышел из строя. Высылайте — отремонтируем или заменим, заодно разберёмся.
На будущее: УЗМ-3-63 не предназначен для защиты дома, он предназначен для защиты трёхфазных нагрузок.
При аварии на одной фазе — весь дом будет без света. Надо ставить защиту на каждую фазу (например УЗМ-50М, УЗМ-51М, или другие).
Элек
Сообщения : 271
Дата регистрации : 2014-08-12
Откуда : Санкт Петербург
Неисправность Узм 3-63
Поясните, пожалуйста, что за неисправность.
Частный дом запитан от СИП, на столбе счетчик с двумя вводными АВ(до счетчика и после). В РЩ в доме на вводе установлен вводный АВ, далее УЗМ 3-63.
Пропало питание, как выяснилось отключились два вводных АВ на столбе (вводный АВ в РЩ в доме не отлючился). После включения АВ на столбах УЗМ 3-63 не подключило нагрузку.
По индикации: три лампочки фаз горят зеленым, три верхних вообще не горят. Срок эксплуатации УЗМ-3-63 менее года (6месяцев).
Мое предположение: отработал встроенный варистор в УЗМ 3-63, получаем КЗ на линии, отрабатывают вводные АВ.
Но все равно возникают вопросы:
1. Почему не отработал вводный АВ в РЩ дома.
2. Почему не подключается нагрузка при исправной сети.
3. Если встроенный варистор «погиб» нагрузка при исправной сети будет подключаться УЗМ 3-63
Где применяют


Помехи причиняют губительное влияние на микроэлектронику и другие электроприборы. Для того, чтобы привести прибор в действие не нужно дополнительных усилий, достаточно всего лишь переключить встроенное реле.
Устройство может использоваться как на производственных объектах, так и в бытовых электросетях для подсоединения потребителей трехфазного тока.
Re: Трёхфазное устройство защиты от неполадок сети УЗМ-3-63
Отпишусь про УЗМ-3-63. В целом устройсво неплохое за исключением некоторых но:
1. При обрыве нуля и равных линейных напряжениях горят индикаторы L1 L2 L3 и ничего не происходит. При монтаже одного из экземпляров долго не мог понять почему не включается реле, было бы неплохо ввести индикацию отгорания нуля.
2. При слабой сети и/или плохом нуле устройство превращается в релаксационный генератор, что в том случае когда в нагрузке присутствуют трехфазные двигатели а особенно компрессоры — непременно приведет к выходу из строя оных, возможно даже и к пожару. Было бы неплохо добавить в устройство ограничение подобных циклов например тремя, разблокировка только через снятие и подачу питания.
3. Отсутствует контроль выходного напряжения. С одним из узм произошло следующее — после кз на кабеле(УЗМ в этот момент было в нормальном состоянии, контакты замкнуты) выбило вводной автомат на 63А, а в самом узм спеклись контакты L1-U. После устранения замыкания и включения вводного АВ УЗМ отсчитало время задержки и включило оставшиеся две фазы как ни в чём не бывало. Что в свою очередь чревато сгоранием любого трехфазного асинхронного электродвигателя подключенного после УЗМ.
Надеюсь разработчики обратят внимание на информацию которую я предоставил и доработают устройство. Продукция Меандра мне очень нравится, да и вообще приятно поддерживать отечественного производителя.
С уважением, Михаил.
Zaebasto
Сообщения : 15
Дата регистрации : 2015-09-21
Основные эксплуатационные параметры
Для удобства ознакомления, технические характеристики защитного устройства приведены в таблице:
Существуют условия эксплуатации, соблюдение которых обеспечит выполнение устройством возложенных на него функций:
- недопустимо образование конденсата на изделии;
- исключение попадания на корпус брызг жидкостей;
- использование на высоте до 2 км над уровнем моря;
- состояние окружающего пространства неагрессивное и взрывобезопасное по газовому составу.
Хранение изделия в заводской упаковке допускается при температуре от -40 до +70°С, в течение 3 лет.
Важно знать, что УЗМ-3-63 не стоит применять при отсутствии трехфазного оборудования. В этом случае лучше поставить три отдельных устройства, например УЗМ-51М, что предотвратит обесточивание других потребителей при отсутствии напряжения на одной из фаз.
Пример использования трех однофазных УЗМ, установленных на каждую фазу
Re: Трёхфазное устройство защиты от неполадок сети УЗМ-3-63
Zaebasto пишет:1. При обрыве нуля и равных линейных напряжениях горят индикаторы L1 L2 L3 и ничего не происходит. При монтаже одного из экземпляров долго не мог понять почему не включается реле, было бы неплохо ввести индикацию отгорания нуля…
Приборов обнаруживающих физический обрыв нуля нет. Контроль обрыва нуля производится только косвенно, по перекосу фазных напряжений. При симметричной нагрузке перекоса нет. Всё ОК.
Zaebasto пишет:2. При слабой сети и/или плохом нуле устройство превращается в релаксационный генератор, что в том случае когда в нагрузке присутствуют трехфазные двигатели а особенно компрессоры — непременно приведет к выходу из строя оных, возможно даже и к пожару. Было бы неплохо добавить в устройство ограничение подобных циклов например тремя, разблокировка только через снятие и подачу питания…
Не знаю даже что сказать. Не сталкивались с таким явлением.
Zaebasto пишет:3. Отсутствует контроль выходного напряжения. С одним из узм произошло следующее — после кз на кабеле(УЗМ в этот момент было в нормальном состоянии, контакты замкнуты) выбило вводной автомат на 63А, а в самом узм спеклись контакты L1-U. После устранения замыкания и включения вводного АВ УЗМ отсчитало время задержки и включило оставшиеся две фазы как ни в чём не бывало. Что в свою очередь чревато сгоранием любого трехфазного асинхронного электродвигателя подключенного после УЗМ.
Подумаем, что можно сделать
Элек
Сообщения : 271
Дата регистрации : 2014-08-12
Откуда : Санкт Петербург
Re: Трёхфазное устройство защиты от неполадок сети УЗМ-3-63
Zaebasto пишет:
2. При слабой сети и/или плохом нуле устройство превращается в релаксационный генератор, что в том случае когда в нагрузке присутствуют трехфазные двигатели а особенно компрессоры — непременно приведет к выходу из строя оных, возможно даже и к пожару. Было бы неплохо добавить в устройство ограничение подобных циклов например тремя, разблокировка только через снятие и подачу питания.
Возможно получится смоделировать такую ситуацию если включить по входу в узм в разрыв одной из фаз лампу накаливания, а по выходу эту же фазу нагрузить такой же лампой. Я бы сам смоделировал, да сейчас под рукой нет трехфазной сети.
Zaebasto
Сообщения : 15
Дата регистрации : 2015-09-21
Zaebasto
Сообщения : 15
Дата регистрации : 2015-09-21
Распространенные ошибки при монтаже и эксплуатации устройства
- Ошибка 1. Установка изделия на выходе из трехфазного электросчетчика и последующее распределение бытового напряжения, преобразованного в 220 Вольт по разным объектам (1 фаза – жилой дом, 2 фаза – гараж, 3 фаза — хозяйственные постройки). В случае нарушения на одной из фаз, устройство обесточит все ответвления, оставив усадьбу без электричества. Правильно будет установить отдельную защиту на каждую фазу, тогда отключение произойдет только на участке с нарушением.
- Ошибка 2. Подключение нагрузки, превышающей номинальную мощность, предусмотренную техническими характеристиками устройства на каждую фазу (более 14,5 кВт). Это недопустимо, потому что может привести к сбоям в работе изделия или выходу его из строя.
- Ошибка 3. Отказ от использования УЗО и АВ, как средств защиты. Устройство УЗМ-3-63 обеспечивает защиту оборудования от сетевых неполадок и работает только в этом направлении. Все нарушения, происходящие в обратном направлении, то есть исходящие от потребителя, оно не может ни предупредить, ни предотвратить. Поэтому применение защиты от коротких замыканий и от утечек тока лучше не игнорировать.
В заключении стоит отметить, что использование устройств, таких как УЗМ-3-63 значительно облегчает эксплуатацию электрооборудования, делает ее более безопасной и защищенной от нежелательных и вредных последствий воздействия сетевых нарушений.
Re: Трёхфазное устройство защиты от неполадок сети УЗМ-3-63
Узм3-63 сразу после установки изредка непереодически отключает и тут же включает нагрузку. Может несколько раз подряд так сделать. На приборе ничего не индицируется. Как будто бы все в порядке. Во время всего этого видимых изменений с сетью не наблюдалось. Прибор включен штатно. Перегрузок и индуктивных нагрузок нет. Что это?
Bigvad62
Сообщения : 2
Дата регистрации : 2016-01-20
Re: Трёхфазное устройство защиты от неполадок сети УЗМ-3-63
Bigvad62 пишет:Узм3-63 сразу после установки изредка непереодически отключает и тут же включает нагрузку. Может несколько раз подряд так сделать. На приборе ничего не индицируется. Как будто бы все в порядке. Во время всего этого видимых изменений с сетью не наблюдалось. Прибор включен штатно. Перегрузок и индуктивных нагрузок нет. Что это?
Причины м.б. две:
1. Установлены очень узкие пороги срабатывания (Оптимально — мин-169В, макс-267В).
2. Дефект самого УЗМ-3-63 — присылайте.
Элек
Сообщения : 271
Дата регистрации : 2014-08-12
Откуда : Санкт Петербург
Zaebasto
Сообщения : 15
Дата регистрации : 2015-09-21
Re: Трёхфазное устройство защиты от неполадок сети УЗМ-3-63
Итак. Снова вернемся к УЗМ-3-63. Одно устройство у меня сразу спекло контакты при замыкании на кабеле после него. Второе было установлено и в прошлом году отработало от силы 3 месяца. На зиму устройство было обесточено отключением рубильника в ВРУ. Неделю назад я включил рубильник, УЗМ сразу же подало питание на нагрузку.Я не придал этому внимания. Потом устройство несколько раз без видимых причин вырубало нагрузку на несколько минут, затем обратно включалось и как выяснилось при этом горел светодиод U> а индикатор включения контактора был погашен. В эти моменты меня на объекте небыло. Сегодня сгорел электродвигатель на 3квт.Меня вызвали, по прибытии обнаружил отсутствие одной фазы с ктп, напряжение на этой фазе было 0 вольт, так как отгорел наконечник на СИПе в РУ-0,4кВ, остальные 2 фазы были в норме — 223 и 230 вольт. Нагрузка по фазам не превышала 25а в принципе, до узм стоял АВ С63, после УЗО 30мА и на каждой фазе по 3 АВ С25 С16,С10, и отдельный С10 на двигатель. На УЗМ при этом так же горел светодиод U> индикатор контактора погашен. Пока менял наконечник на КТП соответсвенно питание полностью снималось, при этом контактор в УЗМ остался во включенном состоянии. Заменил двигатель, демонтировал узм, и там же, на объекте произвел небольшой опыт. Видео прилагаю. Сорри за качество. Что скажете, Господа производители «защиты»? Заказал УЗОТЭ-2У от «Овен» для защиты двигателя, ибо менять его еще раз из за того что кто то зря получил зарплату на Вашем предприятии не хочется.
С уважением, Михаил.
Zaebasto
Сообщения : 15
Дата регистрации : 2015-09-21
Re: Трёхфазное устройство защиты от неполадок сети УЗМ-3-63
Пишу уважаемому коллеге на букву «Z». Есть в природе такая умная мысль — «Хочешь сделать хорошо-сделай сам». Кажись, придется разработать самому. На дядю надежды нет. У меня хоть выгореть ничего не успело… А посылать на переделку это УЗМ не стал. Не верю. Считаю, что оно криво спроектировано.
Bigvad62
Сообщения : 2
Дата регистрации : 2016-01-20
Re: Трёхфазное устройство защиты от неполадок сети УЗМ-3-63
Самому можно сделать. Но тут то готовое, «почти бесплатно» да еще вроде как и работать должно. Я одного не пойму у представителей Меанда отпуск? Или просто никто не хочет признавать свои косяки? Конечно потеря меня как клиента для их компании ничего не значит, но я разочарован, и мне не хочется покупать продукцию сделанную на скорую руку, для извлечения выгоды. Если раньше я при любой задаче связанной с автоматикой первым делом смотрел есть ли что нибудь для этого у Меандра — то теперь после того как никто не отреагировал на мои замечания касаемо УЗМ-3-63 еще аж в сентябре 2015 сайт Меандра будет открываться гораздо реже. Больше всего удручает политика — раз и такое покупают будем клепать дальше. Да и тот факт что по нашим законам предъявить Меандру что либо не представляется возможным видимо облегчает задачу по продаже бесполезной коробки. Одно дело когда сгорел двигатель на 3 кВт, он практически ничего не стоит сейчас. А если бы данная «защита» стояла на серьезном оборудовании наподобие установки кондиционирования воздуха я бы, честное слово, лично отвез поделку на завод, и просто взглянул в глаза тому человеку который её спроектировал.
Zaebasto
Сообщения : 15
Дата регистрации : 2015-09-21
Нужна ли дополнительная грозозащита
Купил УЗМ-3-63К, планировал поставить на защиту всего дома, по трем фазам.
После последних нескольких тем на форуме уже берут сомнения что это хорошая идея
Меандр отзовитесь, прокомментируйте как-то хотя бы.
banbook
Сообщения : 1
Дата регистрации : 2016-08-04
Re: Трёхфазное устройство защиты от неполадок сети УЗМ-3-63
тоже вопрос по этому устройству
что это такое
напряжение на входе и выходе в пределах 218-223 вольт
при включении вводного автомата загораются 3 зеленых индикатора и потом пониженное напряжение ,щелчков нет на выходе есть напряжение сразу
нагрузка лампа освещения на столбе и освещение в доме 

обнаружил еще интересную вещь внутри стоит это 

внутри начинка собрана на платке и на реле и в даташите к реле написано
CONTACT RATING 3/60
В инструкции к УЗМ написано про номинальный ток 63A -??????????
ЭТО КАК ???
Максим
Сообщения : 2
Дата регистрации : 2016-10-17
Re: Трёхфазное устройство защиты от неполадок сети УЗМ-3-63
Устройство УЗМ-3-63 определяет обрыв нейтрали (как и все реле контроля фаз) косвенно, по перекосу фазных напряжений относительно нулевого провода. Если на КТП или вводном шкафу оборвётся ноль, то независимо ни от чего у Вас будет перекос напряжений и УЗМ-3-63 отключит нагрузку.
Элек
Сообщения : 271
Дата регистрации : 2014-08-12
Откуда : Санкт Петербург
Re: Трёхфазное устройство защиты от неполадок сети УЗМ-3-63
Спасибо за оперативный ответ.
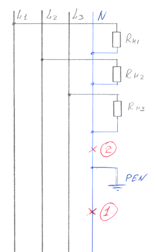
Поясню свой вопрос схемой: 

Если обрыв N в точке (1), то перекоса фаз не будет.
(подразумевается, что заземление качественное).
Обрыв N в тчке (2) маловероятен, т.к. земля с нейтралью соединяются на щитке, как правило, на общей клеммной колодке.
Мой вопрос: прав ли я, что при такой схеме заземления (это TN-C-S — рекомендуемая сегодня) обрыв нейтрали не страшен?
Если это так, то какой обрыв нейтрали обнаружили у себя люди, пишущие на этом форуме?
Они не сделали у себя в частном доме заземление?
Makarog
Сообщения : 4
Дата регистрации : 2016-11-25
Re: Трёхфазное устройство защиты от неполадок сети УЗМ-3-63
Обрыв нейтрали страшен всегда.
Если-бы так просто можно было-бы решить вопрос обрыва нуля, то многих проблем удалось-бы избежать. Но, к сожалению — ЕСЛИ-БЫ.
При обрыве нуля от КТП ваше заземление должно иметь сопротивление цепи N(КТП)-З(Ваша земля) того-же порядка, что и оборванный ноль. Но тогда он вообще не нужен был-бы.
И ещё, при обрыве нуля Ваше заземление будет выполнять функции нуля для всех потребителей в Вашей сети (ноль оторван от КТП). Вы уверены, что оно это выдержит?
Элек
Сообщения : 271
Дата регистрации : 2014-08-12
Откуда : Санкт Петербург
Re: Трёхфазное устройство защиты от неполадок сети УЗМ-3-63
Элек, спасибо еще раз!
Вы, конечно, правы.
Действительно, от дома до КТП у меня примерно 200М проводник СИП 95. Значит сопротивление N =~ 0.1 ОМ.
Заземление сделано из последовательно вбитых в землю омедненных стальных штырей по 1.5 м (набор продается по цене около 6 тыс. руб). Удалось вбить только 4.5 м вместо 6 м — наверное камень попался.
Сопротивление не измерял, хотя надо бы. Будем ориентироваться на нормы ПУЭ. Для 380 V сопротивление заземления не выше 2 ОМ. Т.е. в 20 раз выше, чем сопротивление нейтрали!
Однако, у потребителей в домашней сети сопротивление тоже не 0.1 ОМ. Например, лампа накаливания — около 50 ОМ.
С электронными приборами сложнее, но у них есть (должна быть) защита в блоке питания.
Т.е. я хочу сказать, что при наличии заземления сгорят не все бытовые приборы
Есть еще вопрос бОльшей опасности для человека. В случае если человек замыкает своим телом фазу на оборванный N — он попадает под 380V вместо 220V. Но сопростивление человека тысячи ОМ. Поэтому 2 ОМ заземления ему будут в помощь.
Вторая проблема — ноль для других потребителей.
Сейчас у меня на землю идет медный провод 50 кв.мм. что сопоставимо с СИП 95 нейтрали до КТП.
Я нисколько не призываю отказаться от вашего прибора защиты — жить с оборванной нейтралью все равно нельзя.
Заземление смягчит проблему, но не решит ее.
_____________________________________________________________
Простите за оффтопик.
Вопрос по существу: три УЗМ-51М (МД) — по одному на каждую фазу — спасут от обрыва нейтрали?
Ведь они должны отреагировать на повышение напряжения?
Makarog
Сообщения : 4
Дата регистрации : 2016-11-25
Re: Трёхфазное устройство защиты от неполадок сети УЗМ-3-63
УЗН в устройстве аварийного ввода резерва
УЗН стоят после счетчика и после генератора. Помогут ли эти устройства не «сжечь» генератор и, может быть еще что-то в
случае «залипания» контактов реле в схеме аварийного ввода резерва, когда произойдет соединение фаз линии и генератора?
Valentin630
Сообщения : 1
Дата регистрации : 2016-12-09
Re: Трёхфазное устройство защиты от неполадок сети УЗМ-3-63
Makarog пишет:Элек…В случае если человек замыкает своим телом фазу на оборванный N — он попадает под 380V вместо 220V. Но сопротивление человека тысячи ОМ. Поэтому 2 ОМ заземления ему будут в помощь….
Сопротивление человека для расчётов принимается 1кОм, т.е. берётся худший случай. А это уже очень опасно.
Makarog пишет:Элек…Вопрос по существу: три УЗМ-51М (МД) — по одному на каждую фазу — спасут от обрыва нейтрали?
Ведь они должны отреагировать на повышение напряжения?
Да, также как УЗМ-50М или УЗМ-51М.
Элек
Сообщения : 271
Дата регистрации : 2014-08-12
Откуда : Санкт Петербург
Makarog
Сообщения : 4
Дата регистрации : 2016-11-25
Права доступа к этому форуму:
Вы не можете отвечать на сообщения