УЗМ-51М — принцип работы, назначение и схема подключения

Состояние напряжения и его допустимые отклонения во многом определяют качество электроэнергии в данной сети. Перепады и скачки крайне отрицательно влияют на приборы, оборудование и бытовую технику, нередко вызывают их поломки и выход из строя. Предотвратить подобные негативные явления помогают устройства защиты многофункциональные – УЗМ, контролирующие состояние сети, выполняющие своевременное отключение питания в нештатных ситуациях.

Назначение и область применения

УЗМ-51М (устройство защитное многофункциональное) применяется для предохранения электрооборудования от скачков напряжения в однофазных электросетях любых помещений.

Данное устройство отключает источники потребления при увеличении или уменьшении питающего напряжения, а также гасит его импульсные высоковольтные скачки. Причины возникновения этих отклонений могут быть разные:

  • перегрузка трансформаторных подстанций;
  • включение мощных асинхронных двигателей и сварочных аппаратов;
  • короткое замыкание или обрыв нулевого провода;
  • попадание молнии в питающую ЛЭП.

УЗМ-51М обычно применяют в бытовых электросетях, устанавливая после электросчётчика и автоматического выключателя на вводе электропитания в помещение. Его также можно использовать в трёхфазных сетях.

Важно. Для полноценной комплексной защищённости УЗМ-51М устанавливают вместе с другими устройствами защитного отключения.

Общие сведения

Устройство защиты многофункциональное (УЗМ-51М) очень полезно при непродолжительных скачках напряжения. Принцип его работы основан на сравнении напряжений в сети с установленными пороговыми значениями на приборе. Причины и влияние перепадов на электроприборы могут быть разными, но все они уменьшают срок службы электроприборов.

Какие проблемы существуют в домашней сети и как защитить абонентские сети от расхождения параметров

  • превышение допустимого напряжения более, чем на 10 %;
  • снижение напряжения в сети (просад) более, чем на 10 %;
  • кратковременное скачкообразное повышение или снижение напряжения;
  • изменение частоты переменного тока;
  • искрение, дуга на контактах при включении мощного потребителя;
  • обрыв нуля, как следствие — перекос фазы;
  • короткое замыкание на линии или внутри электроприбора.

Часть этих проблем возникает по вине пользователя (содержание оборудования и линий в ненадлежащем состоянии), часть — по вине энергоснабжающей компании. Об этом расскажем подробнее.

Качество энергоснабжения зависит от целого ряда причин:

  • изношенность и соответствие проектной нагрузке линий электропередач;
  • техническое состояние (и собственно наличие) трансформаторных подстанций на каждой абонентской линии;
  • работоспособность автоматики для поддержания параметров электросети в норме;
  • распределение нагрузки между фазами;
  • законность подключения новых абонентов (бывают случаи превышения нормативов ТУ).

Приведем пример

Условие: трехфазный ввод в многоэтажный дом, общий нуль, фазы «A», «B» и «C» равномерно распределены между подъездами 1, 2 и 3. По какой угодно причине (коррозия, механическое повреждение и прочее) происходит обрыв нуля. В это время 1 подъезд нагружен максимально (бойлеры, электродуховки), 2 подъезд — средняя нагрузка (холодильники, освещение), 3 подъезд — минимальная (пара телевизоров и несколько компьютеров).

Что произойдет с каждой фазой?

  1. Фаза «A» — 1 подъезд. Напряжение упадет до минимального значения, близко к нулю.
  2. Фаза «B» — 2 подъезд. С большой долей вероятности, напряжение останется в пределах 220 В, хотя возможно плавающее изменение потенциала.
  3. Фаза «C» — 3 подъезд. На линии с минимальной нагрузкой напряжение приближается к значению между фазами, то есть порядка 380 В.

Поскольку рабочий ток для каждого подключенного абонента (группы абонентов) не превысил установленного значения, автомат защиты по току не сработает. Электроприборы на линии «C» (3 подъезд) выйдут из строя, в самом тяжелом случае — банально сгорят. Часто такая ситуация приводит к пожару.

Можно установить индивидуальную трансформаторную подстанцию или мощный стабилизатор. Но стоимость такого оборудования может превысить потери при аварийной ситуации на линии 220 В. Какой выход? Установить устройство защиты УЗМ.

Информация: Среди домашних электриков пользуются популярностью многофункциональные автоматы УЗИс, которые также защищают от скачков напряжения, дуги или искрения.

По надежности срабатывания и степени защиты — устройства аналогичные. Однако устройство защиты многофункциональное: например, УЗМ 51М, замыкает цепь самостоятельно, после восстановления параметров электропитания. А вот УЗИс надо включать вручную.

Что такое УЗМ, и по какому принципу работает автоматика

По сути, это реле контроля напряжения, предназначенное для прерывания подачи электроэнергии в случае отклонения от параметров. Представьте себе схему, стоящую из модуля контроля, устройства управления и сигнализации, размыкающей системы. Именно так устроено устройство защиты многофункциональное, то есть УЗМ.

УЗМ 50М и УЗМ51М выполнены в стандартном закрытом корпусе шириной 2DIN, и предназначены для монтажа в распределительные шкафы на DIN рейку шириной 35 мм (ГОСТ Р МЭК 60715-2003).

Составные части и описание реле контроля напряжения:

  • электронные компоненты управления с механической установкой резисторов срабатывания порогов напряжения;
  • LED элементы сигнализации о состоянии питающего напряжения;
  • токовый шунт;
  • варисторная защита;
  • проверочный модуль с кнопкой «тест»;
  • мощное электромагнитное реле, обеспечивающее нагрузочное подключение силовых цепей;

Конструктивно все элементы (включая силовые) выполнены на одной монтажной плате. Такая компоновка обеспечивает жесткость конструкции и эффективное теплоотведение от элементов схемы.

Подключение проводников сечением до 35мм² производится через туннельные зажимы высокой прочности с фронтальными винтами. Для исключения ошибок монтажного подключения клеммы снабжены защитными флажками (так называемая защита «от дурака»).

Световая индикация меняет цвет в зависимости от режима энергоснабжения (авария или норма). Пользователь может визуально определить, включено устройство защиты УЗМ 50 или 51М, или нет, а также оценить состояние электросети.

Принципиальная схема устройства:

Управляющая схема реализована на готовом модуле PIC12F683, остальные радиокомпоненты обеспечивают работу электронных ключей, собранных на транзисторах. На схеме хорошо видно, что пороги срабатывания нижнего и верхнего барьера по напряжению обеспечивают переменные резисторы R18 и R19 Регулировка не плавная, а ступенчатая, на 10 положений.

Силовое реле MP25-1 имеет одну пару контактов, только на фазном проводе. Благодаря такой схеме, нулевой провод после реле контроля напряжения УЗМ всегда замкнут, для обеспечения нормальной работы иных защитных автоматов. Кроме того, такая схема прохождения нулевой шины позволяет подключать УЗМ не сквозным прохождением «N» линии, а отводом с одной стороны.

Для защиты от импульсных перенапряжений, возникающих при подключении электроустановок, предназначен мощный варистор 20 мм диаметром.

Собственная схема электропитания обеспечивает работоспособность всех систем прибора, включая силовую обмотку реле MP25-1. Поскольку схема подключения и управления УЗМ 51М должна функционировать при отключенном напряжении на линии, необходимо обеспечить резервный источник питания. Для этого предусмотрен накопительный конденсатор C1, запаса емкости которого хватает на подключение всех модулей защиты и управления.

Устройство и внешний вид

УЗМ-50М и 51М, 16М состоит из двух частей. На входе стоит варистор — он сглаживает кратковременные всплески или проседания напряжения, которые образуются при включении оборудования, имеющего электромоторы. На выходе стоит электромагнитное реле, которое отключает нагрузку при опасном напряжении в сети. В моделях 51 МД и 50 МД добавлено еще одно устройство — обнаружение искрения. Так что модификация с буквами «МД» — противопожарная.

К клеммам можно подключать проводники сечение которых не более 35 мм² (в модели УЗМ 16 провода до 2,5 мм²). Линейные провода подключаются к верхним клеммам, нагрузка — к нижним. При срабатывании разрываются только фазные провода, нейтраль не коммутируется. Она идет напрямую на выход. Любое из устройств может устанавливаться как на входе в дом или квартиру, так и на отдельные группы потребителей.

Внешние отличия хорошо заметны. У УЗМ-50МЦ есть цифровой индикатор, благодаря которому можно оперативной отслеживать напряжение, ток и мощность

Лицевая панель различных модификаций может иметь существенные отличия. Однако в любой модели присутствую индикаторы работы/аварийного отключения (зеленый — в работе, красный — отключен). Есть светодиод, который меняет цвет в зависимости от того, по «дуге» произошло отключение, или из-за аварийных параметров напряжения. Есть также кнопки ручного управления, в модификации УЗМ-51МД — ручки регулировки пределов включения и отключения электропитания.

Конструкция

Общее устройство любого УЗМ условно делится на две части. Вход оборудуется варистором, выполняющим сглаживание всплесков или падений напряжения кратковременного характера. На выходе устанавливается силовое реле, отключающее нагрузку в опасных ситуациях. Модификации МД дополнительно оборудуются средствами обнаружения искрения в проводке. Все приборы предназначены для монтажа на ДИН-рейку.

Входные клеммы устанавливаются в верхней части пластикового корпуса, а выходные – в нижней. Их размеры вполне достаточны для подключения проводников площадью сечения до 35 мм2. В момент срабатывания УЗМ происходит разрыв только фазного проводника, поскольку нейтраль в коммутационных процессах не участвует. Она проходит через весь прибор от входа к выходу. Устройство защиты УЗМ может быть установлено на вход или подключаться на линии отдельных групп потребителей.

Лицевые панели в различных моделях УЗМ существенно отличаются по своему наполнению. Общим является наличие индикаторов рабочего и аварийного режимов с зеленым и красным светодиодами. Отдельные индикаторы указывают на причину отключения – перепад напряжения или электрическую дугу. Также устанавливаются регулировочные рукоятки, задающие верхний и нижний пределы напряжения, при которых отключается и включается питание. Практически во всех УЗМ имеется кнопка ручного управления, используемая в особых случаях.

На боковой панели имеется общая схема устройства и принципиальная схема подключения УЗМ. Варисторы, установленные на входе, выполняют несколько функций. Первый рассчитан на 680 вольт. Он ограничивает импульсные коммутационные перегрузки малой мощности. Второй варистор способен выдержать 620 вольт, он обеспечивает защиту по питанию. Всей работой УЗМ управляет специальный контроллер.

Назначение и функции

Реле УЗМ-51М предназначено для отключения потребителей электрической энергии при низких и высоких значениях напряжения, а также для защиты от импульсных скачков, возникающих при разрядах молнии. Границы, устанавливаемые реле для обеспечения защиты, находятся в диапазоне от 160 до 280 В. По сути, УЗМ — контролер напряжения, который подключается в сетях следующих стандартов: TN-C, TN-S, TN-C-S, ТТ. Прибор состоит из электромагнитного реле и защитной схемы на варисторах. Отличительные его особенности:

  • Настройка пределов срабатывания.
  • Управление на расстоянии (дистанционное устройство).
  • Построение схемы прибора осуществляется на полупроводниках и варисторах, позволяющих защитить сеть от импульсных перепадов.
  • Настройка времени выключения при низких и высоких значениях напряжений.

Прибор в основном используется для бытовых нужд. Установка его выполняется на входе сети, поскольку в случае выхода значений напряжения за пределы в меньшую или большую сторону, произойдет отключение всего помещения.

Принцип работы и подключение

Перед включением устройства следует установить регуляторы нижнего и верхнего порогов напряжения. Для верхнего предела устанавливается значение от 240 до 290 В, а для нижнего — от 100 до 210 В. Затем нужно произвести тестирование при помощи кнопки в течение 5 с, при котором срабатывает индикатор зеленого цвета свечения, а после это происходит активация желтого индикатора. При нормальной работе УЗМ происходит включение реле, встроенного в аппарат, после истечения 10 с. Настройка времени включения устройства после скачка осуществляется таким образом:

  • Устройство должно быть выключено. При включенном режиме оно должно быть деактивировано при помощи тестовой кнопки.
  • Нажать на кнопку запуска тестов повторно и удерживать ее до частого мигания зеленого индикатора (10 с). Если необходимо выставить время 6 минут, то следует дальше продолжать удержание тестовой кнопки до частого мигания красного индикатора.
  • Отпустить и снова нажать кнопку для запуска устройства с новыми параметрами.

При скачке напряжения мерцает зеленый индикатор, а после этого включается счетчик отсчета времени и начинает мерцать красный индикатор. В течение 2 с красный светодиод перестает мигать и гаснет индикатор желтого цвета. Во время стабилизации напряжения происходит отсчет до включения и начинает мигать зеленый светодиод. В зависимости от настроек включения (10 с или 6 мин.) происходит повторная активация и нормальная работа устройства.

Если мигают красный и зеленый индикаторы, то это свидетельствует о принудительном отключении реле кнопкой тестов. Для нормальной работы УЗМ следует нажать кнопку повторно, и по истечении 2 секунд устройство начнет работать в нормальном режиме. При срабатывании аппарата происходит разрыв контактов фазы, а нулевая жила является сквозной и не подключается к контактам устройства. Схема подключения УЗМ-51М указана в инструкции и на корпусе. Аналогами считаются следующие модели: НоваТек РН-106 и Меандр ОМ-63.

В схему устройства входят два варистора. Один из них рассчитан на 680 В и предназначен для ограничения коммутационных импульсных перегрузок малой мощности. Другой варистор на 620 В защищает устройство УЗМ по питанию. Основными особенностями реле напряжения являются наличие контроллера, управляющего работой устройства, и надежного реле типа МР25−1 с рабочим током до 80 А.

Таким образом, УЗМ-51М подойдет для защиты электрических приборов от повышенных и пониженных напряжений. Благодаря конструктивным особенностям, устройство является надежным и долговечным. Простота подключения и эксплуатации позволяют использовать его сразу. Кроме того, схема подключения изображена на его корпусе. Главный недостаток — невозможность стабилизации входного напряжения до номинального значения.

Конструкция и технические характеристики

Электромагнитное реле и схема защиты помещены в пластмассовый корпус, на верхнюю часть которого вынесены входные клеммы (L — фаза и N — земля), а на нижнюю — выходные (U — фаза и N — земля). Они предназначены для качественного зажима кабеля площадью поперечного сечения до 30 кв. мм.

На передней панели располагаются индикаторы, показывающие нормальный режим работы или аварию при недопустимых значениях напряжения. Желтый цвет другого индикатора свидетельствует о нормальной работе электромагнитного реле. На корпусе расположена кнопка, включающая тестовый режим. Он применяется для проверки и настройки устройства. Чтобы настроить значения нижнего и верхнего пределов напряжения, необходимо использовать специальные регуляторы на лицевой панели аппарата.

Управление устройством осуществляется при помощи контроллера типа PIC12F683, который работает постоянно. Реле рассчитано на работу при напряжении 430 В на протяжении длительного времени. Элементы схемы защиты и управления на плате представлены в виде SMD-деталей. Размеры прибора составляют 83х35х63 мм. Основные технические характеристики аппарата следующие:

  • Максимальное значение тока при коммутации: 63 А.
  • Уровень защиты от перегрузок и скачков напряжения: двухпороговая.
  • Варисторная защита от импульсных скачков.
  • Наличие дистанционного управления.
  • Напряжение питания: от 36 до 430 В.
  • Рекомендуемые пороги: от 175 до 260 В.
  • Возможность ограничения значения напряжения при токе в 100 А: < 1,2 кВ.
  • Энергия поглощения одиночного импульса (10/1000 мкс): 200 Дж.
  • Максимальное значение тока поглощения при импульсах (8/20 мкс): при одиночном — 8 кА, а при повторяющихся — 6 кА.
  • Время срабатывания: не более 25 нс.
  • Настройка порога отключения потребителей при повышении значения напряжения: 240, 250, 255, 260, 265, 270, 275, 280, 285, 290 В.
  • Ускоренное отключение потребителей при критических напряжениях при высоких и низких порогах: 80 и 300 В соответственно.
  • Настраиваемый порог, при понижении напряжения: 210, 190, 175, 160, 150, 140, 130, 120, 110, 100 В.
  • Частота тока питания: 50 Гц.
  • Мощность, потребляемая при работе устройства: 1,5 Вт.
  • Максимальные ток нагрузки и мощность: 80 А и 14,5 кВт.
  • Ток короткого замыкания: 4,5 кА.
  • Задержка повторного включения: выбор пользователя (10 с или 6 мин).
  • Значение задержек отключения по верхнему и нижнему значениям напряжения, а также при критических нижнему и верхнему порогам: 20 мс, 100 мс, 10 с и 0,2 с соответственно.
  • Площадь поперечного сечения проводов, подключаемых к устройству: от 0,5 до 25 кв. мм.
  • Рабочие температуры: от -25 до +55 градусов по Цельсию.
  • Срок эксплуатации: не менее 10 лет.
  • Производитель: Россия.

Кроме того, УЗМ-51М обладает низким значением сопротивления, что способствует отличному прохождению через него электричества. Настройка значений пределов отключения производится быстро и просто. В аппарате устанавливается предохранитель заводского производства на 220 В, который не следует заменять другим номиналом. Инструкция УЗМ-51М написана понятно и на русском языке.

Характеристики УЗМ50М и УЗМ51М

Единственное эксплуатационное отличие серии 50 от 51, в первом варианте пороги напряжения срабатывания фиксированные:

  • ограничение напряжения при высоком токе помехи — 1200 В;
  • время срабатывания защитного модуля — 25 нс;
  • пороги отключения при превышении напряжения (В) для УЗМ 51М: 240, 250, 255, 260, 265, 270, 275, 280, 285, 290;
  • пороги отключения при снижении напряжения (В) для УЗМ 51М: 210, 190, 175, 160, 150, 140, 130, 120, 110, 100;
  • внешнее напряжение питания электрической схемы отключения и управления — номинальное 230 В, максимальное 400 В;
  • ток нагрузки для контактов реле (без дуги и дребезга) — номинальный 63 А, максимальный 80 А;
  • краткосрочный ток (10 мс), после протекания которого не происходит необратимого сваривания контактов — 2000 А;
  • ток короткого замыкания, при котором не происходит термического разрушения прибора — 3000 А;
  • временная задержка повторного включения — 6 минут или 20 секунд (устанавливается эксплуатантом);
  • время срабатывания реле отключения: верхний установленный предел напряжения: 20 мс, нижний установленный предел напряжения: 100 мс.

Корпус вибро и ударопрочный, степень влагозащты IP40. Влагозащита контактной группы (линейные контакты) — IP0.

Важно: Производитель постоянно совершенствует схемотехнику прибора, каждая новая версия (при сохранении заводского индекса) отличается от предыдущей более совершенным качеством. Юридически это укладывается в декларацию: «производитель оставляет за собой право вносить изменения в конструкцию с целью улучшения потребительских свойств».

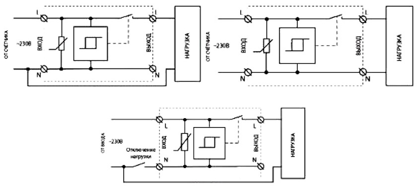
Схемы подключения устройства защиты УЗМ51М

Монтаж прибора стандартный: в общую линейку на рейки DIP 35 мм с помощью быстозажимных фиксаторов.

Никаких ограничений по взаимному размещению для УЗМ нет: ни температурных, ни монтажных.

Подключение в однофазную сеть осуществляется следующим образом:

  • фазная линия подводится к контактам «L» вход (IN) и выход (OUT);
  • фиксация производится с помощью трех типов отверток, с одинаковой степенью надежности;
  • нулевая линия «N» может подключаться тремя способами:
    • одностороннее подключение к любому контакту «N»;
    • сквозное подключение с обеих сторон, как в обычном автомате защиты;
    • подключение с принудительным размыканием линии «N» на входе, для ручного отключения УЗМ по признаку «отсутствует нуль».

Подключение в трехфазную сеть (применяются три устройства):

  • фазные линии подводятся к контактам «L» вход (IN) и выход (OUT), как и при однофазном подключении;
  • нулевая линия «N» подключается односторонне, на входную сторону автоматов УЗМ.

Куда устанавливать УЗМ

Как уже говорили ранее, реле напряжения можно ставить на входе в квартиру или дом, а можно на все или некоторые группы потребителей. Иногда бывает затруднительно выбрать место для установки УЗМ. Что точно можно сказать — ставится оно после вводного автомата и, чаще всего, после электросчетчика. В принципе, можно поставить и до счетчика, но только в том случае, если согласится эксплуатирующая организация. А они на это согласие дают редкою. Поэтому, обычно, УЗМ ставят после счетчика.

Два варианта схемы с УЗМ

В схеме электропитания может присутствовать еще противопожарное УЗО. Вот где тогда ставить устройство защиты от перенапряжения? Перед противопожарным УЗО или после? Если поставить перед, то при отключении питания оно окажется вне работы. А если после — может быть повреждено в результате скачков. В общем, тут решение принимаются индивидуально. Однозначно можно сказать, что ставить реле напряжения надо до первого ответвления на потребителей.

Подключение в трехфазных сетях

Есть специальные модели защитных модулей для трехфазных сетей  — УЗМ-3-63. На это устройство заводятся сразу все три фазы, с выхода подаются дальше. При срабатывании отключаются одновременно все фазы, так что питание пропадает полностью. Это не всегда удобно, так как проблемы обычно возникают с одной из фаз.

Подключение трехфазного УЗМ

Вопрос решается, если поставить по одному УЗМ на каждую фазу. Тогда при перекосе на какой-то фазе остальные будут в работе. Это более удобно. Но такой способ подключения — три однофазных УЗМ — не подходит, если есть трехфазная нагрузка. В этом случае при установке трех отдельных УЗМ, при отключении в одной из фаз, через нагрузку может быть «переток» в соседнюю. Так что выбор за вами.

Однофазная сеть

К однофазной сети УЗМ подключается посредством проводных контактов. При таком соединении может использоваться тиристор на 200 В, фильтры ставятся за обкладкой, последним монтируется выпрямитель.

Для стабильности напряжения используются контакторы импульсного либо оперативного типа. Проблема с магнитными колебаниями устраняется посредством применения проходных фильтров. В щитках ВО фильтры применяются с сеточной обмоткой, преобразователь устанавливается с тремя контактами. При этом максимальное сопротивление должно быть менее 30 Ом, среднее выходное напряжение — 230 В.

Схема подключения прибора УЗМ-51 к однофазной цепи в частном доме или квартире

Чем отличается УЗМ от УЗО

Надо сказать, что реле защиты от перенапряжения в любом его исполнении не заменяет УЗО или автомат защиты. Эти устройства дополняют друг друга, делая защиту более надежной:

  • Автомат следит за тем, чтобы не перегревалась проводка.
  • УЗО отключает питание при появлении утечек — пробое изоляции или прикосновении человека к токоведущим частям.
  • УЗМ следит за сетевым напряжением, отключая питание если параметры вышли за установленные границы.

Функции различных устройств защиты бытовой электросети

Как видите, все три устройства нужны. Как правило, при сборке щитка для дома и квартиры пренебрегают установкой именно реле напряжения. Это крайне недальновидно, ведь УЗМ продлевает срок эксплуатации электроприборов и электрооборудования в условиях нестабильного напряжения сети. В варианте с детекцией искрения — 51МД и 50МД — оно еще и повышает пожаробезопасность. Что очень актуально в деревянных и каркасных домах, но и не только для них. По статистике около 15% пожаров возникают из-за искры в проводке. Так что отслеживать искрение действительно важно.

Аналоги

К аналогам устройства УЗМ-51 можно отнести следующие приборы:

  • ОМ-63 от компании «Меандр»;
  • РН-106 от фирмы НоваТек.

РН-106 представляет собой реле напряжения, защищающее от несанкционированного проникновения в квартиру напряжения 380 В. Слишком высокое напряжение приводит к выходу из строя всей бытовой техники, подключенной в тот момент к сети.

Реле напряжения РН-106 предотвращает выход из строя домашней бытовой техники

Ограничитель мощности ОМ-63 используется преимущественно в однофазных сетях. Устройство незамедлительно отключает подачу электроэнергии в жилище при превышении величиной потребляемой мощности установленного порога. Прибор также защищает подключенное к сети электрооборудование от негативного воздействия значительных перепадов напряжения от недалеких разрядов молний либо включения слишком мощного оборудования.

Обзор производителей

Ссылка на основную публикацию