Варистор — устройство, принцип действия и назначение

Что такое варистор и для чего он применяется, рассмотрен принцип действия варистров, их вольт-амперная характеристика, приведены основные параметры варисторов отечественного производства, а также параметры для дисковых варисторов серии TVR. Как выглядит из себя варистор который применяется в бытовой радиоаппаратуре, а также внешний вид мощных варистров.

Общие сведения

Варистор (varistor) является полупроводниковым резистором, уменьшающим величину своего сопротивления при увеличении напряжения. Условное графическое обозначение (УГО) представлено на рисунке 1, на котором изображена зависимость сопротивления радиокомпонента от величины напряжения. На схемах обозначается znr. Если их больше одного, то обозначается в следующем виде: znr1, znr2 и т. д.

Рисунок 1 — УГО варистора.

Многие начинающие радиолюбители путают переменный резистор и варистор. Принцип действия, основные характеристики и параметры этого элемента отличаются от переменного резистора. Кроме того, распространенной ошибкой составления электрических принципиальных схем является неверное его УГО. Варистор выглядит как конденсатор и распознается только по маркировке.

Что такое варистор и где применяется

Варистор –  это выполненный из полупроводникового материала переменный резистор, который способен изменять свое электрическое сопротивление в зависимости от приложенного к нему напряжения.

Принцип действия у такого электронного компонента отличается от обычного резистора и потенциометра. Стандартный резистор имеет постоянное во величине сопротивление в любой промежуток времени вне зависимости от напряжения в цепи, потенциометр позволяет менять сопротивление вручную, поворачивая ручку управления. А вот варистор обладает нелинейной симметричной вольтамперной характеристикой и его сопротивление полностью зависит от напряжения в цепи.

Благодаря этому свойству, варисторы широко и эффективно применяют для защиты электрических сетей, машин и оборудования, а также радиоэлектронных компонентов, плат и микросхем вне зависимости от вида напряжения. Они имеют невысокую цену изготовления, надежны в использовании и способны выдерживать высокие нагрузки.

Варисторы применяются, как в высоковольтных установках до 20 кВ, так и в низковольтных от 3 до 200 В в качестве ограничителя напряжения. При этом они могут работать, как в сетях с переменным, так и с постоянным током. Их используют для регулировки и стабилизации тока и напряжения, а также в защитных устройствах от перенапряжения. Используются в конструкции сетевых фильтров, блоков питания, мобильных телефонов, УЗИП и других ОИН.

Принцип работы варистора

Варисторы, Varistors (название образовано от двух слов Variable Resistors — изменяющиеся сопротивления) — это полупроводниковые (металлооксидные или оксидноцинковые) резисторы, обладающие свойством резко уменьшать свое сопротивление с 1000 МОм до десятков Ом при увеличении на них напряжения выше пороговой величины.

В этом случае сопротивление становится тем меньше, чем больше действует напряжение. Типичная вольт-амперная характеристика варистора имеет резко выраженную нелинейную симметричную форму (рисунок 1), то есть он может работать и на переменном напряжении.

Рис. 1. Вольт-амперная характеристика варистора.

Варисторы подсоединяют параллельно нагрузке, и при броске входного напряжения основной ток помехи протекает через них, а не через аппаратуру.

Таким образом, варисторы рассеивают энергию помехи в виде тепла. Так же, как и газоразрядник, варистор является элементом многократного действия, но значительно быстрее восстанавливает свое высокое сопротивление после снятия напряжения.

Достоинством варисторов, по сравнению с газоразрядниками, являются:

  • большее быстродействие;
  • безынерционное отслеживание перепадов напряжений;
  • выпускаются на более широкий диапазон рабочих напряжений (от 12 до 1800 В); о длительный срок эксплуатации;
  • имеют более низкую стоимость.

Варисторы широко применяются в промышленном оборудовании и приборах бытового назначения:

  • для защиты полупроводниковых приборов: тиристоров, симисторов, транзисторов, диодов, стабилитронов;
  • для электростатической защиты входов радиоаппаратуры;
  • для защиты от электромагнитных всплесков в мощных индуктивных элементах;
  • как элемент искрогашения в электромоторах и переключателях.

Виды варисторов

Типовое значение времени срабатывания варисторов при воздействии перенапряжения составляет не более 25 наносекунд (нс), но для защиты некоторых видов оборудования его может оказаться недостаточно (для электростатической защиты необходимо не более 1 нс).

Поэтому совершенствование технологии изготовления варисторов во всем мире направлено на повышение их быстродействия.

Так, например, фирме “S+M Epcos”, благодаря применению при изготовлении варисторов многослойной структуры SIOV-CN и их SMD-исполнения (безвыводная конструкция для поверхностного монтажа), удается добиться времени срабатывания менее 0,5 нс (при расположении таких элементов на печатной плате для получения указанного быстродействия уже необходимо минимизировать индуктивности внешних соединительных проводников).

В дисковой конструкции варисторов за счет индуктивности выводов время срабатывания увеличивается до нескольких наносекунд.

Малое время срабатывания, высокая надежность, отличные пиковые электрические характеристики в широком диапазоне рабочей температуры при малых размерах ставят многослойные варисторы на первое место при выборе элементов защиты от статических зарядов.

Рис. 2. Внешний вид варисторов.

Рис. 3. Внешний вид мощных варисторов.

Например, в области производства сотовых телефонов многослойные варисторы можно считать уже стандартом в защите от статического электричества.

CN-варисторы могут надежно защищать от статических разрядов: клавиатуры, разъемы для подключения факса и модема, соединители зарядных устройств, входы интегральных аналоговых микросхем, выводы микропроцессоров.

Свойства

Нелинейность характеристик варисторов обусловлена локальным нагревом соприкасающихся граней многочисленных кристаллов карбида кремния (или иного полупроводника). При локальном повышении температуры на границах кристаллов сопротивление последних существенно снижается, что приводит к уменьшению общего сопротивления варисторов.

Один из основных параметров варистора — коэффициент нелинейности λ — определяется отношением его статического сопротивления R к динамическому сопротивлению Rd:

,

где U — напряжение, I — ток варистора

Коэффициент нелинейности лежит в пределах 2-10 у варисторов на основе SiC и 20-100 у варисторов на основе ZnO.

Температурный коэффициент сопротивления (ТКС) варистора — отрицательная величина.

Переходные формы волны переменного тока

Варисторы подключены в цепях через сеть питания либо между фазой и нейтралью, либо между фазами для работы от переменного тока, либо с положительного на отрицательный для работы от постоянного тока, и имеют номинальное напряжение, соответствующее их применению. Варистор также можно использовать для стабилизации напряжения постоянного тока и особенно для защиты электронных цепей от импульсов перенапряжения.

Изготовление

Изготавливают варисторы спеканием при температуре около 1700 °C полупроводника, преимущественно порошкообразного карбида кремния (SiC) или оксида цинка (ZnO), и связующего вещества (например, глина, жидкое стекло, лаки, смолы). Далее две поверхности полученного элемента металлизируют (обычно электроды имеют форму дисков) и припаивают к ним металлические проволочные выводы.

Конструктивно варисторы выполняются обычно в виде дисков, таблеток, стержней; существуют бусинковые и плёночные варисторы. Широкое распространение получили стержневые подстроечные варисторы с подвижным контактом.

Варистор статического сопротивления

При нормальной работе варистор имеет очень высокое сопротивление, отсюда и его название, и работает аналогично стабилитрону, позволяя более низким пороговым напряжениям проходить без изменений.

Однако, когда напряжение на варисторе (любой полярности) превышает номинальное значение варисторов, его эффективное сопротивление сильно уменьшается с ростом напряжения, как показано выше.

Из закона Ома мы знаем, что вольт-амперные характеристики (IV) фиксированного резистора являются прямой линией при условии, что R поддерживается постоянным. Тогда ток прямо пропорционален разности потенциалов на концах резистора.

Но кривые IV варистора не являются прямой линией, так как небольшое изменение напряжения вызывает значительное изменение тока. Типичная нормализованная кривая зависимости напряжения от тока для стандартного варистора приведена ниже.

Материалы варисторов

Тирит, вилит, лэтин, силит — полупроводниковые материалы на основе карбида кремния с разными связками. Оксид цинка — новый материал для варисторов.

Маркировка и основные параметры

Маркировка варисторов отличается, поскольку каждый производитель этих радиокомпонентов имеет право устанавливать ее самостоятельно. Это, прежде всего, связано с его техническими характеристиками. Например, различия по напряжениям и необходимым уровням тока для его работы.

Среди отечественных наиболее распространенным является К275, а среди импортных — 7n471k, 14d471k, kl472m и ac472m. Наибольшей популярностью пользуется варистор, маркировка которого — CNR (бывают еще hel, vdr, jvr). Кроме того, к ней прикрепляется цифробуквенный индекс 14d471k, и расшифровывается этот вид обозначения следующим образом:

  1. CNR — металлооксидный тип.
  2. 14 — диаметр прибора, равный 14 мм.
  3. D — радиокомпонент в форме диска.
  4. 471 — максимальное значение напряжения, на которое он рассчитан.
  5. К — допустимое отклонения классификационного напряжения, равное 10%.

Существуют технические характеристики, необходимые для применения в схеме. Это связано с тем, что для защиты различных элементов цепи следует использовать различный тип полупроводникового сопротивления.

Их основные характеристики:

  1. Напряжение классификации — значение разности потенциалов, взятое с учетом того, что сила тока, равная 1 мА, протекает через варистор.
  2. Максимальная величина переменного напряжения — является среднеквадратичным значением, при котором он открывается и, следовательно, величина его сопротивления понижается.
  3. Значение постоянного максимального напряжения, при котором варистор открывается в цепи постоянного тока. Как правило, оно больше предыдущего параметра для тока переменной амплитуды.
  4. Допустимое напряжение (напряжение ограничения) является величиной, при превышении которой происходит выход элемента из строя. Указывается для определенной величины силы тока.
  5. Поглощаемая максимальная энергия измеряется в Дж (джоулях). Эта характеристика показывает величину энергии импульса, которую может рассеять варистор и при этом не выйти из строя.
  6. Время реагирования (единица измерения — наносекунды, нс) — величина, требуемая для перехода из одного состояния в другое, т. е. изменение величины сопротивления с высокой величины на низкую.
  7. Погрешность напряжения классификации — отклонение от номинального его значения в обе стороны, которое указывается в % (для импортных моделей: К = 10%, L = 15%, M = 20% и Р = 25%).

После описания принципа работы, особенностей маркировки и основных характеристик следует рассмотреть сферы применения варисторов.

Обозначение на схеме и варианты подключения варистора

На схемах варистор обычно обозначается, как обычный резистор, но с добавлением буквы U рядом с наклонной чертой. Эта черта и указывает в схемах на то, что данный элемент имеет зависимость сопротивления от напряжения в цепи. Также на электрической схеме этот элемент маркируется двумя буквами R и U с добавлением порядкового номера (RU1, RU2 … и т.д.).

Существует большое количество вариантов подключения варисторов, но общее для всех способов – это то, что данный компонент подключается параллельно цепи питания. Поэтому при отсутствии опасных значений импульсов напряжения, ток, который протекает через варистор имеет малую величину (ввиду больших значений сопротивления) и никак не влияет на работоспособность системы. При возникновении перенапряжения, варистор изменяет сопротивление до малых величин, нагрузка шунтируется, и поглощенная энергия рассеивается в окружающее пространство.

Диагностика

Чтобы проверить данное электронное устройство, используют специальное оборудование, которое называется тестером. Итак, для проведения испытания понадобится варистор, принцип работы которого заключается в изменении параметров сопротивления, и тестирующее устройство. Перед его началом необходимо включить устройство и переключить в режим сопротивления. Только тогда аппарат будет отвечать всем необходимым техническим требованиям, и величина сопротивления будет огромной.

Перед началом проведения испытаний необходимо проверить техническое состояние прибора. В первую очередь следует посмотреть на его внешний вид. На приборе не должно быть трещин, а также признаков того, что он сгорел. Не стоит относиться к осмотру аппарата халатно, так как любая небольшая поломка может привести к возникновению неприятных обстоятельств.

Применение приборов

Варисторы применяются для защиты электронных устройств от скачкообразного напряжения, амплитуда которого превышает номинальное значение питания. Благодаря применению в блоках питания полупроводникового резистора, появляется возможность избежать множества поломок, которые могут вывести электронику из строя. Широкое применение варистор получил и в схеме балласта, который применяется в элементах освещения.

В некоторых стабилизаторах величин напряжения и тока также используются специализированные полупроводниковые резисторы, а варисторы-разрядники с напряжением более 20 кВ применяются для стабилизации питания в линиях электропередач. Его можно подключить также и в схему проводки (схема 1), защитив ее от перегрузок и недопустимых амплитудных значений тока и напряжения. При перегрузке проводки происходит ее нагрев, который может привести к пожару.

Схема 1 — Подключение варистора для сети 220В.

Низковольтные варисторы работают в диапазоне напряжения от 3 В до 200 В с силой тока от 0,1 до 1 А. Они применяются в различной аппаратуре и ставятся преимущественно на входе или выходе источника питания. Время их срабатывания составляет менее 25 нс, однако этой величины для некоторых приборов недостаточно и в этом случае применяются дополнительные схемы защиты.

Однако технология их изготовления не стоит на месте, поскольку фирма «S+М Eрсоs» создала радиоэлемент с временем срабатывания менее 0,5 нс. Этот полупроводниковый резистор изготовлен по smd-технологии. Конструкции дискового исполнения обладают более высоким временем срабатывания. Многослойные варисторы (CN) являются надежной защитой от статического электричества, которое может вывести из строя различную электронику. Примером использования является производство мобильных телефонов, которые подвержены воздействию статических разрядов. Этот тип варисторов также получили широкое применение в области компьютерной технике, а также в высокочувствительной аппаратуре.

Подбор варистора

Чтобы правильно подобрать варистор для определенного устройства необходимо знать характеристики его источника питания: сопротивление и мощность импульсов переходных процессов. Максимально допустимое значение тока определяется в том числе длительностью его воздействия и количеством повторений, поэтому при установке варистора с заниженным значением пикового тока, он достаточно быстро выйдет из строя. Если говорить кратко, то для эффективной защиты прибора необходимо выбирать варистор с напряжением, имеющим небольшой запас к номинальному.

Также для безотказной работы такого электронного компонента очень важна скорость рассеивания поглощенной тепловой энергии и возможность быстро возвращаться в состояние нормальной работы.

Резюме варистора

Поскольку такие варисторы используются в чувствительных электронных схемах, чтобы гарантировать, что, если напряжение внезапно превысит заранее определенное значение, варистор фактически станет коротким замыканием, чтобы защитить цепь, которую он шунтирует от чрезмерного напряжения, поскольку они способны выдерживать пиковые токи в сотни ампер.

Варисторы относятся к типу резисторов с нелинейной неомической характеристикой напряжения тока и являются надежным и экономичным средством защиты от переходных переключений и перенапряжений.

Они достигают этого, выступая в качестве блокирующего устройства с высоким сопротивлением при более низких напряжениях и как хорошее проводящее устройство с низким сопротивлением при более высоких напряжениях. Эффективность варистора в защите электрической или электронной схемы зависит от правильного выбора варистора в отношении рассеяния напряжения, тока и энергии.

Металлооксидные варисторы, или MOV, как правило, изготавливаются из материала металлического оксида цинка в форме небольшого диска. Они доступны во многих значениях для определенных диапазонов напряжения. Номинальное напряжение MOV, называемое «напряжение варистора», представляет собой напряжение на варисторе, когда через устройство пропускается ток 1 мА. Этот уровень напряжения варистора, по существу, является точкой на характеристической кривой IV, когда устройство начинает проводить. Металлооксидные варисторы также могут быть подключены последовательно для повышения номинального напряжения зажима.

В то время как металлооксидные варисторы широко используются во многих цепях силовой электроники переменного тока для защиты от переходных перенапряжений, существуют также другие типы полупроводниковых устройств подавления напряжения, таких как диоды, стабилитроны и ограничители, которые все могут использоваться при некотором напряжении переменного или постоянного тока.

Пример реализации защиты

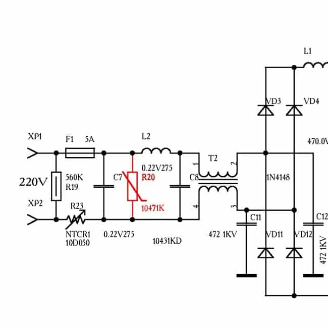
На рисунке 4 показан фрагмент принципиальной схемы БП компьютера, на котором наглядно показано типовое подключение варистора (выделено красным).


Рисунок 4. Варистор в блоке питания АТХ

Судя по рисунку, в схеме используется элемент TVR 10471К, используем его в качестве примера расшифровки маркировки:

  • первые три буквы обозначают тип, в нашем случае это серия TVR;
  • последующие две цифры указывают диаметр корпуса в миллиметрах, соответственно, у нашей детали диаметр 10 мм;
  • далее идут три цифры, которые указывают действующее напряжение для данного элемента. Расшифровывается следующим образом: XXY = XX*10y, в нашем случае это 47*101, то есть 470 вольт;
  • последняя буква указывает класс точности, «К» соответствует 10%.

Можно встретить и более простую маркировку, например, К275, в этом случае К – это класс точности (10%), последующие три цифры обозначают величину действующего напряжения, то есть, 275 вольт.

Теперь, когда мы разобрались с основами, можно перейти к проверке варистора

Определяем работоспособность элемента (пошаговая инструкция)

Для данной операции нам потребуются следующие инструменты:

  • Отвертка (как правило, крестовая). Чтобы добраться до платы блока питания, потребуется разобрать корпус электронного устройства, тут без отвертки не обойтись.
  • Щетка, для очистки печатной платы. Как показывает практика, в БП накапливается много пыли. Особенно это характерно для устройств с принудительным охлаждением, типичный пример, – блок питания компьютера.
  • Паяльник. В силовой части БП на плате большие дорожки и нет мелких элементов, поэтому допустимо использовать устройства мощностью до 75 Вт.
  • Канифоль и припой.
  • Мультиметр или другой прибор, позволяющий измерить сопротивление.

Когда все инструменты готовы, можно приступать к процедуре. Действуем по следующему алгоритму:

  1. Разбираем корпус устройства. В данном случае дать детальную инструкцию как это сделать затруднительно, поскольку конструкции приборов существенно отличаются друг от друга. Эту информацию можно найти в инструкции к оборудованию или на сайте производителя, также поможет поиск на тематических форумах и блогах.
  2. Добравшись до печатной платы БП, следует очистить ее от пыли. Делать это нужно аккуратно, чтобы не повредить радиодетали. Бывали случаи, когда от чрезмерного усилия, в процессе чистки, щетка повреждала транзистор, тиристор или другой компанент.
  3. Когда пыль удалена, находим варистор, он имеет характерный вид, поэтому спутать его можно разве что с конденсатором, но последний отличается маркировкой.


    Варистор в силовой части БП

  4. Найдя элемент, тщательно осматриваем его на предмет повреждений. Это могут быть трещины, сколы и другие нарушения целостности корпуса. В большинстве случаев, определить неисправность можно на этом этапе. При обнаружении повреждений элемент выпаиваем и меняем на такой же или аналог. Подобрать его можно самостоятельно (расшифровка маркировки приводилась выше) или посоветовавшись с продавцом радиодеталей.


    Варистор со следами повреждений

  5. Если визуальный осмотр не дал результатов, следует проверить варистор мультиметром, для этого выпаиваем деталь.
  6. Для проведения измерения подключаем щупы к мультиметру (на рисунке 7 гнезда показаны зеленым цветом) и переводим его в режим измерения максимального сопротивления (красный круг на рис. 7). Если у вас мультиметр другого типа, воспользуйтесь инструкцией к прибору.


    Рисунок 7. Установка режима отмечена красным, гнезда для щупов – зеленым

  7. Касаемся щупами выводов и измеряем сопротивление варистора. Оно должно быть бесконечно большим. Иное значение указывает на неисправность варистора, следовательно, его необходимо заменить.

Рекомендации к установке

Если появилась необходимость во включении варистора в электрическую сеть, необходимо помнить о таких важных моментах:

  • Всегда следует иметь в виду, что данный прибор не вечен, и наступят такие условия, которые приведут к его взрыву. Чтобы этого не произошло, необходимо использовать специальные защитные экраны, в которые можно поместить весь варистор.
  • Следует отметить, что кремневые технические приспособления существенно уступают по своим характеристикам оксидным аналогам. Поэтому лучше всего использовать именно этот вид варистора.

Использование


Давайте рассмотрим, к примеру, сеть на 220 Вольт. Для неё оптимальными будут устройства, у которых напряжение срабатывания находится в диапазоне 275-420В (но здесь есть некоторые технические нюансы, которые мы трогать не будем). В качестве сетевого фильтра используется три варистора. Они блокируют проникновение импульсов по цепи фазы и нуля. А почему их три? Бывает иногда такое, что в новостях проскакивают сообщения о проблемах, вследствие которых электроники лишились тысячи людей. Такое бывает, когда вместо нуля и фазы по проводам идёт только последняя. Для аппаратуры это почти всегда верная смерть. Но наличие варистора на нуле позволяет успешно защищать от таких ситуаций. В качестве показательного примера можно привести мобильные телефоны. Чтобы они не перегорели, используют миниатюрные многослойные варисторы. Кроме этого, их можно встретить в телекоммуникационном оборудовании и автомобильной электронике.

Самые популярные образцы

Говоря про варистор, что это такое, нельзя обойти стороной материалы, из которых он изготавливается. Наибольшее распространение получили те устройства, которые сделаны с использованием оксида цинка. Это обусловлено несколькими причинами:

  1. Простота изготовления.
  2. Цинк имеет хорошую способность к поглощению высокоэнергетических импульсов напряжения.

Создаются они по «керамической» технологии, которая включает в себя прессование, обжиг, нанесение электродов и электроизоляции, пайку выводов и монтаж влагозащитных покрытий. Благодаря простоте изготовления они могут создаваться даже под индивидуальные заказы.

Маркировка

Мы уже достаточно внимания уделили изучению того, чем является варистор. Маркировка этого прибора сложна, и поэтому при приобретении устройства о нём нельзя судить по данным, размещенным на корпусе. Рассмотрим на вот таком примере: есть CNR-06D400K. CNR – это название типа, в данном случае перед нами металлооксидный варистор. 06 – он имеет диаметр в 6 миллиметров. D – перед нами дисковый варистор. 400 – напряжение срабатывания. K – эта буква говорит о том, что допуск возможного отклонения имеет погрешность в 10%. Если говорить о компьютерной технике, то у них варисторы рассчитаны на 470В. Согласитесь, немало. Но ведь существует не один варистор! Маркировка этих деталей проводится каждым крупным производителем по-своему, поэтому универсальных и стандартизированных правил распознавания нет. Поэтому нужно пользоваться или помощью продавцов, или прибегать к услугам справочников.

Проверка работоспособности элемента

Вот у нас в руках есть варистор. Как проверить его работоспособность? Начинать всегда необходимо с внешнего осмотра устройства. Необходимо внимательно поискать на корпусе сколы, трещины, почернения или следы нагара. Если есть внешние дефекты, то уже одно это говорит о том, что элемент необходимо заменить или не использовать вообще. Если при осмотре не было выявлено проблем, то можно приступать к проверке мультиметром. В этом случае тестер необходимо переключить на режим замера максимального сопротивления. Вот самый простой способ узнать, рабочий ли варистор. Как проверить его работоспособность, мы уже рассмотрели, теперь давайте обсудим, как же подбирать необходимые элементы.

Ссылка на основную публикацию