Вибрация электродвигателя приводит к быстрому износу подшипников и снижает надежность агрегата. Вибрирующий ротор подвергает подшипники ударным и толчковым нагрузкам, следствием чего могут быть:
- нарушение масляной пленки;
- подплавление баббита;
- появление сколов и трещин на баббите;
- разрыв сепараторов подшипников качения;
- снижение технологических свойств металла;
- излом/изгиб вала;
- повреждение фундамента и опорной рамы;
- отрыв бочки ротора от вала;
- появление трещин в торцовой крышке и станине статора;
- преждевременный износ изоляции обмоток.
Вибрация электродвигателя: причины
Возникновение нежелательных колебаний может быть обусловлено влиянием как электромагнитных, так и механических факторов.
Причины электромагнитного характера:
- появление трещин в стержнях короткозамкнутого ротора или их полный обрыв;
- деформация пластин ротора.
Обрыв или появление трещины хотя бы в одном стержне «беличьей клетки» является причиной появления асимметрии в магнитных моментах, действующих на ротор
Из-за деформации пластин в активной стали воздушный зазор между статором и ротором будет неравномерным, что приведет к несимметричности магнитных потоков.
Причины механического характера:
- неправильная центровка двигателя и приводимого механизма;
- дефекты в соединительных муфтах;
- износ подшипников в двигателе или приводимом механизме;
- деформация вала электродвигателя;
- дисбаланс ротора;
- ослабление крепления на месте установки;
- обрыв сварочных швов в консоли или раме.
Монтаж и центровка электродвигателя
Основания для электродвигателей
Электродвигатель, доставленный к месту установки с заводаизготовителя или со склада, где он хранился до монтажа, или из мастерской после ревизии, устанавливается на подготовленное основание.
В качестве оснований для электродвигателей применяют:
— литые чугунные или стальные плиты;
— сварные металлические рамы;
— кронштейны, салазки и т. д.
Плиты, рамы или салазки выверяются по осям и в горизонтальной плоскости, а затем закрепляются на бетонных фундаментах, перекрытиях и т. п. при помощи фундаментных болтов, которые заделываются в заготовленные отверстия. Эти отверстия обычно оставляют при бетонировании фундаментов, закладывая заблаговременно в соответствующих местах деревянные пробки.
Отверстия небольшой глубины могут быть также пробиты в готовых бетонных основаниях при помощи электрои пневмомолотков, оснащенных высокопроизводительными инструментами с наконечниками из твердых сплавов.
Отверстия в плите или раме для закрепления электродвигателя обычно выполняются на заводе-изготовителе, который поставляет общую плиту или раму для электродвигателя и приводимого им механизма.
Примечание. В случае, если отверстия для электродвигателя отсутствуют, на месте монтажа производится разметка основания и сверление отверстий.
Центровка электродвигателей
Для удобства центровки электродвигателя толщина подкладок должна предусматриваться в пределах 2–5 мм. Подъем электродвигателей на фундаменты выполняется кранами, талями, лебедками и другими механизмами. Подъем электродвигателей весом до 80 кг при отсутствии механизмов может выполняться вручную с применением настилов и других устройств.
Установленный на основание электродвигатель центрируется предварительно с грубой подгонкой по осям и в горизонтальной плоскости. Окончательная выверка производится при сопряжении валов.
Электродвигатель, установленный на опорную конструкцию, центрируется относительно вала вращаемого им механизма. Способы центровки бывают различные в зависимости от типа передачи.
Внимание. От точности выверки зависит надежность работы электродвигателя и главным образом его подшипников.
Центровка двигателя с механизмом необходима для достижения такого взаимного положения валов двигателя и механизма, при котором величины зазоров между полумуфтами будут равны. Это достигается путем передвижения двигателя на небольшие расстояния в горизонтальной и вертикальной плоскостях.
Перед центровкой производится проверка прочности посадки полумуфт на валы путем обстукивания полумуфты при одновременном ощупывании рукой стыка полумуфты с валом.
Центровка производится в два приема:
— предварительная — с помощью линейки или стального угольника;
— окончательная — по центровочным скобам.
Предварительная центровка ведется путем проверки отсутствия просвета между ребром приложенной линейки (стального угольника) и образующими обеих полумуфт. Такая проверка выполняется в четырех местах: вверху, внизу, справа и слева (рис. 6).
Совет. Во всех случаях при центровке нужно обращать внимание на то, чтобы количество отдельных прокладок под лапами электродвигателей было как можно меньше. Тонких прокладок толщиной 0,5–0,8 мм желательно применять не более 3–4 шт.
Если по условиям центровки прокладок оказывается больше, то их заменяют общей прокладкой большей толщины. Большое количество прокладок, и тем более из тонких листов, не обеспечивает надежного закрепления электродвигателя и может вызвать нарушение центровки. Это представляет неудобство и при последующих ремонтах и центровках во время эксплуатации.


Рис. 6. Выверка валов при ременной и клиноременной передачах с помощью: а — выверочной линейки; б — скоб и струны; в — шнурка; г — при шкивах разной ширины
Монтаж двигателей с фазным ротором
Монтаж асинхронных электродвигателей с фазным ротором производится аналогично монтажу электродвигателей с короткозамкнутым ротором, но при этом дополнительно выполняются работы по монтажу пусковых реостатов, проверке щеток и механизма подъемных щеток.
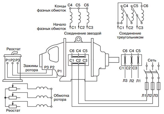
Схема соединения обмоток и включения в сеть асинхронного электродвигателя с фазным ротором показана на рис. 7.


Рис. 7. Схема соединения обмоток и включения в сеть асинхронного электродвигателя с фазным ротором
Монтаж пускового реостата
Перед монтажом пускового реостата производится проверка надежности контактов отдельных выводов путем подтяжки крепящих гаек и проверки прозвонкой целости всех цепей. После этого замеряется величина сопротивления изоляции.
Внимание. Если величина сопротивления изоляции меньше 1 МОм, устанавливается причина ее понижения путем проверки целости изоляционных деталей и отсутствия касания выводных концов о корпус.
Причины понижения величины сопротивления изоляции:
— отсыревание изолирующей плиты, на которой расположены неподвижные контакты;
— нарушение изоляции траверсы подвижных контактов.
При необходимости производится сушка указанных изолирующих деталей в сушильном шкафу или при помощи электрических ламп накаливания.
Подготовленный к монтажу пусковой реостат устанавливают на месте, указанном в проекте. Для удобства эксплуатации реостаты располагают вблизи пусковой аппаратуры и таким образом, чтобы было видно, как происходит разворот электродвигателя и механизма.
Расстояние от пола или площадки обслуживания до рукоятки реостата принимается 800–1000 мм. Для лучшего охлаждения оставляется зазор в 50–100 мм между реостатом и полом и т. п.
Корпус реостата заземляется. В реостат с масляным охлаждением заливается трансформаторное масло до установленного уровня. Электрическая прочность заливаемого масла не нормируется, но обычно используется сухое масло.
Проверка контактных колец и обмотки ротора
Перед монтажом (или при разборке электродвигателя с фазным ротором, если она производится) проверяется состояние:
— обмотки ротора;
— выводных концов от нее;
— контактных колец и щеток.
Проверяется надежность контактов, к которым крепятся выводные концы и токоподводы к щеткам, с проверкой мегаомметром сопротивления изоляции и целости (отсутствие обрыва) цепи.
Внимание. Величина сопротивления изоляции обмоток ротора и колец не должна быть ниже 0,5 МОм.
Если величина сопротивления изоляции меньше указанной, то устанавливается причина ее понижения, проверяется отдельно сопротивление изоляции обмоток и каждого кольца. Причиной понижения изоляции может быть отсыревание изоляции обмоток или колец. В этом случае производится сушка изоляции. Иногда сушкой не удается добиться улучшения состояния изоляции колец из-за повреждения изоляции. В этом случае снимаются кольца и устраняются причины, снизившие сопротивление изоляции.
Первый пуск электродвигателя
Первый пробный пуск двигателя производится поле окончания всех его испытаний и при их положительных результатах.
Пуск двигателя производится наладчиками в присутствии представителя электромонтажной организации. При этом пускаются несколько электродвигателей, входящих в одну электроустановку.
Перед пуском двигатель должен быть подготовлен, и пуск проведен с осторожностью.
Необходимо проверить:
— комплектность двигателя;
— состояние передачи от двигателя к механизму;
— наличие кожуха передачи и кожуха вентилятора двигателя;
— наличие смазки в подшипниках;
— устройство заземления.
Внимание. Все виды защит двигателя должны быть испытаны и поставлены на минимальные уставки.
Перед пробным пуском двигателя нужно провернуть его и проверить свободный ход. На случай отказа схемы управления двигателем при его отключении необходимо предусмотреть аварийное снятие напряжения ближайшим рубильником или автоматам.
При двигателе большой мощности или протяженном механизме необходимо расставить наблюдающих за работой двигателя и механизма.
Сначала двигатель пускается на 1–2 с. При этом проверяется направление вращения, работа механической части и поведение механизма.
При нормальном первом включении двигатель включается до разгона на полные обороты. При этом следят за током нагрузки по амперметру и по поведению двигателя, за состоянием защиты, работой щеток при их наличии, по звуку определяют, нет ли касания вращающихся частей за неподвижные, нет ли вибрации, нагрева подшипников.
При всех замеченных неполадках двигатель немедленно отключается без предупреждения.
При удовлетворительных результатах пробных пусков двигатель включается на более продолжительное время на обкатку. При этом проверяют нагрев подшипников, обмоток, стали магнитопровода.
Как устранить вибрацию электродвигателя
Прежде чем решать, как устранить вибрацию электродвигателя, необходимо точно установить ее причину. Проверьте, надежно ли закреплен агрегат, не нарушена ли сварка частей фундаментной рамы, не разрушен ли бетон фундамента. При включенном движке определите на ощупь и сравните вибрацию лап, болтов крепления и рамы около лап. Положите палец на стык лапы и болта. Если вы чувствуете, что лапа двигателя вибрирует сильно, а болт вибрирует незначительно или совсем не вибрирует, а при работе они смещаются относительно друг друга, причина – недостаточная затяжка болта. При вибрации лапы и болта проверьте тем же способом разницу вибрации на стыках:
- рамы и лапы;
- вертикальной части рамы и верхней полки;
- верхней и нижней полок и ребра жесткости;
- фундамента и нижней полки рамы.
Также на нарушение прочного сопряжения деталей указывают брызги масла или пузыри в местах стыков. Разъедание бетона маслом является причиной нарушения сопряжения между фундаментом и рамой. В этом случае остановите движок и удалите весь пропитанный бетон (даже тот, что на вид сохраняет прочность), затем замените его свежим. При отсутствии видимых дефектов крепления агрегата и рабочего устройства, рамы, фундамента, рассоедините муфту между рабочим механизмом и двигателем и запустите движок на холостом ходу. Если вибрации нет, причина может быть в нарушении центровки, износе полумуфт и/или пальцев, дисбалансе приводного устройства. Вибрация на холостом ходу указывает на дефекты электродвигателя. Отключите его от сети и посмотрите, исчезнет ли вибрация сразу после этого. Если она исчезла – зазор между статором и ротором неравномерен, и его нужно выровнять. Когда двигатель, запущенный на холостом ходу, вибрирует очень сильно, причины могут быть две – либо неравномерный зазор, либо (если зазор равномерен) обрыв стержня ротора. Во втором случае обмотку ротора необходимо отремонтировать. Если после отключения от сети вибрация пропадает не сразу, а постепенно снижается, проверьте баланс ротора. К его неправильному балансу могут привести:
- неуравновешенность полумуфты;
- смещение обмотки;
- изгиб вала или трещины на нем;
- отрыв бочки ротора от вала.
Снимите полумуфту и запустите двигатель без нее. Если после этого он работает нормально, значит, полумуфта не сбалансирована. Установите ее на оправку и проточите на токарном станке по всей наружной поверхности. При вибрации агрегата со снятой полумуфтой выньте ротор и проверьте его на предмет отсутствия дефектов на валу и надежности крепления роторной бочки. Если дефектов не обнаружено, отбалансируйте ротор на станке. Дефекты подшипников качения определяются по уровню производимого ими шума и нагреву. Проблема решается заменой подшипников. Дефекты соединительной муфты, являющиеся причиной вибрации, чаще всего вызваны:
- неуравновешенностью полумуфт;
- разным весом пальцев;
- несоосностью отверстий полумуфт;
- неравномерным износом пальцев;
- сильным износом мягких шайб.
Взвесьте пальцы и пару, имеющую одинаковый вес, установите в противоположные отверстия полумуфт. На сработавшихся пальцах замените кожу или резину. Замените полумуфты с несоосными отверстиями.
Пуск двигателя с фазным ротором
Пусковые свойства асинхронного двигателя зависят от особенностей его конструкции, в частности от устройства ротора.
Примечание. Пуск асинхронного двигателя сопровождается переходным процессом машины, связанным с переходом ротора из состояния покоя в состояние равномерного вращения, при котором момент двигателя уравновешивает момент сил сопротивления на валу машины.
При пуске асинхронного двигателя имеет место повышенное потребление электрической энергии из питающей сети, затрачиваемое не только на преодоление приложенного к валу тормозного момента и покрытие потерь в самой асинхронном двигателе, но и на сообщение движущимся звеньям производственного агрегата определенной кинетической энергии. Поэтому при пуске асинхронный двигатель должен развить повышенный вращающий момент.
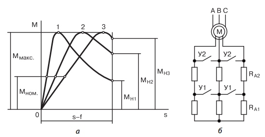
Для асинхронного двигателя с фазным ротором начальный пусковой момент, соответствующий скольжению sп=1, зависит от активных сопротивлений регулируемых резисторов, введенных в цепь ротора (рис. 8).
Так, при замкнутых контактах ускорения У1, У2, т. е. при пуске асинхронного двигателя с замкнутыми накоротко контактными кольцами, начальный пусковой момент Мп1 имеет величину (0,5–1,0)Мном.
Начальный пусковой ток Iп имеет величину (4,5–7)Iном и более.


Рис. 8. Пуск трехфазного асинхронного двигателя с фазным ротором: а — графики зависимости вращающего момента двигателя с фазным ротором от скольжения при различных активных сопротивлениях резисторов в цепи ротора (цифры 1, 2, 3 —
это различные сопротивления в цепи ротора); б — схема включения резисторов и замыкающих контактов ускорения в цепь ротора
Малый начальный пусковой момент асинхронного электродвигателя с фазным ротором может оказаться недостаточным для приведения в действие производственного агрегата и последующего его ускорения.
Значительный пусковой ток вызовет повышенный нагрев обмоток двигателя, что ограничивает частоту его включений, а в маломощных сетях приводит к нежелательному для работы других приемников временному понижению напряжения. Эти обстоятельства могут явиться причиной, исключающей использование асинхронных двигателей с фазным ротором с большим пусковым током для привода рабочих механизмов.
Введение в цепь ротора двигателя регулируемых резисторов, называемых пусковыми, не только снижает начальный пусковой ток, но одновременно увеличивает начальный пусковой момент, который может достигнуть максимального вращающего момента Mmax (рис. 8, а, кривая 3), если критическое скольжение двигателя с фазным ротором
sкр = (R2′ + Rд‘)/(Х1 + Х2′) = 1,
где Rд‘ — активное сопротивление резистора, находящегося в фазе обмотки ротора двигателя, приведенное к фазе обмотки статора.
Примечание. Дальнейшее увеличение активного сопротивления пускового резистора нецелесообразно, так как оно приводит к ослаблению начального пускового момента и выходу точки максимального вращающего момента в область скольжения s > 1, что исключает возможность разгона ротора.
Необходимое активное сопротивление резисторов для пуска двигателя с фазным ротором определяют, исходя из требований пуска, который может быть:
— легким, когда Мп = (0,1 – 0,4)Mном;
— нормальным, если Мп составляет (0,5–0,75)Мном;
— тяжелым — при Мп ≥ Мном.
Для поддержания достаточно большого вращающего момента двигателем с фазным ротором в процессе разгона производственного агрегата с целью сокращения длительности переходного процесса и снижения нагрева двигателя необходимо постепенно уменьшать активное сопротивление пусковых резисторов.
Допустимое изменение момента в процессе разгона M(t) определяется электрическими и механическими условиями, лимитирующими пиковый предел момента М > 0,85Ммах, момент переключения М2 >> Мс (рис. 9), а также ускорение.
Переключение пусковых резисторов обеспечено поочередным включением контакторов ускорения Y1, Y2, соответственно, в моменты времени t1, t2, отсчитываемые с момента пуска двигателя, когда в процессе разгона вращающий момент М становится равным моменту переключения М2. Благодаря этому на протяжении всего пуска все пиковые моменты получаются одинаковыми, а все моменты переключения равны между собой.
Поскольку вращающий момент и ток асинхронного двигателя с фазным ротором взаимно связаны, то можно при разгоне ротора установить:
— пиковый предел тока
I1=(1,5–2,5) Iном;


Рис. 9. Пусковые характеристики трехфазного асинхронного двигателя с фазным ротором
— ток переключения I2, который должен обеспечить момент переключения М2 > Мc.
Отключение асинхронных двигателей с фазным ротором от питающей сети всегда выполняют при цепи ротора, замкнутой накоротко, во избежание появления перенапряжений в фазах обмотки статора, которые могут превысить номинальное напряжение этих фаз в 3–4 раза, если цепь ротора в момент отключения двигателя окажется разомкнутой.
Измерение вибрации электродвигателей
Причины возникновения вибрации
Величина вибрации измеряется на всех подшипниках электродвигателей в горизонтально-поперечном (перпендикулярно оси вала), горизонтально-осевом и вертикальном направлениях.
Измерение вибрации производится:
— в двух первых направлениях — на уровне оси вала;
— в вертикальном направлении — в наивысшей точке подшипника.
Вибрация электродвигателей измеряется виброметрами. Повышенная вибрация, чаще всего, может быть вызвана электромагнитными или механическими причинами.
Электромагнитные причины возникновения вибрации электродвигателей:
— неправильное выполнение соединений отдельных частей или фаз обмоток;
— недостаточная жесткость корпуса статора, вследствие чего активная часть якоря притягивается к полюсам индуктора и вибрирует;
— замыкания различного вида в обмотках электродвигателей;
— обрывы одной или нескольких параллельных ветвей обмоток;
— неравномерный воздушный зазор между статором и ротором.
Механические причины вибрации электродвигателей:
— неправильная центровка электродвигателя с рабочей машиной;
— неисправности в соединительной муфте;
— искривление вала;
— неуравновешенность вращающихся частей электродвигателя или рабочей машины;
— ослабление крепления или посадки вращающихся частей.
Технические характеристики виброметров
Малогабаритный виброметр марки «К1» (рис. 10) предназначен для проведения измерения вибрации в размерности виброскорости (мм/с) в стандартном диапазоне частот от 10 до 1000 Гц. Прибор может быть использован неквалифицированным персоналом.
Преимуществами виброметра К1 являются:
— яркий экран, допускающий работу в широком диапазоне температур, до –20 °С;
— малые габариты и вес;
— возможность длительной работы от встроенных аккумуляторов.
Малогабаритный виброметр марки «Vibro Vision» предназначен для контроля уровня вибрации и экспресс-диагностики дефектов вращающегося оборудования. Позволяет измерять общий уровень вибрации (среднеквадратичное значение, пик, размах), оперативно диагностировать состояние подшипников качения.


Рис. 10. Внешний вид виброметра К1
Виброметр регистрирует сигналы в размерности виброускорения, виброскорости, виброперемещения при помощи встроенного или внешнего датчика. При помощи встроенного вибродатчика виброметр наиболее удобен для простых и оперативных измерений.
При использовании внешнего датчика, устанавливаемого на контролируемом оборудовании при помощи магнита или с использованием щупа, можно проводить более сложные измерения. Дополнительными функциями виброметра «Vibro Vision» являются:
— определение состояния подшипников качения на основе расчета эксцесса виброускорения;
— простейший анализатор вибросигналов.
Прибор позволяет оценивать форму вибросигнала (256 отсчетов) и анализировать спектр вибросигнала (100 линий). Это позволяет «на месте» диагностировать такие дефекты, как небаланс, расцентровку.