Здравствуйте, дорогие читатели. В данной статье рассмотрим что из себя представляет защита от перенапряжения. Поговорим о мерах, которые можно реализовать при организации электроснабжения частного дома. Причём эти работы можно выполнить как при новом строительстве, так и при модернизации существующих систем электроснабжения частного дома.
К примеру, возникновение в бытовой электросети грозового перенапряжения при отсутствии соответствующей защиты приведет к выходу из строя бытовых электроприборов, включенных в тот момент в сеть. А также существует опасность того, что пострадают жители дома. Следовательно, необходимо позаботиться о защите домашней электропроводки от грозовых перенапряжений, чтобы избежать возможных негативных последствий.
Прежде всего, следует отметить, что защита от перенапряжения должна обеспечиваться снабжающей организацией путем установки на линиях электропередач соответствующих защитных устройств. Но, как часто бывает на практике, большинство воздушных линий электропередач находятся в неудовлетворительном состоянии и не имеют должной защиты от возможных перенапряжений. В таком случае вопрос защиты домашней электропроводки от возможных перенапряжений – это проблема самих потребителей.
Как подключить УЗИП в частном доме?
Защитные устройства могут включаться в бытовые электрические сети (с одной фазой и рабочим напряжением 220В) и в токоведущие линии промышленных объектов (три фазы, 380В). Исходя из этого, полная схема подключения УЗИП предусматривает воздействие соответствующего показателя напряжения.
Если роль заземления и нулевого проводника играет общий кабель, то в такой схеме устанавливается простейшее одноблоковое УЗИП. Подключается он следующим образом: фазная жила, подключенная ко входу защитного устройства – выходной кабель, соединенный с общим защитным проводником – защищаемые электроприборы и оборудование.
В соответствии с требованиями современной электротехнической документации нулевой и заземляющий проводники объединяться не должны. Исходя из этого, в новых домах для защиты цепи от скачков напряжения применяется двухмодульный аппарат, имеющий три отдельных клеммы: фаза, нейтраль и заземление.


В таком случае включение устройства в схему производится по другому принципу: фаза и нулевой кабель идут на соответствующие клеммы УЗИП, а затем шлейфом на подсоединенное к линии оборудование. Заземляющий проводник также подключается к своей клемме защитного прибора.
В каждом из описанных случаев чрезмерный ток, возникающий при перенапряжении, уходит в землю по кабелю заземления или общему защитному проводу, не оказывая воздействия на линию и подсоединенное к ней оборудование.
Ответы на вопросы про УЗИП на видео:
Какие меры защиты существуют в данном случае
Первое молниеотвод. Многоэтажки уже снабжены грозозащитой дома в целом. В частных домах, молниеотвод, это забота хозяев. Он должен быть с надёжным, испытанным электролабораторией заземлением и разрядниками различных конструкций.
Чтобы исключить возможное попадание грозового импульса через кабель необходимо его отключить от устройства. Например, отключить сетевой кабель от компьютера или маршрутизатора. Либо если идет речь о телевизоре – отключить антенный кабель или кабель кабельного телевидения.
Но не только молния является причиной замолчавших телевизоров. Отгорел нуль – подпрыгнуло напряжение в каких-то фазах из-за их перекоса и пр..
Типы устройств
Все устройства, обеспечивающие защиту от импульсных перенапряжений, подразделяются на два типа, которые отличаются по конструкции и принципу действия. Рассмотрим, как работает УЗИП разных видов.
Вентильные и искровые разрядники. Принцип действия разрядников основан на использовании эффекта искровых промежутков. В конструкции разрядников предусмотрен воздушный зазор в перемычке, соединяющей фазы линии электропередач с заземляющим контуром. При номинальной величине напряжения цепь в перемычке разорвана. В случае воздействия грозового разряда в результате перенапряжения в ЛЭП происходит пробой воздушного зазора, цепь между фазой и землей замыкается, импульс высокого напряжения уходит напрямую в землю. Конструкция вентильного разрядника в цепи с искровым промежутком предусматривает резистор, на котором происходит гашение высоковольтного импульса. Разрядники в большинстве случаев находят применение в сетях высокого напряжения.


Ограничители перенапряжения (ОПН). Данные устройства пришли на смену устаревшим и громоздким разрядникам. Для того чтобы понять, как работает ограничитель, надо вспомнить свойства нелинейных резисторов, принцип работы ОПН построен на использовании их вольтамперных характеристик. В качестве нелинейных резисторов в УЗИП используется варистор. Для людей не искушенных в тонкостях электротехники, немного информации, из чего состоит и как он работает. В качестве основного материала для изготовления варисторов служит оксид цинка. В смеси с окислами других металлов создается сборка, состоящая из p-n переходов, обладающая вольтамперными характеристиками. Когда величина напряжения в сети соответствует номинальным параметрам, ток в цепи варистора близок к нулю. В момент возникновения перенапряжения на p-n переходах происходит резкое возрастание тока, что приводит к снижению напряжения до номинальной величины. После нормализации параметров сети варистор возвращается в непроводящий режим и влияние на работу устройства не оказывает.


Компактные размеры ОПН и обширный диапазон разновидностей данных приборов позволили значительно расширить область применения этих устройств, появилась возможность использования УЗИП, как средства защиты от перенапряжений для частного дома или квартиры. Однако ограничители импульсных напряжений, собранные на варисторах, несмотря на все свои преимущества по сравнению с разрядниками, имеют один существенный недостаток – ограничение ресурса работы. Вследствие встроенной в них тепловой защиты, прибор после срабатывания остается некоторое время неработоспособным, по этой причине на корпусе УЗИП предусмотрено быстросъемное устройство, позволяющее произвести быструю замену модуля.
Более подробно о том, что такое УЗИП и какое у него назначение, вы можете узнать из видео:
https://youtube.com/watch?v=Xp-bwkpuQBA
Виды ОПН
Вы уже поняли, что конструкция бывает совершенно разных типов в зависимости от способов применения, но всё-таки со всеми устройствами так и не ознакомились. Как выбрать ограничитель перенапряжения для дома вы узнаете ниже, узнав в деталях все возможные видовые особенности.


Различаются ОПН по следующим характеристикам:
- Изоляционный тип (полимерный или фарфорный)
- Количество колонок
- Величина стандартного напряжения
- Установочное место прибора
Можно потом углубиться в конкретные особенности и отличия трехфазных и однофазных приборов. Есть к тому же и классификация, которая относится к месту установки – делятся на B, C и D. Но нам куда важнее разобраться с техническими свойствами.


Классификация УЗИП
Аппараты защиты от импульсных напряжений являются широким и обобщенным понятием. В эту категорию устройств входят приборы, которые можно подразделить на классы:
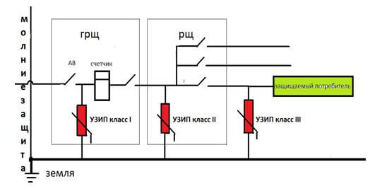
- I класс. Предназначены для защиты от непосредственного воздействия грозового разряда. Данными устройствами в обязательном порядке должны укомплектовываться вводно-распределительные устройства (ВРУ) административных и промышленных зданий и жилых многоквартирных домов.
- II класс. Обеспечивают защиту электрических распределительных сетей от перенапряжений, вызванных коммутационными процессами, а также выполняющие функции второй ступени защиты от воздействия удара молнии. Монтируются и подключаются к сети в распределительных щитах.
- III класс. Применяются, чтобы обезопасить аппаратуру от импульсных перенапряжений, вызванных остаточными бросками напряжений и несимметричным распределением напряжения между фазой и нулевым проводом. Устройства данного класса работают также в режиме фильтров высокочастотных помех. Наиболее актуальны для условий частного дома или квартиры, подключаются и устанавливаются непосредственно у потребителей. Особой популярностью пользуются устройства, которые изготавливаются, как модули, оснащенные быстросъемным креплением для установки на din-рейку, либо имеют конфигурацию электрических штепсельных розеток или сетевых вилок.


Правила и особенности установки
Установку устройств защиты от перенапряжения регламентируют Правила устройства электроустановок (ПУЭ), являющиеся основным нормативным документом в вопросах безопасного обслуживания электрических установок. Согласно требованиям ПУЭ, устройства защиты от перенапряжения подлежат обязательной установке на объектах с предусмотренной системой молниезащиты, а также в домах, электроснабжение которых осуществляется по проводам воздушных линий, в регионах, с годовой продолжительностью грозовых периодов, превышающих 25 часов.
Необходимость подключения УЗИП на объектах в районах, где грозы не являются частым явлением, носит рекомендательный характер, однако, учитывая, к каким разрушительным последствиям может привести прямой удар молнии, целесообразно выполнить все необходимые мероприятия для защиты от данного вида стихии даже для негрозоопасной местности.


Защита от импульсных напряжений промышленных и административных зданий, многоквартирных домов входит в сферу деятельности электромонтажных организаций. Установка и подключение УЗИП в частном доме или в квартире ложится на плечи хозяина жилья, поэтому каждому домовладельцу необходимо, хотя бы в общих чертах, знать основные правила обустройства защиты от импульсных перенапряжений, а также как установить и как подключить необходимое для этого оборудование.
Монтаж УЗИП необходимо выполнить соблюдая требования технических нормативов, которые предусматривают 3 уровня защиты. В качестве первого уровня защиты находят применение вентильные разрядники, которые относятся к категории УЗИП 1 класса. Они обеспечивают защиту от непосредственных грозовых воздействий на линии электропередач и устанавливаются в ВРУ (вводных распределительных устройствах). Дополнительная защита от удара молний и коммутационных процессов в понижающих трансформаторных подстанциях обеспечивается защитными аппаратами 2 класса, которые устанавливаются и подключаются в распределительных щитах дома или квартиры. Для защиты электроники и электротехники, чувствительной даже к незначительным импульсным перенапряжениям служат УЗИП 3 класса, подключение которых производится в щитке питания потребителей в непосредственной близости от них.
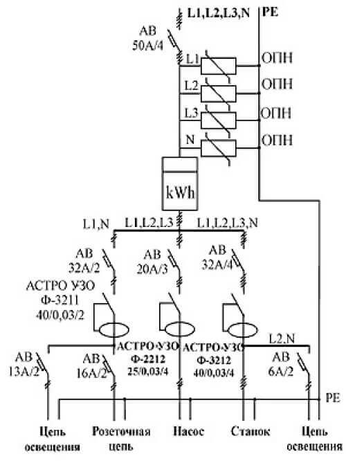
Как установить оборудование для того, чтобы обеспечить трехступенчатую защиту от импульсных перенапряжений, показано на схеме:


Более доступное объяснение:


Источники возникновения импульсных помех
Импульсная помеха (ИП) создается мгновенным всплеском напряжения в электросети с амплитудой более 4–6 тыс. В. ИП бывают в виде одиночного или множества (пачки) чередующихся импульсов. Это самая распространенная «болезнь» электросетей и наносит непоправимый вред электронным компонентам бытовой техники. Защита от ИП — питание оборудования с помощью сетевых фильтров. Другие системы защиты электрооборудования практически не настроены на защиту от ИП, поэтому не могут ее обеспечить.
Различают источники ИП:
- Природные источники — удары молний поблизости с электросетями (воздушными или подземными), зона действия до 20 км.
- Техногенные источники — процессы коммутации в период оперативного управления системами электропередач (включения/выключения) и аварийных ситуаций на трансформаторных подстанциях.
Согласно оперативным данным, наиболее часто встречаются ИП техногенного характера, что объяснимо уровнем изношенности сетей и большой потребительской нагрузкой.
Виды УЗИП и принципы работы
Все приборы УЗИП имеют одно назначение, защиту оборудования в электросетях от импульсного перенапряжения. Достижение этой цели осуществляется разными путями, поэтому изделия отличаются по принципу работы и конструкции.


На графиках справа показано как УЗИП срезает импульс перенапряжения
Искровые разрядники – работают по принципу искрового разряда в промежутках между проводниками фазы и заземления.


В перемычку между этими линиями ставится разрядник с разрывом цепи, воздушный зазор рассчитан на пороговое значение перенапряжения. При превышении установленного порога, воздушный зазор пробивается, ток с фазного проводника уходит в контур заземления, не доходя до бытовой техники и другого оборудования.
Вентильные разрядники – работают по такому же принципу, но с одной стороны воздушного зазора находится сопротивление, которое рассеивает энергию импульса напряжения.


Модели УЗИП на разрядном принципе имеют большие габариты, используются в сетях высокого напряжения на участках между ЛЭП и трансформаторных подстанций, это старые, но надежные конструкции. Постепенно их вытесняют ОПН (Ограничители напряжения).
Ограничители перенапряжения — в данном случае в качестве перемычки ставят варисторы обладающие свойствами нелинейного резистора. Для не посвященных, варисторы обладают уникальными вольт — амперными характеристиками для пропускания больших токов высокого напряжения.


Основой состава варистора является оксид цинка с добавлением окисей разных металлов, в такой смеси создается структура последовательности p-n переходов. Пропорции состава примесей и концентрация определяют пороговое напряжение, при котором p-n переходы открываются и ток устремляется в заземляющий контур. После снижения напряжения до установленной нормы p-n переходы закрываются, ток снижается до нулевого значения. Таким образом, импульсы перенапряжения отводятся от цепи потребителей.


Виды малогабаритных варисторов
Преимущество последней технологии в том, что она позволяет изготовить приборы компактные приборы в широком диапазоне величин напряжения, которые можно устанавливать в РЩ квартир и частных домов.
Недостаток приборов на варисторах в том, что элементы тепловой защиты после срабатывания подлежат замене, это снижает ресурс работы до 20 срабатываний. Для быстрого извлечения и установки УЗИП в цепи предусматривают специальные съемники.
Защитные устройства
Можно выделить несколько разновидностей устройств защиты. Отличаются они выполнением разных функций и разной стоимостью.


Сетевой фильтр является самым простым и недорогим средством защиты бытовой техники с небольшой мощностью. Он превосходно справляется с бросками, достигающими 450 В.


Основным элементом защиты сетевика является варистор – полупроводник, способный менять сопротивление в зависимости от возникающего напряжения. Именно этот элемент фильтра возьмет на себя удар при серьезном скачке.


Кроме того, фильтр способен защитить технику от помех высокой частоты. Помимо указанных защитных узлов фильтр оснащен плавким предохранителем, который сработает при коротком замыкании.


В качестве защиты электросети на разных ее уровнях – от перехода с воздушной линии на кабельную до конкретных приборов внутри дома – используют модульные ограничители перенапряжения. Являясь по сути разрядником для защиты от перенапряжений, ограничитель в качестве главного рабочего органа имеет все тот же варистор.


Стабилизатор способен выровнять скачущее напряжение в соответствии с номинальным. Если установить рамки, к примеру, в диапазоне от 200 до 250 В, то качественное устройство будет выдавать необходимые 220 В до тех пор, пока напряжение не выйдет за пределы указанного диапазона. Прибор отключит подачу питания до тех пор, пока напряжение не вернется в заданные границы.


Для сельской местности монтаж стабилизатора иногда является единственным средством повышения напряжения до необходимых значений. Стабилизаторы бывают двух видов:
- линейные – к ним можно подключить несколько бытовых приборов;
- магистральные – монтируются на входе электрической сети в дом или квартиру.


Источники бесперебойного питания продолжают подачу напряжения к подключенным приборам даже после срабатывания защитной системы или отключения электроэнергии. Время работы будет зависеть от аккумулятора и мощности потребителей.


Зачастую к ним подключают компьютеры с целью избежать потери данных во время внезапного сбоя. Среди современных устройств зарекомендовали себя модели, способные через USB-порт контролировать редактор текстов (например, сохранить файл) в случае возникновения внештатной ситуации.
Устройства защиты от импульсных перенапряжений в отличие от вышеперечисленных средств превосходно справляются с высоким напряжением. На основе таких устройств можно организовать защиту всех внутренних линий электропередачи частного дома.


Импульсы, которые могут возникнуть из-за грозы, превосходят способности этого устройства. Поэтому сфера применения реле защиты от перенапряжения – электрическая сеть внутри дома.


Для защиты частного дома от скачков напряжения устанавливаются специальные устройства, выбор которых велик. Будет лучше, если работу выполнят профессионалы, поскольку в домашних условиях вряд ли позволят настроить разработанную схему подключения защиты от перенапряжения и тем более провести ее тест в режиме критической ситуации.


Следует также помнить, что все операции с щитком, проводкой и приборами нужно проводить строго при выключенном электропитании.


Возможные последствия скачков напряжения
Производители электрической техники учитывают нестабильный характер напряжения и возможность его скачков и падений. Например, прибор с номинальным напряжением 220 вольт может работать при 200В и выдерживать скачки до 240В. При этом регулярная работа аппаратуры при больших отклонения от нормы сокращает срок ее эксплуатации. Сильные скачки напряжения могут вывести технику из строя, и даже нанести ущерб имуществу и здоровью, например, вызвав пожар.
Справка. Поломки электрических приборов в результате скачков напряжения не покрываются договорами о гарантийном обслуживании, то есть бремя расходов на ремонт и замену ложится на владельца, что может стать серьезным ударом по семейному бюджету. В некоторых случаях существует возможность предъявления иска к поставщику электроэнергии, однако это долго, сложно и дорого, а также не гарантирует успеха. Проще заранее предусмотреть защиту своего дома от подобных неприятностей.
Виды ОПН
Конструкции ОПН, предлагаемые производителями энергетикам весьма разнообразны, их различают по следующим признакам:
- Типу изоляции (фарфор или полимер).
- Конструктивному исполнению (одна или несколько колонок).
- Величине рабочего напряжения.
- Месту установки ограничителя.


Если говорить об ограничителях перенапряжения, устанавливаемых на DIN-рейку, то тут устройства первоначально разделяются на однофазные и трехфазные. Помимо этого модульные ОПН (они же УЗИП), делятся на три основных класса: B, C и D. Ограничители класса B устанавливаются на вводе в здание, C — непосредственно в распределительном щите квартиры либо дома, D — на отдельное оборудование, которое нужно защитить от помех, если с этим не справились ОПН класса B и C. Подробнее о модульных ограничителях перенапряжения вы можете узнать из видео:
Длительные перенапряжения и провалы из-за недостатка напряжения
Как правило, причиной длительных перенапряжений в сетях становится обрыв нулевого провода. В этом случае нагрузка на фазные жилы распределяется неравномерно, что приводит к перекосу фаз, когда разность потенциалов смещается к проводнику с максимальной нагрузкой.
Таким образом, неравномерный трехфазный ток, воздействуя на нулевой кабель, находящийся без заземления, способствует концентрации на нем избыточного напряжения. Этот процесс будет продолжаться до полного устранения неисправности или до тех пор, пока линия окончательно не выйдет из строя.
Другим опасным состоянием сети является провал или недостаток напряжения. Подобные ситуации очень часто возникают в сельской местности. Суть явления заключается в падении напряжения ниже допустимой величины. Такие проседания представляют серьезную опасность и реальную угрозу для оборудования. Многие современные приборы оборудованы несколькими блоками питания и недостаточное напряжение приводит к кратковременному выключению одного из них.
В результате, последует незамедлительная реакция электронной аппаратуры в виде ошибки, выведенной на дисплей, и полной остановки рабочего процесса. Если подобная ситуация сложилась с отопительным котлом в зимнее время года, тогда отопление дома будет прекращено. Устранить проблему возможно с помощью стабилизатора, фиксирующего такие проседания и поднимающего напряжение до номинальной величины.
Основные причины возникновения скачков напряжения в сети


Скачки напряжения могут отличаться по величине отклонения от нормы, по своей продолжительности и динамике возрастания/убывания в зависимости от причин их возникновения:
- Большая нагрузка на сеть. Одновременное подключение большого числа электроприборов при недостаточной мощности сети приводит к нестабильности напряжения. Это может быть заметно, например, как мерцание лампочек или внезапное выключение электроприборов. Данное явление встречается часто, особенно по вечерам;
- Мощный потребитель по соседству. Случается, если рядом находятся промышленные объекты, торговые центры, офисные здания с мощной вентиляционной системой и так далее.
- Обрыв нулевого провода. Нулевой провод выравнивает напряжение у потребителей электроэнергии. При его обрыве (сгорании, окислении) часть потребителей получат повышенное напряжение (а другие заниженное), что с высокой вероятностью приведет к выходу из строя незащищенной электротехники.
- Ошибки при подключении. Например, если были перепутаны нулевой и фазный провода;
- Плохая проводка. Сбои возникают из-за изношенности проводки, использования некачественных материалов и неправильно выполненных монтажных работ.
- Удар молнии. Попадание молнии в линии электропередачи может вызывать стремительный скачек напряжения в тысячи вольт. Представляет особую опасность, так как средства защиты не всегда успевают сработать.


Как работает УЗИП?
УЗИП устраняет перенапряжения:
- Несимметричный (синфазный) режим: фаза — земля и нейтраль — земля.
- Симметричный (дифференциальный) режим: фаза — фаза или фаза — нейтраль.
В несимметричном режиме при превышении напряжением пороговой величины устройство защиты отводит энергию на землю. В симметричном режиме отводимая энергия направляется на другой активный проводник.
Схема подключения УЗИП в однофазной и трехфазной сети системы TN-S. В системе заземления TN-C применяется трехполюсное УЗИП. В нем нет контакта для подключения нулевого проводника.


Схема подключения УЗИП в однофазной и трехфазной сети системы TN-S. В системе заземления TN-C применяется трехполюсное УЗИП. В нем нет контакта для подключения нулевого проводника
В разрядниках при воздействии грозового разряда в результате перенапряжения пробивает воздушный зазор в перемычке, соединяющей фазы с заземляющим контуром, и импульс высокого напряжения уходит в землю. В вентильных разрядниках гашение высоковольтного импульса в цепи с искровым промежутком происходит на резисторе.
УЗИП на основе газонаполненных разрядников рекомендуется к применению в зданиях с внешней системой молниезащиты или снабжаемых электроэнергией по воздушным линиям.
В варисторных устройствах варистор подключается параллельно с защищаемым оборудованием. При отсутствии импульсных напряжений, ток, проходящий через варистор очень мал (близок к нулю), но как только возникает перенапряжение, сопротивление варистора резко падает, и он пропускает его, рассеивая поглощенную энергию. Это приводит к снижению напряжения до номинала, и варистор возвращается в непроводящий режим.
УЗИП имеет встроенную тепловую защиту, которая обеспечивает защиту от выгорания в конце срока службы. Но со временем, после нескольких срабатываний, варисторное устройство защиты от перенапряжений становится проводящим. Индикатор информирует о завершении срока службы. Некоторые УЗИП предусматривают дистанционную индикацию.
Сетевые фильтры


Если фильтр не может справиться с помехами, то он отключает питание встроенным предохранителем. Защита от перенапряжения применяется для бытовых многоуровневых компьютерных сетей. Схема сетевого фильтра обеспечивает один из самых простых, дешевых и эффективных способов защиты от перенапряжения. Обычно это связано с регулируемым выходом и защищенным контуром или нагрузкой. СФ, функционирующие на базе транзистора, управляют выходным током и напряжением. Устройство защиты отключает оборудование, когда напряжение превышает заданное значение.
Часто задаваемые вопросы
- Есть ли смысл устанавливать плавкий предохранитель на линию нейтрали?
Да, при обрыве линий ЛЭП фаза часто попадает на нейтраль или заземление, в этом случае на розетку могут прийти две разные фазы это 380В. В нейтральную жилу или в заземление может попасть молния это сотни тысяч вольт.
- Если через УЗИП при скачке напряжения проходит сотни тысяч вольт, какого сечения провода надо ставить?
Провода устанавливаются с расчетным сечением для всего дома на вводной автомат, если УЗИП ставится на отдельную группу освещения или розеток, то сечение такое же, как и в проводах этой группы. На вводе обычно 10 -16 мм2,
Группы освещения 07-1,5 мм2, розетки 2.5 – 4 мм2.
Варианты подключения
Одним из важнейших вопросов является, как подключить УЗИП в щитке. Практически все варианты подключения идентичны и указаны в техническом паспорте изделия. Способы монтажа приборов защиты могут отличаться, в зависимости, где они будут установлены, в однофазной или трехфазной сети, также в зависимости от системы заземления.
Самой современной и отвечающая всем требованиям безопасности является система заземления tn-s, при которой нулевой рабочий (N) и нулевой защитный (PE) провод во всей системе энергоснабжения работают раздельно. Система tn-c-s представляет комбинированный вариант, при котором N и PE от источника питания до ВРУ дома объединены в один провод, после которого начинается разделение нулевого и защитного проводника. Следует помнить, что данная схема не будет работать без заземления, поэтому необходимо обязательно произвести его обустройство. Система tn-c наиболее простая и распространенная в устаревшем жилом фонде система заземления, при которой роль нулевого и рабочего проводника выполняет один провод (PEN).
Ниже на схеме показано, как подключить УЗИП класса II в однофазной сети, установленного в щитке квартиры или частного дома с двумя вариантами системы заземления. Для такого варианта подключения необходимо подобрать простейший одноблочный защитный аппарат, с соответствующим рабочим напряжением.
Схема подключения с системой заземления tn-c:


Если предусмотрена система заземления tn-s, в данном случае потребуется установка и подключение УЗИП, состоящего из двух модулей, конструкцией которого предусмотрены отдельные клеммы, для подключения фазного, нулевого рабочего и защитного проводов, обозначенные соответствующей маркировкой.


Подключение УЗИП в трехфазной сети осуществляется так, как показано на фото:


При монтаже УЗИП следует предусмотреть средства защиты сети в случае короткого замыкания в приборе и произвести его подключение через автомат или через предохранитель. Установку аппарата можно производить до и после счетчика, во втором случае прибор учета электроэнергии останется не защищенным от импульсного перенапряжения.
На видео ниже наглядно демонстрируется, как подключить данный аппарат в щитке:
Вот мы и рассмотрели, как должно выполняться подключение УЗИП в щитке. Надеемся, предоставленная схема, видео и фото примеры пригодились вам и помогли понять, как подключить данный защитный аппарат.
Будет полезно прочитать:
- Как сделать заземление в доме
- Для чего нужно УЗО в квартире
- Как сделать громоотвод своими руками
- Схемы подключения реле напряжения
Способы защиты от скачков напряжения
В зависимости от характеристик скачка напряжения и природы его возникновения используются различные устройства защиты. Рассмотрим основные из них:
Сетевой фильтр


Простое и доступное решение для защиты маломощного оборудования. Обычно представляет собой удлинитель или моноблок с вилкой, розеткой (или розетками) и выключателем с индикацией подачи питания. Следует отличать сетевые фильтры от обычных удлинителей, которые не имеют защиты, но очень похожи по виду. Защищает от скачков до 400 — 500 вольт, а ток нагрузки не может превышает 5 — 15 А.
Справка. С технической стороны сетевой фильтр представляет собой нехитрую систему из нескольких конденсаторов и катушек индуктивности. При этом блоки питания большинства современных электроприборов уже имеют в своем составе схемы, выполняющие аналогичную функцию. То есть на практике сетевые фильтры часто выполняют роль простого удлинителя с дополнительной защитой от скачков в сети.
Реле защиты РКН и УЗМ


Устройство прерывает подачу электроэнергии, если напряжение выходит за пределы допустимых значений. После возвращения напряжения в установленные рамки подача восстанавливается (автоматически или в ручную в зависимости от модели). Устройство подключается после входного автомата.
Основные достоинства РКН и УЗМ:
- Скорость срабатывания в несколько миллисекунд;
- Выдерживает нагрузку от 25 до 60 А;
- Небольшие размеры и удобный монтаж;
- Достаточные диапазоны максимального и минимального напряжения;
- Отображение показателей электрического тока в реальном времени;
Прибор эффективен для защиты от разрыва нулевого провода и умеренных скачков напряжения. Однако реле не могут обеспечить стабильное напряжение и защитить от импульсного скачка, вызванного ударом молнии.
Расцепитель минимального-максимального напряжения (РММ)


Устройство защищает от высокого и низкого напряжения. Эффективен в случае разрыва нулевого провода и перекоса фаз в трехфазной сети, но не защищает от высоковольтных импульсов.
Прибор отличается небольшими размерами, простотой установки и доступной ценой.
Обратите внимание. РММ не оснащен функцией автоматического включения, что может привести к порче продуктов в холодильнике, остановке отопления помещений в зимний период и подобным проблемам.
Стабилизаторы


Приборы используются для «сглаживания» подачи электроэнергии в сетях, склонных к нестабильной работе. Эффективны в случае падения мощности, но могут не справиться с высоким напряжением.
К достоинствам прибора относятся: длительный срок эксплуатации; быстрое срабатывание; поддержание напряжения на стабильном уровне. Главным недостатком стабилизаторов является высокая цена.
Модульные ограничители перенапряжения
Для защиты электросетей на распределительных подстанциях, а также непосредственно на воздушных линиях электропередач применяются нелинейные ограничители перенапряжений, так называемые ОПН. Основной конструктивный элемент данных защитных устройств – варистор, элемент с нелинейными характеристиками. Нелинейность характеристик заключается в изменении сопротивления варистора в зависимости от величины приложенного к нему напряжения.
Модульный ограничитель перенапряжения
В нормальном режиме работы электросети, когда напряжение находится в пределах номинальных значений, ограничитель напряжения имеет большое сопротивление и не проводит ток. В случае возникновения импульса перенапряжения, который возникает при попадании молнии в провода электрической сети, сопротивление варистора ОПН резко снижается до минимальных значений и нежелательный импульс уходит в заземляющий контур, к которому подсоединен ограничитель перенапряжения.
Таким образом, ОПН ограничивает скачки напряжения до безопасного уровня. Тем самым защищая оборудование и потребителей от повреждения и других негативных последствий перенапряжений.
Для реализации защиты от перенапряжений в домашней электропроводке существуют компактные модульные ограничители перенапряжений. Такое защитное устройство устанавливается в домашний распределительный щиток и не занимает много места.
Модульный ОНП имеет такой же принцип работы, как и ограничители, применяемые в электросетях. Соответственно он будет работать только при наличии рабочего заземления электропроводки. В противном случае установка модульного ОПН будет бесполезна, так как в случае возникновения перенапряжения в сети опасный импульс не будет ограничен.


Ограничитель импульсных перенапряжений ОПС1-С
То есть для реализации защиты домашней электропроводки от грозовых перенапряжений при помощи модульного ограничителя перенапряжений обязательным условием должно быть наличие работоспособного заземления.
Вывод
В заключении следует отметить, что попадание разряда молнии в бытовые электроприборы, электропроводку очень опасно для людей, находящихся в данный момент в непосредственной близости к данным электроприборам. Если бытовой электроприбор, поврежденный разрядом молнии, можно отремонтировать либо приобрести новый, то для человека это может закончиться плачевно.
Также не исключено возгорание техники или электропроводки в результате попадания грозового импульса. Следовательно, нельзя пренебрегать защитой домашней электропроводки от грозовых перенапряжений. А также стараться по возможности отключать сетевые кабели и внешние антенны в случае приближения грозы.
Как подключить ОИН-1 в щитке
У этого устройства есть ряд функциональных аналогов от всех популярных производителей электротехники, поэтому и схемы их подключения в принципе аналогичны. В официальной документации схема подключения не слишком очевидна, она представлена в двух вариантах и выглядит следующим образом:


Обратите внимание первый вариант – подключение параллельно защищаемой цепи, а второй – последовательно с разъединителем. То есть в результате срабатывания ограничителя импульсных напряжений разъединитель должен разорвать цепь питания, чтобы избежать возгорания изделия и протекания тока по электрической дуге
Но приведенная схема совсем не наглядно и не понятно изображена, и сразу возникает вопрос о том, как правильно установить аппарат. Поэтому ознакомьтесь с несколькими примерами подключения УЗИП в электросеть.
На рисунке ниже изображена типовая схема из условий для подключения 3 фаз. Здесь более наглядно изображено подключение ограничителей напряжения до счётчика. В трёхфазной цепи с системой заземления TN-S или TN-C-S его подключают между фазами, нулём и землёй. Но подключение ОИН-1 после счетчика тоже допустимо как дополнительная ступень защиты.


Монтажная схема на примере подключения в двухпроводной электросети:
И напоследок рассмотрим схемы для четырёх разных схем электроснабжения (1 фаза, 3 фазы, объединённый и разъединённый защитные проводники), которые встречаются наиболее часто:


Разновидности УЗИП
Эти аппараты могут иметь один или два ввода. Включение как одновводных, как и двухвводных устройств всегда производится параллельно цепи, защиту которой они обеспечивают. В соответствии с типом нелинейного элемента УЗИП подразделяются на:
- Коммутирующие.
- Ограничивающие (ограничитель сетевого напряжения).
- Комбинированные.


Коммутирующие защитные аппараты
Для коммутирующих устройств, находящихся в обычном рабочем режиме, характерно высокое сопротивление. Когда происходит резкое увеличение напряжения в электрической сети, сопротивление прибора мгновенно падает до минимального значения. Основой коммутирующих аппаратов защиты сети являются разрядники.
Ограничители сетевого перенапряжения (ОПН)
Ограничитель импульсных перенапряжений также характеризуется высоким сопротивлением, плавно снижающимся по ходу возрастания напряжения и повышения силы электротока. Постепенное снижение сопротивления – это отличительная черта ограничивающих УЗИП. Ограничитель сетевого перенапряжения (ОПН) имеет в своей конструкции варистор (так называется резистор, величина сопротивления которого находится в нелинейной зависимости от воздействующего на него напряжения). Когда параметр напряжения становится больше порогового значения, происходит резкое увеличение силы тока, проходящего через варистор. После сглаживания электрического импульса, вызванного коммутационной перегрузкой или ударом молнии, ограничитель сетевого напряжения (ОПН) возвращается в обычное состояние.


Комбинированные УЗИП
Устройства комбинированного типа сочетают в себе возможности коммутационных и ограничивающих аппаратов. Они могут как коммутировать разность потенциалов, так и ограничивать ее возрастание. При необходимости комбинированные приборы могут выполнять одновременно обе этих задачи.
Классы стойкости электропроводки
Все электроприборы в бытовых зданиях разделяется по четырем основным категориям, в зависимости от максимально выдерживаемого перенапряжения:
- IV категория – до 6 киловольт;
- III категория – до 4 киловольт;
- II категория – до 2,5 киловольт;
- I категория – до 1,5 киловольт.
В соответствии с этими категориями выстраивается система защиты, которая сокращенно называется узо (устройство защитного отключения) с защитой от перенапряжения, в целях маркетинга их чаще всего называют ограничителями, используют и другие наименования. Ограничители монтируются по ходу движения возможного импульса. Так, на участке от вводного щитка идет 6-киловольтный импульс, в первой зоне он снижается ограничителем перенапряжения до 4 киловольт, в следующей зоне он падает до 2,5 киловольт, а в жилой зоне с помощью УЗИП III категории потенциал импульса снижают до 1,5 киловольт. Устройства защиты всех классов функционируют в комплексе, последовательно понижая потенциал до нормальных значений, с которыми легко справляется изоляция домашней электропроводки.
Важно! При неисправности хотя бы одного из звеньев этой защитной цепочки может возникнуть электропробой в изоляции, что приведет к выходу конечного электроприбора из строя. Поэтому необходимо периодически проверять исправность каждого элемента устройств защитного отключения.
Недостаток напряжения (провал)
Это явление особенно хорошо знакомо людям, проживающим в деревнях и селах. Провалом (проседанием) называется падение величины напряжения ниже допустимого предела.
Опасность проседаний заключается в том, что в конструкцию многих бытовых приборов входит несколько блоков электропитания, и недостаток напряжения приведет к тому, что один из них кратковременно выключится. Аппарат среагирует на это выдачей ошибки на дисплее и остановкой работы.


Если речь идет об отопительном котле, а неисправность произошла в зимнее время, то дом останется без отопления. Избежать такой ситуации поможет подключение стабилизатора. Этот прибор, зафиксировав проседание, повысит величину напряжения до номинала. Стабилизатор может спасти ситуацию, даже если напряжение в сети упало по вине трансформаторной подстанции.