Для удовлетворения современных требований освещения квартир, офисных помещений и предприятий используются сложные системы электрификации. При их проектировании для решения отдельных задач применяется ряд оборудования, которое постоянно усовершенствуется.
Так, импульсное реле для управления освещением из нескольких мест стало использоваться относительно недавно. Постепенно оно вытесняет стандартные схемы с проходными выключателями.
Импульсные реле или проходные выключатели
В длинных коридорах, на лестницах при подъеме с первого на второй этаж, в спальнях, очень удобно включать свет при входе, а выключать его совсем в другом месте (на выходе или возле кровати).




Везде в таких случаях электрики рекомендуют устанавливать проходные (маршевые) и перекрестные выключатели.


В чем же существенная разница между ними и импульсными реле? И почему все отказываются от выключателей?
Как выглядит схема подключения на проходных? Как правило, питание первых делом подводится к ответвительной коробке под потолком, а далее от нее к самим выключателям. Для монтажа применяется трехжильный кабель ВВГнг-Ls 3*1.5мм2.
Чем больше переключателей вы будете ставить, тем больше проводов вам потребуется.


При монтаже проходных двухклавишников, у вас уже появляется 6 контактов, к каждому из которых нужно подвести провода.
А попробуйте такой пучок грамотно соединить в распредкоробке? Не всякий электрик сразу разберется с такой схемой подключения.
При этом каждый из выключателей пропускает непосредственно через себя весь ток нагрузки. А значит при коммутациях или коротком замыкании, вполне возможно выгорание контактов.


Еще одной особенностью проходных является отсутствие фиксированного положения клавиши. Вы не можете по ее состоянию понять, включен выключатель или отключен, как это делается на одноклавишнике.


Это будет напрямую зависеть от других “собратьев”, собранных в одну цепочку. Что не всегда удобно и требует привыкания.
При использовании импульсных реле, применяются уже другие виды выключателей – кнопочные, звонковые или нажимного типа.


Обратите внимание, простые одноклавишники или двухклавишники здесь не подойдут.


За редким исключением, например для реле Меандр РИО-2. Но об этом чуть позже.
Исходя из этого факта, на импульсные реле нельзя подавать сигнал слишком длительное время, иначе у него сгорит катушка. Некоторые производители предупреждают, что время непрерывной подачи сигнала на их моделях должно составлять не более 1 минуты.


А некоторые детки очень любят поиграться с такими кнопочками, после чего они и выходят из строя.
Кнопочные выключатели внешне напоминают обычные, только внутри их конструкции имеется возвратная пружинка, которая после каждого нажатия возвращает клавишу и контакт в исходное положение.
Есть и двухклавишные кнопки в одном корпусе.


Они пригодятся, когда вы захотите подключить от одного реле общее освещение на кухне и одновременно подсветку рабочей зоны столешницы.


Либо в зале – люстру и подсветку по периметру, плюс отдельно бра.
Многие вместо специальных выключателей используют подпружиненные кнопки для дверных звонков.
Структурная схема бистабильного реле
Принцип работы импульсного реле показан на анимированом рисунке (присмотритесь к нему внимательно):
- Фазовый потенциал ( L ) идёт как на кнопу, так и на реле.
- Когда используем кнопку ( S1 ), чтобы подать потенциал на реле, оно замыкает внутренний контакт реле и подает питание для лампы, даже если кнопка ( S1 ) будет отпущена.
- Последующая подача на реле потенциала с помощью кнопки отключит лампу до тех пор, пока кнопка не будет нажата снова.
- И лампа, и реле должны быть подключены к нейтральному ( N ) проводу, чтобы все функционировало так, как должно.
Сравнение схемы на проходных выключателях и импульсных реле
Самое главное преимущество всех этих реле заключается в том, что кнопки между собой подключаются параллельно и для этого достаточно двухжильного провода.




В независимости от того, какое количество кнопок вы задействуете – две, три, четыре и т.д.
Это существенно экономит затраты на кабель и упрощает подключение освещения.
Сравните наглядно схему и количество проводов одного и того же помещения, при монтаже проходных выключателей и импульсных реле.




Как видите, во втором случае присутствует минимум двойная экономия (двухжильный кабель вместо четырехжильного, меньшее количество соединений, больше свободного места в распредкоробках). Функционал освещения в комнате от этого нисколько не пострадал.
Принцип действия и особенности установки
Работа осуществляется с помощью импульсной подачи: один импульс включает, другой выключает реле. Из-за наличия двух рабочих состояний — включенного и отключенного — такое устройство носит еще название бистабильного или блокировочного.


Как подключить импульсное реле
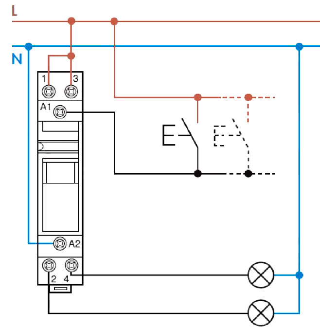
Чтобы правильно подключить импульсное реле, нужно понимать какие у него есть контакты и за что они отвечают.
Как правило, это:
- два контакта на катушку питания А1-А2


На один из них, фаза либо ноль приходят постоянно, а на другой, как раз-таки и подается импульс после нажатия кнопки.
- силовые контакты 1-2, 3-4 и т.д.


Проходя через них, ток поступает на светильник.
Вот простейшая схема подключения одного импульсного реле на группу кнопочных выключателей.


Обратите внимание, что в импульсном реле нагрузка вовсе не проходит через кнопку. Нажимая ее, вы всего лишь даете импульс на катушку, которая и замыкает силовой контакт.






В некоторых моделях подавать управляющий импульс можно как через фазный проводник, так и через нулевой.


Представьте, что существенная и разветвленная часть эл.проводки у вас в доме даже не будет находится постоянно под напряжением, как это происходит с обычными выключателями света. Насколько это повысит пожаро и электробезопасность!
Некоторые разновидности имеют сразу несколько контактов. От них можно подключать две, три и более групп освещения.


Прохождение всей нагрузки через реле означает, что подгорание или выгорание контактов на кнопках практически исключено. Многие, радуясь такому обстоятельству, смело занижают сечение линий освещения до 0,5мм2 или 0,75мм2. Либо вообще “кидают” витую пару.
Однако не забывайте про правила, где четко говорится, что все групповые линии на светильники в жилых помещениях должны выполняться проводниками сечением минимум 1,5мм2.


При этом обратите внимание, все реле (группа или одиночное) должны обязательно подключаться после автомата.


Он защищает:
- кабель на цепи управления
Без него при коротком замыкании у вас просто сгорит эл.проводка.
Само реле не защищает ни от перегрузок, ни от КЗ.
Поэтому при сборке схемы в щитке, на каждый автомат освещения вы как бы “навешиваете” по одному или несколько импульсных реле.


Управление реле из двух мест
Электрический потенциал от фазового провода ( L ) передается на клемму ( 2 ) кнопки ( S1 ), как при нажатии кнопки ( S1 ), так и ( S2 ). Внутри на схеме вы видите символ катушки, который управляет контактом реле, когда мы подаем напряжение на клеммы ( A1 ) и ( A2 ).
Таким образом мы можем прикрепить любое количество кнопок для независимого управления светом из разных мест. Если вы хотите добавить дополнительный элемент управления из другого места, просто введите в цепь еще одну кнопку и подключите её параллельно к любой другой кнопке, которая управляет этой лампой, или непосредственно к реле.
Централизованное управление освещением одной кнопкой
На моделях с так называемым центральным или централизованным управлением, помимо вышеперечисленных, есть еще дополнительные клеммы ON и OFF.


При подаче напряжения на них, реле принудительно либо отключается (OFF), либо включается (ON).


Они используются при сборке схемы с мастер кнопкой или мастер выключателем. То есть, выходя из дома, всего с одной кнопки вы централизованно можете отключить свет на всех этажах и во всех комнатах.
Вот такая схема собранная на несколько групповых светильников, подключенных от разных импульсных реле. Заметьте, что в данном случае все реле должны быть именно с центральным управлением, иначе схема работать не будет.


У имульсников ABB блок центрального управления можно докупить отдельно и присоединить его с левой стороны от реле E290.






Только будьте предельно внимательны при сборке такой схемы управления в трехфазном щите на 380В.
При наличии трехфазки, некоторые группы освещения запитывают от разных фаз, дабы равномерно распределить нагрузку.
В этом случае нельзя все контакты OFF и ON на релюшках соединять перемычками, как это зачастую и делают в однофазных щитках. Придется выносить все цепи управления на отдельный автомат и именно с него подавать одноименную фазу для вкл-выкл всех импульсных реле одновременно.
И то, такое возможно при использовании эл.механических моделей. Для электронных придется делать развязку через промежуточные реле.


Бистабильное реле на две кнопки
Теперь возьмём бистабильное реле, которое может быть установлено вне коробки, например, в домашнем коммутационном аппарате. Так что вот для изучения еще одна схема подключения.


Это по-сути то же, что и в предыдущем рисунке, изменилась только форма реле.
Работа реле в нестандартных ситуациях
Многие задаются вопросом, а что будет с реле при исчезновении напряжения в доме и последующем его появлении? Не включатся ли в данном случае все светильники разом? Нет, такого не произойдет.
Однако статус положения контактов будет зависеть от конкретной модели. С памятью они или нет. Если память присутствует, то ранее включенные лампочки загорятся вновь. Там, где памяти нет, контакты просто разомкнутся.


А что будет, если два человека нажали на две кнопки одновременно? Это будет воспринято как одноразовое нажатие. То есть, лампочка либо загорится, либо потухнет, в зависимости от своего предыдущего положения.
Импульсное реле для монтажа в эл.щиток имеет формфактор модульного контактора и устанавливается на дин-рейку. Номинальный ток большинства моделей 10-16А.


Этого вполне хватает для организации освещения в квартире или загородном доме.
Если вы захотите подключить более мощную нагрузку, тогда придется задействовать в схеме пускатель, либо выбирать модели на большие токи.


Схема подключения для трех источников света при автоматическом управлении освещением, не требующая фиксации выключателей
Важно! Следует учитывать, что используется при такой схеме электрический ток силой в 16 ампер. для обеспечения защиты всей системы применяется выключатель, рассчитанный на 10 ампер. В этом случае у проводов должно быть сечение от 1,5 мм2. Кнопочные коммутаторы нужно соединять параллельно. Фазой является провод красного цвета, который должен проходить через все 3 выключателя кнопочного типа и замыкаться на силовой контакт, обозначенный в схеме числом 11.
Провод оранжевого цвета отвечает за фазу коммутации и должен подсоединяться к выходу, обозначенному Y, а затем идти через 14 клемму на лампы. Для соединения нулевой фазы провод ведут на клемму N, а потом — на светильник. Для выключения света нужно нажать на любой выключатель, чтобы осуществить кратковременную коммутацию провода фазы, выходящего на клемму Y. После этого произойдет размыкание контактов 11-14. При последующем нажатии схема действия будет такой же, но разомкнутые контакты поменяют свое положение, что приведет к включению света.
Недостатком такого подключения является то, что при коротком замыкании сложно будет найти повреждение. Сделать это легче при использовании второго варианта подключения импульсного реле.
Импульсное реле для установки в распредкоробку
Помимо щитовых вариантов, есть еще и навесные, для установки за подвесной потолок или непосредственно в распредкоробку.


С их помощью можно организовать перевод освещения в своей квартире с одноклавишников на импульсники. Меняете в монтажных коробках выключатели на кнопки и делаете переключения проводов в распаечной коробке.


Вот так выглядит данная схема при подключении импульсного реле, непосредственно в распределительной коробке под потолком.


При этом у вас мало что меняется в электрощитке, а вы получаете отличный вариант управления освещением, аналогичный проходным выключателям.
При подключении в щитовой от стандартного импульсника сразу нескольких светильников, а не одной лампочки, обязательно монтируйте кросс-модуль или клеммники.


Заводить по два, три кабеля на одно реле навряд ли получится (не даст ограничение по толщине провода). Придется их раскидывать по разным колодкам.


Какие еще разновидности импульсных реле существуют? Есть например, с функцией задержки по времени.


Ее можно использовать для задержки как при включении света, так и при его отключении. Выезжаете вечером из собственного коттеджа и нажимаете в доме на специальную кнопку.
Это дает вам время спокойно пройти по освещенным дорожкам до калитки и только после этого свет автоматически выключится.
Такой способ не требует даже установки отдельных выключателей на улице.


Еще к таким реле можно подключить вытяжной вентилятор в ванной. Выходя из ванной комнаты, нажимаете на кнопку, а вентилятор продолжает работать заданный вами промежуток времени.
Какие недостатки есть у импульсных реле? Некоторые модели отдельных производителей чувствительны к перепадам напряжения.
Чем это чревато? А тем, что свет на некоторых лампах у вас будет включаться и выключаться самопроизвольно при нестабильном напряжении.
Еще многих раздражает постоянное клацанье и щелчки при работе реле. Особенно этим грешат эл.механические разновидности. Они состоят из рычажной и контактной системы, катушки, плюс пружины.
Отличить их можно по рычагу с лицевой стороны. С его помощью реле вручную переводится из одного положения в другое.


В электронные встроена плата с микроконтроллером. В них клацать особо нечему, и они менее шумны.


Чтобы было меньше проблем, выбирайте реле от известных и давно зарекомендовавших себя брендов. Таких как — ABB (E-290), Schneider Electric (Acti 9iTL), F&F (Biss) или отечественный Меандр (РИО-1 и РИО-2).
У ABB очень большой выбор по добавлению к основной модели E290 всяких накладок и дополнительных «плюшек».


У Меандр РИО-2 есть полезная функция для работы с обычными одноклавишными выключателями.


Для этого данную релюшку нужно перевести в режим №2 и к каждому из входов Y, Y1 и Y2 подключить свой выключатель света (всего 3шт).


В итоге вы получите режим работы перекрестных выключателей на основе обычных одноклавишников. При нажатии любого из них (вкл или выкл), будет изменяться выход и переключаться контакты на самом реле, зажигая или гася лампочку.
Второй вариант монтажа
При использовании такого варианта соединения реле с выключателями потребуется меньше проводов, а их сечение может быть меньшим — от 0,5 мм2. В этом случае нужен еще один защитный аппарат. Такой вариант подключения используют реже первого. Выявление неисправностей в цепи здесь упрощается за счет использования двух автоматов, рассчитанных на 6 и 10 ампер.
Заключение
Современные системы освещения и электрификации очень активно используют импульсное реле. Требования на рынке к производителям таких реле становятся все выше, что рождает непрерывное развитие в данной сфере.
Большинству пользователей требуется расширенный функционал и гибкость управления освещением. Поэтому спрос стимулирует предложение, так как данная технология является очень востребованной на сегодняшний день.
Вопросы и практические советы
Имеет ли значение, какой терминал (A1) или (A2) будет подключать провод фазы управления?
Не имеет значения. Для катушки реле разница в потенциале важна на уровне 220 В, если один провод (который нейтраль) прикрутить к одному терминалу, а фазовый провод (на котором есть потенциал) к другому — между ними будет нормальное напряжение и реле заработает.
Может ли отличаться напряжение на клеммах управления (A1, A2) и на контактных клеммах (1, 2)?
Да. Каждое реле предназначено для определенного управляющего напряжения. В нашем случае это 220 В ( A1, A2 ). Контакт, соединяющий клеммы ( 1, 2 ), является так называемым беспотенциальным. Любой потенциальный уровень задается на терминале ( 1 ), он будет передан на терминал ( 2 ), когда контакт закроется.
Благодаря этому мы можем, например, управлять цепью питания 12 В с кнопками, которые передают управляющий сигнал 220 В.
Каждое бистабильное реле подключается так же?
Да, но всегда проверяйте схему подключения и руководство по эксплуатации, прежде чем приступать к сборке. Не каждый производитель использует ту же методологию, количество соединений и стандарт описания. Однако обозначение терминалов ( A1 ) и ( A2 ) популярно практически для всех реле.


Можно даже собрать реле с беспроводным управлением, где можно управлять освещением как с кнопки, так и с помощью радио пульта дистанционного управления.
В общем управление светом с помощью бистабильного реле, безусловно, стоит рассмотреть. С точки зрения управления из большего числа мест, это более простое решение, чем классическое (клавишными переключателями). К тому же оно имеет большие возможности по беспроводному контролю.