На данном этапе времени трудно представить хотя бы один дом без выключателей света. Указанные агрегаты бывают различных видов, но все они довольно легко устанавливаются, их вполне сможет подсоединить к сети даже человек, обладающий базовыми знаниями электрики.


Куда устанавливают электрощит для счетчика и автоматики
Первым делом необходимо определиться с местом для установки щитка. Так, специалисты считают, что лучше фиксировать его возле входной двери в коридоре, ведь тогда не придется прокладывать кабель с лестничной площадки, что значительно упростит монтаж.
Как правило, закрепляют щиток на уровне видимости жителей квартиры — это позволит без проблем снимать показания и отключать автоматы. Поэтому место установки будет отличаться в зависимости от роста домочадцев.
Обратите внимание! До сих пор встречаются электрики, которые предпочитают устанавливать счетчики под потолком (как это делали раньше). Старые конструкции фиксировались на стену без ящиков, поэтому закрепляли их на высоте в целях безопасности.

Электрощиток в квартире
Любые современные щитки имеют надежное основание, закрываются с помощью замка, поэтому посторонние или маленькие дети не смогут туда добраться, если не будут иметь доступ к ключам.
При выборе места для монтажа учитывают и то, откуда будет проходить кабель воздушной или подземной линии питания (в квартире или частном доме). Уточнить подобную информацию можно у сотрудников компании, отвечающей за электроэнергию.
Приобрести готовый электрощит или собрать самостоятельно
Теперь электрики уже не только самостоятельно собирают щитки, но и устанавливают готовый заводской вариант со всем внутренним наполнением. Такие конструкции даже изготавливают по специальному заказу под конкретную квартиру.
Главный момент в этом деле – это опыт установки фирменных щитков. Если мастер уже сталкивался с таким монтажом, то опасаться не стоит. В других же случаях лучше собрать конструкцию на месте, поэтапно.
Цены на электрощитки
Электрощиток
Видео – Сборка щитка для квартиры
Инструменты
Прежде чем переходить к подсоединению выключателя к сети нужно подготовить ряд инструментов:
- фигурную, прямую и индикаторную отвертки;
- соединитель;
- наточенный нож;
- плоскогубцы.
Последовательность правильного подключения автомата
Прежде чем узнать, как установить автомат правильно, необходимо запастись самым необходимым инструментом. Если в дальнейшем монтаж электрики превратится в основной вид заработка, то следующего перечня инструментов будет недостаточно.
- Крестообразная и плоская отвёртка. Желательно диэлектрическая.
- Индикаторная отвёртка.
- Монтёрский нож.
- Шуруповёрт.
У мастеров-профессионалов в закромах также имеются обжимные клещи, а вместо монтёрского ножа они чаще всего используют специальный нож для снятия изоляции. Это не только удобнее, но и позволяет выполнить работу быстрее.
Шаг №1: Монтаж DIN-рейки


Монтаж DIN-рейки в щитке своими руками проводится в течение 10-15 минут. Основное условие быстрой работы — наличие хорошего шуруповёрта, желательно с автономной аккумуляторной батареей.
Существуют DIN-рейки трёх основных типов:
- Ω-типа. Изделия такой формы считаются самыми распространёнными, и любая схема подключения автоматов в щитке подразумевает наличие такого изделия.
- C-типа. Концы изделия загнуты вовнутрь.
- G-типа. Данная рейка похожа на C-образную форму, но только с одной более короткой стороной.


Последовательность монтажа DIN-рейки в электрический щит:
- Наметить расположение DIN-рейки в щитке.
- Приложить DIN-рейки к металлической поверхности и с помощью текса — специального самореза, закрепить с одной стороны.
- Выровнять рейку, используя строительный уровень, и закрепить её с другой стороны.


При необходимости DIN-рейку можно отрезать любой длины, но данное изделие в основном продаётся отрезками по 2 метра.
Шаг №2: установка автомата на DIN-рейку


Самая простая процедура из всей темы «Как подключить автомат в щитке». На каждом автоматическом выключатели, с одной стороны (обычно с нижней) есть специальная пластиковая защёлка. Её необходимо отвести, установить автомат на DIN-рейку и вдавить до щелчка. После этого автоматический выключатель будет надёжно зафиксирован и можно переходить к его подключению.


Шаг №3: подключение автомата к сети
Чтобы узнать, как правильно подключить автомат в электрощитке, необходимо сначала ознакомится с пунктом, в котором подробно рассматривается вопрос снизу или сверху следует выполнять подключение пакетника. Как говорят нормативные документы, напряжение должно подаваться на неподвижный контакт коммутационного аппарата, а чаще всего этот контакт находится сверху.


Перед тем как подключать однополюсный или двухполюсный автоматический выключатель к сети, необходимо снять изоляцию с провода, опрессовать его вместе с наконечником и убедиться с помощью индикаторной отвёртки, что на пакетник не приходит напряжение.


После этого ввести надёжно опрессованный наконечник в штатное место подключения автомата и зажать место соединения с помощью специально предусмотренного производителями болта. Проверить качество соединения пошевелив провод без прикладывания лишней силы. Если монтаж выполнен правильно, то автомат можно включать и проверять всё ли работает в квартире.
Подключаем провода к автомату – кабель с монолитной жилой
Как выполняет подключение автоматов в щитке большинство пользователей? Какие ошибки можно при этом допустить? Давайте разберем здесь ошибки, которые наиболее часто встречаются.
Ошибка – 1. Попадание изоляции под контакт
Все знают, что перед тем как подключить автомат в щитке нужно снять изоляцию с подключаемых проводов. Казалось бы, здесь нет ничего сложного, зачистил жилу на нужную длину, затем вставляем ее в зажимную клемму автомата и затягиваем ее винтом, обеспечивая тем самым надежный контакт.


Но встречаются случаи, когда люди в недоумении, почему выгорает автомат, когда все правильно подключено. Или почему периодически пропадает питание в квартире, когда проводка и начинка в щитке абсолютно новые.


Одна из причин вышеописанного попадание изоляции провода под контактный зажим автоматического выключателя. Такая опасность в виде плохого контакта несет в себе угрозу оплавления изоляции, не только провода, но и самого автомата, что может привести к пожару.


Чтобы этого исключить нужно, следить и проверять, как затянут провод в гнезде. Правильное подключение автоматов в распределительном щите должно исключать такие ошибки.
Ошибка — 2. Нельзя подключать несколько жил разных сечений на одну клемму АВ
Если возникла необходимость подключить несколько автоматов стоящих в одном ряду от одного источника (провода) для этой цели как невозможно лучше подойдет гребенчатая шина. Но такие шины не всегда есть под рукой. Как объединить несколько групповых автоматов в таком случае? Любой электрик, отвечая на этот вопрос, скажет сделать самодельные перемычки из жил кабеля.




Чтобы сделать такую перемычку используйте куски провода одинакового сечения, а лучше вообще не разрывайте его по всей длине. Как это сделать? Не снимая с провода изоляцию, формируете перемычку нужной формы и размеров (по количеству ответвлений). Затем зачищаем изоляцию с провода в месте перегиба на нужную длину, и у нас получается неразрывная перемычка из цельного куска провода.




Никогда не объединяйте автоматы перемычками кабелем разного сечения. Почему? При затягивании контакта хорошо зажмется жила с большим сечением, а та жила, у которой сечение меньше будет иметь плохой контакт. Как следствие оплавление изоляции не только на проводе, но и на самом автомата, что несомненно приведет к пожару.
Пример подключения автоматических выключателей перемычками из разных сечений кабеля. На первый автомат приходит «фаза» проводом 4 мм2, а на другие автоматы уже идут перемычки проводом 2.5 мм2. На фото видно, что перемычка из проводов разного сечения. Как следствие плохой контакт, повышение температуры, оплавление изоляции не только на проводах, но и на самом автомате.




Для примера попробуем затянуть в клемме автоматического выключателя две жили с сечением 2.5 мм2 и 1.5 мм2. Как бы я не старался обеспечить надежный контакт в этом случае, у меня ничего не получалось. Провод сечением 1.5 мм2 свободно болтался.




Еще один пример на фото дифавтомат, в клемму которого воткнули два провода разного сечения и попытались все это дело надежно затянуть. В результате чего провод с меньшим сечением болтается и искрит.


Ошибка – 3. Формирование концов жил проводов и кабелей
Этот пункт, скорее всего, относится не к ошибке, а к рекомендации. Для подключения жил отходящих проводов и кабелей к автоматам мы снимаем с них изоляцию примерно на 1 см, вставляем оголенную часть в контакт и затягиваем винтом. По статистике 80 % электриков именно так и подключают.




Контакт в месте соединения получается надежный, но его дополнительно можно улучшить без лишних затрат времени и средств. При подключении к автоматам кабелей с монолитной жилой сделайте на концах U-образный загиб.




Такое формирование концов увеличит площадь соприкосновения провода с поверхностью зажима, а значит контакт будет лучше. P.S. Внутренние стенки контактных площадок АВ имеют специальные насечки. При затягивании винта эти насечки врезаются в жилу, благодаря чему надежность контакта увеличивается.


Присоединение к автомату многожильных проводов
Для разводки щитов электрики часто отдают предпочтение гибкому проводу с многопроволочной жилой типа ПВ-3 или ПуГВ. С ним легче и проще работать, чем с монолитной жилой. Но здесь есть одна особенность.
Основная ошибка, которую допускают новички в этом плане, подключают многожильный провод к автомату без оконцевания. Если обжать голый многожильный провод как он есть то при затягивании жилки передавливаются и обламываются, а это приводит к потере сечения и ухудшению контакта.






Опытные «спецы» знают, что затягивать голый многожильный провод в клемме нельзя. А для оконцевания многопроволочных жил нужно применять специальные наконечники НШВ или НШВИ.


Корме того если существует необходимость подключения двух многожильных провода к одному зажиму автомата для этого нужно использовать двойной наконечник НШВИ-2. С помощью НШВИ-2 очень удобно формировать перемычки для подключения нескольких групповых автоматов.
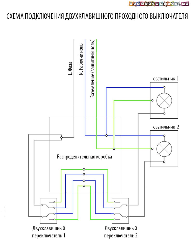
Подключение через розетку
Если поблизости с планируемым местом установки агрегата для выключения света, располагается розетка, то можно запитать от неё фазу и ноль.


Для того чтобы подключение выключателя от розетки, оказалось успешным, нужно соблюдать такую последовательность действий:
Изначально нужно убрать из розетки подачу тока. Подобные действия можно выполнить, сняв напряжение со всего дома.


Нужно вскрыть розетку и проверить напряжение.


К фазе розетки подключается провод, вторая сторона которого прикрепляется на вводе выключателя. На вывод агрегата для выключения света, прикрепляется непосредственно подключенный к светильнику провод.


К нулевому контакту розетки прикрепляется провод, второй конец которого соединяется с выводом светильника. Таким же образом подключается защитный провод, только к соответствующему контакту светильника.

Закончив указанные манипуляции, следует выполнить укладку проводов, заизолировать проводящие ток участки и подать напряжение, чтобы проверить эффективность работы.


Особой популярностью на данном этапе времени начали пользоваться выключатели с подсветкой, при их установке желательно обратиться к профессионалу, поскольку неправильное соединение таких выключателей может отказать повышенную нагрузку на проводку, вследствие чего она подвергнется сгоранию.


При отсутствии базовых навыков в электрике, стоит отказаться даже от самостоятельной установки выключателей, содержащих одну клавишу.
С некоторыми фото выключателя можно ознакомиться ниже.


Пайка проводов под зажим автомата — ERROR (ошибка)
Отдельно хотел бы остановиться на таком способе оконцевания проводов в щите как пайка. Так уж устроена человеческая натура, что люди на всем стараются сэкономить и далеко не всегда хотят тратиться на всевозможные наконечники, инструменты и всякую современную мелочевку для монтажа.


Для примера рассмотрим случай, когда электрик из ЖЭКа дядя Петя выполняет разводку электрического щитка многожильным проводом (или подключает отходящие линии в квартиру). Наконечников НШВИ у него нет. Но под рукой всегда есть старый добрый паяльник. И электрик дядя Петя не находит другого выхода как облудить многопроволочную жилу, запихивает все это дело в контактный зажим автомата и затягивает от души винтом. Чем опасно такое подключение автоматов в распределительном щите?




При сборке распределительных щитов НЕЛЬЗЯ опаивать и облуживать многопроволочную жилу. Дело в том, что луженое соединение со временем начинает «плыть». И чтобы такой контакт был надежный его постоянно нужно проверять и подтягивать. А как показывает практика, про это всегда забывают. Пайка начинает перегреваться, припой плавится, место соединения еще больше ослабляется и контакт начинает «выгорать». В общем, такое соединение может привести к ПОЖАРУ.






Поэтому если при монтаже используется многожильный провод то для его оконцевания нужно применять наконечники НШВИ.
Фото процесса подключения выключателя








































































Также рекомендуем посетить:
Как правильно подключить СИП а автомату
СИП — самонесущий изолированный провод, который практически везде используется для ввода электричества в дом. Поэтому вопрос как подключить СИП к однополюсному автомату очень актуален.
Во-первых, СИП выполнен из алюминия, а контактная пластинка автоматического выключателя — из меди. Правильное соединение меди и алюминия требует применения специальной обжимной гильзы, а в случае последующего присоединения к автомату — гильзованного наконечника, в месте контакта которого есть специальное медное покрытие. Соединять СИП с автоматом без такого наконечника нельзя, так как алюминий имеет свойство окисляться из-за чего теряется качество контакта. А плохой контакт является первой причиной пожара.


Последовательность подключения СИП к автомату:
- Зачистить кабель.
- На открытую жилу надеть гильзованный наконечник. Важно надеть его плотно и так, чтобы изоляции начиналась сразу за гильзой.
- Используя гидравлический пресс, обжать гильзу в двух местах.


- Надеть на открытую часть гильзы термоусадочную трубку и нагреть её с помощью строительного фена.
- Завести наконечник в автомат и качественно затянуть контакт.


Такой способ монтажа одинаков как для однофазного, так и для трёхфазного автомата, потребуется только больше наконечников.
Какой автомат выбрать
При выборе устройства в первую очередь следует учитывать его предельно допустимый ток. Для этого необходимо посчитать, какая сила тока потребуется для всех установленных в квартире приборов.
Кроме того, значение имеет и толщина проводки, поскольку по ней течет электричество. Требуется оптимальная величина в зависимости от степени нагревания. Еще большое значение имеет наличие полюсов:
- Один. Цепочки с осветительными приборами и розетками, к которым подключаются только примитивные устройства.
- Два. Используется с целью защиты электропроводки, которая подводится к крупным приборам (стиральным машинам, плитам, холодильникам, отоплению, водонагревателям). Кроме того, устанавливается для дополнительной защиты между электрощитом и квартирой.
- Три. Актуальны при наличии сети с тремя фазами, что бывает на производственных предприятиях, собственных мастерских.


Однополюсной автомат
Автоматы устанавливаются в щитке по стандартному принципу – от большего к меньшему. Это значит, что сначала фиксируют автомат с двумя полюсами, а только потом с одним. После чего следуют остальные устройства с меньшей мощностью.
Цены на дифавтоматы
Дифавтомат
Видео – УЗО или дифференциальный автомат: что выбрать
Как правильно: автомат перед счётчиком или после
Чтобы ответить на этот вопрос следует также обратиться к ПУЭ, а именно к пункту 1.5.36, который гласит, что для безопасной установки и замены счётчиков в сетях до 380 В, перед ними (на расстоянии не более 10 м) должен быть установлен автоматический выключатель. И этот самый автомат перед счётчиком выполняет роль коммутационного аппарата для отключения всей квартиры или дома, и номинальные значения у него должны быть соответственными.
Количество автоматов после счётчика определяется непосредственно самим хозяином квартиры или дома, или проектной организацией, выполняющей монтаж электропроводки. Существуют такое электрощиты, количество аппаратов в которых достигает 40-50 штук и это без УЗО и дифференциальных автоматов. При установке вводного автомата до счётчика, такой же можно установить и после него. На работу устройства учёта это никак не повлияет.
Важно! Подключать электросчётчик к сети могут только представители органов энергонадзора. Поэтому перед подключением квартиры следует найти такую организацию в своём городе и оформить официальный вызов мастера.
Как устанавливать УЗО: до или после автомата
Устройство защитного отключения — очень полезный коммутационный прибор, требующей корректной установки, иначе его работа может быть нестабильной. Если выполнить неправильный монтаж, то при первом же коротком замыкании в квартире потребуется и замена УЗО, которое по своей стоимости на порядок выше любого автоматического выключателя.


Особой разницы, будет УЗО стоять до или после автомата, нет. Но вопрос можно рассмотреть с практической стороны. Любое устройство защитного отключения не имеет защиты от токов короткого замыкания, и если поставить его без автоматического выключателя, то последствия могут быть самые разные, вплоть до порчи прибора.
Поэтому лучше всего устанавливать УЗО сразу после вводного автомата, но перед пакетником, линия от которого будет идти непосредственно к потребителю. Это обеспечит надёжную защиту цепи от короткого замыкания, а пользователей — от нежелательного действия рабочего потенциала при попадании фазного провода на корпус бытового прибора.
Как правильно подключить дифференциальный автомат
Дифференциальный автомат из всех разновидностей коммутационных приборов считается самым практичным, но и одновременно дорогим. Он сочетает в себе функции автоматического выключателя и устройства защитного отключения. Устанавливается такой аппарат не как обычный пакетник, а требует несколько иного подхода.


Дифференциальный автомат подключается следующим образом:
- В верхний зажимной контакт устанавливается нулевой провод.
- В правый зажимной контакт устанавливается фазный провод.
Следует сразу уточнить, что места контактов могут быть изменены, но при этом изготовитель маркирует гнёзда подключений соответствующими буквами. А под переключателем рабочего или нерабочего положения должна находится специальная кнопка проверки работоспособности прибора.
Нулевой провод, который проходит через дифференциальный автомат, нельзя соединять с другими автоматическими выключателями. При таком монтаже прибор будет постоянно отключаться, так как токи по проводнику протекают совершенно разные.
Существуют схемы, при которых дифференциальный автомат подключается к группе пакетников, в других же схемах такие приборы используются исключительно для одного потребителя. При проектировании проводки лучше выбирать второй вариант, в котором при срабатывании прибора будет обесточен только один потребитель, а не целая группа автоматов.
Подключение двухполюсного и трёхполюсного автоматов
Принцип подключения двухполюсного и трёхполюсного автоматов точно такой же, как и в случае с однофазным пакетником. И если возник вопрос как подключить трёхфазный автомат, то следует выполнить все те операции, которые проводились с аппаратом, рассчитанным на однофазную сеть.
Точно также зачистить провода, обжать их с помощью наконечников и пресса и установить каждый провод на соответствующую неподвижную клемму, а потом зажать винтовым зажимом. Если трёхполюсный автомат монтируется на производстве где планируется дальнейшее подключение асинхронных или синхронных двигателей, то после монтажа следует проверить чередование фаз, применяя специальный прибор – фазоуказатель. Если фазы будут перепутаны, то двигатель начнёт вращение в противоположную сторону.


Если вы не знаете, как подключить двухполюсный автомат, то принцип его подключения такой же, как и при установке УЗО. Предусмотрены штатные места для подключённого фазного и нулевого проводов.


Сразу следует уточнить, что цена на монтаж однополюсных, двухполюсных и трёхфазных автоматических выключателей в Москве разная. Поэтому надо учитывать типы коммутационной аппаратуры, которая будет в будущем установлена в щитке.
Видео по теме
Хорошая