Подключение ограничителя мощности — схема, видео, фото

Чтобы защитить себя от резких перепадов мощности, которые негативно влияют на состояние электрических сетей, нужно использовать специальное оборудование. Трехфазный и однофазный ограничитель мощности или ОМ – это незаменимое приспособление в такой ситуации.

Для чего предназначен ограничитель мощности

Многие знакомы с ограничителями напряжения в сети. Это защитный прибор, контролирующий величину входного напряжения по заранее установленному «коридору». Такие устройства можно встретить во многих квартирах или домовладениях.

Реле напряжения действительно защищает электроприборы от скачков в электросети, на этом его функции заканчиваются.

Ограничитель потребляемой мощности (однофазный или трехфазный) работает по другому принципу. Точнее, у него более широкий функционал:

  1. Так же, как реле напряжения, устройство держит на контроле входные параметры электроэнергии. Если значение выходит за установленные параметры, питание объекта отключается. При этом сохраняются электроприборы. После возврата к норме, энергоснабжение восстанавливается.
  2. Контрольные функции во время работы электроустановок. Ограничитель мощности может поддерживать параметры для предотвращения аварийных ситуаций.
  3. Защита от несанкционированных подключений к вашей электросети. Можно установить жесткие рамки потребляемой мощности на линии, и контролировать свою сеть с точностью до 10 Вт. При возникновении нелегального отбора мощности, прибор отключит электросеть.

Модельный ряд

Данные представлены по состоянию на май 2016 г.

Обратите внимание, что максимальный допустимый ток контактов составляет 8 — 16А. Это объясняется малыми габаритами современных ограничителей мощности, и невозможностью разместить силовые реле в корпусе прибора. Для подключения абонентов используются внешние контакторы, рассчитанные на ток требуемой величины. Исключение составляет ОМ-1-1, способный коммутировать нагрузку до 16 кВа встроенным реле.

На фото ниже приведены примеры монтажа ограничителей мощности для работы в однофазных и трехфазных сетях, с использованием внешних контакторов.

Особенность ОМ-630-1 — возможность настройки при помощи персонального компьютера. Все параметры: величина и вариант расчета мощности, задержка отключения и повторного включения, режим работы выходного реле, задаются программно, при подключении к компьютеру через USB-порт.

В продукции «Новатек Электро» выделяется ОМ-310 — многофункциональный прибор, с впечатляющими рабочими характеристиками, богатой комплектацией, огромным количеством настроек, возможностью дистанционного управления, передачей данных по протоколу MODBUS и… инструкцией на 27 страницах. На мой взгляд, именно чрезмерная усложненность мешает ему достичь популярности ОМ-630.

Виды ограничителей

Бывают разные типы ОМ, которые нужно ставить согласно требованиям сети. Рассмотрим самые популярные из них:

  1. PF-10 – могут подключаться к СИП аппаратуре. Главным достоинством является возможность установки пломбы для защиты сети от несанкционированного проникновения. Часто на них устанавливаются съемные предохранители;
  2. OSP-6 – устройство с высоким классом защиты. На него можно монтировать пломбы, имеет небольшие габаритные размеры, поэтому подойдет для монтажа в квартирный щиток;
  3. ОПС-635 помогает защитить бытовое и производственное оборудование от скачков силы и напряжения. Обеспечивает постоянный контроль локальной сети; Фото — ОПС 3
  4. ПЗР – это очень популярный ограничитель мощности. Прибор релейной защиты используется для экономии электрического тока. При монтаже можно задать промежуток времени, в котором будет отключаться свет. При необходимости устройство можно снять просто с дин-рейки;
  5. ПЗС-23 в основном используются для защиты сетей от аварийных ситуаций. Помимо защиты от превышения допустимой мощности, он обеспечивает контроль напряжения, микротоков, потерянных вольт и многого другого.

Зачем и кому они нужны?

Энергосбытовые организации успешно применяют подобные устройства для борьбы со злостными неплательщиками, воровством электроэнергии, и другими нарушениями, которые встречаются на просторах нашей огромной страны.
Наличие ограничителя мощности часто является обязательным в Технических условиях, выдаваемых новым абонентам при подключении к электрической сети. Правомерность подобных решений вызывает горячие споры, и порой доходит до рассмотрения в суде.

Чем полезна установка ограничителя мощности для собственника загородного коттеджа? Прежде всего, это реле напряжения и тока в одном корпусе. Можете не переживать за стиральную машину, микроволновую печь и любимый телевизор. Они под надежной охраной. Произойдет мгновенное отключение при резких перепадах напряжения или обрыве нулевого провода трехфазной сети, потому что по быстродействию и точности измерения этот прибор превосходит любой автоматический выключатель в вашем доме.

Мы рассмотрели принцип работы и область применения такого полезного и “умного” прибора, как ограничитель мощности. В заключении приведу ответы на часто задаваемые вопросы, с которыми обращаются покупатели в службу технической поддержки «Скан Лайтс +»

Как правильно подключить прибор

Ограничитель мощности трехфазный и однофазный отличаются по способу включения. Кроме того, разные модели одной группы имеют особенности. Мы рассмотрим несколько популярных моделей, которые могут применяться как на крупных корпоративных объектах, так и в домашних условиях.

Совет:

Несмотря на то, что приобретение такого устройства связано с дополнительными затратами, его установка однозначно полезна. Вы не только избавитесь от проблем с разбросом параметров электросети (а это защита ваших электроприборов и сохранность информации на персональных компьютерах). Несанкционированное подключение — это прямые убытки, которые могут многократно превысить цену ограничителя.
Кроме того, ограничители мощности выполняют те же задачи, что автоматы защиты и реле напряжения. Так что вы еще и сэкономите, не покупая несколько коммутаторов вместо одного.

Каждая модель комплектуется паспортом и схемами монтажа. Чтобы правильно использовать прибор, желательно понимать общий принцип подключения.

Обзор цен

Купить ограничитель мощности можно в любом специальном электромагазине, цена зависит от типа прибора и его марки.

Продажи производятся также в фирменных дилерских центрах, это Новатек, ABB, Скан и прочие. Перед покупкой обязательно проверяйте все сертификаты соответствия качества, паспорт прибора и условия гарантии. В большинстве случаев, гарантийное обслуживание действует 1 год с момента установки.

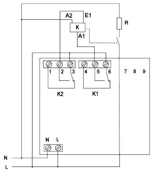
Однофазный ограничитель мощности ОМ-1

Этот прибор достаточно компактный, и легко устанавливается в щиток на DIN рейку. Основное назначение — контроль превышения линии по мощности. Дополнительные возможности: защита цепей от короткого замыкания и обрыве нулевого провода. Разумеется, можно задать ограничение по напряжению.

ОМ-1 может работать самостоятельно, то есть производить отключение собственной контактной группой. Пользователь лишь выбирает схему монтажа по приоритету потребителей: с нормально замкнутыми или разомкнутыми контактами (см. иллюстрацию).

Если сила тока потребителя превышает параметры контактной группы, можно установить дополнительные контакторы и магнитные защелки. В этом случае, ограничитель выступает в роли управляющего коммутатора, а силовые линии размыкаются сторонними устройствами.

Ограничитель мощности трехфазный ОМ-310

Этот прибор обладает самым широким функционалом среди аналогов.

  • Традиционная защита от перепадов по вольтажу. Ограничитель может заменить цифровое реле контроля напряжения.
  • Защита от перегрузки по максимальному значению тока, при этом параметры можно настраивать линейно либо дифференциально.
  • Полноценные функции УЗО с тонко настраиваемыми параметрами. По сути, это дифференциальный автомат в одном корпусе с ограничителем мощности.
  • Поскольку ограничитель трехфазный, с его помощью можно контролировать перекосы линейных напряжений и даже порядок чередования фазы. При неправильном сдвиге, также срабатывает защита.

Схема подключения достаточно сложная, и сильно отличается в зависимости от вариантов использования. Мы рассмотрим типовое включение с разными приоритетами потребителей. Разумеется, используются внешние магнитные контакторы для силовых линий нагрузки.

Как и любой другой профессиональный прибор, ОМ-310 программируется с помощью компьютера, используется формат интерфейса «COM порт». При этом, подобные ограничители мощности могут быть объединены в сеть собственного формата. В этом случае один оператор осуществляет контроль за целой системой объектов.

Для простоты восприятия, рассмотрим иллюстрацию с расшифровкой основных органов управления и клеммных групп ограничителя мощности ОМ-310:

Несмотря на кажущуюся сложность конструкции, даже начинающий электрик легко разберется в схеме.

Меры безопасности

  • проводники подбираются в соответствии с предполагаемой максимальной нагрузкой;
  • настройка параметров производится не по максимальному паспортному значению, а по реальному потреблению;
  • если защита срабатывает регулярно, необходимо проверить техническое состояние потребителя на этой линии.

Видео по теме

Хорошая

Ссылка на основную публикацию