Реле контроля фаз устанавливается в цепи питания ответственных электродвигателей. Его работа незаметна. Но в случае обрыва одной из фаз данное автоматическое устройство спасет дорогостоящий двигатель от сгорания обмоток.
Принцип действия
Принцип действия реле контроля фаз основан на выделении гармоник обратной последовательности (кратных двум от основной), которые появляются в сети при перекосах и обрывах фаз. Для выделения напряжений обратной последовательности применяются фильтры обратной последовательности, в простейшем случае это пассивные аналоговые фильтры с активными и реактивными элементами (резистивно — конденсаторные цепочки) двухплечевого типа, на выходе которого включается электромагнитное реле.
Общая информация по прибору
Функциональность электрических приборов подобного типа существенно шире, нежели только лишь защита от перегрева и КЗ.
На практике отмечены эффективные свойства реле выбора перегруженных фаз, которые в конечном счете обеспечивают комплексную защиту.


Один из многочисленных вариантов конструкторских решений в производстве реле фаз. Однако, несмотря на разнообразие корпусов и схемных конфигураций, функциональность приборов едина
Благодаря устройствам отслеживания состояния фаз достигаются преимущества:
- увеличение срока службы двигателя;
- сокращение дорогостоящего ремонта или замену мотора;
- уменьшение времени простоя из-за дефектов двигателя;
- снижение рисков поражения электрическим током.
Кроме того, приспособление обеспечивает надежную защиту от возгорания и от КЗ обмоток двигателя.
Назначение и принцип работы реле контроля фаз
Реле для контроля напряжения фаз следует включать в схемы приборов, которые приходится часто переподключать к питающей трехфазной сети. К примеру, винтовой компрессор, не являющийся стационарным аппаратом, постоянно перемещают с одного места на другое, каждый раз подсоединяя его к линии заново. Если неправильно выполнить действия по его подключению, спутав при этом фазы, пяти секунд после запуска оборудования будет достаточно для того, чтобы произошла серьезная поломка.


Ремонт аппаратуры сопряжен с немалыми затратами, поэтому в таких устройствах контроль напряжения фаз просто необходим.
Есть и другие приборы, которые при неправильном соединении проводов не сгорают, а просто не включаются. В этом случае работники обычно приходят к выводу, что аппарат сломан, начинают его проверять – а прозвонка показывает, что все в порядке. И хорошо, если понимание того, что при подключении были просто перепутаны фазные жилы, придет быстро, иначе рабочее время будет потрачено впустую.
Что такое реле напряжения и как оно настраивается – на следующем видео:
Теперь поговорим о том, как работает реле контроля. Основная задача прибора заключается в защите электрических аппаратов от повреждения в результате воздействия некачественного напряжения. Это очень важно для дорогостоящего оборудования, поэтому электроприборы импортного производства устанавливаются только вместе с контрольным реле. Оно обеспечивает защиту аппаратуры при обрыве фаз, неправильном подсоединении, а также асимметричном напряжении.
При соответствии фаз параметрам контрольного прибора релейные контакты включаются, пропуская через контактор в цепь трехфазное напряжение. Если ток хотя бы на одной фазной жиле отсутствует, напряжение в линию пропущено не будет


После восстановления питания на фазном проводе по истечении нескольких секунд произойдет автоматическое включение нагрузки. Итак, как можно убедиться, реле осуществляет автоматический контроль, отключая подачу напряжения в случае аварии и включая нагрузку после нормализации параметров электрической цепи.
Как устроено реле контроля напряжения, по какому принципу оно работает
Устройство подобного оборудования включает в себя не только микропроцессоры, которые упрощают настройку реле и повышают его надёжность. Также в схеме присутствуют и схемы, которые вычисляют распределение фаз и контролируют срабатывание контактов на выходе в соответствии с заданными параметрами.


ФОТО: 110volt.ru
Индикаторы на лицевой панели (количество зависит от конструктивных особенностей) помогают визуально определить причину отсечки. Что касается принципа работы, то его можно сравнить с объединёнными в одном корпусе несколькими элементами защитной автоматики. К примеру, при исчезновении напряжения на одной из фаз двигатель станка начинает греться. Превышение определённой температуры приводит к срабатыванию теплового реле, производящего отсечку. Однако это уже критические режимы. Реле контроля фаз срабатывает значительно раньше, не позволяя электродвигателю нагреться, что значительно продлевает срок его службы.


ФОТО: mastergrad.com
Особенности различных исполнений и их возможности
Известны две разновидности приборов, используемых в составе линейных трехфазных систем: фазные реле тока и коммутаторы напряжения. Они имеют типовое исполнение, определяемое требованиями нормативной документации. Интерес представляет сравнительная оценка двух разновидностей модульных устройств.
Плюсы токовых реле


Классическая схема подключения прибора контроля фаз и напряжения в цепь управления трехфазным мотором
Бесспорными преимуществами токовых защитных реле (ТР) при их сравнении с устройствами контроля напряжения являются:
- независимость от ЭДС, постоянно возникающей при фазных сбоях в случае перегрузки электродвигателя;
- возможность определения отклонений в поведении электрической машины;
- допустимость контроля не только самой линии (перед ответвлением), но и подключенной к ней нагрузки.
В отличие от ТР приборы контроля напряжения не позволяют реализовать большинство из перечисленных функций. Они предназначаются в основном для установки в линейные цепи.
Обнаружение фазного сбоя
Сбой из-за обрыва фазы – рядовое явление, связанное со сгоревшим предохранителем или механическим повреждением в сети. В схожих условиях 3-хфазный двигатель, например, при пропадании одной из фаз продолжает работать за счет мощности, отбираемой от оставшихся двух. Любая попытка запустить его вновь при отсутствии одной из фаз будет безуспешной.
Длительность ее обнаружения (реакция на перегрузку) бывает настолько продолжительной, что за это время тепловая защита просто не успевает отключить агрегат. В ее отсутствии реле обрыва фазной жилы срабатывает из-за перегрева обмоток электродвигателя. Но это случается далеко не всегда, что объясняется особенностями работы недогруженного по одной из фаз устройства. В этом случае в нем начинает действовать так называемая «обратная ЭДС».
Обнаружение реверса


Использование защитных реле – это обеспечение безопасности рабочего персонала: 1 – оборванная фаза; 2 – шаговое напряжение
Возможность обнаружения реверса фазы востребована в следующих ситуациях:
- на двигателе проводится техобслуживание;
- в систему распределения энергоносителя внесены существенные изменения;
- после восстановления показателя мощности меняется фазовая последовательность.
Необходимость в использовании реле смены чередования фаз связана с недопустимостью реверса двигателя, который способен повредить сам механизм, а также угрожает обслуживающему персоналу. Положениями ПУЭ предписывается применение этого устройства для любого оборудования, включая транспортеры, эскалаторы, лифты и другие движущиеся системы.
Выявление дисбаланса


Выявление дисбаланса в электроцепи
Несбалансированность в электросетях обычно проявляется как значительное различие амплитуд фазных напряжений, поступающих с районной подстанции. Такой дисбаланс наблюдается в ситуациях, когда на стороне потребителя нарушено равномерное распределение нагрузок по каждой из фаз. Его наличие в системе приводит к разбросу токов в отдельных линиях, что заметно сокращает срок службы подключенного оборудования (электродвигателей, например).
Объясняется это тем, что так называемое «слипание» фаз в линиях индуктивных нагрузок вызывает дополнительный нагрев проводов и способствует разрушению изоляции. Все это является обоснованием необходимости установки в действующие электросети указанной модели реле защиты фазы.
См. также
- Несимметрия токов и напряжений
- Устройство защитного отключения
- Электрический предохранитель
- На Викискладе есть медиафайлы по теме Реле контроля фаз
Разделение реле контроля фаз по типам
Выбор типа реле контроля фаз зависит от области его применения. Среди них можно выделить оборудование ЕЛ серий:
- ЕЛ11 и ЕЛ11МТ – защищают блоки питания, участвуют в системах АВР, питании различных преобразователей и трансформаторов, генераторов;
- ЕЛ12 и ЕЛ12МТ – защищают установки, в том числе краны, мощностью не более 100 кВт;
- ЕЛ13 – защита реверсивных электродвигателей, мощностью не более 75 кВт.


ФОТО: price-altai.ru
Типичные схемы подключения
В большинстве случаев, на корпусе каждого устройства производителем устанавливаются все необходимые данные о способе подключения конкретного реле. Для примера заберем несколько схем известных производителей:


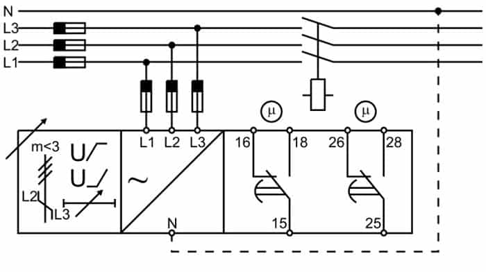
На схеме показано подключение клеммного ряда к соответствующим фазам линии L1, L2, L3 и нейтрале N. На выходе возможно получить две цепи управления «Выход 1» и «Выход 2», отличающиеся по уровням напряжений.


Питание осуществляется по вводным каналам L1, L2, L3 и через нейтраль N. На выходе получается два варианта трехфазная трехпроводная система и трехфазная четырехпроводная, для работы с соответствующим коммутатором.


В отличии от предыдущих вариантов клеммы вводов L1, L2, L3 запитываются через предохранители. Блок регулировки параметров позволяет отстраивать соответствующий режим работы и пределы отключения по ним. Два выхода с возможностью ручной коммутации посылают управленческие сигналы на переключение тех или иных устройств.
Последние две схемы демонстрируют работу вторичных цепей отключения нагрузки с соответствующей временной задержкой по этим клеммам. Как видите, все схемы подключения имеют идентичные компоненты, предназначенные для отслеживания всех параметров сети, способных сигнализировать сбой в электроснабжении трехфазных потребителей.
Литература
- «Справочник по наладке электроустановок», под ред. А. С. Дорофеюка, А. П. Хечумяна, М., «Энергия», 1975 г
- Чернобровов Н.В. «Релейная защита», М., «Энергия», 1974 г.
Выводы и полезное видео по теме
Видеоролик посвящен описанию и обзору отдельно взятого изделия от компании EKF. Однако по такому же принципу действуют практически все выпускаемые аппараты контроля фаз:
При всем многообразии приборов на рынке сложно определить какой-никакой стандарт маркировки. Если зарубежные производители маркируют по одним канонам, то отечественные — по другим. Тем не менее всегда есть возможность обратиться к справочным данным, если требуется точная расшифровка характеристик.
Хотите поделиться собственным опытом в выборе и установке реле напряжения, предназначенного для контроля фаз? Располагаете полезными сведениями, которые пригодятся посетителям сайта? Пишите, пожалуйста, в расположенном ниже блоке, публикуйте фотоснимки по теме, задавайте вопросы.
Обзор популярных реле фазного контроля
На рынке представлены десятки моделей от отечественных и зарубежных производителей. Каждая из них обладает своими особенностями и техническими характеристиками. Выбирая РКФ, необходимо учесть, кто и для каких задач его выпускает.
Zamel CKM 01
Трехфазное реле контроля чередования фаз с крепежом на DIN рейку. Обладает компактными размерами. Ширина стандартная для 1 модуля и составляет 17,5 мм. Более подробные характеристики указаны в таблице.


РНПП 311
Реле от отечественного производителя «Новатек-электро». Устанавливается в щит на DIN-рейку. Имеет на передней панели минимум регуляторов для настройки, что делает его пригодным для обслуживания даже неподготовленным персоналом.


ABB 1SVR750488R8300
Компания ABB специализируется на высококлассном электротехническом оборудовании. Качество соответствует цене. Рассматриваемое реле стоит около 11 тыс.


OMRON K8AB
Компактный прибор, имеющий несколько другое назначение, чем обычное РКФ. OMRON K8AB контролирует не напряжение, а ток. Поэтому для его работы требуется дополнительный трансформатор тока. Производитель позиционирует прибор как идеальное средство для контроля тока в промышленных нагревателях и электродвигателях.
Важно! Гистерезис, если говорить простым языком — это задержка переключения. Он позволяет включать и выключать реле при отличающихся значениях тока. Это необходимо, чтобы предотвратить слишком частое переключение и механический износ контактов. Например, реле выключается при 5 А, а включается при 4. Или регулятор температуры выключает обогреватель, когда в комнате 24°C и включает, когда 18°C.


Carlo Gavazzi DPC01
Мультифункциональное трехфазное РКФ с расширенным перечнем регулировок. Реле данного производителя встречается в промышленном компрессорном оборудовании. На передней панели имеются стандартные регуляторы напряжения и задержки срабатывания. А также индикаторные светодиоды, что облегчает взаимодействие человека с устройством.


Евроавтоматика ФиФ CKF-318-1
Белорусское реле фазного контроля, зарекомендовавшее себя как простое, дешевое и надежное решение для защиты электродвигателей. Данное РКФ срабатывает на критическое снижение/превышение напряжения и пропажу одной и более питающих фаз. Характеристики в таблице.


Особенности выбора


При выборе контрольных устройств, прежде всего учитываются их технические параметры. В качестве примера рассматривается случай подбора модели для подключения АВР, предполагающий следующий порядок действий:
- Определяется способ включения (с «нулем» или без).
- Выясняются параметры выбранного прибора.
- При этом учитывается, что при работе с АВР потребуется контролировать обрыв и последовательность фаз.
Для контроля АВР время задержки выставляется в границах 10-15 секунд.
Знакомство с отдельными модификациями контрольных приборов поможет исполнителю учесть особенности их функционирования в конкретных цепях.
Итог
На любом промышленном предприятии имеются сотни и тысячи трехфазных асинхронных двигателей. Каким бы современным и надежным не был мотор, если во время работы пропадет одна из питающих его фаз, то он сгорит. Стоимость самых больших и мощных двигателей сопоставима с ценой неплохого автомобиля. Реле контроля стоит гораздо дешевле мотора. Но оно точно спасет его при обрыве фазы. Этим объясняется экономическая целесообразность установки РКФ для защиты двигателя.
Качество напряжения важно не только для асинхронных машин. При коротком замыкании в линии вольтаж в одной из фаз просаживается практически до нуля. Такой режим работы недопустим. РКФ заметит критический перекос напряжения и отключит линию. Тем самым все потребители будут защищены от ненормальных режимов работы и последующих убытков.
С учетом сказанного, РКФ — это далеко не последнее по важности защитное устройство. Оно нисколько не потеряло актуальности с советских времен. Напротив, с развитием и усложнением оборудования реле становится только востребованней, ведь оно позволяет защитить от поломки дорогостоящие электрические машины.
Заключительная часть
Реле контроля фаз не является обязательным элементом защитной автоматики. Однако, если владелец оборудования не хочет переплачивать за ремонт приборов или и вовсе тратиться на приобретение новых, стоит подумать об установке такого реле. Ведь его стоимость несоизмеримо ниже, чем цена того же промышленного холодильника или, к примеру, рейсмуса. Здесь именно тот случай, когда имеет смысл заплатить небольшую сумму, чтобы впоследствии не отдать в десятки, а то и сотни раз больше. Не нужно приобретать дорогостоящие устройства, достаточно купить реле контроля фаз российского производства и можно не опасаться за падение напряжения или перекосы фаз.


ФОТО: stroimdom.com.ua
Очень надеемся, что информация, изложенная в сегодняшней статье, будет полезна нашему уважаемому читателю. Возможно, для вас что-то осталось непонятным, или возникли вопросы по ходу прочтения. В таком случае, от вас лишь требуется изложить суть в комментариях ниже. Разъяснения от редакции HouseChief и от других знающих тему читателей не заставят себя долго ждать.
Вы сами используете реле контроля фаз для защиты своего оборудования? Напишите о том, как оно вам помогает. Эта информация будет очень полезна тем, кто только задумался об установки такого элемента защитной автоматики. Если вам понравилась статья, не забудьте её оценить. Напоследок предлагаем вам ознакомиться с коротким видеороликом по сегодняшней теме.