Сравнение установок для прожига высоковольтных кабелей российского и украинского производства
Продолжаем серию статей, посвященных анализу рынка испытательного и диагностического оборудования. Российский рынок оборудования постоянно растет, предложений аналогичных по свойствам и назначению приборов и установок становится все больше. С одной стороны, конкуренция между производителями очень выгодна потребителю, так как способствует появлению на рынке современного высокотехнологичного оборудования по адекватной цене. С другой стороны, такое разнообразие сильно затрудняет процесс выбора: чем больше предложений, тем сложнее принять решение в пользу того или иного варианта. Для того, чтобы вы могли свободно ориентироваться в огромном море предложений, поступающих от производителей, мы пригласили на роль эксперта и автора данной рубрики руководителя отдела маркетинга , специализирующейся на комплексных поставках оборудования для нужд энергетики, Ирину Кузьменко. В одном из прошлых номеров журнала мы говорили о трассоискателях, предназначенных для определения мест повреждения кабельных линий. Статья этого номера посвящена анализу рынка и сравнению прожигающих установок, без которых просто невозможно производить комплекс работ по поиску и отысканию мест повреждений высоковольтных кабельных линий.
Самой популярной схемой поиска повреждений на энергетических кабелях в России является традиционная схема «прожиг — импульсная рефлектометрия — индукционный поиск — подтверждение акустикой».


Для эффективного отыскания повреждений с помощью импульсной рефлектометрии и индукционного поиска необходим качественный прожиг, обеспечивающий преобразование высокоомных однофазных повреждений кабеля в низкоомные двух- или трехфазные с появлением надежного металлического мостика в месте повреждения. Если при прожиге удается достичь замыкания жилы на жилу то дальнейших проблем с отысканием точного места повреждения, как правило, не возникает.
Специалисты по обслуживанию кабельных линий нередко сталкиваются с таким неприятным явлением, как замыкание одной жилы на оболочку кабеля, при котором методы импульсной рефлектометрии и индукционного поиска не позволяют обнаружить точное местоположение дефекта. В данном случае необходимо сначала разрушить металлический спай между жилой и оболочкой, что на практике не всегда удается осуществить без ущерба для состояния всего кабеля.
Возможность непрерывного прожига
Предыдущее поколение прожигающих установок использовало ручное переключение ступеней оператором, что нередко приводило к прерыванию горения дуги, увеличивало время прожига и создавало возможность для «заплывания» пробоев.
Современные устройства прожига снабжены автоматическими системами переключения ступеней прожига, исключающие разрыв дуги в месте прожига, что существенно сокращает затраты времени на подготовительные работы для отыскания мест повреждения. Часто такой прожиг называют «бесступенчатым», что не должно вводить специалистов в заблуждение: данное понятие вовсе не означает отсутствие нескольких силовых блоков (ступеней) — просто переключение между ними производится автоматически, без участия оператора.
Для генерации высокого напряжения в конструкции прожигающих установок используются либо масляные трансформаторы, либо «сухие» трансформаторы — силовые транзисторы (Таблица 4). Вопрос автоматического переключения ступеней без разрыва дуги решен в обоих типах устройств, однако существует мнение, что только сухие трансформаторы могут обеспечить непрерывный прожиг в любых условиях. Связано данное явление с разным энергопотреблением двух видов трансформаторов в режиме короткого замыкания. Масляные трансформаторы имеют существенно большее энергопотребление в режиме короткого замыкания, поэтому держать их включенными одновременно в процессе всего прожига неэффективно, следовательно, при понижении напряжения происходит отключение источника с масляным трансформатором, генерирующего более высокое напряжение.
Таблица 4. Вес и габариты оборудования в зависимости от типа трансформатора
| Наименование оборудования | Тип трансформатора | Вес оборудования, кг |
| АПУ 1-3М | масляный | 260 |
| ВУПК-03-25 | сухой | 45 |
| МПУ-3 Феникс | сухой | 55 |
| СВП-05Ц | масляный | 215 |
| УП-7-3М | масляный | 210 |
Очень часто переход на более мощную ступень прожигания приводит сначала к «заплыванию», т.е. к подъему пробивного напряжения, при этом следует вернуться к предыдущей ступени более высокого напряжения, а затем после снижения напряжения пробоя переходить на следующую ступень.
В ситуации, когда происходит «заплывание» пробоя и повторный рост напряжения, в типах устройств с масляными трансформаторами более высокий по напряжению источник может быть уже отключен, что приводит к прерыванию дуги. Напротив, «сухие трансформаторы» (силовые транзисторы) в режиме короткого замыкания имеют почти нулевое энергопотребление, что позволяет держать их включенными одновременно, благодаря чему дуга не прерывается ни при падении напряжения, ни при его росте («заплывании» пробоя). Считается, что в борьбе с заплывающими пробоями лучшими показателями обладают прожигающие установки, изготовленные с применением сухих трансформаторов.
Мощность прожигающей установки
Мощность прожигающей установки является одной из важных характеристик, влияющей на время прожига и его эффективность. Также более мощные установки хорошо зарекомендовали себя в условиях, когда кабели сильно замокли и требуют «сушки» (Таблица 5).
Таблица 5. Примеры значений выходной мощности прожигающих установок
| Наименование оборудования | Выходная мощность, кВА |
| МПУ-3 Феникс | 6 |
| СВП-05Ц | 8 |
Установка прожига кабеля УПВР-1630М (установка прожигающая)


Установка прожигающая высоковольтная УПВР-1630М предназначена для прожига дефектной изоляции высоковольтного кабеля с целью дальнейшей реализации точных методов определения места его повреждения.
Установка обеспечивает выполнение цикла прожига – дожига высоковольтного кабеля. Прожиг кабеля при помощи установки УПВР-1630М осуществляется в несколько этапов:
1. Подключается высоковольтная ступень прожига (ступень 1 – 16 кВ). В кабеле возникает пробой и начинается процесс выжигания изоляции. Оператор контролирует ход процесса по индикаторам напряжения и тока.
После переключения на ступень 2, оператор отслеживает процесс прожига кабеля по индикатору тока. При достижении максимального значения тока прожига производится переключение на ступень 3 (2,6 кВ).3. Аналогично, контролируя ток прожига, производится переключения на ступень 4 (600…700В).
По окончании процесса прожига на данной ступени (установившийся ток КЗ около 4,5А), возможно использование акустического метода определения места повреждения кабеля.4. Для использования индукционного метода поиска места повреждения кабеля, необходимо произвести дожиг кабеля, переключившись на ступень 5 (80В).
Достижение максимального тока дожига (около 30А) соответствует крайнему правому положению индикатора тока. Процесс закончен.5. После полного отключения установки происходит замыкание через демпфирующий резистор высоковольтного вывода на «землю» и снятие остаточного заряда с кабеля.6.
Обратите внимание
В зависимости от типа прожигаемого кабеля и характера его повреждения, прожиг можно начинать с любой ступени.7. Контроль включения ступеней прожига производится при помощи микровыключателей установленных на переключателях ступеней «по факту» срабатывания.
Смотреть видео работы УПВР-1630М >>>
| №п/п | Характеристики | Тип установки | |
| УПВР-1630М | |||
| 1 | Напряжение питания | 220В ±10%, 50Гц | |
| 2 | Средний ток потребления из сети , А | 12 | |
| 3 | Максимальный ток потребления (режим КЗ), А | 20 | |
| 4 | Максимальное напряжение на выходе, В (при U сети 220В) | 16000 | |
| 5 | Максимальный ток дожига, А | 32 | |
| 6 | Ступени прожига: | Максимальное напряжение ступени в режиме ХХ, В (при U сети 220В) | Номинальный ток в режиме КЗ, А |
| Ступень 1 DC | 16000
± 500 |
0,15 ± 0,03 | |
| Ступень 2 DC | 5200 ± 150 | 0,3 ± 0,05 | |
| Ступень 3 DC | 2600 ± 100 | 0,8± 0,1 | |
| Ступень 4 DC | 700 ± 70 | 4,5± 0,4 | |
| Ступень 5 AC | 80 ± 10 | 32 ± 3 | |
| 7 | Переключение ступеней | Ручное – дистанционное: электромагнитный переключатель | |
| 8 | Тип высоковольтного трансформатора | Многоступенчатый высоковольтный трансформатор «сухого» исполнения | |
| 9 | Габаритные размеры (силовой блок, без колесной пары), мм, не более | 510х510х810 | |
| 10 | Масса (силовой блок), кг, не более | 85 | |
| 11 | Варианты исполнения: | ||
| для автономной работы: | силовой блок – транспортная тележка + выносной пульт управления | ||
| для работы в составе передвижной электролаборатории ПВЛ: | силовой блок + панель управления в составе пульта (специальное исполнение) | ||
| 12 | Дополнительные возможности УПВР-1630М в исполнении для электролаборатории ПВЛ | Регулировка напряжения прожига в пределах каждой ступени при помощи автотрансформатора, увеличение напряжения каждой ступени на 10% (при использовании автотрансформатора 0…250В) | |
| 13 | Особенности УПВР-1630М: | При переключении ступеней снятия напряжения заряда кабельной линии не производится. Разрыв дуги происходит только на время переключения ступеней оператором (1…2 сек.)После полного отключения установки автоматически производится разряд кабельной линии через демпфирующий резистор.
Система ограницения мощности обеспечивает необходимый температурный режим работы высоковольтного трансформатора установки при указанных характеристиках ступеней прожига и тока потребления. Возможность начала работы с любой ступени прожига (при работе с низковольтными кабелями) |
ООО “ПК “ЭНЕРГО-ПРОФИЛЬ” – производитель установки УПВР-1630М оставляет за собой право вносить изменения не ухудшающие технических и эксплуатационных характеристик изделия.
Порядок выполнения
Обычно на практике встречаются либо замыкание, либо обрыв жил кабеля. Первое повреждение бывает высоко-и низкоомным. Выполнение перезвонки показывает наличие КЗ в последнем случае, а вот для первого варианта потребуется еще и процедура прожигания. Только так можно проникнуть сквозь изоляционный слой и трансформировать замыкание в низкоомное или выполнить перевод однофазного повреждения в 2-3 фазное.
На первой стадии процедура выполняется при низких показателях тока и достаточно высоком напряжении. Наблюдается пробой изоляции и методичное снижение напряжения параллельно уменьшением сопротивления в зоне дефекта. А вот показатели протекаемого тока начинают расти. На порядок с кОм до нескольких ОМ снижается сопротивление. Мощность прожига ограничивается благодаря изменению напряжения. Алгоритм процесса в различных модификациях имеет обширный диапазон и может быть использован и для переменного, и для постоянного тока.
Большая Энциклопедия Нефти и Газа


Процесс прожигания кабеля состоит из нескольких стадий. Первая стадияпрожигания кабеля начинается с момента про-боя нарушенной изоляции при испытании выпрямленным напряжением от кенотронной установки, дающей токи в миллиамперах при десятках киловольт.
Использование кенотронной установки проводится до тех пор, пока переходное сопротивление в месте про-боя не снижается от каждого последующего включения.
Для дальнейшего снижения переходного сопротивления при отсутствии специального оборудования ( газотронной установки) для прожигания кабеля используются силовые трехфазные трансформаторы типа ТМ-6 / 0 4 мощностью 30 – 50 ква.
Акустический метод ( см. рис. 11.
7 6) используют для определения непосредственно на трассе места всех видов повреждений кабельной линии при условии создания в этом месте звукового удара, воспринимаемого на поверхности земли при помощи акустического аппарата.
Для создания электрического разряда в месте повреждения кабеля должно быть сквозное отверстие, образуемое припрожигании кабеля газотронной установкой, а также достаточное переходное сопротивление для образования искрового разряда.
Наличие высших гармоник в напряжении сети ведет к повышенному их содержанию и в токе замыкания на землю, что снижает эффективность работы дугогасящих аппаратов. За счет высших гармоник тока довольно часто однофазные КЗ переходят в двухфазные в месте первого пробоя вследствиепрожигания кабеля.
| Внешний вид кенотронного аппарата. |
При использовании для работы непосредственно в сети его, устанавливают на автомашину, причем установка и снятие вследствие значительного веса аппарата неудобны.
Поэтому в энергосистемах с развитой кабельной сетью целесообразно иметь специальные испытательные автомашины; собрав в них оборудование, необходимое для испытания ипрожигания кабелей. Такие автомашины иногда называют передвижными лабораториями. Кузов машины, кроме кабины шофера, имеет два отделения.
В отделении, находящемся сзади кабины шофера, размещаются щит управления и место для оператора. В заднем отделении размещается испытательная и измерительная аппаратура.
Важно
Время испытания кабелей повышенным напряжением устанавливается 10 мин. Счет времени ведется с момента доведения величины испытательного напряжения до заданного значения.
Если при испытании наблюдается нарастание тока утечки в зависимости от времени приложения напряжения или замечаются толчки тока утечки, то время испытания следует увеличить до 15 – 20 мин.
В случае же дальнейшего нарастания тока утечки испытание ведется до пробоя ипрожигания кабеля.
Процесс прожигания кабеля состоит из нескольких стадий. Первая стадия прожигания кабеля начинается с момента про-боя нарушенной изоляции при испытании выпрямленным напряжением от кенотронной установки, дающей токи в миллиамперах при десятках киловольт.
Использование кенотронной установки проводится до тех пор, пока переходное сопротивление в месте про-боя не снижается от каждого последующего включения.
Для дальнейшего снижения переходного сопротивления при отсутствии специального оборудования ( газотронной установки) дляпрожигания кабеля используются силовые трехфазные трансформаторы типа ТМ-6 / 0 4 мощностью 30 – 50 ква.
После пробоя КЛ по причине отказа или в результате испытания, за исключением прямых механических повреждений, возникает необходимость в определении места повреждения линии.
В настоящее время имеются совершенные методы, с помощью которых место повреждения, как правило, устанавливается с достаточной точностью и в ограниченное время.
Совет
Каждый метод имеет свою область использования, которая определяется характером повреждения КЛ и, в том числе, переходным сопротивлением, возникающем в месте повреждения.
В связи с этим перед определением места повреждения необходимо определить характер повреждения, а также произвести, при необходимости, прожигание кабеля с целью снижения переходного сопротивления в месте повреждения его изоляции до требуемого уровня.
Повреждения КЛ имеют различный характер: повреждение изоляции с замыканием одной жилы на землю; повреждение изоляции с замыканием двух или трех жил на землю, двух или трех жил между собой в одном или в разных местах; обрыв одной, двух или трех жил с заземлением и без заземления жил; заплывающий пробой изоляции; сложные повреждения, содержащие указанные виды повреждений. Наиболее распространенный случай – это повреждение между жилой и оболочкой кабеля, т.е. однофазные повреждения, особенно для кабелей с жилами в самостоятельных оболочках.
Страницы: 1 2 3
Способы прозвонки
Прозвонить провода в домашних условиях можно несколькими способами:
С помощью лампочки и батарейки
. Это самый простой и быстрый метод. Для того чтобы сконструировать такой прибор необходимо обладать лампочкой и батарейкой (можно соединить между собой несколько батареек), а также соединительные проводники и щуп. Помимо этого, не стоит забывать про то, что вольтаж лампочки и батарейки должен быть одинаковым, или у батарейки больше, но не наоборот. Соединительный провод должен быть длины, достаточной для того, чтобы прозвонить провод на расстоянии.
Для того чтобы прозвонка работала правильно, необходимо кабель маркировать в любом порядке. Методика работы такого приспособления состоит в следующем: к одной жиле присоединяют провод, что идет от батареи, а к щупу прикрепляют лампочку. Этим щупом по очереди прикасаться к проводникам на противоположном конце кабеля. Если лампочка засветилась, значит, этот провод соединен с батарейкой.
О том, как прозвонить провода лампочкой и батарейкой, можете узнать из этого видео урока:
С помощью мультиметра
. Этим прибором измеряют различные параметры электросети (например, напряжение, силу тока, сопротивление). В доме такой прибор будет незаменимым, если необходимо проверить розетку или выключатель, наличие обрыва или узнать, куда идет провод.


Прозвонить кабель мультиметром можно по следующей методике:
- Устанавливается функция «прозвонка». В зависимости от того, какая модель прибора используется, этот режим обозначается по-разному. Как правило, он обозначается диодом.
- Затем необходимо найти фазу в распределительной коробке. Это делается следующим образом: необходимо включить питание и индикаторной отверткой проверить каждый кабель. Нужный помечаем скотчем или изолентой и после этого определяем ноль.
- После этого следует найти напряжение. Для этого устанавливаем мультиметр на режим «измерение напряжения». С помощью щупа проверяем каждый провод. Если при очередном касании щупа высвечивается в районе 220 В, значит найден нужный.
Чтобы проверить электропроводку в стене на целостность, необходимо кабель отключить от источника тока. Устанавливаем мультиметр в режим измерения сопротивления. При смыкании щупов на экране должны показаться нули.
На видео ниже наглядно демонстрируется технология прозвонки кабеля мультиметром:
Эти два метода удобны, если прозвонка осуществляется на коротком расстоянии и сделать ее может один человек. Если же кабель длинный и его концы находятся в разных помещениях в квартире или за ее пределами, то используют другой метод.
С помощью телефонных трубок
. Прозвонка телефонными гарнитурами осуществляется следующим образом: капсюли в трубке соединяют друг с другом и к ним соединяют аккумулятор, напряжение которого не превышает двух вольт. Благодаря такой методике работники могут проговориться между собой по телефону и координировать свои действия.
Схема прозвонки кабеля с помощью телефонных трубок:


Прозвонить можно следующим образом: кабель с одной стороны соединяется с проводником трубки, а другой проводник – к любой жиле. С другой стороны кабель соединяет с проводником трубки, а другой – к каждой жиле поочередно. Если в трубке работники слышат друг друга, значит, они подсоединились к одному и тому же проводнику.
Увидеть всю технологию работ вы можете на данном видео примере:
С помощью трансформатора.
Есть еще один способ, с помощью которого можно прозвонить кабельные линии – это прозвонка с использованием трансформатора, у которого от вторичной обмотки отходит несколько отводов. Методика состоит в следующем: начало обмотки соединяется с заземленной оболочкой проводника, а отводы трансформатора подключаются к жилам и запитывают каждую из них. Если измерить напряжение, котрое существует между оболочкой на другом конце и жилами, можно определить принадлежность конца к определенному проводнику. Прозвонка позволит определить и промаркировать необходимые жилы. О том, как правильно маркировать провода, можете узнать из нашей статьи.
Технология выполнения процесса прожига
На практике чаще всего применяется три методики:
- Для прожига соединительных муфт.
- Снижения сопротивления изоляции кабеля.
- Разрушение спайки однофазного КЗ.
Рассмотрим каждую из них.
Прожиг муфт
Муфты, надеваемые на концы кабеля, могут подвергнуться разрушению. Причиной этого может быть как неправильный монтаж, так и деструктивное воздействие внешней среды. Для обнаружения таких повреждений регулярно проводятся испытания кабельных сетей с целью профилактики.
Методика испытаний следующая:
- Используя высоковольтный прибор на одну из жил подается напряжение пробоя. После серии пробоев должно уменьшиться напряжение и электрическая прочность. В противном случае все свидетельствует о том, что возникли проблемы с соединительными или концевыми муфтами (последнее маловероятно, чаще всего неисправность происходит в месте наращивания кабеля).
- Непрерывный прожиг продолжается до 10-и минут, если за этот период напряжение разряда не понизится, испытания прекращают и приступают к локализации повреждения.
Выбранный метод поиска места повреждения подбирается в зависимости от того, какая установилась величина сопротивления в месте пробоя.
Проверка кабеля
Как и в предыдущей методике проблемы с оболочкой кабеля чаще всего обнаруживают при профилактике, которую необходимо регулярно делать даже для внешне исправных кабелей. Если при проверке наблюдается серия разрядов с постепенным снижением напряжения, все указывает на повреждение изоляции, например, прокол кабеля. Как только установится минимальное напряжение разряда, выполняется прожиг на максимальной ступени, то есть повышенным напряжением.
В результате изоляция обуглиться и высохнет, высоковольтные импульсы разрядов сменяться устойчивым протеканием тока в месте КЗ, при этом будет наблюдаться падение сопротивления в аварийной точке. Это потребует понижения напряжения источника, то есть, снизить ступень. Если в процессе прожига величина сопротивления перехода начнет повышаться, ступень меняется на более высокую, пока ситуация не стабилизируется.
Теперь рассмотрим, схему подключения кабеля, когда необходимо из однофазного КЗ сделать межфазное.


Как из однофазного КЗ сделать двухфазное
Приведенная схема работает по следующему алгоритму:
- Используя прожигательный прибор «2» мы разрушаем контакт между поврежденной жилой «с» и металлической оболочкой кабеля.
- При этом подключение испытательного устройства «1» производится одним концом к двум целым жилам «a» и «b», а вторым к разряднику «3» (также подключенного к жиле «с»). Емкость, образуемая двумя жилами, накапливает заряд до тех пор, пока он не будет соответствовать напряжению разрядника (как правило, от 5,0 до 10,0 киловольт). При импульсном разряде разрушается контакт между поврежденной жилой и оболочкой.
- За счет наличия заряда на жилах «a» и «b» при переходных процессах с большой вероятностью может произойти пробой между целыми жилами и поврежденной «с». В этом случае напряжение испытательной установки «2» будет недостаточно для срабатывания разрядника.
Заметим, что при помощи данной схемы может не получиться создать межфазное КЗ. При этом попытки увеличения выходного напряжения испытательного прибора могут вызвать пробой совершенно в другой точке.
Удаление спайки при однофазном КЗ
В том случае, когда имело место длительное КЗ между оболочкой и жилой кабеля, то точке электрического контакта может произойти спайка между этими элементами. Как показывает практика, прожигатель не всегда эффективен для разрушения электрического контакта. Если оставить все как есть, то локализировать место аварии затруднительно.
Для решения данной проблемы часто используется конденсаторная батарея до 200,0 мкФ, способная накопить заряд с высоким напряжением до 5,0 кВ. Помимо этого можно использовать в качестве емкости неповрежденные жилы, как это было показано на рисунке выше. То есть, подключение конденсаторной батареи осуществляется при помощи управляемого разрядника, запитанного от высоковольтного прибора для испытаний.
При разряде емкости, электродинамическое воздействие на спайку и прохождение через нее мощного импульса приводит к разрушению электрического контакта.
В том случае, когда описанных мер недостаточно, можно использовать специальные «отжигатели» с увеличенной мощностью источника за счет установки высоковольтного трансформатора. При прохождении через спайку высокого постоянного тока она расплавляется.
Схема устройства для сваривания двух жил в неисправном кабеле – блог СамЭлектрик.ру
Представляю на суд читателей первую статью летнего конкурса. Напоминаю, что все статьи предыдущего конкурса, а также правила и итоги можно увидеть по этой ссылке.
Автор – Марченко Борис Данилович.
Я инженер – электрик, пенсионер. От случая к случаю ко мне обращаются действующие энергетики и руководители местных предприятий с различными просьбами. Имею несколько публикаций в профильных журналах.
При несоблюдении правил технической эксплуатации электрических кабелей, особенно с бумажной изоляцией типа ААБ-1 3*35, ААБ 3*120 при продолжительной эксплуатации наблюдается «пробой» (короткое замыкание) по пути жила – жила или жила – заземления оболочка.
О том, что произошёл «пробой», служба эксплуатации узнает после срабатывания автоматической защиты автомата кабеля. Потребитель остается без электроэнергии. Нужно найти место «пробоя» в кабеле и устранить неисправность.
Реальное использование прибора на практике неоднократно успешно применялось мной на подземных кабелях на глубине до одного метра. Во всех случаях сваривание жил было удачным.
ЧИТАТЬ ДАЛЕЕ: Монтаж греющего кабеля внутри трубы пошаговый инструктаж рекомендации по выбору лучшего кабеля
Для контроля факта сваривания применяется обычная лампа накаливания, а локализация места сварки (т.е.
Место «пробоя» кабеля жила – жила имеет сопротивление изоляции в пределах 500…100 кОм. Для более точного определения места повреждения применяются приборы типа Р5-10, Р5-13 и др. и звуковой генератор и кабельный искатель.
Но для нормальной работы поисковых приборов нужно снизить сопротивление изоляции кабеля до значений 10…2 ома. Для снижения сопротивления необходимо кабель «дожечь». Для этого применяется приборы типа УП-7, «феник» и др.
которых бывает и нет в наличии.
Предлагаю свою простую схему прибора для сваривания жил кабеля.В связи с тем, что напряжение в кабеле 220 V вызывает «пробой» срабатывание защиты то, это можно использовать для сварки жилы с защитной жилой кабеля. Нужно только ограничить ток, включить последовательно сопротивление и реле времени для ограничения времени действия сварки.
Рис.1. Схема прибора для сваривания жил в неисправном кабеле.
Это: пускатель ПМЕ-211 с катушкой 220 V, автоматический выключатель А1 с током срабатывания 150 … 200 а, два мощных сопротивлений R1=1,8 ома и R2=1,8 ом мощностью по Р= 500 вт, которые можно при необходимости включить последовательно. Реле времени 4 … 10 сек. с питанием от трансформатора 220/24, 24 вольта постоянного тока.
Другие детали – вводной автоматический выключатель с током срабатывания 150-200 а, трансформатор тока 200/5, амперметр 5а, токовое реле с током срабатывания 20а.
Для контроля сваривания установлена лампа 220 V 75 ватт. После отключения пускателя ПМЕ-211 если лампа горит, значит произошла сварка двух жил кабеля.
При подключении обязательно соблюдать правильную последовательность подключения. Первым заземляется одна поврежденная жила кабеля. Потом подключается Ре на зажим Х3 аппарата. Подключается N (ноль) на зажим Х2. Автомат А1 выключен и не подает фазу L1 на зажим Х1. Аппарат готов к работе.
Были проведены несколько попыток сварить жилу силового кабеля с заземленной оболочкой кабеля. Положительный результат получался не всегда.
При прожигании нужно помнить о пожарной безопасности и электробезопасности.
Прибор собран в корпусе старого компьютера. Вес 15 кг.
Фото прибора для сваривания жил в электрическом кабеле
Теперь, когда место пробоя четко обозначено, можно легко найти это место и заменить поврежденный участок кабеля.
Автор Марченко Борис Данилович
Голосование за статьи конкурса начнется 1 июня, а пока задавайте вопросы автору.
Голосование за авторов летнего Конкурса
- 1. Марченко Борис Данилович со статьями о сваривании жил и поиске скрытой проводки (49%, 29 Голосов)
- 3. Сергей Пикалов со статьёй о проводке в стройварианте (34%, 20 Голосов)
- 2. Алексей Сидоркин со статьёй о ремонте дрели Bosch (17%, 10 Голосов)
Всего проавших: 59
Загрузка …
(35,00 из 5)Загрузка…
Что такое прожиг кабеля и для чего его применяют?
Если на высоковольтном кабеле имело место повреждение изоляции, то необходимо локализовать аварийный участок, после чего приступить к устранению аварии. Важным условием для применения методик поиска дефектной изоляции является уровень переходного сопротивления в месте аварии, оно не должно быть больше 3,0-5,0 кОм. В противном случае с локализацией повреждения возникнут проблемы.
В некоторых случаях не поможет даже низкое переходное сопротивление. Например, эффективный акустический метод может дать сбой при большой глубине прокладки кабеля или в случае проблем с определением ее прохождения. В таких случаях применяется аппарат прожига оболочки кабеля. С помощью прожигающей установки можно из однофазных замыканий жил кабеля создать межфазные, и локализировать их индукционным методом. Подробно о различных способах поиска повреждений, в том числе и обрывов в кабельных линиях, можно узнать на нашем сайте.
Прожиг осуществляется энергией, которая выделяется в месте КЗ (то есть, принцип работы такой же, как у нагревательного кабеля). В результате обугливается оболочка и понижается переходное сопротивление там, где имеется дефект изоляции.
Заметим, что с помощью данной методики можно определить повреждения на кабельных муфтах, концевиках. Если кабельная трасса незакрыта, то обнаружить проблемное место не составит труда тактильным способом или по выделяемой гари.
Главные показатели
Все изложенное выше свидетельствует, что основной характеристикой прибора будет рабочий ток и выходное напряжение. Не меньшее значение имеет также число ступеней.
Нужный результат может быть достигнут при таком условии – показатели переходного и внутреннего напряжения в зоне повреждения должны как-можно больше соответствовать друг другу. В реальности при значительном отличии данных параметров работа прибора просто невозможна.
Только применение многоступенчатой методики поможет решить подобную проблему. Суть процесса заключается в переключении при более низком переходном напряжении на источник с меньшими параметрами напряжения. 3-6 ступеней имеют современные образцы приборов прожига.
Типы установок для прожига кабелей
В России и странах ближнего зарубежья рассматриваемые установки принято классифицировать по назначению. В связи с этим аппараты для прожига разделяют на следующие три вида:
- Устройства, используемые как в процессе испытаний, так и при высоковольтном прожиге. Пиковое напряжение таких аппаратов около 60,0-70,0 киловольт.
- Приборы с рабочим диапазоном до 20,0-25,0 киловольт. Как правило, на них устанавливаются несколько высоковольтных источников и один низкого напряжения.
Прожигающий аппарат АПУ 1-3 М - Дожигающие аппараты, разрушают контакт (металлический мост), образующийся при однофазном КЗ одной из жил на оболочку кабеля. Для этой цели через поврежденный кабель пропускается ток величиной до 300,0 Ампер.
УД-300 — аппарат для дожига Соответственно, делая выбор между моделями устройств для прожига, необходимо принимать во внимание, что оборудование различных производителей может быть несовместимо и отличаться эксплуатационными характеристиками
Перечень основных характеристик
Из текста выше становится понятно, что основными показателями устройств прожига является выходное напряжение и ток. Не менее значимая характеристика – количество ступеней. Здесь необходимо дать пояснение.
Дело в том, что рассчитывать на эффективность прожига прибором можно только в тех случаях, когда внутреннее сопротивление аппарата и значение переходного сопротивления в проблемном месте примерно одного порядка. То есть, на практике невозможен прибор, способный поддерживать пиковое напряжение при небольшом внутреннем сопротивлении.
Единственный выход из создавшегося положения – многоступенчатая методика. Она заключается в переключении на источник с меньшим напряжением при понижении переходного сопротивления. Современные аппараты для прожига могут быть оснащены тремя-шестью ступенями прожига.
Ниже приведен фрагмент таблицы с основными характеристиками различных многоступенчатых моделей.


Сравнительные характеристики устройств для прожига кабеля
Типы прожигающих установок
Среди предлагаемого на российском рынке отечественного и украинского оборудования существуют три типа прожигающих установок (Таблица 1):
- Установки для испытания и прожига высоковольтных кабелей с максимальным напряжением 60–70 кВ, используемые как вспомогательное оборудование на начальных этапах прожига.
- Установки прожига с максимальным напряжением 20–25 кВ, с несколькими высоковольтными и одним низковольтным источником.
- Установки дожига, предназначенные для разрушения металлического мостика между жилой и оболочкой большими токами (300 А) в случае однофазного замыкания на жилу.
При выборе той или иной модели необходимо учитывать как производственные задачи, так и характеристики уже имеющегося в наличии оборудования и его совместимость с приобретаемым. Совместно работать может оборудование, изготовленное одним и тем же производителем (Таблица 2).
Таблица 2. Пример совместимости оборудования для прожига
| АИП-70 | г. Пенза | + | АПУ 1-3М | г. Пенза |
| ВПУ-60 (заменяет АИД-60П Вулкан М) | г. Обнинск | + | МПУ-3 Феникс | г. Обнинск |
Синхронизация работы с устройствами высоковольтного прожига
В начале статьи, рассматривая технологию процесс прожига, мы говорили о возможности подключения устройств высоковольтного прожига, которые могут начать прожиг с 60–70 кВ (Таблица 2). Сегодня все серьезные производители прожигающей техники применяют аналогичные решения, так как это существенно расширяет возможности при выполнении работ по поиску повреждений высоковольтных кабельных линий. Прожигающие установки используются не только стационарно, но и в составе передвижных электротехнических лабораторий, где всегда реализуется возможность высоковольтного прожига.
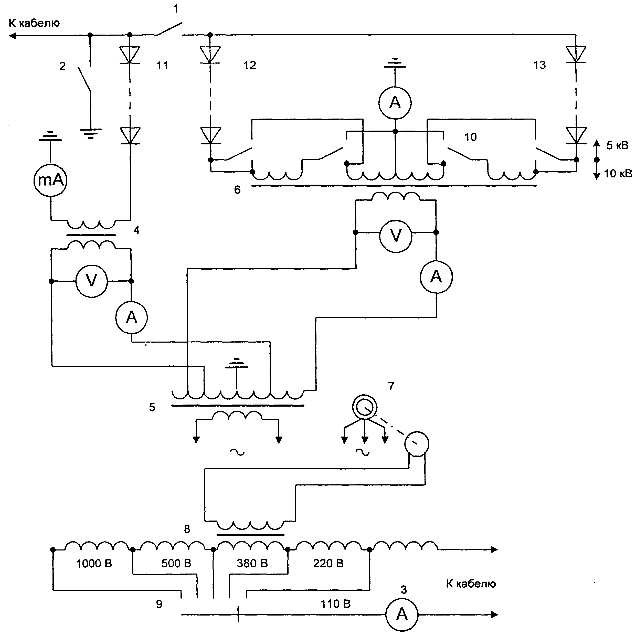
Чем «жгут» высоковольтные кабели?
Сравнение установок для прожига высоковольтных кабелей российского и украинского производства
Продолжаем серию статей, посвященных анализу рынка испытательного и диагностического оборудования. Российский рынок оборудования постоянно растет, предложений аналогичных по свойствам и назначению приборов и установок становится все больше. С одной стороны, конкуренция между производителями очень выгодна потребителю, так как способствует появлению на рынке современного высокотехнологичного оборудования по адекватной цене. С другой стороны, такое разнообразие сильно затрудняет процесс выбора: чем больше предложений, тем сложнее принять решение в пользу того или иного варианта. Для того, чтобы вы могли свободно ориентироваться в огромном море предложений, поступающих от производителей, мы пригласили на роль эксперта и автора данной рубрики руководителя отдела маркетинга , специализирующейся на комплексных поставках оборудования для нужд энергетики, Ирину Кузьменко. В одном из прошлых номеров журнала мы говорили о трассоискателях, предназначенных для определения мест повреждения кабельных линий. Статья этого номера посвящена анализу рынка и сравнению прожигающих установок, без которых просто невозможно производить комплекс работ по поиску и отысканию мест повреждений высоковольтных кабельных линий.
Установка прожигающая вт 5000
Хотелось бы почитать отзывы по малогабаритным/переносным установкам прожига изоляции КЛ: Феникс» «УПА-10» «ИПУ-60» «Вулкан» «УП-7М2» «БП-60» «АПК-14» » Установка BT 5000″ «СВП-05» У кого опыт/наработки имеются — опишите .
у СВП-05 есть дожиг. К нам только пришла СВПА. еще не получили со склада. Наработаем отпишусь.
п.с. ну и здоровая дура (2 тачки на колесах: 1
Дожиг далеко не всегда нужен, кстати. УП-7 не пользовался, а только УП-5. УП-5 не произвела впечатления, она у Вас в машине должна стоять, если ЛВИ-3. У УП-7 есть ещё переключатели пределов. Некоторым людям удавалось прожечь несколько кабелей.
Неоднократно искали повреждения на КЛ, не дожигая их. Можете поверить, занимаюсь этим давно.
С этим соглашусь. Но без дожига найти можно и такие случаи на редки. А вот без прожига, дожиг точно бесполезен.
у СВП-05 есть дожиг. К нам только пришла СВПА. еще не получили со склада. Наработаем отпишусь.
п.с. ну и здоровая дура (2 тачки на колесах: 1
Добрый день, а можно подробные фото выложить, желательно крупным планом и в плане цены и производителя дайте информацию, заранее спасибо.
Добрый день! С таким аппаратом кто-нибудь работал? Может есть руководство? Буду рад любой информации.
Об этом я уже догадался. РНО такой у нас найдётся. И всё больше ничего не надо? Каким образом будет происходить резонанс? Ведь у повреждённого кабеля далеко не всегда такие параметры, чтобы при прожиге наступал резонанс.
Где взять эту волшебную ручку?
Нет, я там не работаю. Работаю в электросетях.
По теме ещё может кто-нибудь сказать что-нибудь? Что ещё в комплекте должно быть к данному агрегату?
Это ясно. Не совсем понятно, каким образом аппарат входит в резонанс. Только лишь при помощи РНО?
Ладно. Вернусь из отпуска, буду экспериментировать в натуре.
Хочу заметить что и в России производят подобное оборудование, например тут: https://setech.ru/burning_device.aspx#part1 при том что установка совмещает и прожиг и дожиг и весить 45 кг.
Вот в справочнике по наладке за 1972г. попалось описание резонансного трансформатора.
Фото нет. Но могу вам сказать о наработке. Значит дура здоровая и падло тяжелая и неудобная для траспортировки в транспорте. Мощная, смалит хорошо и акустика мощная, есть выход для рефлектрометра. Если использовать в пределах одного здания то просто супер. Но грузить ее в траспорт надо 4 крепеньких парня.
П.С. прошу прощеня за то что так долго. хотелось несколько раз опробывать прежде чем отписывать.
Короче КАЭЛ-3 и старый дедушкин самодельный резонансный аппарат для наших условий больше подходит.
источник
Работы с муфтой
Под влиянием внешней среды или вследствие неграмотного монтажа эти элементы могут разрушаться. Профилактические мероприятия по выявлению проблемных мест производятся следующим образом:
- Напряжение пробоя подается высоковольтным устройством на любую жилу. Электрическая прочность и номинальное напряжение понижаются после серии подобных пробоев. Если этого не происходит, можно констатировать неисправности концевых или соединительных муфт. Обычно речь идет о последних, а в первом случае вероятность возникновения проблем на практике очень незначительна.
- До 10 минут происходит процедура непрерывающегося прожига. При неизменном периоде разрядного напряжения приступаем к локализации тестируемого участка.
Выбор одного из этих методов делается с учетом параметров сопротивления в зоне пробоя.
Популярные установки
Приборы имеют достаточно большие габариты, а расположение кабельной магистрали зачастую бывает в очень неудобных местах. Поэтому стандартный вид оборудования – это его размещение на базе специального транспортного средства, укомплектованного генератором.
Универсальностью такие устройства не отличаются, следовательно, выбор делается под определенный ряд напряжения, а также по наличию ступенчатой регулировки.
Наиболее распространенные модификации – АПУ 1-3М, ИПК-1, ВУПК-03-25.
← Предыдущая страница Следующая страница →
Прожиг и дожиг изоляции кабеля
В последние годы беспрожиговые методы поиска повреждений энергетических кабелей получили в России довольно широкое распространение. Возможности использования таких методов в российском электросетевом хозяйстве остаются ограниченными. Это связано с тем, что большая часть кабельных линий остается неоттрассированной, а на таких кабелях одними беспрожиговыми методами и акустическим поиском не обойдешься. Поэтому самой популярной схемой поиска повреждений на энергетических кабелях в России остается и в ближайшие годы останется схема:
Залог эффективности работы по такой схеме – качественные прожигающие установки от предприятия «АНГСТРЕМ». Для отыскания повреждений с помощью импульсной рефлектометрии и индукционного поиска необходим прожиг, обеспечивающий преобразование высокоомных однофазных повреждений кабеля в низкоомные двух или трехфазные с появлением надежного металлического мостика в месте повреждения. Если при прожиге удается достичь замыкания жилы на жилу, то проблем с отысканием точного места повреждения больше не возникает. С другой стороны, «вкачивание» в кабель большой мощности в процессе прожига не должно приводить к тому, чтобы кабель выходил из строя в других местах.
Прожиг кабеля высоковольтного является подготовительной процедурой, обеспечивающей возможность использования совокупности методов ОМП. Некоторые методы ОМП применимы только при переходном сопротивлении в месте повреждения изоляции не более сотен или даже единиц Ом (в отдельных случаях – десятых долей Ома). Снизить переходное сопротивление – задача прожига.
Установка для испытания и прожига изоляции силовых кабелей АИП-70
Данная установка предназначена для проведения испытаний прочности изоляции на силовых кабелях и твердых диэлектриках, при помощи выпрямленного напряжения, переменного напряжения и предварительного прожига дефектной изоляции силовых кабелей. В случае возникновения повреждений в муфтах или же заплывающих пробоев изоляции, становится недостаточной величина пробивного напряжения прожигающих блоков. При использовании установки АИП-70 можно повысить напряжения до состояния пробоя и при этом снизить уровень сопротивления до значения, при котором будет возможным использование более мощного прожигающего блока.
АППАРАТ ПРОЖИГА КАБЕЛЯ АПУ 1-3М
Аппарат прожига кабеля АПУ 1-3М предназначен для прожига дефектной изоляции в случае необходимости обнаружения места повреждения путем снижения уровня переходного сопротивления изоляционного покрытия.
Изоляционное покрытие в месте предполагаемого повреждения прожигается до уровня, при котором можно будет воспользоваться более точными методами обнаружения и распознавания дефектов. Данный аппарат можно использовать как в стационарных условиях, так и в составе передвижных электротехнических лабораторий для испытания кабеля. Аппарат АПУ 1-3М нужно использовать при низкой температуре окружающей среды. Прибор АПУ 1-3М хорошо подходит для эксплуатации на промышленных предприятиях, которые имеют в личном использовании электрические сети под рабочим напряжением в диапазоне от 0,4 кВ до 10 кВ. Кроме этого его часто используют совместно со стационарной установкой крупного распределительного устройства. Аппарат прожига кабеля АПУ 1-3М изготовлен в Российской Федерации. Гарантийный строк обслуживания данного аппарата – один год.
ДОПУСТИМОЕ СОПРОТИВЛЕНИЕ ИЗОЛЯЦИИ КАБЕЛЯ
Для проведения контроля над техническим состоянием изоляционного покрытия кабелей, нужно периодически проводить замеры уровня сопротивления и сравнивать данные со стандартами под различные типы изоляции.
- Для абонентских, кабельных линий связи нужно использовать нормы сопротивления, которые описаны в ОСТ 45.82-96
- Для телефонных линий связи нужно использовать нормы сопротивления, которые описаны в ОСТ 45.36-97;
- Для ЛЭП нужно использовать нормы сопротивления, которые описаны в ОСТ 45.01-98;
- Для кабельных линий связи с металлическими жилами внутри нужно использовать нормы сопротивления, которые описаны в ОСТ 45-83-96.
Допустимый уровень сопротивления изоляционного покрытия кабеля должен находится на уровне не менее 100 кОм-км. Для элементов кабельных линий ГТС предусмотрены следующие нормы электрического сопротивления:
- между жилами кабеля сопротивление находится на уровне 10000 МОм-км;
- между жилами кабелей телефонных линий сопротивление находится на уровне 1000 МОм-км;
- между заземлением и экраном сопротивление находится на уровне 5 МОм-км;
- между экраном и броней сопротивление находится на уровне 5 МОм-км;
Если при проверке состояния изоляционного покрытия обнаружены отклонения уровня сопротивления заданным значениям нужно, проверить изоляцию по всему силовому кабелю.
Прожиг кабельных линий


Существует несколько способов для поиска места повреждения силового кабеля, позволяющих быстро выявить проблемный участок. Но зачастую определить местоположение поврежденного кабеля невозможно без предварительной процедуры — прожига изоляционного слоя с помощью специальной прожигающей комплексной установки.
Осуществлять работу на ней имеют право только сотрудники аккредитованной электролаборатории, прошедшей проверку в РосТехНадзоре.ЭТЛ Сан-Энерджи имеет лицензию на проведение данной методики и современное высокоточное оборудование, проверенное метрологической службой.
Прожиг кабельной линии проводится специалистами с высоким уровнем подготовки.
Когда применяется прожиг изоляции
В среднем, 80% всех электроповреждений приходится на однофазное замыкание на землю.
По характеру переходного сопротивления делят на три группы:
- заплывающий пробой (значение высокое);
- электропараметры изоляции не соответствует стандартам;
- сопротивление близко к нулю.
Чтобы оперативно найти неисправный участок, сопротивление изоляции должно быть не ниже 1 кОм и не выше 100 кОм. Прожигание опускает или повышает его уровень до параметров, позволяющих провести импульсную рефлектометрию, акустический и индукционный метод для дальнейшего поиска дефекта.
Почему выгодно обратится к нам
- Мы осуществляем прожиг и дожиг даже при повышенной влажности силовых жил.
- Контролируем ток прожигания, чтобы не повредить соседние кабельные жилы.
- Процесс проводим плавно и непрерывно, чтобы не допустить повторного заплыва пробоя при перегреве оборудования и выхода из строя кабеля на других отрезках линии.
- Использование нашей прожигающей установки в труднодоступных местах позволяет в дальнейшем с помощью абсолютных методов точно определить местоположение дефектного фрагмента электрокабеля.
- Предоставляем услугу любому предприятию в Санкт-Петербурге и Ленинградской области.
Обратившись к нам, вы убедитесь, что ЭТЛ Сан-Энерджи можно доверить качественное обслуживание электрохозяйства на постоянной основе.
Длительность работы без перегрева
На сложных и неудобных повреждениях прожиг может продолжаться несколько часов. Если при этом прибор перегревается, то процесс приходится прерывать, что может привести к повторному заплыванию места повреждения. Чем длительнее непрерывное время работы установки, тем лучше (Таблица 6).
Таблица 6. Время непрерывной работы прожигающих установок разных производителей
| Наименование оборудования | Время непрерывной работы, заявленное производителем |
| АПУ 1-3М | 5 минут в режиме прожига при заплывающем пробое, повторное включение через 30 минут |
| ВУПК-03-25 | Цикличная работа: 1,5 минуты работы – 40 секунд перерыв |
| МПУ-3 Феникс | Около 3 часов при температуре +20°С, без ограничений прожига по времени при температуре ниже 0°С |
| СВП-05Ц | Наибольшее время непрерывной работы при токе нагрузки: 100% от максимального – 10 минут, повторное включение через 5 минут 70% от максимального – 30 минут, повторное включение через 15 минут |
| УП-7-3М | Не более 20 минут, повторное включение через 20 минут |
Tags: автомат, ампер, бра, вид, вред, выбор, выключатель, высоковольтный, генератор, дом, , заземление, измерение, изоляция, испытание, кабель, как, конденсатор, , лампочка, , магнит, магнитный, монтаж, мощность, мультиметр, напряжение, номинал, перенос, подключение, правило, принцип, провод, производитель, пуск, , работа, размер, резистор, резонанс, резонансный, ряд, самодельный, свет, сеть, система, сопротивление, схема, тен, тип, ток, транзистор, трансформатор, , установка, фото, щит, эффект
Важные параметры прожигающих установок
Прожигающая установка состоит из нескольких высоковольтных источников и одного низковольтного. Максимальные значения тока и напряжения каждого источника называют ступенями, их количество может варьироваться от трех до шести у разных производителей (Таблица 3).
Таблица 3. Основные технические характеристики прожигающих установок разных производителей
| Наименование оборудования | Максимальное выходное напряжение, кВ | Максимальный выходной ток, А | Количество ступеней | Характеристики ступеней, кВ |
| АПУ 1-3М | 24 | 30 | 4 | 25; 5; 1; 0,3 |
| ВУПК-03-25 | 25 | 55 | 5 | 20; 5; 1,05; 0,4; 0,15 |
| МПУ-3 Феникс | 20 | 20 | 3 | 20; 5; 0,6 |
| СВП-05Ц | 25 | 20 | 3 | 20; 5; 1 |
| УП-7-3М | 22 | 65 | 6 | 22; 11; 5,5; 1,4; 0,55; 0,16 |
| ИПК-1 (ВПУ-60+ МПУ-3 Феникс) | 60 | 20 | 4 | 60; 20; 5; 0,6 |
| УД-300 | 0,25 | 300 | 1 | 0,25 |
| ВП-300 | 0,25 | 300 | 1 | 0,25 |
Возможность непрерывного прожигаВ процессе прожига по мере снижения напряжения пробоя осуществляется переход на следующую ступень прожигания. Как только по параметрам установки представляется возможность включить на параллельную работу (или отдельно) более мощную ступень, она включается в работу. Под более мощной ступенью понимается установка с меньшим внутренним сопротивлением и большим током.





















