При работе в электроустановках важно контролировать состояние цепей и токоведущих частей. Первичная проверка (в целях обеспечения безопасности) выявляет наличие или отсутствие напряжения в зоне работ. Для этого используют указатель наличия напряжения, подключаемый оператором вручную, то есть он не является элементом конструкции электроустановки.


В каких случаях обязательно надо пользоваться указателем напряжения:
- перед началом ремонтных работ в электроустановке;
- перед наложением переносного заземления;
- для определения участка, на котором произошла авария;
- для выявления токопроводящих частей электроустановки, на которых не должно быть опасного потенциала.
Важно: От правильного применения индикатора напряжения зависит безопасность, и даже жизнь электрика!
Мы рассмотрим принцип действия указателей высокого напряжения, виды и способы их применения.
Деление по типам
- По напряжению указатели напряжения делятся до 1000 В и свыше 1000 В. Для бытового применения обычно используются низковольтные приборы до 1 кВ. Тем не менее, это все указатели высокого напряжения. Согласно нормативам ПУЭ (Правил устройства электроустановок), безопасным для человека является напряжение переменного тока до 50 В, и постоянного тока до 120 В. При неблагоприятных условиях (влажность, токопроводящая пыль) высоким считается напряжение переменного тока до 25 В, и постоянного тока до 60 В. Указатели напряжения выше 1000 В используются профессиональными электриками, для бытовых электросетей 220 В и 380 В их применение нецелесообразно. Например, УВНУ-10 с выносной штангой.


- По исполнению указатели напряжения до 1000 В делятся на однополюсные и двухполюсные. Первый вариант — это скорее индикаторная отвертка, чем инструмент. Второй вариант предпочтительней, если речь идет о точности и гарантированном определении опасного потенциала.
- По типу электротока: для переменного или постоянного. В бытовом применении указатель высокого напряжения постоянного тока не применяется. К тому же, большинство современных индикаторов универсальные.
- По типу индикатора приборы могут быть неоновыми, светодиодными или цифровыми. В последнем случае можно с высокой точностью определить значение напряжения. Но это скорее сервисная, чем необходимая функция.
- Способ применения: контактный или бесконтактный. Первый вариант предназначен для работы с открытыми токоведущими частями, и гарантирует точное определение наличия потенциала. Бесконтактный метод используется для поиска скрытых проводок, и не может гарантировать безопасность.
Общие принципы действия УНН (указателей низкого напряжения)
Для срабатывания индикатора (вне зависимости от его типа), необходимо обеспечить протекание электротока по цепи прибора. При этом на первом месте стоит обеспечение безопасности оператора. Двухполюсная конструкция исключает прикосновение открытых участков тела к токоведущим частям. А вот однополюсный указатель напряжения, работает только при касании вспомогательного электрода пальцем. Соответственно, конструкция обязательно должна включать в себя систему ограничения тока до безопасного значения. После снижения порога тока, прибор превращается в указатель низкого напряжения, вне зависимости от реального потенциала на токоведущих частях.
- Двухполюсные указатели представляют собой типичную электрическую цепь, где ток протекает от фазы к нулевому (или заземленному) проводнику электроустановки. Благодаря этому можно гарантировано определить наличие потенциала, и даже измерить напряжение на контрольном участке.


- Однополюсные указатели для срабатывания индикатора используют индукционные токи, протекающие через тело оператора. Для срабатывания достаточно наличия фазы на проверяемом элементе электроустановки или проводнике. Точность невысокая, поэтому определить напряжение таким способом невозможно.
Требования к оборудованию
Для обеспечения безопасности и надежности срабатывания, подобные устройства обязательно сертифицируются. Требования государственного стандарта занимают не меньше страницы текста, выделим основные из них:
- изоляционная оболочка прибора должна выдерживать напряжение, превышающее диапазон измерения;
- однополюсный указатель изготавливается только в одном корпусе, при этом исключается необходимость работы двумя руками;
- на одном конце указателя имеется щуп для контакта с проверяемым участком цепи, на противоположном — контактная площадка для касания пальцем оператора;
- двухполюсный указатель напряжения должен состоять их двух корпусов с одинаковыми показателями защищенности, соединенными гибким изолированным кабелем длиной 1 метр;
- открытый участок щупа не должен превышать длину, установленную для выбранного диапазона измерения;
- световой и (или) звуковой индикатор наличия потенциала должен быть отчетливо различим в любых условиях измерения.


Стандарты безопасности единые для всей территории Российской Федерации. Никакой субъект, будь то Москва или любой областной центр не вправе смягчать требования к производству или применению подобного оборудования.
Рассмотрим работу основных типов указателей напряжения.
Двухполюсная конструкция
Указатель высокого напряжения с двумя измерительными контактами работает по принципу фиксации прохождения тока на участке цепи. Внутренняя схема сравнивает разность потенциалов между точкой измерения и заземлением (или нулевым контактом). Если порог срабатывания превышает установленное значение, срабатывает индикация.
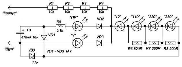
Исполнение может быть различным, в зависимости от назначения: только индикация, поиск пробоя, измерение точного значения напряжения, установление диапазона (220 В, 380 В). В качестве примера, на иллюстрации электрическая схема прибора, определяющего наличие фазы на измеряемом участке и приблизительного порога напряжения.


Сложных интегральных элементов нет, поэтому такой указатель надежен и безотказен в любых условиях эксплуатации. Если измерения проводятся на улице, при ярком освещении — параллельно световому индикатору (в данном случае это LED элемент), добавляется звуковой.
При добавлении в измерительную цепь модуля измерения напряжения, мы получаем однорежимный мультиметр, предназначенный для безопасного измерения высокого напряжения.


Это интересно: Обычный мультиметр также можно использовать, как указатель высокого напряжения. Однако для приведения в готовность потребуется время (установка соответствующего режима измерения). Да и с безопасностью не все так гладко: специализированные приборы проходят жесткую сертификацию.
Пользоваться таким устройством несложно: пассивный контакт на соединительном проводе прикладывается к земляной (нулевой) шине электроустановки. Затем измерительным контактом надо коснуться точки замера потенциала.


Преимущества:
- высокая точность измерения, при необходимости можно расширить функционал;
- возможность работать с высоким напряжением без дополнительных средств защиты оператора;
- обеспечена защита оператора: нет непосредственного контакта с открытыми участками тела.
Недостатки:
- более высокая стоимость;
- измеритель достаточно громоздкий.
Однополюсная конструкция
Электрический ток протекает между фазой (точка измерения) и заземляющим контуром, который обеспечивает тело человека (оператора). Внутри прибора простая электрическая цепь, состоящая из неоновой лампы и резистора. Сопротивление подбирается таким образом, чтобы электрический ток не превышал безопасное для человека значение.
В то же время, сила тока должна обеспечивать надежное срабатывание индикатора. Для неоновой лампы достаточно нескольких сотых миллиампер, так что схема работает устойчиво.


Как пользоваться таким указателем? Прибор удерживается в одной руке, палец кладется на тыльный контакт. После чего измерительный щуп прикладывается к токоведущей части электроустановки. При наличии потенциала контрольная лампа загорается.
Интересно, что различные «продвинутые» схемы с транзистором и светодиодом не так надежны, как простая неоновая лампа и графитовый резистор. Высокий процент ложных срабатываний не позволяет использовать такой прибор в профессиональных целях.


Преимущества:
- дешевизна прибора;
- оперативность использования;
- возможность работать одной рукой.
Недостатки:
- низкая точность и надежность;
- нет расширенного функционала;
- потенциально опасен: есть контакт открытых участков тела с измерительной частью прибора.
Бесконтактный указатель напряжения
При наличии прямого доступа к открытым контактам электропроводки или электроустановки, производить измерение напряжения легко. А как определить потенциал (хотя бы его наличие) в скрытой проводке?
Для этого существуют бесконтактные индикаторы (не путать с токоизмерительными клещами).


Такие указатели работают не напрямую с электрическим током, а с электромагнитным полем, возникающим вокруг проводника. Фактически, это трансформатор без сердечника, или катушка индуктивности.
Простейшие указатели реагируют на переменное магнитное поле. При его обнаружении срабатывает схема, собранная на триггерах, и на индикатор (LED элемент) подается напряжение. Для усиления эффекта обнаружения, параллельно включается звуковой сигнал.
Разумеется, ни о каких измерениях напряжения не может быть и речи. Мало того, наличие электромагнитного поля зависит от многих факторов, в том числе наличие рядом с проводником заземляющей шины. Иными словами, качественно (по требованиям ПУЭ) проложенный электрический кабель, бесконтактным пробником обнаружен не будет.
Важно: Использовать такой указатель в качестве детектора скрытой проводки нельзя, расстояние обнаружения составляет 1-2 см по открытому воздуху.
Преимущества:
- удобство применения: не надо искать открытые контакты;
- безопасность: нет контакта с токоведущими частями.
Недостатки:
- в реальности прибор не гарантирует даже 50 % результата.
Исходя из принципа работы такого указателя, чем сильнее ток в кабеле — тем выше вероятность обнаружения потенциала. Соответственно, если электроприбор не включен, его питающий кабель не будет активно формировать вокруг себя электромагнитное поле. При этом потенциал на фазном проводе присутствует, и опасность поражения электротоком остается.
Важно: Если вы планируете использование такого указателя, все равно перед началом работ следует проверить отсутствие напряжения на открытых участках обычным контактным прибором.
Перед использованием любого измерительного прибора убедитесь в наличии сертификата соответствия безопасности.
Где купить
Чтобы максимально быстро приобрести индикатор напряжения, можно посетить ближайший специализированный магазин. Оптимальным же, по соотношению цена-качество, остаётся вариант покупки в Интернет-магазине АлиЭкспресс. Обязательное длительное ожидание посылок из Китая осталось в прошлом, ведь сейчас множество товаров находятся на промежуточных складах в странах назначения: например, при заказе вы можете выбрать опцию «Доставка из Российской Федерации»:
![]() ![]() |
![]() ![]() |
![]() |
![]() ![]() |
![]() ![]() |
![]() ![]() |





