В современное время ни одно жилое или производственное помещение не обходится без приборов для учета электроэнергии. В этой статье говорится о том, как произвести установку трехфазного счетчика электроэнергии своими руками.
Подготовительный этап
Подключения электрического счетчика – это завершающий этап во время электромонтажных работ. Так что, вы должны в обязательном порядке иметь перед глазами монтажную схему проводки в вашем доме. Прибор перед установкой нужно проверять на наличие всех пломб на вантах кожуха, если их нет – счетчик подключать к трехфазной сети нельзя. Каждая пломба должна содержать в себе информацию о дате выпуска, дате последней проверки и печать проверяющего органа.



Во время присоединения всех проводов обязательно делайте запас в 70 см, он позволит в дальнейшем сразу исправлять проблемы. Ведь счетчик может быть установлен неправильно, или вы просто через время захотите поставить более современный, к примеру, двухтарифный счетчик.
Каждый провод должен крепко зажиматься в клеммной коробке двумя винтами, смотрите фото.

Перед затягиванием нижнего провода необходимо четко убедиться в том, что верхний провод зажат хорошо, проверить это легко – просто подергайте его. Многожильные провода нужно опрессовать, по-другому установить их не получится. Крепить счетчик стоит на специальную ДИН-рейку.
Типы трехфазных счетчиков
Вообще, тип счетчика, а иногда и его марка, указан в проекте электрификации. Очень редко случается, но у вас могут спросить, какой трехфазный счетчик вы желаете. Такие либеральные проэктанты встречаются крайне редко, и все же, стоит хоть немного разбираться в теме. Есть трехфазные счетчики для подключения трех и четырех проводов. Первые подключаются если нет «нулевого» повода. С этим разобраться несложно.
Далее необходимы выбрать тип счетчика:
-
Трехфазные счетчики прямого включения. Наиболее простое подключение, так как подсоединяются напрямую к сети. Мощность подключаемой нагрузки не более 60 кВт, ток не более 100 А. К ним можно подключать провода сечением 15 мм² (не более 25 мм²). Это ограничивает область применения — в основном их ставят в домах и квартирах, на небольших предприятиях.


Выбор типа трехфазного счетчика зависит от потребления тока
- Трехфазные счетчики косвенного включения. Их можно подключать только через трансформаторы тока и напряжения. Ставят обычно на предприятиях, потому что ограничений по мощности такой тип не имеет.
- Полукосвенного (трансформаторного) подключения. Также требуют включения через трансформаторы, но не настолько мощные, как косвенные, поэтому могут применяться в частных домах. При определении платы за электроэнергию показания необходимо умножать на передаточный коэффициент.
Выбирать вам особо не придется, так как тип счетчика, обычно, тоже указывается в проекте. Для частных домов либо прямого, либо полукосвенного подключения, в квартирах преимущественно прямого. Прямое подключение проще в реализации (просто завести провода на клеммы), элементарно считать показания — просто списывать их. При установке полукосвенного счетчика, нужны трансформаторы тока (ТТ) или напряжения (зависит от проекта) и рекомендовано подключение через испытательную коробку. Под все эти устройства требуется место в щите. Что еще надо помнить, что при расчете показаний требуется учитывать коэффициент трансформации для каждой фазы. То есть, надо будет показания умножать на этот коэффициент.
Виды подключения
В зависимости от способа включения трехфазного прибора различают следующие виды их подсоединения:
- Так называемое «прямое» или непосредственное;
- Полукосвенное;
- Косвенное.
Первый из них используется в тех случаях, когда ток в каждой из фаз не превышает 100а. При данном подходе подводящие провода подсоединяются непосредственно к контактам прибора.
В этом случае счетчик прямого включения позволяет реализовать наиболее простое из всех возможных решений, не требующее значительных материальных издержек. В отличие от него два других варианта предполагают использование специальных преобразовательных устройств, позволяющих понизить величину тока в контролируемых цепях.
Уточняющая информация. Для того чтобы подключить трехфазный счетчик к действующей сети с током в каждой из линий более 100 Ампер потребуются трансформаторы тока (ТТ).
Рассмотрим различные схемы включения электросчётчика на примере конкретных образцов учётных приборов.
Прямое
Этот вид подключения применительно к приборам от фирмы «Энергомера», например, практически ничем не отличается от типовой однофазной схемы включения счётчика. Потребляемый нагрузкой ток проходит в этом случае непосредственно по обмотке прибора, включённого в разрыв питающей цепи.
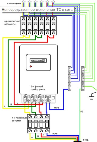
Электрическая схема подключения трехфазных счетчиков напрямую выглядит следующим образом (смотрите рисунок, размещённый ниже).


Непосредственное включение
Важно! Устанавливаемый на объекте трехфазный счетчик может включаться напрямую лишь в том случае, когда рассеиваемая в нагрузке мощность не превышает 60-ти кВт.
При больших показателях этого параметра действующими нормативами предписывается использование полукосвенного или косвенного включений.
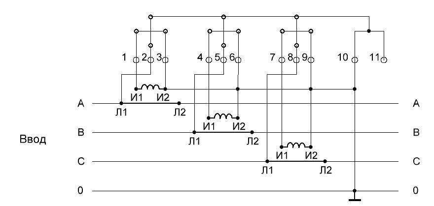
Полукосвенный и косвенный способы
При данном способе счетчик электроэнергии во все три фазы включается через специальный понижающий прибор, называемый трансформатором тока. Его применение позволяет организовать процедуру учета в цепях со значительными токами и рассеиваемыми мощностями (схема приводится ниже).


Схема включения через ТТ
На представленном выше рисунке Л1 и Л2 – обозначения входов и выходов каждой из трех фаз, а И1 и И2 – соответствующие им измерительные обмотки, которые включаются в разрыв питающих фазных цепей.
Существенным недостатком данного способа включения является обязательность учёта коэффициента трансформации, влияющего на результаты оценки потреблённой электроэнергии, а также на начисление суммы оплаты. Ещё одним неудобством трансформаторного включения является сложность снятия показаний, которыми правомочны заниматься лишь представители энергетических компаний.
Трехфазный прибор учёта косвенного и полукосвенного типа в условиях частных загородных хозяйств используется крайне редко. Основная область их применения – высоковольтные линии общепромышленного назначения, с величиной действующего напряжения 6(10) кВ.
Схема подключения трехфазного счетчика к сети 220 и 380 Вольт
Такая схема подключения трехфазного счетчика к сети считается самой популярной, ведь произвести ее проще всего, да и по эффективности она ни в коем случае не уступает. В такой ситуации счетчик подключается к сети напрямую, измерительные трансформаторы не используются вовсе.
Для домашнего использования такую схему использовать – это лучшее решение. Номинальный ток составляет от 5 до 50А, основную роль здесь играет тип провода. Напряжение сети составляет 380 Вольт, в некоторых ситуациях может изменяться. Во время подключения трехфазного счетчика к сети необходимо соблюдать простую цветовую маркировку проводов:
- Первая фаза А, должна быть желтого цвета.
- Фаза B зеленая.
- Фаза C – красная.
- Нулевой провод означается N, цвет синий.
- Заземляющий провод PE – желто-зеленого.
Чтобы защитить счетчик от ненужных перегрузок устанавливаются дополнительные автоматические выключатели.
Вот так выглядит схема подключения трехфазного счетчика к сети, на рисунке все изображено просто.

Видео инструкция о том, как подключить счетчик непосредственно к сети.
Интересная как выбрать счетчик электроэнергии.
Виды трёхфазных приборов
Счетчики условно можно поделить на два типа — однотарифные и многотарифные. В некоторых моделях есть разделение по дневным и вечерним тарифам.
За расположение тарифов и сохранение информации в памяти устройства, отвечает небольшой микропроцессор. Проще говоря, можно посмотреть данные по счетчику за любые удобные числа.
Аналоговые индукционные приборы учета энергии
Принцип работы таких счетчиков схож однофазной модели устройства.


Схема подключения 3 фазного счетчика
Электрическая энергия, проходя через индукционную катушку, образует электромагнитное поле, которое действует на железный диск. Поэтому он начинает движение.
Схема подключения трехфазного счетчика прямого включения
Как уже сказано выше, подключение трехфазного счетчика прямого включения очень простое. Как и в случае с однофазным, к входным клеммам подключаются провода с вводного автомата. С выходных клемм уходят на нагрузку (обычно на противопожарное УЗО, а далее, уже на автоматы линий).


Схема подключения трехфазного счетчика прямого подключения
Обратите внимание, с выхода счетчика провод нейтрали заводится на шину. На другие устройства ноль подается с этой шины. Как видите, подключение совсем несложное. Важно не запутаться с фазами. Для этого лучше использовать цветные провода. Соблюдение цветовой маркировки в разы облегчает разводку электропроводки.
На схеме выше на счетчик заведено сразу четыре провода, включая нейтраль. И это правильно и резонно. Но есть и другая схема, по которой защитный PEN проводник подается не на счетчик, а заводится на шину, а с нее при помощи тонкого провода подается на соответствующий вход счетчика. Эта схема может существовать, так как в ПУЭ пункт 1.7.135 есть прямое указание на возможность такого подключения. Даже есть счетчики под такую схему — с семью выходами (а не с восемью, как обычно). Например, Энергомера СЕ303-S34.


Вторая схема подключения трехфазного счетчика прямого типа
Но не все подразделения энергосбыта одобряют эту схему. Дело в том, что при таком подключении провод PEN можно отключить. В случае с однофазной сетью это приводит к останову счетчика. С трехфазными не так. Экран погаснет, но счетчик продолжит считать, так как для работы ему достаточно наличия трех фаз. Во всяком случае так утверждают производители. Вот только они не исключают того, что погрешность учета повысится. И никто не знает в какую сторону. Чтобы предотвратить остановку счетчика, некоторые подразделения Энергосбыта ставят три пломбы — как на рисунке выше. Самое неприятное в этом случае — опломбировка шины, ведь может понадобится вносить изменения в схему.
Разновидности полукосвенного метода
Известно несколько схем подключения счетчиков, основанных на полукосвенном методе, однако наиболее распространенными являются следующие:
- десятипроводная схема;
- соединение путем расключения на специальной колодке;
- подключение по схеме «звезда».
Десятипроводная коммутация


10-проводная схема подключения
Подключение 3х фазного счетчика по 10 проводной схеме – самый простой и наиболее надежный способ. Для его реализации потребуется соблюдать порядок соединения десяти проводов: по три на каждую фазу и один нейтральный. Этот вариант имеет одно бесспорное преимущество, состоящее в возможности заменять счетчик при включенном электропитании. Линию допускается оставлять под напряжением и при ремонте отключенного от нее прибора. При такой схеме токовые цепи надежно заземлены, поэтому исключается возможность появления на них опасного потенциала.
Еще одно достоинство 10-ти проводного подсоединения состоит в независимом подключении каждой из трех фаз. При пропадании одной из них оставшиеся две сохраняют функциональность прибора.
Другие схемы подсоединения


Схема подключения звездой
Соединение посредством контактных распределителей относится к более сложным методам, реализуемым путем коммутации каждого из проводов, идущих от трансформатора тока. Подключение по схеме «звезда» также характеризуется своей сложностью, но в этом случае используется меньшее количество проводников. При монтаже преобразователя сначала однополярные выходы всех трех вторичных обмоток собираются в одну общую точку. После этого три ответных конца обмоток ТТ подводятся к соответствующим клеммам счетчика.
Известна еще одна схема коммутации по полукосвенному методу, называемая 7-ми проводной. При ее организации одни из концов обмоток объединяются перемычками непосредственно в самом трансформаторе тока. Этот вариант используется в частных домах крайне редко, что объясняется рядом недостатков схемы включения.
Включение в однофазную цепь


В однофазной сети разность напряжений между фазными жилами A, B, C и нулем составляет 220 Вольт, а между самими фазами – 380 Вольт. Так называемое «линейное» напряжение образуется за счет того, что векторы действующих потенциалов на каждой из фаз сдвинуты относительно друг друга на 120 градусов.
При обилии на рынке продаж различных моделей однофазных измерителей тока включение трехфазного счетчика в однофазную сеть применяется крайне редко. В большинстве случаев схема такой коммутации аналогична прямому включению. Отличие состоит в том, что линии B и C не подключаются к счетчику, подсоединению подлежит только одна фаза. Существенным недостатком такого включения является возможность проблем с контролирующими организациями, которым очень не нравятся все варианты расключений, не соответствующие действующим нормативам и стандартам.
Электронные устройства
Современный электронный учёт электроэнергии организуется по нескольку иному принципу и позволяет получить ряд преимуществ, основными из которых являются:
- Высокая точность снятия показаний, существенно превышающая тот же показатель для индукционного прибора;
- Возможность эксплуатации в многотарифном режиме;
- Допустимость организации автоматического снятия показаний.
Трехфазный электронный счётчик работает по принципу подсчёта числа импульсов, вырабатываемых встроенным в него электронным устройством, частота следования которых зависит от величины протекающего тока (его внешний вид приведен ниже).


Внешний вид электронного прибора
Перед тем, как подключить трехфазный счётчик тем или иным способом, обязательно нужно ознакомиться с теми условиями, при которых, согласно действующим нормативам, допускается его монтаж.
Согласно основным положениям ПУЭ, современные электронные приборы трехфазного класса включают в сеть согласно схемам, которые пригодны и для индукционных приборов. На контактной панели электронного устройства входные и выходные контакты размещены точно таким же образом, как и на всех других типах трехфазных счетчиков.
Как подключить трехфазный счетчик в однофазную сеть
Редко, но бывает, что есть трехфазный счетчик, а его надо установить в сеть 220 В. Это возможно, если прибор учета прямого включения. В этом случае подключается одна из фаз, остальные остаются просто незадействованными.


Схема подключения трехфазного счетчика в однофазную сеть
Само подключение несложное, но могут возникнуть проблемы с энергопоставляющей организацией. Они далеко не всегда принимают такое подключение. Обычно мотивируя тем, что остаются варианты для хищения электроэнергии.
Защитные и переходные устройства
Любой трехфазный счетчик электроэнергии, включаемый в высоковольтные сети через трансформаторы тока, должен быть защищен от перенапряжений, нередко возникающих в линиях энергоснабжения. С этой целью последовательно с ним устанавливаются специальные приборы, позволяющие ограничить напряжения, возникающие в линии в аварийной ситуации. Они встречаются под различными наименованиями, наиболее распространенным из которых является оин.
Это устройство по своему функциональному назначению напоминает защитный автомат. Но только срабатывает оно не от перегруза по току, а используется как ограничитель напряжения на участке питающей линии, в который включается трехфазный счетчик.
Ниже приводится схема, согласно которой осуществляется монтаж этого прибора в цепи защищаемого им оборудования.


Схема включения ОИН (УЗИП)
Перед тем, как установить трехфазный счетчик в питающую цепь, специалисты советуют воспользоваться ещё одним специальным приспособлением, подключённым к клеммнику самого счётчика.
Указное изделие, встречающееся под обозначением икк, имеет в своей конструкции ряд перемычек, позволяющих коммутировать подключение удобным для пользователя способом. Внешний вид этого приспособления и схема включения его в цепи питания приводятся на фото ниже.


Клеммник переходной
Из этого фото видно, что при применении ИКК монтаж и демонтаж прибора учёта любого типа существенно упрощается, что очень удобно при проведении их ремонта, например.
Дополнительная информация. При необходимости такая панель может использоваться для подключения внешних измерительных приборов.
Дополнительная установка ИКК осуществляется путём его параллельного подключения к уже имеющейся клеммной колодке.
В заключительной части обзора отметим, что рассмотренные ранее схемы включения счетчиков выбираются, в зависимости от условий их эксплуатации и характера действующей электрической сети. Для организации правильного их подсоединения важен учёт всех факторов, влияющих на работоспособность конкретного счётного устройства, определяемых не только его классом, но и особенностями механизма снятия показаний.