Как правильно подключить автоматы в электрическом щите – это распространенный вопрос, ведь подобные действия требуют от мастера хотя бы базовых навыков. Для начала следует в соответствии с правилами составить проект электропроводки, определиться с местом установки, составить чертежи, выбрать основание и комплектующие элементы. Только после вышеперечисленных действий мастера приступают к монтажным работам, а потом подсоединяют щит к кабелю.


Подключение автоматов в электрическом щитке
Классификация соединений автоматов защиты
В зависимости от схемы питания объекта соединения автоматов разделяют на два варианта:
- По схеме для однофазной сети;
- По схеме для трехфазной сети.
С учетом элементов, которые используются, соединения делят на три вида:
- Шинные соединения иногда этот элемент, пластина с отходящими контактами для автоматов называют гребенка;
- Соединения по средствам многожильных гибких проводов;
- Соединения одножильным жестким проводом.
Какой выбрать способ соединения зависит от многих факторов, рассмотрим основные из них.
Читайте так же статью ⇒ Соединительная шина для автоматов.
Куда устанавливают электрощит для счетчика и автоматики
Первым делом необходимо определиться с местом для установки щитка. Так, специалисты считают, что лучше фиксировать его возле входной двери в коридоре, ведь тогда не придется прокладывать кабель с лестничной площадки, что значительно упростит монтаж.
Как правило, закрепляют щиток на уровне видимости жителей квартиры — это позволит без проблем снимать показания и отключать автоматы. Поэтому место установки будет отличаться в зависимости от роста домочадцев.
Обратите внимание! До сих пор встречаются электрики, которые предпочитают устанавливать счетчики под потолком (как это делали раньше). Старые конструкции фиксировались на стену без ящиков, поэтому закрепляли их на высоте в целях безопасности.

Электрощиток в квартире
Любые современные щитки имеют надежное основание, закрываются с помощью замка, поэтому посторонние или маленькие дети не смогут туда добраться, если не будут иметь доступ к ключам.
При выборе места для монтажа учитывают и то, откуда будет проходить кабель воздушной или подземной линии питания (в квартире или частном доме). Уточнить подобную информацию можно у сотрудников компании, отвечающей за электроэнергию.
Приобрести готовый электрощит или собрать самостоятельно
Теперь электрики уже не только самостоятельно собирают щитки, но и устанавливают готовый заводской вариант со всем внутренним наполнением. Такие конструкции даже изготавливают по специальному заказу под конкретную квартиру.
Главный момент в этом деле – это опыт установки фирменных щитков. Если мастер уже сталкивался с таким монтажом, то опасаться не стоит. В других же случаях лучше собрать конструкцию на месте, поэтапно.
Цены на электрощитки
Электрощиток
Видео – Сборка щитка для квартиры
Конструкция соединительных шин
Давайте более подробно рассмотрим, как выглядит соединительная шина гребенка для автоматов. Однополюсная гребенка имеет форму прямоугольной медной пластины, которая расположена в корпусе. Корпус изготавливается из огнеупорного пластика. Вдоль пластины с определенным шагом расположены ответвления — зубьями, к которым подключаются электрические автоматы, УЗО, дифавтоматы.




Если речь идет о двухполюсной гребенке, то здесь в пластиковом корпусе размещены две шины. Примечательно, что на одной шине зубья будут изогнутыми. В качестве примера рассмотрим гребенку для автоматов hager на 12 модулей.


У двухполюсной гребенки на каждой шине расстояние между зубьями будет больше, нежели у однополюсной. Это связано с тем, для подключения к этим гребенкам подводится два питающих провода, фаза — нуль (L+N) или фаза — фаза (L1+ L2) и зубья на каждой шине должны идти как бы через один.


В трехполюсной гребёнке находятся три медные шины, которые расположены в едином корпусе. Каждая шинка вставлена в свою направляющую с наличием между ней изоляции в виде пластиковой перегородки. Как правило, такие гребенки используются редко.
С количеством полюсов разобрались, теперь что касается модулей (зубьев). Гребенки в электротехнических магазинах продаются стандартной длины. Число модулей может быть: 12,24,36,48,60. Скорее всего, могут быть и больше, но мне они не встречались. Расстояние между контактами на гребенке составляет 17.5 сантиметров.
Контакты бывают штыревые и вилкообразные. В Европе именуются как PIN (штырь) и FORK (вилка).


Вилкообразные контакты гребенки hager KDN163A-AC230-400V:


А так выглядит двухполюсная шина hager KDN263A-AC230-400V с типом контактов FORK (вилка):




Самый ходовой вариант – это штыревой контакт. В отличие от вилкообразного контакта, штыревой подходит для всех защитных аппаратов не зависимо от фирм производителей.
Шины соединительные для автоматов с контактами вилкообразного типа подходят не для всех защитных устройств, а только для защитной аппаратуры брендовых фирм таких как ABB, hager и т.п.
Такие шины выпускаются, как правило, брендовыми фирмами у которых контакты автоматов, УЗО, АВДТ заточены (предназначены) под них. Например, автоматы фирмы hager имеют специальный зажим — затягиваемый винт, которой как раз предназначен под FORK (вилку). В любой другой автомат, у которого имеется обычный зажим, такую шину просто не засунешь.


Как быть если длина гребенки большая (даже если взять наименьшую на 12 модулей шину). Понятно, что для подключения трех или четырех автоматов всю шину целиком не нужно запихивать в щиток. Ее нужно как то отрезать. Как это можно сделать? Все очень просто. Вытаскиваем из пластикового корпуса шину, берем обычные ножницы по металлу, ножовку (у кого что есть) и отрезаем такой длины которая нам нужна. Затем берем пластиковый корпус и отрезаем его по длине на 1.5 – 2 см больше чем сама шина. Это для того чтобы оголенные части гребенки были скрыты и не торчали по краям. Можно для защиты краев использовать специальные заглушки.
Схема подключения автоматов через соединительную гребенку
Итак, мы подошли к главному разделу данной статьи применение гребенок на практике и в качестве примера рассмотрим, как подключить группу автоматов соединительной шиной гребенкой. Для того чтобы подключить целую группу автоматов, я использую однополюсные гребенки.






В качестве примера рассмотрим подключение автоматов фирмы Schneider Electric. Берем гребенку, вытаскиваем из нее медную шину, отрезаем три, пять, семь зубьев, в общем столько, сколько нам нужно. Затем уже по длине медной шины отрезаем пластиковый корпус с запасом так, чтобы с краёв гребёнки не торчат различные детали.


Затем закручиваем гребенку под весь ряд установленных автоматов и подсовываем питающий провод к одному из зажимов. В этом месте будет выполнено совместное подключение провода с шиной в автомате. В итоге будет получена красивая разводка. Забыл упомянуть, что медная шина способна выдержать нагрузку в 63 Ампера.


Если вы внимательно читали статью, то уже знаете, что вилочные контакты подходят не для всех автоматических выключателей. Все дело в том, что определенные фирмы выпускают автоматические устройства защиты с двойным зажимом. Одна из таких фирм hager.
Как видно из фото в автоматические выключатели хагер шина с вилкообразными контактами не входит в обычные зажимы (ровно как и в любой автомат другой фирмы). Вот незадача, шина и автоматы одной фирмы, а контакты не подходят, почему? Вопрос на засыпку! 🙂


Можно рассмотреть поближе контакты:


Но здесь нет ни какой магии и все довольно просто и на мой взгляд гениально придумано. На самом деле шина с вилкообразным контактом должна входить в специальный зажим на автомате (который как раз есть не на всех экземплярах).


У Hager есть два контакта один для гребенки второй для провода.


Один зажим выглядит как обычно в виде прижимной площадки, второй под винт. Именно под этот винтовой зажим и предназначены вилочные контакты.


Так, у автомата хагер в один зажим вставляется питающий провод, а во втором располагается соединительная шина гребенка для автоматов, имеющая вилкообразный контакт, что очень удобно.




Поэтому при покупке такой гребенки учитывайте имеется ли в автоматическом выключателе соответствующий зажим. Иначе в противном случае в обычный автомат такую гребенку не засунешь, и вы зря потратите деньги.
Подключение УЗО и дифавтоматов с помощью гребенки
Линии розеток в современной квартире обязательно должны защищаться с помощью УЗО или дифавтоматов. Если вы заботитесь о своей жизни и о жизни своих родных и близких, то у вас в распределительном щитке на каждую линию будет установлена защита от утечки тока.
Эти устройства защиты также можно подключить с помощью соединительных шин. Но в отличие случая с автоматическими выключателями здесь есть одна особенность.
При подключении УЗО с помощью соединительных шин, шина как минимум должна быть двухполюсной (это если узо однофазное). Так как для питания здесь необходимо подводить фазу и ноль.




Использование здесь однофазной гребенки не подходит, ведь при этом произойдет замыкание «ноля» и «фазы» одновременно всех УЗО, установленных в одном ряду. У такой гребенки отходящие зубья должны быть расположены через один. То есть шаг между гребенками составляет один модуль (ширина автомата).


Подключается все очень просто. Например, есть два устройства защитного отключения. Фаза подводится к первой медной шине и зажимается в одном контакте УЗО, а ноль подводится ко второй медной шине и зажимается во втором контакте УЗО. Все последующие УЗО подключаются к обеим гребенкам шин.




Это очень удобно, так как несколько УЗО быстро соединяются между собой. Для этого нет необходимости делать множество перемычек с обязательным соблюдением цветовой маркировки.
на сайте:
Критерии выбора, способа соединения автоматов защиты
В первую очередь, исходят из проектной документации, определяют какие характеристики цепи, сколько автоматов планируется установить в РЩ на каждой фазе, электрические параметры этих автоматов.
На промышленных объектах, где в распределительных щитах на одной дин – рейке к одной фазе подключается много автоматических выключателей. Особенно когда расключения осуществляется с трех фаз по разным группам потребителей электроэнергии. Рационально устанавливать соединительные шины фабричного производства, это значительно сократит большой объем работ, повысит надежность соединений и стабильность работы производственных электроустановок.
На распределительных щитах в жилых помещениях автоматы, подключенные к мощным электроприборам, нагревательному котлу, электроплитам, сплит системам, для подогрева пола. Тоже рекомендуется ставить заводские соединительные шины.
На осветительные и розеточные группы, где потребляемые мощности значительно меньше, можно поставить перемычки многожильным или одинарным медным проводом соответствующего сечения. При установке соединительных перемычек особое внимание надо уделять сечению шин и проводов на отдельных участках.
Схема соединения автоматов в электрощите
Прежде чем приступить к установке автоматов, необходимо внимательно изучить их схематичное устройство, ведь схема монтажа состоит из нескольких элементов с разными обозначениями.


Электромонтажная схема
Таблица 1. Элементы, используемые при монтаже электрощита.

Электросчетчик
Как подключить несколько автоматов и как надежней подключить нулевую шинку в щитке.
28 Ноя 2014 Советы специалиста
Сегодня представляю вашему вниманию очередную статью от опытного электрика- практика Сергея Панагушина из г.Ижевска. Кстати у Сергея недавно родился сын- можете его поздравить)))
Сергей уже делился своим практическим опытом по электромонтажу на моем сайте, недавно я опубликовал его статьи “Инструмент для зачистки проводов и кабелей. Часть 1.“ и “Инструмент для зачистки проводов и кабелей. Часть 2.”
На этот раз Сергей расскажет как подключать в распределительных щитках коммутационные аппараты- с помощью специальной гребёнки или самодельных перемычек из монтажного провода, а так же расскажет как подключить нулевую шину. Итак, предоставляю слово Сергею Панагушину.
Здравствуйте уважаемые читатели. Сегодня хотел бы с вами поделится опытом по подключению в щитках различных коммутационных аппаратов ( в дальнейшем КА)(на примере модульных автоматов ВА 47-63 от EKF и нулевой шинки на изоляторе под дин-рейку от компании IEK).
И так самый простой и массово применяемый способ подключения КА это соединительная шина в простанародии «гребенка». Выглядит она вот так :
Состоит она из латунной пластинки и изолятора из пластика:
Хотя на сколько этот пластик в действительности изолятор я честно говоря не знаю. Но всегда обматываю дополнительно эту гребенку изолентой.
В обмотке изолентой я преследую сразу две цели:
- Это гребенка не вываливается из пластикового изолятора.
- С торцов наверняка не будут торчать оголенные участки гребенки находящейся под напряжением.
И такой вариант меня в щитке устраивает больше, да и думаю тех кто в этот щиток полезет после меня будет устраивать тоже. Да действительно есть торцевые заглушки для таких гребенок. Но в магазинах я что то их не встречал в свободной продаже. Подключать КА такой гребенкой в щитке очень легко и просто. Но и тут есть небольшие тонкости. Устанавливать гребенку нужно вот таким образом как на фото:
Провод находится между гребенкой и нижней прижимной пластиной КА, по этой причине выступ с изолированным пластиком необходимо напрявлять к винтам автомата. Так как на фото выше.
Если сделать на оборот то получается не очень красивое соединение и если автоматы зафиксированы на дин-рейке то выгнет провод. На фото ниже автоматы не зафиксированы дин-рейкой по этой причине подняло автомат. Да и внешний вид такого подключения выглядит не очень симпатично:
К сожалению такие гребенки продаются кусками по метру длинной и если вам необходимо установить 2-3 автомата то покупать такую гребенку особого смысла нет.
Но есть другой вариант изготовит такую гребенку самостоятельно из провода. Как изготовить гребенку из многопроволочного провода марки ПВ3 я расскажу вам позднее, в статье про обжим проводов наконечниками различных типов НШВИ, НКИ и.т.д. А вот из моножильного провода изготовить гребенку в полне реально и не так уж и сложно.
Достаточно взять моножильный провод я для примера взял АПВ1*4 да да алюминиевый провод, это не очепятка, у себя на работе в сфере ЖКХ мы его еще очень много используем для ремонтных работ.
Так вернемся к нашим баранам, то есть гребенкам.
Что мы делаем. Зачишаем провод на конце, на две глубины входа в КА и складываем его попалам как бы петелькой и сжимаем пассатижами, после чего не раскусывая провод загибаем его буквой П и в другой стороне срезаем изоляцию ножем аккуратно как на фото:
После чего отводим остатки изоляции от провода и срезаем ее тем же ножом:
Ну вот по сути у нас готова гребенка на два КА тем же «макарам» делаем и на три КА и на большее число тоже можно.
И еще не вздумайте делать перемычки между автоматами вот таким образом как на фото ниже:
Как показала практика через некоторое время такие перемычки начинают греется и портить клеммы КА.
Ну что ж как можно подключить КА я вам рассказал теперь расскажу как более надежно подключить провода к нулевой шинке. Самый надежный контакт должен быть в месте подключения основного или питающего (кому как нравится) нулевого провода к шинке.
И так нам потребуется не одна шинка, а две и один изолятор (в моем случае он на дин-рейку).
Мы просто берем и зачищаем провод побольше так чтоб у нас он обогнул эти две шинки дважды. Отвинчиваем прижимные винты и заводим прямой провод через два отверстия на шинке как на фото:
Загибаем зачищенный участок крючком так чтоб мы смогли завести зачищенные участки под все 4 винта обеих шинок.
Вот так чтоб он зашел:
Контакт при таком подключении увеличивается в 4 раза в месте подключения основного нулевого провода. Теперь в каждом отверстии на отходящих проводах у вас провод будет прижат не одним, а двумя винтами и площадь контакта у вас будет в два раза больше. Что несравненно очень большой плюс.
Очень надеюсь что статья будет вам полезна и самое главное надеюсь что она будет вам понятно.
С уважением Сергей Панагушин.
Ну и в заключении- немного видео от Сергея Панагушина:
Буду рад вашим комментариям, если есть какие то технические вопросы- то прошу задавать их на форуме, именно там я отвечаю на вопросы- ФОРУМ.
Подписывайтесь на мой канал на Ютубе!
Свежее видео с канала “Советы электрика”:
Смотрите еще много видео по электрике для дома!
Узнайте первыми о новостях сайта!
Просто заполни форму:
гребёнка для автоматов, подключение нулевой шины, Сергей Панагушин, соединение клемм автомата
Проволочные перемычки
Проволочные перемычки электрики обычно изготавливают самостоятельно. Для изготовления перемычек подойдет любой одножильный изолированный провод подходящего сечения.
Можно посоветовать применять однопроволочный провод ПВ-1 или многопроволочный (гибкий) провод ПВ-3 в виниловой изоляции.
Процесс изготовления перемычек несложен. Сначала измеряется длина проводника и нарезается необходимое количество отрезков провода. Провода зачищаются с обоих концов.
Длинна оголенной части провода должна составлять 12мм. Затем провод изгибают, придавая перемычке нужную форму. В случае применения гибкого провода на оголенные концы напрессовывают наконечники с помощью пресс-клещей.




Пример соединения автоматов с помощью перемычек.


Сечение провода для изготовления перемычек нужно выбирать исходя из суммы номинальных токов всех автоматических выключателей присоединяемых к первому автомату в шлейфе.
Для обеспечения качественного контакта желательно, чтобы концы перемычек присоединяемых к одной клемме автомата имели одинаковое сечение.
Часто электрики изготавливают перемычки между автоматами из одного неразрывного провода. Внешний вид такой перемычки присоединенной к автоматам показан на рисунке ниже.


Соединение автоматов с помощью перемычек имеет свои достоинства и недостатки.
К недостаткам этого способа соединения можно отнести:
- Высокую трудоемкость изготовления перемычек. Особенно это заметно при больших объемах электромонтажных работ.
- При близком расположении DIN-реек в щитке перемычки могут мешать присоединению проводников к автоматическим выключателям верхнего ряда.
К достоинствам применения перемычек можно отнести невысокие затраты на изготовление. Если перемычки выполнены из неразрывного провода, то имеется возможность выполнить замену вышедшего из строя автоматического выключателя без отключения других автоматов.
Для этого от верхних клемм автомата отсоединяют перемычки, надевают на них отрезки изоляционной трубки, снимают неисправный аппарат с DIN-рейки и устанавливают новый. Затем присоединяют питающие провода.
Устройство автомата
Чаще всего автомат представляет собой конструкцию из следующих элементов:
- Рукоятка взвода. Она позволяет включить устройство или же отключить при необходимости монтажа.
- Включающий механизм.
- Контакты. Соединяют и разрывают общую цепочку.
- Зажимы. Используются для подключения к защитному устройству.
- Механизмы, работающие по условию. Сюда относится биметаллическая платина теплового расцепителя. В некоторых конструкциях присутствует винт регулировки, с помощью которого можно скорректировать силу тока.
- Дугогасительная камера. Располагается в любом полюсе прибора.


В зависимости от назначения, автоматы оснащают дополнительными элементами
Как устроен механизм отключения
В автомате присутствует особый механизм, который способствует разрыву цепочки при повышении силы тока.
Существуют различные принципы функционирования подобных устройств:
- Электромагнитные. Отличительной особенностью является стремительное срабатывание при наличии замыкания. При резком повышении силы тока в действие приводится катушка, сердечник которой и размыкает цепочку.
- Тепловые. Здесь основным элементом является биметаллическая пластинка, которая при повышении температуры меняет форму, выгибается в обратную сторону, за счет чего размыкает цепочку.


Электромагнитные устройства
По аналогичному принципу функционируют электрочайники, из-за чего происходит их отключение при закипании воды. Для разрыва цепи используют и полупроводниковые устройства, но они редко применяются в сетях.
Маркировки на автоматах
Все модели автоматов имеют различные обозначения, по которым их можно идентифицировать. Обычно, большинство производителей предпочитают выпускать такие конструкции, которые могут использоваться в различных условиях и отраслях.
Для того, чтобы исключить ошибки во время подключения, следует разобраться с маркировками на корпусной части:
- Логотип. Чаще всего в верхней части автомата можно обнаружить логотип копании производителя. Кроме того, все бренды выпускают изделия определенной цветовой гаммы. Это значит, что рядовому пользователю не составит труда отыскать нужный вариант.
- Окно индикатора. Определяет состояние контактов на данный момент. При поломке выключателя в этом окне можно увидеть напряжение в сети или его отсутствие.
- Тип устройства. В стандартных сетях обычно используют автоматы типов C и B. Между собой они отличаются коэффициентом чувствительности.
- Номинальный ток. Здесь показывается максимальное значение силы тока. Часто указывают два значения – для однофазной и трехфазной сети.
- Предельно допустимый ток выключения. Обозначает предел напряжения при замыкании, из-за которого автомат выключается, но при этом остается исправным.
- Схема. Иногда на автомате можно встретить даже чертеж подсоединения контактов, который находится в боковой части.


Расположение маркировки
Какой автомат выбрать
При выборе устройства в первую очередь следует учитывать его предельно допустимый ток. Для этого необходимо посчитать, какая сила тока потребуется для всех установленных в квартире приборов.
Кроме того, значение имеет и толщина проводки, поскольку по ней течет электричество. Требуется оптимальная величина в зависимости от степени нагревания. Еще большое значение имеет наличие полюсов:
- Один. Цепочки с осветительными приборами и розетками, к которым подключаются только примитивные устройства.
- Два. Используется с целью защиты электропроводки, которая подводится к крупным приборам (стиральным машинам, плитам, холодильникам, отоплению, водонагревателям). Кроме того, устанавливается для дополнительной защиты между электрощитом и квартирой.
- Три. Актуальны при наличии сети с тремя фазами, что бывает на производственных предприятиях, собственных мастерских.


Однополюсной автомат
Автоматы устанавливаются в щитке по стандартному принципу – от большего к меньшему. Это значит, что сначала фиксируют автомат с двумя полюсами, а только потом с одним. После чего следуют остальные устройства с меньшей мощностью.
Цены на дифавтоматы
Дифавтомат
Видео – УЗО или дифференциальный автомат: что выбрать
Что представляют собой автоматические выключатели
Автовыключатели — это специализированные устройства, основной задачей которых является защита электропроводки от возгорания. Конечно, они не способны защитить от удара током и от поломки бытовых приборов, но контролируют перегревание.
Функционирование основано на том, что устройства разрывают электрическую цепочку при следующих ситуациях:
- замыкание;
- резкое повышение напряжения в проводнике (выше определенной нормы).
Обычно автомат фиксируют на входе, что позволяет защитить идущий за ним участок цепочки. Поскольку ко всем элементам применяется разная проводка, устройства защиты должны работать при различной мощности тока.
Некоторым начинающим электрикам может показаться, что достаточно зафиксировать энергоемкий автомат, но это распространенное заблуждение. Ведь если защитное устройство не сработает при наличии тока большой силы, то произойдет возгорание проводки.


Автовыключатель российского производства
Основные схемы соединения автоматических выключателей в РЩ
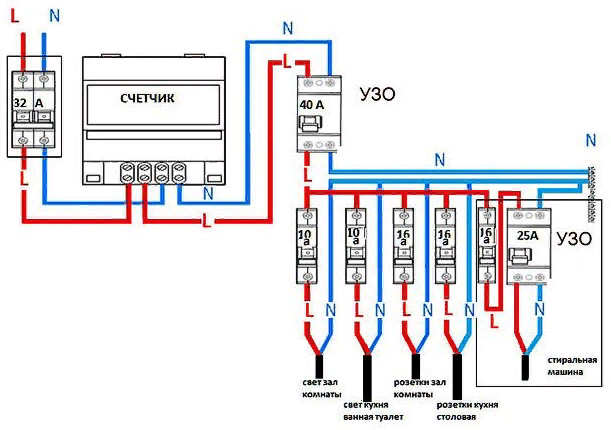
На данной схеме показано соединение автоматов в однофазной сети, автоматические выключатели 4-7-8-9-10-11 логично соединить однополюсной шиной.
Одним из недостатков шинного соединения считается высокая цена, надо учитывать, что надежность соединений обеспечивает долговременную безаварийную эксплуатацию, что вполне окупает эту стоимость.
В данной схеме УЗО и защитные автоматы рекомендуется разместить на одной дин-рейке и соединить на входе четырехполюсной шиной.
статью ⇒ УЗО электронное или электромеханическое.
Подводим итоги
нашу статью на тему — Как подобрать кондиционер, где подробно рассказывается, как выбрать эффективную сплит-систему.
Для того, чтобы подключить автоматику в электрическом щитке, не обязательно вызывать профессионального электрика. Справиться с поставленной задачей можно и без посторонней помощи, следуя этапам инструкции. Желаем удачи!
Часто задаваемые вопросы
- Какие гребенки лучше поставить на выключатели, если предусмотрены разъемы для штыревых конструкций и FORK вилок?
Оба варианта конструкций обеспечивают надежный контакт, некоторые считают, что площадь соединения вилочных контактов больше чем штыревых. Такие сравнения не отмечаются в технических параметрах.
- Как определить сечение контактов шины, чтобы узнать допустимое напряжение и токи нагрузки?
Эти параметры указываются в паспорте на изделия при покупке и отмечаются маркировкой на корпусе и теснением на медной шине.
Устанавливайте шины в соответствии с максимальными по току параметрами автомата в ряду.