Это приспособление трудно назвать прибором или даже инструментом. Тем не менее, телефонисты с его помощью определяют почти все повреждения кабельных и проводных линий связи. Используется повсеместно и является обязательным атрибутом профессии связного электромонтёра. Наличие в руках у человека этой штуки, как правило, позволяет обывателям без всяких удостоверений определять в нём связиста. Речь идёт о трубке телефониста.
Официальное название телефонный аппарат переносной. В настоящее время они выпускаются промышленностью и могут иметь в себе множество различных функций, но речь далее пойдёт о самоделках широко распространённых в связи.
Как правило, изготовляют её на основе трубки от старого дискового телефонного аппарата. На внутреннюю сторону, между микрофоном и телефонным капсюлем прикрепляется шурупами или болтами дисковый наборник от того же аппарата. Тип, цвет и прочие атрибуты зависят от возможностей монтёра или мастерской её изготовляющей. Всё это: микрофон, телефон, наборник, соединяются последовательно. Причём, дисковый наборник подключается таким образом, чтобы счётные контакты многократно размыкали цепь в момент обратного хода диска, тем самым и обеспечивая набор номера.
Рис.1. Схема телефонной трубки.
В строительных организациях чаще используют трубки без наборника (фото справа), ибо там она используется только для прозвонки. В эксплуатации, наоборот трубка без возможности набора номера бесполезна.
В трубке желательно использовать не электронный, а старый угольный микрофон. Телефонный капсюль, наоборот лучше брать современный, более громкий. Правильно собранная трубка при подключении к телефонной паре проводов должна вызывать ответ станции, в телефонном капсюле слышится гудок. Соответственно должен набираться номер. Обычно самоделку не усложняют контактами, блокирующими телефон в момент набора номера, поэтому в трубке при наборе номера слышны громкие щелчки. Два шнура, выходящие из трубки оконечивают «крокодильчиками».
Можно использовать это приспособление с батареей из элементов питания желательно более 12 вольт, включается последовательно, но в эксплуатации чаще используют питание станционное («-» берут из телефонной пары). Ищут просто: один провод шнура заземляют, вторым последовательно касаются контактов на плинте. По громкому щелчку в трубке и определяют питание. Собственно по громкости щелчка, то есть на слух и определяются все повреждения.
Сообщение
определяется при подключении одного контакта на «землю». Вторым касаются проверяемой линии. Естественно, станционное питание при этом отключают. Если щелчок громкий, значит, на проводе присутствует постороннее напряжение, то есть сообщение.
Землю
определяют, подсоединив один провод к питанию. Вторым при этом касаются проверяемого провода. Громкий щелчок свидетельствует о пониженной изоляции этого провода. Полное отсутствие щелчка свидетельствует об отсутствии ёмкости, то есть о близком обрыве провода. Щелчок должен быть еле слышен, но быть он должен.
Короткое
узнают, как и землю, при этом второй провод исследуемой пары заземляют.
С помощью этого приспособления можно по номеру телефона найти в распределительном шкафу нужную пару, позвонить с неё куда угодно или подслушать чей-нибудь разговор, но это уже криминал и советов на эту тему на этом сайте нет.
Прозвонка при монтаже кабельной линии.
Прозвонка при монтаже
кабельной линии описана в «Руководстве. » на странице Монтаж сборных муфт.
Прозвонить кабель можно и без микрофона в трубке: читать «Если в трубке закоротило микрофон».
Прозвонка при проверке смонтированной кабельной линии
Две трубки и какое-либо питание используются для прозвонки кабеля. То есть для проверки целости жил и их правильного монтажа или для выбора пар кабеля при сборке. При прозвонке трубки подключаются по таком схемам:
Рис.2.Схема проверки монтажа кабеля (прозвонки) кабеля с батареей питания через «землю»
Рис.3. Схема проверки монтажа кабеля (прозвонки) кабеля со станционным питанием через «землю»
По поводу ««-» берут из телефонной пары», минуса на этой схеме и заодно о полярности станционного питания есть страница из раздела «Вопрос-ответ» Напряжения на проводном/городском/домашнем телефонном аппарате при разных режимах работы
Рис.4. Возможно включение не через «землю», а через экран кабеля. Дополнительно проверяется целость экрана
Общеприняты две последовательности прозвонки: «по парам» или «по-жильно».
По парам.
Первый монтер касается контактом трубки 2-х жил пары одновременно. Второй при этом проверяет присутствие напряжения «щелчка» на обеих жилах своего плинта. Далее, убедившись, что обе жилы доходят, второй по трубке даёт команду первому: «одну». Первый монтёр переключается на жилу «а». Второй проверяет присутствие щелчка на жиле «а» и его отсутствие на второй жиле жиле «б», то есть проверяет пару на короткое замыкание. Далее даёт команду первому: «дальше». Первый переключается на 2 жилы следующей пары. Процесс повторяется.
По жильно.
Первый касается только жилы «а» пары. Второй проверяет на «щелчок» жилу «а» и на его отсутствие жилу «б». Возвращается на жилу «а», даёт команду «дальше». Первый переключается на жилу «б». Второй проверяет его присутствие на этой жиле и по ней же даёт команду «дальше». Для следующей пары процесс повторяется.
Со стороны диалог монтёров слышен либо, как «одну, дальше, одну, дальше…». Либо: «дальше, дальше, дальше…».
Такая прозвонка позволяет убедится в правильности монтажа, в отсутствии обрывов жил или «земли» на этих жилах. Но не гарантирует проверку отсутствия сообщений, а так же разбитостей (разнопарки), собранных по прозвонке. По правилам сообщения и разбитости должны определятся при дальнейших измерениях (переменным током или на рабочую ёмкость), но это часто зависит от возможностей или добросовестности измерителей.
Выбор метода измерений по характеру повреждений кабеля
Прозвонка для определения характера повреждения
Когда дело касается повреждений кабеля, прозвонка усложняется. В повреждённом кабеле желательно точно выяснить какая жила, с какой сообщается, а какая оборвана. Поэтому здесь необходимо не только проверять каждую пару на короткое, но и «прощёлкивать» все остальные пары кабеля на cообщение. Измерителю полезно знать всю картину повреждения, что бы правильно определиться с методами и жилами для измерений.
Использование готовой маркировки жил.
Прозвонка кабеля без использования измерительных устройств стала возможной когда в процессе его изготовления жилы придумали вить парами, использовать два цвета в паре и каждой паре присваивать порядковый номер. И если кабель, например, четырнадцатижильный, то он будет состоять из семи разноцветных пар с порядковыми номерами от 1 до 7. На рисунках показаны две пары жил шестидесятижильного кабеля с порядковыми номерами 3 и 24.


Такой кабель после разделки сразу маркируется с использованием нанесенных на его жилы порядковых номеров, а затем согласно схемы подключается на клеммник. Вся эта работа выполняется одним человеком, что очень удобно и быстро.


Прозвонка кабеля измерительными устройствами.
Для прозвонки кабеля существует достаточное количество специализированных пробников и устройств, однако на практике чаще всего применяют прозвонку, телефонные трубки, стрелочные или цифровые измерительные приборы.
Если работы по монтажу кабеля предполагается выполнять часто, то смысл в приобретении специализированных приборов есть. Если же работы будут выполняться редко, то предпочтительней воспользоваться более простыми и дешевыми устройствами такими как телефонные трубки или прозвонка.
В рамках этой статьи рассмотрим как прозванивать кабель с помощью прозвонки, мультиметра и телефонных трубок.
Поиск жил кабеля прозвонкой.
Прозвонка состоит из источника напряжения, лампы, двух измерительных щупов и представляет собой простейший пробник. Прозвонку можно изготовить из двух пальчиковых батареек, лампы накаливания с рабочим напряжением 2,5 В и отрезков монтажного провода.
Один вывод лампы припаивают, например, к положительному полюсу батарейки, ко второму выводу лампы припаивают щуп, выполненный из отрезка медного провода. К отрицательному полюсу батарейки припаивают второй щуп, состоящий из отрезка гибкого провода с насадкой типа «крокодил» на конце. Можно обойтись и без крокодильчика, но тогда в процессе прозвонки одна рука будет всегда занята, так как ей придется держать щуп и жилу кабеля.
При касании щупами металлической поверхности или замыкании щупов между собой лампа загорается. Вот и весь принцип работы прозвонки.


Для удобства работы с прозвонкой и придачи ей эстетичного вида батарейки, лампу и щупы желательно обмотать изолентой, чтобы получилось что-то похожее на корпус.


Поиск жил кабеля осуществляют следующим образом: к искомой жиле на одном конце кабеля подключают щуп прозвонки с крокодилом, а на другом конце кабеля вторым щупом поочередно касаются имеющихся жил. Как только при касании к одной из жил лампа загорится, значит, искомая жила найдена. Найденной жиле присваивают порядковый номер, которым она сразу же маркируется с обеих сторон кабеля. И таким образом производится прозвонка кабеля.


Поиск жил кабеля мультиметром.
Процесс поиска жил кабеля мультиметром такой же, как и при работе с прозвонкой, но результат измерения определяется по величине сопротивления, что очень удобно. Удобство заключается в том, что по сравнению с лампой числовое значение сопротивления дает более наглядное представление о наличие короткозамкнутых участков схемы или участках с переходными сопротивлениями, которые образуются вследствие нарушения контакта в соединениях. Конечно, и прозвонкой можно определить подобные неисправности, но для этого придется делать дополнительные измерения.
Мультиметр переводим в режим измерения «Прозвонка
» и начинаем прозвонку кабеля.
Простой прибор для прозвонки проводов
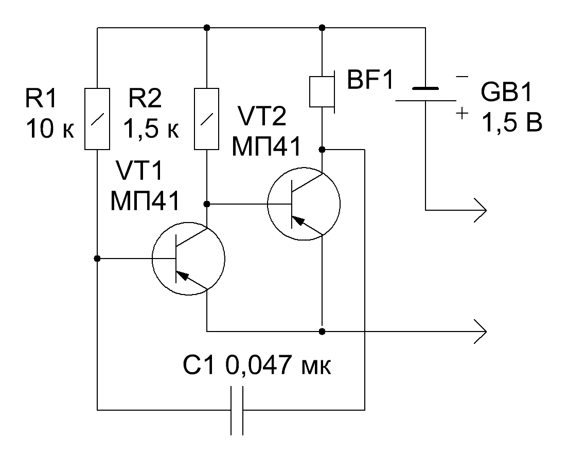
Данная конструкция представляет собой пробник со звуковой индикацией, предназначенный для контроля целостности электрических цепей [Лапкин В. А. Ремонтируем сами.], отличительной особенностью устройства является простота конструкции, удобство использования и нетребовательность к источнику питания. Схемотехнически звуковой генератор, представляет собой несимметричный мультивибратор, собранный по общеизвестной схеме.


Мультивибратор собран на транзисторах МП41А, но подойдут любые другие маломощные низкочастотные p-n-p транзисторы (например, МП25, МП26, МП39, МП40, МП42). Резисторы R1 и R2 типа МЛТ-0,25. Конденсатор C1 любого типа (например, К73-17 или К10-17Б), его емкость не критична и должна составлять примерно 0,033 – 0,047 мкФ. В качестве звукового излучателя использован пьезокерамический излучатель, снятый со старого устройства. Устройство собрано на псевдо печатной плате.


Корпусом пробника служит походный футляр для зубной щетки. Устройство питается от одного элемента типа АА напряжением 1,5 В, расположенного в передней узкой части корпуса. Ширина корпуса, практически точно совпадает с диаметром гальванического элемента данного типоразмера. Что позволяет отказаться от отдельной колодки для элемента питания и установить его прямо в корпус, зафиксировав его при помощи самодельного пружинного контакта.


Плата звукового генератора вместе со звукоизлучателем установлена в задней наиболее широкой части корпуса. Там имеются вентиляционные отверстия, возле которых располагается звукоизлучатель. Через одно из отверстий выводится один из щупов устройства, выполненный в виде провода, длиной около 40 см с зажимок «крокодил» на конце. Следует отметить, что по опыту эксплуатации желательно удлинить провод до 1 м. Второй щуп представляет собой жестяную пластину, которая одновременно подключена к положительному полюсу элемента питания.


При работе пользователь удерживает устройство аналогично авторучке, за ту часть корпуса, где расположен элемент питания. Так как гальванический элемент является самой тяжелой частью устройства, то рука пользователя держит пробник за область близкую к центру тяжести, что повышает удобство пользования устройством. При этом благодаря вытянутой форме корпуса, звукоизлучатель находится недалеко от головы, так что даже сравнительно тихий звук, даваемый устройством при разряженном элементе питания, слышен пользователю отчетливо. Прибор для прозвонки проводов удобно использовать одной рукой в отличии от обычного мультиметра или авометра. Устройство собиралось неоднократно и при исправных деталях начинало работать сразу, вся настройка сводится к подбору желательной тональности звука при помощи резистора R1. Другие варианты приборов смотрите тут. Автор — Denev
Рассмотрим варианты прозвонки кабеля.
Поиск двух жил в кабеле прозвонкой или мультиметром.
а) Если в кабеле все жилы одного цвета, но есть одна цветная, то поступают так: с одной стороны кабеля цветную жилу соединяют с нужными двумя, чтобы получилась тройная скрутка.
Затем с противоположной стороны кабеля черным щупом прозвонки «садятся» на цветную жилу, а красным щупом поочередно касаются всех оставшихся жил. Как только при касании к очередной жиле загорится лампочка, то искомая жила найдена. И таким образом продолжают поиск до тех пор, пока не будет найдена вторая жила. Таким способом можно найти и три и пять жил и т.д.


б) Если в кабеле все жилы одинакового цвета, то поступают также как и в первом случае. Две нужные жилы соединяют между собой с одной стороны кабеля, а с другой стороны кабеля производят поиск. Черным щупом прозвонки «садятся» на любую свободную жилу, а красным щупом поочередно касаются оставшихся жил (рис. 1). Если при касании к одной из жил лампочка загорелась, то пара найдена, если же лампа не загорелась, то черным щупом подключаются к следующей свободной жиле, а красным опять касаются оставшихся жил (рис. 2). Жилу, которая не прозвонилась, отгибают в сторону, чтобы по ошибке ее не прозвонить повторно.


в) Кабель можно прозвонить, используя его защитную металлическую оболочку, называемую броней. В этом случае броню используют так же, как и цветную жилу. На одном конце кабеля жилу соединяют с броней, а с противоположной стороны эту жилу ищут относительно брони: черный щуп соединяют с броней, а красным ведут поиск.


Поиск жил в кабеле с помощью трубок.
а) Если в кабеле все жилы одного цвета, но есть одна цветная, то кабель прозванивают относительно этой жилы. С правой стороны кабеля черный щуп трубки «сажают» на цветную жилу, а красный щуп подключают на свободную жилу. С левой стороны кабеля черный щуп второй трубки также «сажают» на цветную жилу, а красным щупом осуществляют поиск.


б) Если кабель имеет защитную металлическую оболочку его можно прозвонить относительно этой оболочки. Черным щупом трубка с батареей подключается к броне, а красным щупом к искомой жиле. С противоположного конца кабеля вторая трубка черным щупом подключается к броне, а красным щупом осуществляется поиск.


Также для прозвонки кабеля можно использовать шину заземления
, которая прокладывается по периметру промышленного здания, цеха и т.п. Жилы прозваниваются относительно заземления точно так же, если бы Вы звонили относительно цветной жилы или брони.
Вот в принципе и все, что хотел сказать о способах и вариантах прозвонки кабеля. Если возникнут вопросы, пишите их в комментариях к статье. Удачи!
При проведении электромонтажных работ может понадобиться прозвонка кабеля, например, когда производится маркировка жил и проводов, проверка изоляции и целостности проводки, а также поиск места обрыва электрокабеля. Рассмотрим, какими способами можно провести тестирование, а также необходимое для этой цели оборудование.
Комплект гарнитур ТМГ-8А
Комплект гарнитур для прозвонки ТМГ-8А
Предназначен для организации служебных переговоров при эксплуатации и ремонте кабельных линий связи. Выполнен на базе двух типовых гарнитур ТМГ-8А, дополнительно снабжённых микрофонным усилителем. Шнур гарнитуры оканчивается двумя зажимами типа “крокодил”.Питание каждой из гарнитур осуществляется от аккумулятора. При организации разговорной пары аккумуляторы соединяются последовательно и подключаются к линии на одной из сторон.
Технические характеристики• Рабочее напряжение питания (2 гарн.), В — 24 (2х12)
• Масса гарнитуры без шнура, г — 350 ±5
• Длина шнура, мм — 1290-1350• Масса комплекта, кг — не более 2
Комплектация• Гарнитура ТМГ-8А 2 шт.• Аккумулятор СА 1208 12В, 1,3Ah (Pb) 2 шт.• Устройство зарядное автоматическое 1 шт.• Шнур переходник V вых — 12В (0,2м) 2 шт.• Шнур переходник V вых — 24В (0,5м) 1 шт.• Инструкция по эксплуатации 1 шт.
svstk.ru
Методы
Способы тестирования зависят от того, с какой целью оно выполняется. Для проверки целостности кабеля на предмет обрыва или электрической связи между его жилами (короткого замыкания) прозвонку можно осуществить тестером на основе батарейки и лампочки или же воспользоваться для этой цели мультиметром. Последний предпочтительнее.
Несмотря на то, что цена мультиметра выше, чем примитивного устройства, рекомендуем купить его, в хозяйстве этот прибор всегда пригодится.


Простейшее устройство для прозвонки электрического кабеля
Для проверки кабеля мультиметр должен быть включен в соответствующем режиме (изображение диода или зуммера).


Мультиметр, переведенный в режим прозвонки
Методика тестирования следующая:
При проверке провода на обрыв тестер подключается к его концам так, как это показано на рисунке. Если кабель целый – лампочка будет светиться (при тестировании мультиметром раздастся характерный звуковой сигнал).
Прозвонка многожильных кабелей с целью их маркировки
При маркировке многожильных кабелей можно использовать описанные выше методы, но существуют способы, позволяющие существенно упростить этот процесс.
Способ 1: применение специальных трансформаторов, у которых имеется несколько отводов вторичной обмотки. Схема подключения такого устройства показана на рисунке.


Использование трансформатора для маркировки
Как видно из рисунка, первичная обмотка такого трансформатора подключена к сети питания, один конец вторичной обмотки подсоединен к защитному экрану кабеля, остальные выводы — к его жилам. Для маркировки проводов необходимо замерить напряжение между экраном и каждым проводом.
Способ 2: использование блока резисторов с разным номиналом, подключенного к проводам кабеля с одной стороны, как показано на рисунке.


Резисторы, подключенные к выводам кабеля
Для определения кабеля достаточно замерить сопротивление между ним и экраном. Если вы хотите сделать такой прибор своими руками, то следует подбирать резисторы с шагом не менее 1 кОм, чтобы уменьшит влияние сопротивления провода. Также не следует забывать, что номинал резисторов имеет определенную погрешность, поэтому предварительно замерьте их омметром.
При проверке телефонного многожильного кабеля монтажниками не редко используется гарнитура для прозвонки, например ТМГ 1. Собственно, это две телефонные трубки, к одной из которых подключена батарейка на 4,5 В. Такое несложное приспособление позволяет не только проверить кабель, а и согласовывать свои действия при монтаже и тестировании.


Прозвонка телефонной трубкой
Самодельная бесконтактная прозвонка
Ниже показа схема простого бесконтактного детектора обрыва, она может быть собрана в течение одного вечера. Учитывая небольшое количество деталей, можно не утруждать себя изготовлением печатной платы, а применить навесной монтаж.


Схема детектора
Перечень необходимых радиодеталей:
- переменное сопротивление R1 – 100 кОм;
- резистор R2 – от 4 до 8 МОм;
- конденсаторы электролитического типа: C1 и С3 – 220 мкФ, С2 – 33 мкФ;
- конденсатор керамического типа с емкостью 0,1 мкФ;
- D1 – микросхема LAG 665 (желательно в корпусе DIP);
- SP – обычный наушник от телефонной гарнитуры.
Проверка изоляции
Для тестирования изоляции мегаомметром или мультиметром принцип прозвонки такой же, как при поиске электрической связи между жилами кабеля.
Алгоритм тестирования следующий:
- устанавливаем на приборе максимальный диапазон — 2000 кОм;
- подсоединяем щупы к проводам и смотрим, что показывает дисплей прибора. Учитывая, что провода обладают определенной емкостью, пока она не зарядится, показания могут изменяться. Через несколько секунд табло прибора может отображать следующие значения:
- единица, это говорит о том, что изоляция между проводами в норме;
- ноль – между жилами короткое замыкание;
- какие-то средние показания, это может быть вызвано как «утечкой» в изоляции, так и электромагнитными помехами. Для установления причины следует переключить прибор на максимальный диапазон 200 кОм. При неисправной изоляции на табло отобразятся стабильные показания, если они будут меняться, то можно с уверенностью говорить об электромагнитных помехах.
Внимание! Перед проверкой изоляции электропроводки ее необходимо обесточить. Второй важный момент – проводя измерения, не прикасайтесь к щупам руками, этим можно внести погрешности.
Видео: Прозвонка провода — проверка целостности.
Поиск места обрыва
После того, как был обнаружен обрыв в электропроводке, необходимо локализировать место, где это произошло. Для прозвонки в этом случае можно использовать тон генератор, например такой как Cable Tracker MS6812R или TGP 42. Такие устройства позволяют с точностью до сантиметра установить место обрыва, а также определить трассу скрытой проводки, помимо этого приборы имеют и другие полезные функции.


Модель MS6812R
Приборы данного типа включают в себя генератор звукового сигнала и датчик, присоединенный к наушнику или динамику. При приближении датчика к месту обрыва пар кабеля UTP или жил электропроводки тональность звукового сигнала меняется. Когда производится тоновая прозвонка, перед подключением звукового генератора необходимо обесточить проводку, в противном случае прибор выйдет из строя.
Заметим, что при помощи этого прибора можно прозванивать как силовые, так и слаботочные кабеля, например, проверить целостность витой пары, радио проводки или линий связи. К сожалению, такие устройства не позволят определить правильность подключения, для этой цели применяется специальное оборудование – кабельные тестеры.
ГАРНИТУРА НАУШНИКИ
ГАРНИТУРА ПРОЗВОНКИ КАБЕЛЯ
ИПК-3-М ИПК-4-М ИПК-5-М Искатель повреждений кабеля. Приборы ИПК-3М ИПК-4М ИПК-5М это кабелеискатель и трассоискатель в одном приборе, используются для поиска коммуникаций: определения трассы, глубины залегания и мест повреждения кабельных линий связи, линий радиофикации, силовых кабелей подземной (скрытой) прокладки или воздушной подвески, а также трубопроводов, тросов и др. Прибор поиска повреждений работает совместно с генератором ГКИ-3, ГКИ-4, ГКИ-5 или аналогичным.
Устройства заготовки кабеля УЗК-11-150 и протяжка кабеля другими устройствами узк и протяжками
Устройства затяжки кабеля УЗК-11-150, УЗК-7-75, УЗК-6-60, УЗК-4,5-30, УЗК-3,8-30 и УЗК-3-30. Устройства заготовки закладки для затяжки и ввода протяжки стекловолоконного прутка стеклопрутка стержня в канал, для последующей затяжки протяжки кабеля связи, линии, интернет в кабельных колодцах связи, межэтажных стояках, коробах, и т.д. Кабельная протяжка здесь.
Тестеры для кабеля
Данный класс приборов позволяет проверить как целостность кабеля, так и правильность его подключения, что очень важно для сетей интернет провайдеров. Это могут быт простые устройства, проверяющие кроссоверность или сложные приборы на PIC контролере, у которых есть АЦП и встроенный мультиплексор.


Многоцелевой кабельный тестер Pro’sKit MT-7051N на микроконтроллере
Естественно, что стоимость таких устройств не располагает к их бытовому использованию.