Тот факт, что защитная «земля» при эксплуатации и обслуживании электроустановок жизненно необходима, обсуждению не подлежит. Кроме обязательного исполнения требований «Правил устройства электроустановок» (ПУЭ), наличие «земли» предохраняет от поражения электротоком и защищает электроустановки от поломок, связанных с нарушением подвода электропитания.
При вводе в эксплуатацию и проведении ремонтных работ на оборудовании, временно выведенном из эксплуатации, часто возникает необходимость отсоединения рабочей заземляющей шины. Как обеспечить безопасность работ в таком случае? Требуется установить переносное заземление.
Что это такое, и почему его называют временным (переносным)
Оборудование относится к типу защитных устройств, обеспечивающих безопасную работу в подключенных электроустановках. Кроме того, переносное заземление может (а точнее — должно) применяться при выполнении работ в полевых условиях: на временных объектах, которые штатного соединения с «землей» не имеют. Например, при проведении сварочных работ на территории, где нет энергоснабжения, и площадка не оборудована в соответствие с Правилами устройства электроустановок. В этом случае заземляется и генерирующее и рабочее оборудование.


Комплект временного заземления представляет собой набор гибких медных проводников (кабель без изоляции). На концах проводников расположены зажимы с постоянной фиксацией: типа струбцин.


Как правило, проводники соединены в три связанные линии (для трехфазного оборудования). При замыкании фаз между собой, повышается вероятность срабатывания защиты, если на линию случайно будет подано напряжение. Струбцины, которые подключаются к питающим контактам, оборудуются изолирующими штангами (при работе с напряжением свыше 1000 вольт). Если во время подключения, шина окажется под напряжением, поражение электротоком не произойдет.
Существуют комплекты и для однофазных электроустановок, состоящие из одного проводника с зажимами на концах.


Установка переносного заземления предусмотрена в случаях, когда выведенный в ремонт участок полностью отключается от каких-либо кабельных линий, включая «земляную» шину. При случайной подаче напряжения (а во время ремонта — это вполне возможно), устройство обеспечит короткое замыкание на физическую землю, и приведет к срабатыванию защитного автомата.
Важно! Применять переносное заземление без защитного оборудования (предохранителей, автоматов) на питающей линии, бессмысленно и опасно. При коротком замыкании на «землю», первичная защита персонала будет обеспечена, но возможно возгорание силового кабеля и электроустановки. Кабель заземления также может перегореть под продолжительным воздействием электрического тока, и работники будут поражены неконтролируемым напряжением.
Еще одна функция переносного заземления — защита от наведенного напряжения. После обесточивания электроустановки, на питающем кабеле могут возникнуть наведенные токи, от проложенных рядом силовых линий. В обычном состоянии, этому препятствует рабочая «земля».
Какие требования предъявляются к оборудованию
- Проводники должны быть цельными на всем протяжении между зажимами, без сростков и калышков (петлеобразных завитков, образованных при перекручивании).
- Использование изолированных проводов запрещено! Под оболочкой сложно контролировать возможные повреждения токоведущей жилы.
- Сечение кабеля одинаковое по всей длине. Для электроустановок до 1000 В, не меньше 16 мм², выше 1000 В — 25 мм².
- Длина проводников подбирается таким образом, чтобы можно было соединить шину заземления и заземляемые участки без натяжения кабеля. После подключения он не должен быть в подвешенном состоянии (за исключением точек заземления, находящихся на значительной высоте: например, линий электропередач).
- Провода должны выдерживать динамические нагрузки на разрыв, и не нагреваться до температуры расплавления при протекании тока короткого замыкания (по крайней мере, до срабатывания защитных устройств на размыкание силовых линий).
Сечение провода по параметрам короткого замыкания можно рассчитать самостоятельно по формуле:

где Iкз — это ток короткого замыкания, а tзащиты — максимально возможное время срабатывания автомата аварийного отключения электропитания. - Длина изолирующих штанг должна обеспечивать безопасное наложение зажимов без приближения (а тем более касания) оператора к потенциально опасным токоведущим шинам.


- Зажимы должны обеспечивать надежное соединение, иметь винтовую затяжку (пружинные клещи недопустимы). Материал, при повышении температуры во время цикла короткого замыкания, не должен терять прочность и образовывать окалину в месте контакта. При затягивании зажима с рабочим усилием, деформация не должна приводить к ухудшению контакта.
- Соединение зажимов с проводниками производится методом опрессовки либо сварки. Допускается соединение с помощью гайки, после чего необходимо пропаять место контакта тугоплавким припоем. Соединение только с помощью пайки запрещено, поскольку при высоких температурах возможно расплавление припоя и отсоединение заземлителя.
Требования к переносным заземлениям, как и правила дорожного движения, написаны кровью. Поэтому их соблюдение не просто является формальным исполнением ПУЭ. Это жизнь и здоровье людей.
Порядок установки временного заземления
Установка заземления производится с той стороны токоведущих шин, откуда может быть подано напряжение. Между точкой подключения и зоной проведения ремонтных работ не должно быть преобразующих устройств с гальванической развязкой (трансформаторов, умножителей напряжения, стабилизаторов и прочего).
Оператор, производящий накладку переносного заземления, должен быть в защитных средствах: изолирующих ботах, рукавицах, иметь на лице защитную прозрачную маску (от возможного искрообразования). Рекомендуется использовать диэлектрические коврики или подставки для ног.


Дальнейшие работы выполняются строго в указанной последовательности:
- Центральный, или общий (при работе с трехфазным заземлителем) зажим крепится на действующую и проверенную шину заземления.
- Индикатором проверяется отсутствие напряжения на токоведущей шине.
- Непосредственно после проверки производится контрольное касание зажимом токоведущей шины, после чего проводник надежно закрепляется.
Важно! порядок наложения переносного заземления предписывает выполнять работу как минимум вдвоем. Это необходимо для того, чтобы при поражении электротоком, была возможность оперативно принять меры по отключению электроэнергии, и оказать первую помощь пострадавшему.
Разумеется, к работе допускается только квалифицированный персонал.
Присоединение заземления на оборудовании с напряжением выше 1000 В, производится с помощью штанги, изготовленной из прочного диэлектрика. При меньших напряжениях допускается работа в диэлектрических перчатках.
Порядок снятия переносного заземления
- Необходимо убедиться в отсутствии напряжения на заземленных частях.
- Отсоединить зажимы от электроустановки.
- Отсоединить зажим от действующей шины заземления.
Перед подачей напряжения на электроустановку, необходимо удалить из зоны работ переносной заземлитель, и убедиться в исправности штатного (постоянного) защитного заземления.
Что делать, если штатное защитное заземление отсутствует
Если работы выполняются на незаземленной (штатно) электроустановке, необходимо создать временный контур заземления. Для этого организуется тот самый треугольник, в соответствии с правилами организации защитного заземлителя. К нему присоединяется переносное заземление.
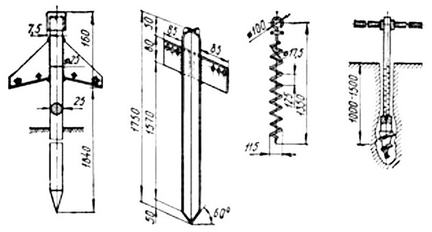
Заземлитель организуется с помощью металлических штырей, профилей (они забиваются с помощью кувалды), или буравчиков. У подобных устройств должно быть приспособление для извлечения их из грунта после окончания работ.


Еще один вариант для простой установки — заземлитель с обратным молотком. С его помощью можно легко погрузить стержень в грунт и извлечь его обратно.


Установка переносного заземления на временный контур производится по тем же правилам, что и на стационарную шину защитного заземления.
Заземление линий электропередач на столбах
Переносное заземление, предназначенное для ЛЭП, отличается от «наземных» вариантов наличием длинных изолированных штанг. Кроме того, на рабочих концах установлены не винтовые зажимы, а захватные крюки с фиксаторами.


Поскольку такие работы, проводятся как правило в поле, где нет штатного защитного заземления, применяются переносные заземлители. Они обычно входят в комплект.
Учитывая отсутствие винтовых зажимов, и, как следствие, менее надежный контакт с токонесущим проводом, устанавливаются дублирующие заземления: по 2–3 комплекта на один высоковольтный провод.
Монтаж производится с земли: то есть оператор стоит на грунте, а не устанавливает заземление со столба.


Штанговые переносные заземления для ЛЭП выполняются однофазными. Для соединения заземленных проводов между собой, линии соединяются на грунте, в точке соединения с переносным заземлителем.
Определения
Заземлитель — это комплект токоведущих частей, имеющих непосредственный контакт с физической землей (грунтом). Проще говоря — забитые в землю колышки и соединительный проводник.
Заземляющий проводник — переносной или стационарно установленный провод (шина), предназначенный для соединения заземлителя с заземляемым устройством.