Расчет автоматов защиты производится по планируемой нагрузке в электрической сети или групповой цепи квартиры. Также расчет автоматов можно произвести по сечению электрического кабеля уже проложенного и функционирующего в квартире.
Хочу предложить, расчет автоматов защиты в квартире в двух вариантах. Каждый вариант применяется для различных состояний электропроводки, но оба варианта подчиняются правилам выбора автомата защиты, в том числе, оговоренных в ПУЭ.
Варианты расчетов автоматов защиты
1.Вариант. Вы планируете новую электропроводку. В этом случае расчет автоматов защиты производится по планируемой потребляемой мощности групповых цепей квартиры, всей электросети квартиры в целом совместно с анализом сечения жил токопроводящего (ТПЖ) кабеля.
2.Вариант. У вас уже есть, функционирующая электропроводка и вам нужно, например, поменять устаревшие автоматы на новые.
Рассмотрим оба этих варианта.
Организация точки ввода
В процессе подключения от уличного щита учета электроэнергии (ЩУ), расположенного на отводной опоре ЛЭП, к распределительному щитку (РЩ), смонтированному в помещении, ведется кабельная линия (подземная или воздушная).
![]()
![]()
В щите учета (ЩУ), зачастую, находится только вводной автомат и прибор учета электроэнергии. В распределительный щиток (РЩ), который устанавливается непосредственно в доме, монтируются автоматы защиты, устройства защитного отключения и другие элементы, о которых речь пойдет ниже.
В отдельных случаях оборудование для ЩУ и РЩ может быть установлено в одном корпусе.
![]()
![]()
Рабочие параметры оборудования, устанавливаемого в щиток учета, его перечень и количество – все это должно быть прописано в проекте электроснабжения (или, по крайней мере, должно быть рассчитано профильными специалистами). Но есть требования, которые предъявляются непосредственно к конструкции электрического щита.
Конструкция электрического щитка должна обеспечивать удобство подвода питающего кабеля, в нем должны присутствовать нулевые шины и шины заземления. При этом электрический щит должен обладать внутренним пространством, достаточным для размещения многочисленных отходящих кабелей, и его запасом, необходимым для возможного расширения и модернизации электроустановки.
Добавим, что корпус щитка должен быть устойчив к воздействию огня или быть изготовлен из самозатухающего материала. При этом он обязан надежно защищать встроенное оборудование от возможных повреждений. Против предумышленных повреждений поможет встроенный в дверь или ручку щитка замок, а защиту от воздействия пыли и влаги гарантирует указанная в спецификации степень защиты IP. Если щиток предполагается установить на улице или в помещении, где необходима повышенная защита от влаги, пыли и механических повреждений, то лучше отдать предпочтение щиткам класса IP65 –IK09.
Для того чтобы в процессе подключения избежать разногласий со специалистами энергоснабжающих компаний (требования которых зачастую противоречат друг другу), одновременно с архитектурным проектом следует разработать и согласовать проект электроснабжения.
Если точка подключения организована в соответствии с требованиями согласованного электропроекта, проблем в процессе подключения и дальнейших проверок со стороны контролирующих организаций у владельца участка, как правило, не возникает. Следовательно, труд, связанный с установкой и комплектацией электрического щитка, не окажется напрасным.
Поговорим о том, какова должна быть комплектация домашнего распределительного щита.
Нагрузка электросети


При расчете нагрузки электросети нужно помнить, что расчет токовой нагрузки (величина силы тока в сети, при работе электроприбора) отдельного бытового прибора (потребителя) и группы из нескольких потребителей отличаются друг от друга.
Кроме этого расчет нагрузки при однофазном электропитании (220 вольт) отличается от расчета трехфазного электропитания (380 вольт). Начнем разбирать расчет нагрузки электросети в однофазной сети с рабочим напряжением 220 Вольт.
Вводной выключатель и прибор учета
Начальной точкой домашней электроустановки считается вводной выключатель, к которому подключается электросчетчик, и остальные устройства, расположенные после прибора учета.
![]()
![]()
Номинал вводного АВ определяется энергоснабжающей организацией, исходя из выделенной мощности. Например, при трехфазном вводе и 15 кВт выделенной мощности номинал – 25А. При 1-фазном вводе и 7,5 кВт номинал – 40 А. При этом, если мощность более 11 кВт, электроснабжение должно быть трёхфазным. При наличии в проекте трёхфазных потребителей допускается трёхфазное подключение при выделенной мощности менее 11 кВт.
Устройство ввода резерва
Если в состав электроустановки входит источник автономного электроснабжения (например, дизельгенератор), то система должна иметь устройство ввода резерва, которое устанавливается после прибора учета электроэнергии. Речь идет о переключателе, позволяющем в ручном режиме подсоединять потребителей к генератору или к внешней системе электроснабжения. Данное устройство не позволяет одновременно задействовать два разных источника питания (трансформаторную подстанцию и дизельгенератор). В этом и состоит его ключевое преимущество.
![]()
![]()
По каким токам производят расчет автоматов
Функция автоматического выключателя состоит в защите электропроводки, подключенной после него. Основным параметром, по которому производят расчет автоматов, является номинальный ток. Но номинальный ток чего, нагрузки или провода?


Исходя из требований ПУЭ 3.1.4, токи уставок автоматических выключателей которые служат для защиты отдельных участков сети, выбираются по возможности меньше расчетных токов этих участков или по номинальному току приемника.


Расчет автомата по мощности (по номинальному току электроприемника) производят, если провода по всей длине на всех участках электропроводки рассчитаны на такую нагрузку. То есть допустимый ток электропроводки больше номинала автомата.


Также учитывается время токовая характеристика автомата, но про нее мы поговорим позже.
Например, на участке, где используется провод сечением 1 кв. мм, величина нагрузки составляет 10 кВт. Выбираем автомат по номинальному току нагрузки — устанавливаем автомат на 40 А. Что произойдет в этом случае? Провод начнет греться и плавиться, поскольку он рассчитан на номинальный ток 10-12 ампер, а сквозь него проходит ток в 40 ампер. Автомат отключится лишь тогда, когда произойдет короткое замыкание. В результате может выйти из строя проводка и даже случиться пожар.
Поэтому определяющей величиной для выбора номинального тока автомата является сечение токопроводящего провода. Величина нагрузки учитывается лишь после выбора сечения провода. Номинальный ток, указанный на автомате, должен быть меньше максимального тока, допустимого для провода данного сечения.
Таким образом, выбор автомата производят по минимальному сечению провода, который используется в проводке.


Например, допустимый ток для медного провода сечением 1,5 кв. мм, составляет 19 ампер. Значит, для данного провода выбираем ближайшее значение номинального тока автомата в меньшую сторону, составляющее 16 ампер. Если выбрать автомат со значением 25 ампер, то проводка будет греться, так как провод данного сечения не предназначен для такого тока. Чтобы правильно произвести расчет автоматического выключателя, необходимо, в первую очередь, учитывать сечение провода.
Расчет вводного автоматического выключателя
Система электропроводки делится на группы. Каждая группа имеет свой кабель с определенным сечением и автоматические выключатели с номинальным током удовлетворяющему этому сечению.
Чтобы выбрать сечение кабеля и номинальный ток автомата, нужно произвести расчет предполагаемой нагрузки. Этот расчет производят, суммируя мощности приборов, которые будут подключены к участку. Суммарная мощность позволит определить ток, протекающий через проводку.
Определить величину тока можно по следующей формуле:


- Р — суммарная мощность всех электроприборов, Вт;
- U — напряжение сети, В (U=220 В).
Несмотря на то, что формула применяется для активных нагрузок, которые создают обычные лампочки или приборы с нагревательным элементом (электрочайники, обогреватели), она все же поможет приблизительно определить величину тока на данном участке. Теперь нам нужно выбрать токопроводящий кабель. Зная величину тока, мы по таблице сможем выбрать сечение кабеля для данного тока.
После этого можно производить расчет автоматического выключателя для электропроводки данной группы. Помните, что автомат должен отключиться раньше, чем произойдет перегрев кабеля, поэтому номинал автомата выбираем ближайшее меньшее значение от расчетного тока.


Смотрим на величину номинального тока на автомате и сравниваем ее с максимально допустимой величиной тока для провода с данным сечением. Если допустимый ток для кабеля меньше, чем номинальный ток, указанный на автомате, выбираем кабель с большим сечением.
на сайте:
Расчет токовой нагрузки и выбор автомата защиты в однофазной электросети,220 вольт для группы электропроводки
Под группой электропроводки понимается несколько потребителей подключенных параллельно к одному питающему кабелю от электрощитка. Для группы электропроводки устанавливается общий автомат защиты. Автомат защиты устанавливается в квартирном электрощитке или этажном щитке. Расчет сети группы потребителей отличается от расчета сети одиночного потребителя.
Для расчета токовой нагрузки группы потребителей вводится так называемый коэффициент спроса. Коэффициент спроса (Кс) определяет вероятность одновременного включения всех потребителей в группе в течение длительного промежутка времени. Кс=1 соответствует одновременной работе всех электроприборов группы. Понятно, что включение и работа всех электроприборов в квартире практически не бывает. Есть целые системы расчета коэффициента спроса для домов, подьездов. Для каждой квартиры коэффициент спроса различается для отдельных комнат, отдельных потребителей и даже для различного стиля жизни жильцов. Например, коэффициент спроса для телевизора обычно равен 1,а коэффициент спроса пылесоса равен 0,1.
Поэтому для расчета токовой нагрузки и выбора автомата защиты в группе электропроводки коэффициент спроса влияет на результат. Расчетная мощность группы электропроводки рассчитывается по формуле:
- P(расчетная)=К(спроса)×P(мощность установочная).
- I (ток нагрузки)=Р (мощность расчетная)÷220 вольт.
Пример: В таблице ниже рассмотрим электроприборы, входящие в одну группу. Рассчитаем токовую нагрузку для этой группы и выберем автомат защиты с учетом коэффициента спроса.Коэффицмент спроса в примере выбирается индивидуально:
- Расчетная Мощность в сети расчитавается следующим образом:
- 480×0,7+75+160+150+380+1000+400+700×0,3=2711,ВТ
- К(спроса) квартиры=2711÷3345=0,8
- Ток нагрузки:
- 3345÷220×0,8=12Ампер.
- Соответственно выбираем автомат защиты на шаг больше:16Ампер.
В общих, а не индивидуальных расчетах, для жилых помещений, коэффициент спроса принимается в зависимости от количества потребителей, таблица ниже:
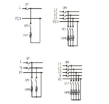
УЗИП
Чтобы защитить электроустановку от высоковольтных импульсов, от последствий прямого удара молнии и, как следствие, от возможных пожаров, в систему необходимо интегрировать устройство защиты от импульсных перенапряжений (УЗИП).
![]()
![]()
На общей схеме УЗИП располагаются сразу после вводного аппарата QF1. Кроме того, УЗИП следует подключать к схеме через отдельный аппарат защиты QF2 (автоматический выключатель или предохранитель). Число полюсов вводного аппарата и УЗИП следует выбирать исходя из количества фаз и режима работы нейтрали. (см. схему). При воздушном вводе в здание установка УЗИП – обязательна!
![]()
![]()
Противопожарное УЗО
Противопожарные устройства защитного отключения призваны защищать от пожара. В качестве противопожарных УЗО используются устройства, срабатывающие на номинальный дифференциальный ток – от 100 до 300мА. Это довольно большая уставка, и она не позволяет защитить человека от поражения электрическим током. По этой причине отдельные группы потребителей оснащаются дополнительными (более чувствительными) УЗО.
В последнее время широкое распространение получили селективные противопожарные УЗО.
Тип «S» (селективное УЗО с задержкой срабатывания) – предназначено для того, чтобы при замыканиях на землю в линиях (например, в линиях розеток) срабатывали только нижестоящие УЗО конкретной линии, а противопожарное УЗО на вводе продолжало работать, питая исправные участки электропроводки.
Кросс-модуль
В современных системах электроснабжения часто используется несколько групп электрических потребителей (розеточная группа, осветительная и т. д.). И для того чтобы между различными группами распределить электроэнергию, поступающую в щиток от вводного кабеля, на DIN-рейку рекомендуется устанавливать модульный распределительный блок (кросс-модуль). Кросс-модуль позволяет ввести в щиток один проводник, рассчитанный на большую нагрузку, и получить на выходе несколько линий меньшего сечения (которое зависит от нагрузки на ту или иную группу потребителей).
Помимо этого, установка кросс-модуля обеспечивает надежность электрических соединений и упрощает процесс подключения дополнительных устройств к уже действующему электрическому щиту.
![]()
![]()
Последовательность подключения УЗО и автоматических выключателей
Первое правило подключения: если фаза взята с одного УЗО, то ноль от всех потребителей, подключенных к данной фазе, должен возвращаться на исходное УЗО. То есть нулевой и фазный провода не должны после УЗО смешиваться с другими нулями и фазами.
![]()
![]()
На схеме мы видим два автомата, идущие на осветительные группы (защита осветительных линий с помощью УЗО обязательной не является). Противопожарное УЗО на данной схеме не обозначено. Розеточные группы защищены защитным отключением, имеющим номинал – 40 А и 30 мА.
Подключение выполнено просто:
- осветительные группы не подключены к УЗО, поэтому ответвление нулевого и фазного провода на них осуществляется после вводного автомата;
- фаза на розеточные группы берется от одного УЗО;
- ноль розеточной группы подводится к отдельной нулевой шинке, которая также подключена к УЗО.
Во время комплектации электрических щитов следует избегать ситуаций, при которых к одному УЗО подключается неограниченное количество линий. Для обеспечения этого условия стандартный щиток оснащается несколькими устройствами защитного отключения. УЗО в данном случае группируются по типам подключаемых помещений и по видам нагрузки. Например, розеточная группа ванной комнаты подключается к УЗО номиналом – 10 мА, а розеточные группы кухни и жилых помещений подключаются к УЗО номиналом – 30 мА.
Дифференциальные автоматы
На практике, вместо устройств защитного отключения часто применяются дифференциальные автоматы.
![]()
![]()
Это устройства, совмещающие в одном корпусе УЗО и АВ. Применять дифавтоматы имеет смысл, если данное устройство будет защищать отдельную линию или отдельного потребителя. Если дифавтоматом защищать несколько линий, то на каждую понадобится дополнительно устанавливать свой АВ (если, конечно, для вас важна селективность системы, и вы не желаете ее нарушать).
![]()
![]()