Для чего нужна схема разводки?
Профессионалы, имеющие опыт разработки энергообеспечения справляются с задачей без особых трудностей. Но разводка проводов для новичка кажется неким искусством, основанном на научных знаниях. Делать все наобум или по старинке нельзя. Тогда после окончания ремонта интерьер будет испорчен лежащими шнурами, удлинителями, тройниками. Чтобы спрятать новые линии придется нарушать отделку. Но даже косметический ремонт стоит немалых денег. Поэтому первое, что нужно сделать, когда требуется уложить проводку в квартире своими руками от щитка до потребителей – разработать индивидуальную схему.
Это план (чертеж), где графически показано, где должно находиться определенное количество выключателей, розеток, осветительных приборов. Принципиальную схему разрабатывает каждый электрик, которому доверили работы. Однако разводка электропроводки может быть реализована и собственными силами. Главное правильно рассчитать планируемую нагрузку, а кабели разделить на группы. Система должна включать счетчик учета расхода электроэнергии. Также потребуются приборы защиты, заземление, если в многоквартирном доме это запроектировано изначально.
Если рассматривать составные части, то для устройства электропроводки в квартире своими руками потребуется:
- Автоматические аппараты защиты. Они устанавливаются в электрощитовой. Цель – защитить электроприборы, здоровье жильцов и целостность имущества от последствий короткого замыкания и скачка напряжения.
- Провода. Они должны быть изолированными, отличаться по цвету и иметь достаточное сечение, чтобы выдерживать максимально допустимую нагрузку. Для этого придется сделать расчеты в зависимости от материала жилы (алюминий, медь).
- Розетки и выключатели. Современные электрические схемы квартиры предполагают наличие заземления, для чего предусмотрены специальные линии и разъемы. Если дом старый, контакты просто остаются незадействованными.
В отличие от квартир, где ввод уже предусмотрен застройщиком, частные дома накладывают одну специфическую особенность. Нужен центральный автомат и силовой кабель, который протягивают от линии электропередач и главному щитку со счетчиком. Это необходимо чтобы в экстренном порядке отключить подачу при помощи рубильника. Счетчик подсоединяется сразу после него.
Способ расчета электрической мощности
Для распределение по группам электропроводки при проектировки электрических сетевых схем в квартирах, загородных домах, коттеджах, дачах и прочих объектов небольшого размера, у которых напряжение не превосходит 15-25 единиц. Применяется элементарный и эффективный метод расчета при помощи таблиц MicrosoftExcel. В сводку следует внести такие сведения:
- название нагрузки;
- мощность напряжения;
- количество нагрузок;
- показатель мощности, которая используется;
- соотношение спроса;
- значение cos
Вмазывние(«приморозка”)электрокабелей
Смачиваем углубления для подразетников водой,подготавливаем подразетники для установки(выламываем перфорации для кабелей),разводим алебастр,по уровню выставляем подразетники «приморозив” их разведенным алебастром.Кабель также закрепляем алебастром через 30-50 см.После застывания алебастры(2-3 минуты) штробы и подразетники можно заделывать гипсовой штукатуркой.
Несколько дополнений в конце статьи
1.Соединение старых аллюминевых проводов с новыми медными делайте через соеденительные электроклемники.(вообще такое соединение нежелательно)
2.Концы многопроволочных жил обжимаются гильзой при помощи специальных клещей.Возможна скрутка многопроволочных жил с последующей пропайкой скрутки.
3.При установке подразетников под «фартук” из плитки на кухне,следите,чтобы подразетники торчали из стены на толщину плитки с раствором.(8-10 мм)
4.Перед укладкой электрокабелей,а также после их «приморозки” алебастрой замерейте сопротивление изоляции электрокабеля.Они должны совпадать и быть в пределах указаных в таблице ниже.
| УСТРОЙСТВА | Напряжение,вольт | Сопротивление,мОм |
| Электроизделия и аппараты на номинальное напряжение, В:- до 50- свыше 50 до 100- свыше 100 до 380- свыше 380 | 100250500-10001000-2500 | 0,5 |
| Распределительные устройства, щиты и токопроводы | 1000-2500 | 1,0 |
| Электропроводки, в том числе осветительные сети | 1000 | 0,5 |
| Вторичные цепи распределительных устройств, цепи питания приводов выключателей и разъединителей, цепи управления, защиты, автоматики, телемеханики и т. п. | 1000-2500 | 1,0 |
| Краны и лифты | 1000 | 0,5 |
| Стационарные электроплиты | 1000 | 1,0 |
| Шинки постоянного тока и шинки напряжения на щитах управления | 500-1000 | 10 |
| Цепи управления, защиты, автоматики, телемеханики, возбуждения машин постоянного тока на напряжение 500-1000 В, присоединенных к главным цепям | 500-1000 | 1,0 |
| Цепи, содержащие устройства с микроэлектронными элементами, рассчитанные на напряжение, В:- до 60- выше 60 | 100500 | 0,5 |
| Силовые кабельные линии | 2500 | 0,5 |
| Обмотки статора синхронных электродвигателей | 1000 | 1,0 |
| Вторичные обмотки измерительных трансформаторов | 1000 | 1,0 |
Измеряется сопротивление изоляции для квартирной электропроводки,Омметром с выходным Напряжением 500 Вольт,при температуре не ниже +5о.И как видно из таблицы не должно быть меньше 0,5МегоОмма.
Как штробить потолок и стены в бетонных и кирпичных стенах для скрытой электропроводки
Штробление -это изготовление борозд в стенах и потолке для прокладки электро кабелей, а также выдалбливание ниш под электрощиток и подрозетники. Штробы могут идти как угодно, но более профессионально и практично делать штробы под прямыми углами. Делается это для того, чтобы в последствии понимать, как проходят скрытые провода и кабели и случайно их не повредить случайно просверлив. Для штробления нужен перфоратор, мощностью от 800 Вт и мощная «болгарка» с алмазным диском или штроборез.
Заранее размеченные штробы прорезаются алмазным диском, размер штроб делается под количество закладываемых кабелей. Пропилы делаться по линии прокладки кабелей и короткие пропилы поперек. Все не нужное выдалбливаем перфоратором, с насадками в виде пики или лопатки.


Углубления для подразетников, в кирпичных и блочных стенах, вырезаем специальной коронкой. В бетонных стенах технология изготовления ниш для подразетников немного другая. Отметьте на стене размеры подразетников. По периметру просверлите буром диаметром 14 мм ряд отверстий на глубину чуть больше размеров подразетника. Все ненужное выдолбите перфоратором.
Современная электрическая разводка
Теперь, что касается современной схемы разводки электропроводки в квартире. Обратимся опять к правилам ПУЭ, в которых четко определено, что минимальное сечение вводного кабеля должно быть 2,5 мм², при этом учитывается, что этот кабель изготовлен из меди. Но, как показывает практика, даже этого сечения сегодня мало ввиду большого количества бытовых приборов в современных квартирах. Поэтому рекомендуется использовать медные провода площадью или 4, или 6 мм².
Группы потребителей
Как было сказано выше, основное требование современной схемы электропроводки – это распределение нагрузок в сети по группам потребителей. С освещением все просто, потому что современный подход к экономии электроэнергии создал условия, при которых нагрузка на освещение очень мала ввиду использования в квартирах энергосберегающих источников света.


А вот с розетками немного сложнее.
- Во-первых, сегодня в квартирах устанавливается большое количество розеток, так сказать, про запас. Это и понятно, потому что переносных электрических приборов в настоящее время используется много. И чтобы не было проблем с подключением всех, и устанавливаются розетки в каждой комнате от трех до шести, сдвоенные, строенные и так далее. Сюда же можно отнести переноски с большим количеством гнезд.
- Во-вторых, проводится группирование розеток. И таких групп в каждой комнате может быть несколько.
- В-третьих, для подключения их используется трехжильный кабель с сечением 2,5 мм², чаще всего марки ВВГнг 3х2,5.
- В-четвертых, соединение розеток производится не напрямую между собой, как это делалось раньше, а через распаячные (ответвительные) коробки.
- В-пятых, на каждую розеточную группу обязательно устанавливается один автомат номиналом 25 А.


Вернемся к освещению и автоматам для них. Как уже было сказано выше, современное освещение обладает минимальной мощностью потребления, поэтому не стоит использовать для его защиты автоматы большого номинала. Специалисты уверяют, что автомат в 10 А – достаточная защита. Если после подсчета нагрузки от освещения 10-амперного автомата будет недостаточно, то не стоит устанавливать автомат на 16 А. Оптимальный вариант – разбить электроразводку освещения на две группы.
Но и это еще не все. К примеру, однокомнатная квартира, где схема разводки проводов достаточно проста, к тому же она небольшая. Плюс использование экономичных ламп. Это дает возможность установить в распределительный щит именно на освещение автоматы номиналом три или шесть ампер. Для подключения же можно использовать трехжильный кабель сечением 1,5 мм², к примеру, ВВГнг 3х1,5.
Стационарные приемники
Говоря о стационарных электроприемниках, необходимо отметить, что их стационарность-то является относительной. То есть, никто не запрещает переносить их в другое помещение, для этого никаких разрешений не требуется. Кроме вышеупомянутой варочной плиты, к стационарным потребителям можно отнести стиральную и посудомоечную машину, кондиционер. И хотя все они включаются в обычную штепсельную розетку, требования к подключению у них более строгие и жесткие.
- Если подключение производится через розетку в однофазной сети, то необходимо установить розетку соответствующего номинала (большей величины). Если к трехфазной, то необходима соответствующая розетка.
- От распределительного щитка к каждому стационарному потребителю проводится свой шлейф, где используется кабель сечением не ниже 4 мм². Количество жил в кабеле может быть три при однофазном подключении, или четыре при трехфазном.
- В распределительном щите обязательно на каждого потребителя устанавливается свой автомат, точно подобранный по мощности и номинальному току прибора.


Способы разводки проводов и кабелей
Выбор способа распределения проводов в домашней электрической сети очень серьезное и ответственное мероприятие. От этого во многом зависит, как в дальнейшем будет функционировать все электрооборудование квартиры.
Наиболее популярным способом разводки проводов считается подключение всех составляющих электрической сети через распределительные коробки. Такая монтажная схема предусматривает электрический щиток, устанавливаемый вне квартиры на лестничной площадке. В нем устанавливается электросчетчик и автоматические выключатели. Далее, от щитка прокладывается кабель с определенным сечением, который заводится в квартиру. От него с помощью распределительных коробок провода разводятся в каждое помещение по заранее составленной схеме.


Другой способ предполагает соединение звездой. При таком подключении каждая точка – розетка или осветительный прибор – питаются от отдельной кабельной линии. Каждая линия включается непосредственно в щиток, в большинстве случаев, совместно с отдельным автоматическим выключателем. Данный тип разводки отличается значительным увеличением количества проводов и кабелей, а также трудозатрат по их обустройству. В конечном итоге проект становится дороже. Однако, если полностью учесть все положительные и отрицательные стороны, то можно сделать вывод, что такая система значительно надежнее обычной и позволяет контролировать каждый элемент в электрической цепи.
Более дешевым подключением считается система «шлейф». Она похожа на вариант «звезда» и отличается возможностью подключения к одному кабелю сразу нескольких потребителей. Такой способ применяется в соответствии с индивидуальными особенностями помещений и всей квартиры. В любом случае, каждый из этих способов редко используется в чистом виде. Как правило в схемах применяются комбинированные варианты, что позволяет получить максимально эффективную и безопасную разводку домашней электропроводки.
Проектирование схем электроснабжения
При необходимости допускается изменять последовательность присвоения порядковых номеров в зависимости от размещения элементов в изделии, направления прохождения сигналов или функциональной последовательности процесса. Однако я нашел несколько легких для использования обыкновенным человеком. Функциональные узлы или устройства в том числе выполненные на отдельной плате выделяют штриховыми линиями. Чтобы лучше использовать возможности программы и рационально использовать время hager разработал интерфейс между этой новой программой и программой для этикеток semiolog.


Готовим исходные данные
Составить такую схему, это полдела.
Для расчета нам нужно знать:
- где и какие приборы будем устанавливать;
- потребляемую мощность, с учетом запаса на появление новой техники;
- тип проводки, открытая или закрытая.
С этим вопросом лучше всего справится, конечно, хозяин, а не проектировщик. Последний часто даже не тратит времени на натурные замеры или изучение чертежей дома.
Они делают всего лишь три шага:
- умножают площадь квартиры на два и получившуюся цифру берут за метраж;
- для обычных комнат принимают сечение провода 2,5 или 3 мм2, чего хватает с запасом для большинства случаев;
- для мощных потребителей (электроплиты) планируют сечение в 6 мм.
Расчет сечения проводов электропроводки
Расчет сечения проводов производится следующим образом.
- Разделите всю электропроводку в квартире на отдельные группы. Лучше розетки каждой комнаты выделить в отдельную группу. К группам розеток добавить группу освещения и отдельные линии электропитания для мощных бытовых приборов: стиральной машины, электроплиты, посудомоечной машины, бойлера и т.п.;
- Определитесь, какие бытовые приборы будут включены в линию каждой розеточной группы;
- Сложите потребляемую мощность бытовых приборов каждой группы, согласно их технического паспорта. Получится общая потребляемая мощность группы, в Киловаттах;
- Один Киловатт потребляемой мощности соответствует 5 Амперам величины рабочего тока при 220 вольтовом электропитании;
- Далее по таблице ниже можно рассчитать сечение проводов, которые нужно прокладывать для электропитания данной Группы.
Например:
- Варочная панель максимальной мощности 4 Киловатта.
- Рабочий ток 4 × 5 ампер=20 Ампер.
- Из таблице видим, что нужен медный электрический кабель сечением: 2,5 кв. мм.
| Проложенные открыто | ||||||
| S | Медные жилы | Алюминиевые жилы | ||||
| мм2 | Ток | Мощн.кВт | Ток | Мощн.кВт | ||
| А | 220 В | 380 В | А | 220 В | 380 В | |
| 0,5 | 11 | 2,4 | ||||
| 0,75 | 15 | 3,3 | ||||
| 1 | 17 | 3,7 | 6,4 | |||
| 1,5 | 23 | 5 | 8,7 | |||
| 2 | 26 | 5,7 | 9,8 | 21 | 4,6 | 7,9 |
| 2,5 | 30 | 6,6 | 11 | 24 | 5,2 | 9,1 |
| 4 | 41 | 9 | 15 | 32 | 7 | 12 |
| 5 | 50 | 11 | 19 | 39 | 8,5 | 14 |
| 10 | 80 | 17 | 30 | 60 | 13 | 22 |
| 16 | 100 | 22 | 38 | 75 | 16 | 28 |
| 25 | 140 | 30 | 53 | 105 | 23 | 39 |
| 35 | 170 | 37 | 64 | 130 | 28 | 49 |
| Проложенные в трубе | ||||||
| S | Медные жилы | Алюминиевые жилы | ||||
| мм2 | Ток | Мощн.кВт | Ток | Мощн.кВт | ||
| А | 220 В | 380 В | А | 220 В | 380 В | |
| 0,5 | ||||||
| 0,75 | ||||||
| 1 | 14 | 3 | 5,3 | |||
| 1,5 | 15 | 3,3 | 5,7 | |||
| 2 | 19 | 4,1 | 7,2 | 14 | 3 | 5,3 |
| 2,5 | 21 | 4,6 | 7,9 | 16 | 3,5 | 6 |
| 4 | 27 | 5,9 | 10 | 21 | 4,6 | 7,9 |
| 5 | 34 | 7,4 | 12 | 26 | 5,7 | 9,8 |
| 10 | 50 | 11 | 19 | 38 | 8,3 | 14 |
| 16 | 80 | 17 | 30 | 55 | 12 | 20 |
| 25 | 100 | 22 | 38 | 65 | 14 | 24 |
| 35 | 135 | 29 | 51 | 75 | 16 | 28 |
Такой расчет нужно провести для каждой группы электропроводки.
Этот расчет не является абсолютно правильным, но для средней квартиры при отсутствии асинхронных двигателей, то есть для любой нормальной квартиры такой расчет достаточно точный и он позволит не только рассчитать сечения проводов для электропроводки, но и даст номинальные значения токов отсечки автоматов защиты для каждой группы или проще, с какими номиналами нужно покупать автоматы защиты.
Выбор марки провода
Наиболее технологичными и часто используемыми являются кабели следующих марок:
- NYM(НЮМ),
- ВВГ,
- ПВС.
1.КАБЕЛЬ NYM(НЮМ)
Кабель НЮМ — медный однопроволочный кабель, с тройной изоляцией. Недостатки: толстый, очень жесткий, не рекомендован на воздухе и в бетоне.
2.КАБЕЛЬ ВВГ
Кабель ВВГ — кабель с одножильными медными жилами. Допустима укладка где угодно в том числе бетон, улица.
3.КАБЕЛЬ ПВС
Кабель ПВС — многожильный кабель. Достоинства этого типа кабеля : Гибкость и он не горит.
Любой из кабелей 1-2, подходит для внутренней электропроводки в квартире, но имеют разную цену. Выбор за Вами!
Групповые цепи квартиры
В квартирах рекомендовано разделять цепи электропроводки на (минимум) три группы: группа штепсельных розеток комнат, группу света, и группу розеток кухни с коридором.
Если в ванной комнате есть розетки в третьей зоне необходимо предусмотреть установку УЗО с током отсечки 30 мА.
Для квартир с электроплитами, предусматривается отдельная группа электропитания для плиты (п.14.12 СП31.110.2003).
В нормативах, указано, что в отдельных случаях, можно снизить количество групп квартиры до 2-х и сделать смешанное электропитания освещения и розеток, разделив квартиру на жилые комнаты и кухню с коридором.


Разделение электропроводки на группы по типу «Звезда»
Всю планируемую электропроводку в квартире разбиваем на группы (линии) способом «Звезда». Например, трехкомнатная квартира. Способ разделение электропроводки на группы «Звезда» или «Евростандарт». Это подводка к каждой силовой группе потребителей отдельного питающего кабеля от квартирного электрощика.


Разделение электропроводки на группы делаем следующим образом ( опять таки, для примера)
- Группа 1: розетки кухни 1,розетки кухни 2,
- Группа 2: розетки 1-ой комнаты;
- Группа 3: розетки 2-ой комнаты;
- Группа 3 а: розетки з-ей комнаты;
- Группа 4: питание ванной комнаты и санузла;
- Группа 5: освещение;
Отдельные группы:
- Группа 6: кондиционеры;
- Группа 7: водонагреватель;
- Группа 8: стиральная машина;
- Группа 9: посудомойка.
- Группа 10: плита
Выбор защитной автоматики
Советую покупать для монтажа автоматы защиты трех производителей: LEGRAND, ABB и ДЕКraft.
Автомат DEK Kraft


Автомат Legrand
Автомат ABB
Все автоматы монтируются по системе DIN (монтируются на DIN-рейку, простым защелкиванием) имеют предохранитель (выключатель ток нагрузки) от 10 до 63 Ампер. Есть и большие номиналы, но в квартире они не нужны. Различаются автоматы защиты временем отключения от нагрузки и покрытием зажимных контактов.
крепление автоматов на DIN рейку
- У автоматики ABB все зажимы медные, что само по себе отлично, время отключения минимально.
- У автоматики LEGRAND все зажимы обмедненные, что тоже не плохо, время отключения минимально.
- У автоматики ДЕКraft все зажимы металлические, время отключения на несколько миллисекунд больше чем у ABB И LEGRAND.
К выбору автоматики для защиты линий нужно относиться с особой тщательностью.От этого зависит безопасность вашего дома. Поэтому советую покупать автоматы защиты в специализированных магазинах. (О монтаже Электрощика читайте статье ТУТ и ТУТ)
Основные правила монтажа проводки и установки розеток и выключателей в жилом помещении
Каждый из нас рано или поздно сталкивается с вопросом ремонта квартиры либо дома. Как правильно развести проводку в своем любимом жилище? К этому вопросу стоит подойти с огромной ответственностью, так как от этого зависит комфорт и безопасность нашей семьи.
Какие материалы лучше приобрести для электропроводки? Конечно же экономить на собственной безопасности не стоит и лучше купить провода и кабеля, а также системы прокладки кабеля хорошего качества и проверенного временем и потребителями производителя. Для проводки рекомендуем купить кабель и провод завода ЗЗЦМ либо кабель и провод завода Одескабель — продукция данных производителей уже много лет является высококачественной и соответствует всем стандартам производства (ГОСТ). Что же касается выбора систем прокладки кабеля, то тут выбор очень велик: представлены на рынке Украины множество производителей от Китая до всеми любимой Германиии и ценовой диапазон этих товаров также разный, поэтому стоит выбирать согласно своих экономических возможностей и желаемого качества продукции. Стоит отметить высокое качество продукции Schneider Electric и OBO Bettermann — купить системы прокладки кабеля можно тут.
Как правильно развести электро проводку в доме и с чего начать?
Определяем каким способом будет проводится монтаж линий.
Существует два способа монтажа: открытого типа и скрытого типа. В чем разница? При открытом монтаже все провода разводятся поверх уже готовых стен в специальных коробах и в них же монтируются розетки и выключатели. Выглядит это так:


Среди преимуществ данного вида монтажа стоит отметить:
- легкий доступ при ремонте, намного проще монтаж
- достаточно просто найти место повреждения проводки
- простота в добавлении новых точек
Но есть и весомые недостатки проводки открытого типа:
- внешний вид не очень красив и с точки зрения дизайна не всегда уместен
- данная проводка имеет меньший срок эксплуатации и больше подвержена механическим повреждениям
Намного большей популярностью пользуется проводка скрытого типа — все кабели и провода, коробки укладываются в штробы (каналы в стене) внутри стен и в специальных каналах под подвесными потолками.
Внешний вид срытой проводки:


С этим видом проводки ремонт повреждений достаточно трудоемкий и сложный, но вот долговечность и красивый внешний вид обеспечены, поэтому в 90% жилых помещений используют данный вид проводки.
Соз даем схему проводки нашего помещения:
Для начала обязательно решим, где будут находится в нашем помещении следующие объекты:
- место ввода трассы
- распределительный щит, в котором будут установлены УЗО и автоматические выключатели
- розетки, выключатели, распределительные коробки
- где будет мощная бытовая техника
- потолочные светильники
- а также не забудем про розетки для телевизора, кондиционера и прочей техники, которая расположена на нестандартной высоте
После ознакомимся с основными правилами создания проводки и размещения розеток и выключателей
Основный правила проводки электропроводки в квартире, доме:
- Провода укладываются строго по вертикали и горизонтали.
- Угол поворота должен быть прямой — 90 градусов
- Удаленность от дверных и оконных проемов не менее 10 см
- Удаленность от отопительных труб не менее 15 см, а лучше 20 см
- Удаленность от газовых труб минимум 40 см
- Удаленность от потолка минимум 15 см, а если планируются подвесные потолки или натяжные, то лучше 30-40 см, чтобы оставить доступ к проводке
- В ванной комнате удаленность от водопроводных труб не менее 50-60 см


Почему так важно соблюдать правила проводки? Бывает в целях экономии проводку делают «произвольным методом» и тогда, по окончанию работ вообще не понятно где же проходит кабель. И если нам необходимо вцепить полку, картину или просто рамку для фото, то возникает вопрос — не повредим ли мы кабель, когда будем это делать? А вот когда все правила разведения проводки соблюдены, то мы можем смело приступать к данным работам.
Программы для оформления исполнительной документации
В настоящее время чтобы оформить разработанную однолинейную схему в соответствии с требованиями ГОСТ, достаточно просто только наличия персонального компьютера и специального программного обеспечения, позволяющего выполнить эту работу. Существует несколько видов компьютерных программ, предназначенных для этих целей:
- «Компас-Электрик» – бесплатная программа, достаточно проста в использовании, пользуется популярностью среди инженерно-технических работников, трудящихся в службах главного энергетика предприятий различного профиля.
- «Microsoft Visio» – бесплатная программа, которой, как правило, пользуются люди при составлении схемы электроснабжения частного дома или квартиры в разовом случае.
- «1-2-3 схема» − бесплатная программа, популярная среди студентов и начинающих специалистов в этой области техники.
- «Eagle» − программа реализуется в бесплатном и платном пакетах, различающихся по своим техническим возможностям.
- «DipTrace» − программа используется для составления электрических схем и рисования печатных плат, используемых при изготовлении электронных устройств.
- «AutoCAD Electrician» − одна из наиболее известных и распространённых программ, используемых как профессиональными проектировщиками, так и простыми пользователями, имеющими достаточный опыт работы на компьютерной технике.


Работа по составлению однолинейной схемы распределительного щита в программе «AutoCAD Electrician»
Комбинированная силовая розетка для электроплиты прима
Редкая современная кухня обходится без встраиваемой варочной панели и духового шкафа (духовки). Такое разделение техники даёт массу преимуществ, позволяет оптимизировать эргономику кухни, выбирать оборудование различных производителей, улучшить внешний вид всего кухонного гарнитура и многое другое.
Основным затруднением при монтаже духовки и варочной панели, является различие в способах подключения этих устройств. Духовой шкаф, чаще всего оборудован обычной евро-вилкой Schuko и подключается в стандартную, знакомую всем розетку, а вот варочная панель является особо энергоёмким устройством, нередко потребляет 6-8кВТ мощности, поэтому подключается специальной вилкой в соответствующую силовую розетку, которая рассчитана на больший ток.
Не так давно мы рассказывали о выборе кабеля и его сечения для варочной панели (обязательно прочтите этот материал ЗДЕСЬ). При правильно выполненной электропроводке, варочная панель и духовка обычно подключаются имеенно к вывод для электроплиты. Но как это сделать, если у этих устройств различные вилки, более того, чаще всего варочная панель вообще не комплектуется электрическим шнуром для подключения, либо провод не имеет вилки и расчитан на подключения через клеммы.
Как в такой ситуации обычно поступают монтажники, они отрезают вилку от духовки и подключают эти провода вместе с духовкой через клеммники к электрическому выводу выходящему из стены. Огромный минус этого способа в том, что вы теряете гарантию на духовой шкаф из-за поврежденной вилки.
Второй вариант, это установка отдельной розетки под духовку, а варочная подключается на клеммы. Минус этого способа в том, что необходимо заранее, на этапе монтажа электропроводки все продумать и развести силовой провод на розетку для духовки и вывод для варочной.
Теперь же есть третий вариант, который решает все эти проблемы и позволяет правильно подключить раздельную встраиваемую варочную панель и духовку, без какой-то дополнительной подготовки, даже на кухне у которой силовой вывод специально не переделывался – это использование комбинированной розетки. Подробный пример подключения варочной к сети через такой разъем описан ЗДЕСЬ.
В данном случае это комбинированная розетка Schneider Electric серии Прима (Артикул RA32-211R-B), в которой совмещены силовой разъем для плиты или варочной панели и стандартная «евро» розетка для духовки.
Эта розетка накладная, установив её и подключив к питающему кабелю для электрической плиты вы сможете подключить к ней сразу и духовку, и варочную поверхность. Далее я покажу как она устанавливается
УСТАНОВКА КОМБИНИРОВАННОЙ РОЗЕТКИ ДЛЯ ДУХОВКИ И ВАРОЧНОЙ ПАНЕЛИ
Комплект поставки комбинированной розетки Прима включает , сам механизм розетки, суппорт – крепежную площадку и болт.
В первую очередь необходимо закрепить суппорт на стене , рядом с питающим кабелем для плиты, как показано на изображении ниже.
Довольно часто стена, где расположен электрический вывод для плиты на кухне, бетонная или кирпичная, поэтому сперва прикладываем суппорт к месту монтажа и отмечаем крепежные отверстия.
После чего, с помощью перфоратора, в отмеченных местах, делаем отверстия под крепеж , обычно для этого используется бур диаметром 6мм.
Крепим дюбель-гвоздями суппорт на стене . Так же можно использовать любой другой подходящий крепеж, например, дюбели (пробки) и саморезы. Если же материал стен мягкий, например дерево или пеноблок, отверстия делать не обязательно, можно зафиксировать суппорт сразу саморезами.
Разбираем механизм розетки . Для этого необходимо открутить болт на лицевой стороне (см. изображение ниже)
Как видите, внутри находятся два отдельных, не связанных между собой механизма, один это «евро» розетка 16А, а другой силовая розетка для варочной панели или плиты 32А. Подключением их мы займемся чуть позже, сейчас же необходимо закрепить механизм розетки в суппорте , на стене.
Для этого у суппорта есть специальное «ушко», а у платформы, где установлены розетки, выступ, который заходит в это «ушко».
Затем необходимо затянуть болты , что расположены в местах крепления розеток к платформе. Эти болты проходят насквозь механизма и вкручиваются в суппорт, где для них специально выполнены посадочные отверстия с резьбой, тем самым надежно связывая между собой суппорт с механизмами.
Прежде чем переходить непосредственно к подключению, обязательно убедитесь в отсутствии напряжения на вводном питающем кабеле. Отключить подачу тока можно в электрическом щите, чаще всего достаточно просто найти соответствующий автомат, он обычно самого большого наминала, чаще всего на 32А-40А.
Для вашего удобства, ниже мы подготовили схему, в которой наглядно показан порядок подключения проводов.
Схема подключения проводов к комбинированной розетке
Теперь переходим к подготовке питающего кабеля , необходимо снять с него изоляцию и зачистить жилы. Затем подключаем его к силовой розетке , при этом фаза и ноль подсоединяются прямо к механизму, а для заземления есть отдельная клемма, расположенная между «евро» розеткой и силовой.
Далее необходимо соединить механизмы розеток между собой согласно схеме, для этого используем небольшие куски проводов сечением 2,5 мм.кв. Должно получится примерно так:
Составление электропроекта розеток
На чистом плане квартиры нанесите все планируемые розетки. Пока не соединяем их линиями, а просто наносим (схематично) планируемые розетки.
Дальше розетки нужно разбить на групповые цепи (группы). Можно рассчитать электропроводку и разбить ее на группы теоретически. Но можно воспользоваться практическими правилами разделения электропроводки на группы.
Практическое разделение электропроводки на группы
- Суммарная мощность одной группы розеток не должна превышать 4300 Вт. Такая суммарная мощность позволит запитать группу, кабелем 3×2,5мм2(медным). Защитить электропроводку каждой такой группы, должен автомат защиты 25Ампер или предохранителем 20Ампер.
- Для электроплиты запланируйте отдельную линию электропитания, 3×6мм2 (с мощностью плиты до 7300Вт), защитить линию для плиты нужно автоматом защиты 40Ампер или предохранителем 32 Ампера. Если плита имеет меньшую мощность, то достаточно кабеля 3×4 мм2.
- Учитывая все изложенные правила, розетки, нанесенные на план, соединяются в группы. На плане пишутся записи об автоматах защиты, например, группа1 – 25 Ампер- кабель 3×2,5 мм2, марка ВВГнг.
Если количество розеток в квартире небольшое, и розетки разных комнат попадают в одну группу, то между комнатами нужно запланировать установку распределительной коробки. Это меняет лишь тип разводки, но не меняет принципа составления электропроекта.
Выбор кабеля электрического
Для новой электропроводки в квартире нужно покупать кабель в двойной изоляции и имеющий три проводящие медные жилы. Сами жилы лучше выбрать одно проволочные. При использовании кабеля с многопроволочными жилами, соединять их придется методом обжима (опрессовки) гильзами специальным инструментом.


Телефонный кабель


Кабель многожильный


Кабель одножильный трехпроводный
Принципы проектирования однолинейной схемы электроснабжения
При разработке и оформлении исполнительной документации необходимо выполнять требования к подобным документам, отражённым в нормативной литературе, а также ПТЭЭП и ПУЭ («Правила устройства электроустановок»).
Что должна включать однолинейная схема электроснабжения
На однолинейных схемах электроснабжения должна быть отражена следующая информация, а именно:


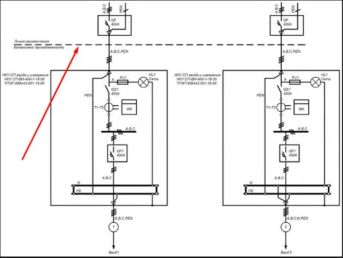
Отображение зоны балансовой принадлежности на схеме электроснабжения объекта
- приборы учёта электрической энергии с указанием коэффициента трансформации трансформаторов тока при использовании счётчиков, работающих на вторичном токе в 5 Ампер;
- информация обо всех имеющихся на объекте распределительных шкафах как силового оборудования, так и системы освещения;
- длины магистральных электрических линий с указанием марки кабелей, проводов и способов их прокладки;
- технические параметры и состояние в рабочем положении всех устройств автоматического отключения, к которым относятся автоматические выключатели, УЗО и предохранители;
- данные обо всех электрических нагрузках, подключаемых к отображаемому на схеме оборудованию, с указанием их мощности, тока и cos ϕ.


Вариант выполнения расчётной однолинейной схемы электроснабжения административного здания
Этапы проектирования
Наличие однолинейной схемы электроснабжения является обязательным условием для получения разрешения на подключение объекта строительства к сетям электроснабжающей организации, поэтому прежде, чем приступать к её разработке, необходимо запросить технические условия.
В связи с этим все работы по проектированию схемы электроснабжения можно разбить на несколько этапов:
- Запрос и получение технических условий;
- Разработка однолинейной схемы электроснабжения на основании полученных документов;
- Согласование разработанной документации в организации, выдавшей технические условия.


Вариант оформления технических условий на электроснабжение
Правила оформления, требования ГОСТов
При оформлении однолинейной схемы электроснабжения необходимо соблюдать требования ГОСТов, регламентирующих этот процесс, а именно:
- ГОСТ 2.709-89 «Единая система конструкторской документации (ЕСКД). Обозначения условные проводов и контактных соединений электрических элементов, оборудования и участков цепей в электрических схемах»;
- ГОСТ 2.755-87 «Единая система конструкторской документации (ЕСКД). Обозначения условные графические в электрических схемах. Устройства коммутационные и контактные соединения»;
- ГОСТ 2.721-74 «Единая система конструкторской документации (ЕСКД). Обозначения условные графические в схемах. Обозначения общего применения (с Изменениями №№ 1, 2, 3, 4)»;
- ГОСТ 2.710-81 «Единая система конструкторской документации (ЕСКД). Обозначения буквенно-цифровые в электрических схемах (с Изменением № 1)».
Вариант оформления однолинейной схемы электроснабжения в соответствии с данными ГОСТами приведён наследующем рисунке.


Расчётная однолинейная схема электроснабжения жилого дома
Условные обозначения, используемые при составлении однолинейных схем
Все элементы системы электроснабжения отображаются на схеме в виде графических изображений, которые регламентированы нормативной литературой, указанной в предыдущем разделе статьи. Электрические коробки и шкафы различного назначения изображаются следующим образом.


Электроустановочные изделия (розетки и выключатели), в зависимости от конструкции и типа исполнения, отображаются вот так


Приборы электрического освещения изображаются следующим образом


Силовые трансформаторы и трансформаторы тока изображаются так


Электроизмерительные приборы имеют следующий вид на схемах электроснабжения, в соответствии с ГОСТ
Пересечение электрических линий и места соединения электропроводки, а также заземление выглядят следующим образом
Коммутационные устройства (автоматические выключатели и пускатели, короткозамыкатели и отделители, а также прочие аппараты) изображаются так


Для того чтобы узнать, как правильно оформить исполнительную документацию, необходимо изучить все требования ГОСТов или воспользоваться специальной компьютерной программой, которая учтёт все эти требования в автоматическом режиме при её использовании
Отличительные черты современной электропроводки
Современные бытовые технологии в конце 20 века сделали ощутимый рывок. В домах кроме телевизоров появились компьютеры, системы охраны и видеонаблюдения, мощная бытовая техника, беспроводная связь. В связи с этим разводка электрических кабелей стала намного сложнее, хотя принципы устройства не изменились.
Сложности начинаются с самого первого этапа – проектирования. Чтобы грамотно составить схему проводки в квартире, необходимо заранее знать приблизительную мощность бытовых электроприборов, места их расположения. Одновременно с этим нужно продумать систему освещения во всех помещениях.
Кроме большого количества новых приборов появилось еще одно отличие: наряду с силовой сетью обязательно присутствует слаботочная система, традиционно включающая в себя телефонные и телевизионные провода, а также компьютерное, охранное, акустическое оборудование и домофон.
Эти две системы (силовую и слаботочную) разделять нельзя, так как все приборы питаются от источников электросети 220 В.
Изменилось количество эксплуатируемых одновременно приборов и кабелей. Если раньше хватало установки в зале одной люстры, то сейчас многие используют осветительную систему, включающую, кроме люстры, точечные светильники и подсветку.
К увеличению количества техники нужно прибавить увеличение мощности – по этой причине старые кабеля уже не подходят, а размеры электрораспределительного щита заметно выросли.
Зачем нужен план внутренней электропроводки
Детальный план или схема электропроводки — это полный чертеж, на котором изображены все элементы системы внутреннего электроснабжения жилого или другого объекта: разводка проводов или кабелей, распределительные коробки, защитные устройства, приборы контроля, выключатели, розетки и если необходимо контур заземления. Для каждого объекта, будь то квартира, дача или частный дом, разрабатывается собственный план, если он построен не по типовому проекту. Но в любом случае схема электропроводки необходима. Ее наличие дает следующие преимущества при выполнении монтажных работ.
- Имея в своем распоряжении подробный план электрической разводки, можно заблаговременно составить список необходимых для выполнения работ по монтажу электросети комплектующих, оборудования и материалов. Это позволит без спешки подобрать и закупить продукцию по оптимальным ценам, что в итоге приведет к существенной экономии.
- Детальный план позволит реализовать оптимальное распределение мощностей сети. Чертеж наглядно покажет, где находятся узлы с наибольшей мощностью потребления электроэнергии, что позволит спланировать разводку так, чтобы исключить возможность перегрева проводов из-за излишней нагрузки. Такой подход обеспечит высокую пожарную безопасность сети в целом.
К тому же наличие предварительно разработанной схемы позволит четко спланировать монтажные работы и разбить их на этапы, что не даст забыть смонтировать тот или иной элемент системы.
Соединение между собой элементов цепи
Правильное составление схемы электропроводки в квартире во многом зависит от основных знаний электротехники. Без определенного минимума, не рекомендуется заниматься этой достаточно сложной работой. Наиболее оптимальным вариантом считается составление монтажной схемы электриком-профессионалом. Помимо составления детального плана, электрик может по ходу дела устранить выявленные неисправности или заменить изношенную электропроводку.


Перед тем как проектировать и составлять схему электрических сетей для квартиры, необходимо выяснить, какие способы соединений применяются. Все элементы могут соединяться между собой различными способами:
- Последовательное соединение. В этой схеме каждый элемент следует за предыдущим, здесь нет стыков в виде отдельных узлов. В качестве примера можно привести елочную гирлянду, где на одном проводе последовательно расположены все осветительные устройства. Однако, если в цепи поврежден хотя-бы один элемент, то все остальные лампочки также перестанут работать. Эту особенность нужно обязательно учитывать при составлении схемы.
- Параллельное подключение. В данном случае элементы не соединяются между собой, а группируются в отдельные узлы. При выходе из строя любого из потребителей, электрическая цепь будет и дальше функционировать, обеспечивая током другие элементы системы.
- Смешанный способ подключения. На одном и том же участке цепи одновременно используется параллельное и последовательное соединение.
Правила разбивки
Правильным разделением электропроводки в доме и квартире на сегодняшний день является проведение для каждой комнаты отдельной линии для розеток, отдельной для освещения.
К тому же отдельной линией проводят кабель к мощным потребителям. Чтобы наглядно разобраться и понять, что такое разделение электрики на группы, рассмотрим графические изображения. Представлена электрическая план-схема:
В данной схеме трехфазный ввод в дом распределен по группам электропотребителей. В качестве вводного кабеля, от счетчика, используется ВВГнг 5*10, пять жил сечением 10 квадратных мм. Для защиты ввода в щит установлен автоматический выключатель ВА 40 А.
Первая группа (подключена от фазы L1) — это освещение, устанавливается автомат 10 А, провод на на них ВВГнг 3*1.5 мм. Вторая — это потребители санузла и ванной, установлено устройство защитного отключения, УЗО 10А-10mA. Вообще можно до 30 мА, но не более (глава 7.1. ПУЭ п. 7.1.82). Связанно это с высокой влажностью и большой вероятностью электротравматизма при эксплуатации электроприборов. В качестве силового провода задействован ВВГнг 3*2.5 мм, который также запитан от первой фазы L1. Третья — розетки комнат. Для их защиты установлен автомат на 16 А, а питание подходит с фазы L2. Делается это для равномерной нагрузки на трехфазную сеть. Провод для третьей ветки электропроводки также берут ВВГнг 3*2.5 мм. Розетки для четвертой группы (кухня и коридор) запитаны от фазы L3. Автоматический выключатель на 16 А защищает провод ВВГнг 3*2.5 мм. Пятая ветка — питание электроплиты, задействованы три фазы, ноль и заземление. Для подключения используют провод ВВГнг 5*6 мм (согласно СП 256.1325800.2016 п.10.2), для защиты установлено УЗО 32 А — 30 mA.
Данная схема разделения проводки на группы приведена в качестве примера, для помощи домашним мастерам разобраться и на примере помочь научится читать схемы, а также составлять их, исходя из собственных наработок. В качестве недорогого и простого решения разбивки электропроводки для хрущевки, можно использовать схему приведенную ниже, с распределенной нагрузкой на потребителей.
Также добавлено визуальное изображение, план-схема проводки на плане квартиры. При вновь проложенной электропроводке необходимо составлять подобную схему распределения, для того чтобы в дальнейшем облегчить поиск неисправности или же модернизацию проводки, добавление точек потребителей.
Также рекомендуем вам ознакомиться со схемой электропроводки в двухкомнатной квартире!
Чтобы закрепить прочитанный материал, предлагаем вам ознакомиться с видео уроками, на которых доходчиво и наглядно демонстрируется, как разделить проводку в квартире или доме на линии:
Вот собственно и все, что мы хотели рассказать вам о правильном разделении электропроводки на группы. Надеемся, предоставленные примеры помогли вам понять, зачем нужна разбивка электрики и как ее правильно осуществить!
Будет интересно прочитать:
- Распределение нагрузки по фазам
- Неотключаемые линии в щитке
- Как собрать распределительный щит своими руками
- Как выполнить разделение PEN проводника
- Ошибки при монтаже электропроводки
Разделение электропроводки на группы способом шлейфования
Объединяются в группу розетки находящиеся по разные стороны одной стены,но в разных комнатах.


Исходя из выбранной разводки проводов производим расчет необходимого количества материалов. Например:
- Розетки-100 метров: ВВГ 3×2,5 мм2. Учитывая разделение электропроводки на группы нужно добавить еще 100-150 метров;
- Электроплита-16-20 метров:3×4 мм2;
- Для 9 групп покупаем автоматику защиты: На свет-16 А;на плиту-32 А; на группы для розеток-25 А на каждую; на отдельные группы-16 А на каждую.
Примечание: Обозначение 3×2,5 ,это значит кабель с тремя жилами, сечением каждой жилы 2,5 мм 2.
- Вводной автомат: двухполюсной 50 Ампер,общее УЗО (устройство защитного отключения) 63 Ампера (ток защиты на шаг выше чем у вводного автомата) и ток утечки при котором он отключается: 30 mA.
Примечание: На каждую группу можно поставить свои УЗО. Это более дорогой вариант,но более надежный. УЗО также выбирается на шаг большей маркировки,ток утечки 30 mA,для ванной ток утечки должен быть-10mA.(Не ошибайтесь при подключении УЗО)
Для чего это нужно?
Во-первых для удобства обслуживания. Во-вторых для безопасности эксплуатации электропроводки. Если в какой-либо группе произошел сбой, она отключается, не воздействуя на остальные. К примеру, при грамотном разделении электросети замкнувший ТЭН калорифера не обесточит весь дом и не придется в темноте на ощупь устранять причину аварии, бродить по квартире или дому к щитовой.
В былые времена при проектировании жилья, требования к проводке отличались от сегодняшних, и многие обычные сейчас для нас электроприборы отсутствовали в обиходе. Поэтому считалось нормальным и экономически целесообразным объединять в одну группу розетки и освещение.
Tags: , автомат, ампер, бить, бойлер, бра, вид, водонагреватель, выбор, выключатель, дом, , зажим, заземление, знак, кабель, как, компьютер, контур, , монтаж, мощность, нагрузка, напряжение, номинал, обжим, освещение, перенос, подключение, правило, принцип, провод, проект, прокладка, пуск, , работа, расчет, ремонт, розетка, рубильник, ряд, свет, сеть, система, скрутка, соединение, сопротивление, схема, тен, тип, ток, трансформатор, трехфазный, , фаза, щит, электроснабжение, электрощит
Слаботочная электропроводка
Для слаботочной проводки понадобиться:
- Телевизионный провод RG-6-40 метров.
- Телефонный кабель (4-х жильный, однопроволочный)-30-40 метров;
- Для компьютера нужен кабель витая пара.
Также понадобятся
- Пластиковые подразетники -по количеству розеток и выключателей;
- Гофрированная труба-для прокладки электропроводки в стяжке или под гипсокартоном);
- Распаячные коробки-6 штук.
- Изолента-5шт.
- Алебастр-15 кг.
Расчет автоматов и устройств защиты
Итак, мы рассчитали сечение необходимого кабеля, заодно рассчитав максимальную силу тока в цепи. По значению силы тока мы можем подобрать автомат защиты этой цепи. Автомат защиты это электротехническое устройство, обеспечивающее автоматическое отключение электропитания цепи за безопасно короткое время при возникновении аварийных ситуаций короткого замыкания и перегрузки.
При подборе номинала автомата защиты нам понадобится округлённое в большую сторону значение силы тока нашей цепи и знание шага номиналов имеющихся в продаже. В продаже вы найдете автоматы защиты с номиналов по току 6, 10, 16, 25, 32, 64 Ампера.
Чтобы выбрать устройство защиты нужно вспомнить, что это такое. Устройство защиты или УЗО, это электротехническое устройство, обеспечивающее автоматическое отключение электропитания цепи при возникновении потенциальных угроз человеку быть пораженным электротоком.
Например, в ванной идет утечка тока от питающего кабеля на металлический корпус машины. Сила этого тока недостаточна, чтобы сработал автомат защиты. Вместе с тем во влажной среде этот ток может быть опасен для человека. УЗО определяет такие токи, которые называются дифференциальными, и отключает электропитание цепи.
При выборе УЗО нужно учесть, что:
- УЗО ставится в цепь со стороны подачи электропитания вместе с автоматом защиты.
- Устройство ставится в цепь после автомата защиты этой электрической группы.
- Номинал УЗО по току должен быть на шаг меньше номинала автомата защиты, установленного вместе с УЗО.
Данные правила относятся к УЗО отдельной группы, но не относятся к выбору УЗО используемого для защиты нескольких групп электропроводки. Чтобы упростить задачу расчёта номиналов автоматов защиты квартирной электропроводки, есть рекомендуемый вариант, который сработает для любой средней квартиры. В этой визуальной таблице вы видите, как нужно разбить электропроводку квартиры на группы и какой подобрать номинал автомата защиты для каждой группы.
























