Направление вращения вала электродвигателя иногда требуется изменить. Для этого необходима реверсивная схема подключения. Ее вид зависит от того, какой у вас мотор: постоянного или переменного тока, 220В или 380В. И совсем по-другому устроен реверс трехфазного двигателя, включенного в однофазную сеть.
Реверс трехфазных асинхронных машин
Направление движения вращающегося магнитного поля асинхронных электродвигателей зависит от порядка подачи фаз, независимо от того как соединены его статорные обмотки – звездой или треугольником. Например, если фазы A, B, C подать на входные клеммы 1, 2 и 3 соответственно, то вращение пойдет (предположим) по часовой стрелке, а если на клеммы 2, 1, и 3, то против нее. Схема подключения через магнитный пускатель избавит вас от необходимости откручивать гайки в клеммной коробке и производить физическую перестановку проводов.
Трехфазные асинхронные машины на 380 вольт принято подключать магнитным пускателем, в котором три контакта находятся на одной раме и замыкаются одновременно, подчиняясь действию так называемой втягивающей катушки – магнитного соленоида, работающего как от 380, так и от 220 вольт. Это избавляет оператора от близкого контакта с токоведущими частями, что при токах свыше 20 ампер может быть небезопасно.
Для реверсивного пуска используется пара пускателей. Клеммы питающего напряжения на входе соединяются по прямой схеме: 1–1, 2–2, 3–3. А на выходе встречно: 4–5, 5–4, 6–6. Чтобы избежать короткого замыкания при случайном одновременном нажатии двух кнопок «Пуск» на пульте управления, напряжение на втягивающие катушки подается через дополнительные контакты противоположных пускателей. Так, чтобы при замкнутой основной группе контактов линия, которая идет на соленоид соседнего прибора, была разомкнута.
На пульте управления устанавливается трехкнопочный пост с однопозиционными – одно действие за одно нажатие – кнопками: одна «Стоп» и две «Пуск». Разводка проводов в нем следующая:
- один фазный провод подается на кнопку «Стоп» (она всегда нормально замкнута) и перемычками с нее на кнопки «Пуск», которые всегда нормально разомкнуты.
- С кнопки «Стоп» два провода на дополнительные контакты пускателей, которые при их срабатывании замыкаются. Так обеспечивается блокировка.
- С кнопок «Пуск» перекрестно по одному проводу на дополнительные контакты пускателей, которые при их срабатывании размыкаются.
Подробнее о схемах подключения магнитных пускателей для трехфазных электродвигателей читайте здесь.
Принцип работы
Электрический двигатель представляет собой механизм, в котором вращение осуществляется под воздействием электромагнитных волн. В основу положено всего два компонента:
- ротор;
- статор.


Вращается только первый элемента, а импульс на него подается со второго элемента. Чем выше мощность двигателя, тем больше его габариты. Из всего разнообразия различают:
- коллекторные;
- асинхронные.
В двигателях коллекторного типа питание на ротор подается через угольные щетки, которые касаются ламелей коллектора. Такие двигатели еще называют короткозамкнутыми. В асинхронных двигателях схема действия несколько отличается. В этом случае вращение происходит под воздействием двух сил:
- магнитного поля;
- индукции.


Напряжение от источника питания подается на фиксированные обмотки статора. При этом в нем возникают электромагнитные волны. Если напряжение переменное, тогда магнитное поле нестабильно и имеет определенные колебания. Благодаря этим колебаниям и происходит смещение ротора. Между ротором и статором есть небольшой воздушный зазор, благодаря которому и возможно беспрепятственное смещение. Магнитные волны из обмоток статора воздействуют на обмотки ротора, создавая напряжение. Благодаря такому воздействию возникает электродвижущая сила или ЭДС. Она заставляет магнитные волны взаимодействовать в обратном направлении тем, что есть в статоре, поэтому двигатель и называется асинхронным.
Обратите внимание! Чаще всего асинхронные двигатели имеют трехфазное подключение. Благодаря использованию дополнительных компонентов его можно переделать на работу от сети 220 вольт.
Однофазные асинхронные электродвигатели
Устройство и принцип действия
Мощность такого однофазного двигателя 220В может в зависимости от конструкции находиться в пределах от 5 Вт до 10 кВт. Его ротор – это обычно короткозамкнутая обмотка («беличья клетка») – медные или алюминиевые стержни, замкнутые с торцов.
Такой однофазный двигатель, как правило, имеет две смещенные на 90° друг относительно друга обмотки. Рабочая (главная) при этом занимает большую часть пазов статора, а пусковая (вспомогательная) – оставшуюся. И однофазным его называют потому, что у него лишь одна рабочая обмотка.
Переменный ток, протекающий по главной обмотке, создает периодически меняющееся магнитное поле. Его можно считать состоящим из двух круговых с одинаковой амплитудой, вращающихся навстречу друг другу.
По закону электромагнитной индукции в замкнутых витках ротора меняющийся магнитный поток создает индукционный ток, взаимодействующий с порождающим его полем. Если ротор неподвижен, моменты действующих на него сил одинаковы, вследствие чего ротор остается неподвижным.
Если же ротор начать вращать, то равенство моментов этих сил нарушится, поскольку скольжение его витков относительно вращающихся магнитных полей станет разным. Как следствие – сила Ампера, действующая на витки ротора со стороны прямого магнитного поля, будет значительно больше, чем со стороны обратного.
Индукционный ток в витках ротора может возникать лишь при пересечении ими силовых линий магнитного поля. А для этого они должны вращаться со скоростью, чуть меньшей, чем частота вращения поля (при одной паре полюсов – 3000 об/мин). Отсюда и название, которое получили такие электродвигатели, асинхронные.
При увеличении механической нагрузки скорость вращения уменьшается, возрастает величина индукционного тока в витках ротора. Как следствие – возрастают и механическая мощность двигателя, и мощность потребляемого им переменного тока.
Схема запуска и подключения
Понятно, что раскручивать вручную ротор при каждом запуске электродвигателя неудобно. Для создания первоначального пускового момента и используется пусковая обмотка. Поскольку она составляет с рабочей обмоткой прямой угол, для создания вращающегося магнитного поля ток в ней должен быть сдвинут по фазе относительно тока в рабочей обмотке тоже на 90°.
Добиться этого можно включением в цепь ее питания фазосмещающего элемента. Резистор или дроссель обеспечить фазовый сдвиг в 90° не могут, поэтому в большинстве ситуаций логично использование конденсатора в качестве фазосмещающего элемента. В этом случае однофазный электродвигатель обладает наилучшими пусковыми свойствами.
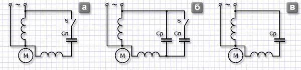
Когда фазовращающий элемент является конденсатором, однофазные электродвигатели конструктивно могут быть такими:
- с пусковым конденсатором (рис. а);
- с пусковым и рабочим (рис. б);
- только с рабочим конденсатором (рис. в).


Первый (наиболее распространенный) вариант предусматривает подключение пусковой обмотки с конденсатором ненадолго на время пуска, после чего они отключаются. Реализовать его можно с помощью реле времени, а то и просто за счет замыкания цепи во время нажатия пусковой кнопки. Эта схема запуска характеризуется сравнительно небольшим пусковым током, но в номинальном режиме характеристики невысоки. Причина в том, что поле статора является эллиптическим (в направлении полюсов оно сильнее, чем в перпендикулярном).
Схема с рабочим, постоянно включенным конденсатором лучше работает в номинальном режиме, но имеет посредственные пусковые характеристики. Вариант с пусковым и рабочим конденсатором является промежуточным между двумя описанными выше. Расчет значений их емкостей сравнительно прост: у рабочего 0,75 мкФ на 1 кВт мощности, у пускового – в 2,5 раза больше.
Реверс однофазных синхронных машин
Для запуска этим моторам необходима вторая обмотка на статоре, в цепь которой включен фазосдвигающий элемент, обычно бумажный конденсатор. Реверсировать можно только те, у которых обе статорных обмотки равнозначны – по диаметру провода, числу витков, а также при условии, что одна из них не отключается после набора оборотов.
Суть схемы реверсирования в том, что фазосдвигающий конденсатор будет подключаться то к одной из обмоток, то к другой. Для примера рассмотрим асинхронный однофазный двигатель АИРЕ 80С2 мощностью 2,2 кВт.


В его клеммной коробке шесть резьбовых выводов, обозначенных литерами с цифрами W2 и W1, U1 и U2, V1 и V2. Чтобы двигатель вращался по часовой стрелке, коммутация производится следующим образом:
- Сетевое напряжение подается на клеммы W2 и V1.
- Концы одной обмотки соединяются с клеммами U1 и U2. Чтобы ее запитать, они соединяются перемычками по схеме U1–W2 и U2–V1.
- Концы второй обмотки подключают к клеммам W2 и V2.
- Фазосдвигающий конденсатор подключают к клеммам V1 и V2.
- Клемма W1 остается свободной.
Чтобы вращение происходило против часовой стрелки, изменяют положение перемычек, они ставятся по схеме W2–U2 и U1– W1. Схема автоматического реверса строится так же на двух магнитных пускателях и трех кнопках – двух нормально разомкнутых «Пуск» и одной нормально замкнутой «Стоп».
Принципиальная схема


На иллюстрации выше можно видеть принципиальную схему реверсивного подключения двигателя. Она отличается от обычной только наличием дополнительного модуля. Если говорить точнее, то в схеме задействуется два модуля управления. Один из них заставляет вращаться двигатель вправо, а другой влево. Взаимодействие оператора с модулями происходит посредством кнопок SB2 и SB3. Латинскими буквами A, B, C на схеме обозначены подводящие линии трехфазной сети. Они подходят к общему выключателю, который обозначен QF1. Далее идут два контактора КМ и цифровым обозначением. От контакторов цепь уходит к обмоткам двигателя. Каждый из этих контакторов вынесен отдельно и находится справа, где дополнительно можно рассмотреть их составные компоненты.
Постоянный электроток: особенности
Двигатели постоянного тока подключаются труднее моторов, питающихся от переменной сети. Потому что для того чтобы соединить обмотки, нужно точно знать, какой марки ваш агрегат. Только потом можно найти подходящую схему.
Но в любом электромоторе постоянного тока есть якорь и намотка возбуждения. От способа их включения их делят на агрегаты:
- с возбуждением независимым,
- с самостоятельным возбуждением (делится еще на три группы: последовательное, параллельное и смешанное подключение).
Электродвигатели постоянного тока с независимым возбуждением (схематично изображены ниже) применяется на производствах. Их намотка никак не связана с якорем, потому что подключается к другому электрическому источнику.
В станках и вентиляторах применяются моторы однофазного питания с параллельным возбуждением. Тут нет надобности во втором источнике.
В электротранспорте применяются агрегаты с последовательным возбуждением.
Если одна намотка параллельна якорю, а другая последовательна, то такой способ подключения – смешанный. Он встречается редко.
Все способы включения электродвигателей постоянного тока могут реверсироваться:
- Если возбуждение последовательное, то направление тока нужно поменять либо в возбуждающей намотке, либо в якоре;
- В любом другом случае рекомендуется менять обмотку только в якоре. Если менять в намотке, то есть опасность, что она оборвется. Это приведет к резкому возрастанию электродвижущей силы, которая приведет к повреждению изоляции.
Реверсирование двигателя постоянного тока с независимым возбуждением выполняется так же.
Имейте в виду, что в розетке ток переменный. Но это не значит, что он переменный во всех электроприборах, оснащенных электродвигателем и включенных в нее. Ток из переменного фазного может стать постоянным, пройдя через выпрямитель. Фазного питания вообще может не быть, если двигатель запитан от батареи.
Процесс включения


Процесс включения двигателя довольно просто описать, используя все ту же схему. Первым делом происходит задействование общего рубильника QF1. Как только он включается, происходит подача напряжения по трем фазам. Но это напряжение не подается непосредственно на сам двигатель, т. к. еще нет четких указаний, в каком направлении он должен вращаться. Далее проводники проходят через автомат SF1 он выполняет защитную функцию, обесточивая всю систему в случае короткого замыкания. Далее следует кнопка выключения, которая также способна быстро разомкнуть цепь питания. Только после этого напряжение следует к клавишам SB2 и SB3, после воздействия на который, питание проходит к двигателю.
Обратите внимание! На схеме хорошо видно, что два контактора не могут быть задействованы одновременно, поэтому сбоя произойти не может.
Чтобы двигатель получил достаточное усилие для обратного вращения, необходимо переключить силовые фазы, для чего и предназначен пускатель КМ2. Если еще раз обратить внимание на схему, то можно заметить, что пускатель КМ1 имеет прямое подключение фаз к двигателю, а КМ2 обеспечивает некоторое смещение. Все происходит за чет первой фазы, она в этой схеме является ждущей. Как только она размыкается, прекращается подача напряжения на двигатель.
Обратите внимание! В реверсивной схеме подключения двигателя должен присутствовать дополнительный защитный модуль, который будет следить за тем, чтобы двигатель был остановлен перед началом нового цикла.


После полной остановки может быть задействована кнопка SB3. Она активирует второй пускатель. Последний меняет положение фаз, как показано на схеме. При этом дежурная фаза остается неизменной, питание от нее все так же подается на первый контакт двигателя. Изменения происходят во второй и третьей фазе. Благодаря этому обеспечивается реверсивное движение.
К однофазной сети


В домашних условиях часто приходится задействовать асинхронный двигатель, но не в каждом хозяйстве есть трехфазная сеть, поэтому важно знать, как подключить двигатель к однофазной сети. Для запуска от одной фазы требуется дополнительный импульс, чтобы его обеспечить подбирается конденсатор требуемой емкости. Если говорить проще, то конденсаторов должно быть два. Один из них является пусковым и подключается параллельно первому. Соединение обмоток двигателя выполняется по схеме «звезда». Если обмотки соединены другим способом и нет возможности его изменить, тогда не получиться выполнить требуемую схему.


Чтобы реверсивная схема функционировала потребуется переключение питания, которое поступает от конденсаторов между полюсами. Понадобится два выключателя и одна не фиксируемая кнопка. Одни из выключателей будет отвечать за подачу напряжения в цепь питания двигателя. Второй выключатель должен иметь три положения. В одном из них он будет выключенным, а в двух других изменять подачу питания от конденсаторов на обмотки. Не фиксируемая кнопка будет дополнительно подключать второй конденсатор на момент запуска двигателя.


Два вывода конденсатора подключаются между собой. К двум другим происходит подключение пусковой кнопки. Средний вывод трехпозиционного переключателя подключается к конденсаторам в том месте, где они объединены между собой. Два других вывода подключаются к клеммам двигателя, на которые приходит питание. Конденсаторы подключаются к выходу обмотки, которая применяется для запуска. Кнопка включения ставится в разрыв фазного провода.


Чтобы привести весь механизм в действие, необходимо подать питание на цепь двигателя основным выключателем. После этого задается направление вращения двигателя трехпозиционным выключателем. Далее нажимается кнопка пуска до момента выхода двигателя на рабочие обороты. Если возникает необходимость изменить направление вращения, тогда потребуется обесточить двигатель и дождаться его полной остановки, переключить трехпозиционный тумблер в противоположное крайнее положение и повторить процесс.
Этапы подключения
Подключение двигателя для реверсивного движения отличается в зависимости от того, какая сеть будет выступать питающей 220 или 380. Поэтому есть смысл рассмотреть их отдельно.
Резюме
Как видно реверсивное подключение требует определенных навыков, но может быть осуществлено без особых сложностей при соблюдении всех рекомендаций. Теперь не будет препятствий в использовании трехфазных агрегатов от однофазной сети, при этом следует понимать, что максимальная мощность будет ограничена, т. к. невозможен выход на полное потребление. На компонентах для подключения лучше не экономить, т. к. это скажется на сроке службы всей схемы. Во время сборки и запуска необходимо придерживаться всех правил безопасности работы с электрическим током.