Уважаемые посетители!!!
Анализируя Ваши вопросы, которые большей частью затрагивают ремонт и подключение электроплит, — стало вытекающей из этого необходимостью в издании дополнительной, данной темы. Разобравшись во всем изложенном, в целом, что касается этого блога, Вы получите необходимые знания и соответственно затем — будете сами принимать свое решение в устранении поломок как по электроплитам так и по другой бытовой технике.
Своей целью считаю, — передать свои знания и опыт в решении той или иной поставленной перед Вами задачей — по устранению какой либо неисправности. Данная тема будет для Вас как бы справочником для разрешения какого либо возникшего вопроса по ремонту электроплит.
Электроплита Электра 1006
Итак, Вы приобрели бытовую стационарную электрическую плиту, предназначенную для приготовления пищи:
- тушения овощных, рыбных и мясных блюд;
- жарки;
- варки;
- сушки фруктов, грибов и овощей.
Удобства создаются тем, что допустим используя высокотемпературный нагреватель гриль и моторедуктор с вертелом можно приготовить:
- курицу на вертеле,
- шашлыки
и тому подобное.
Конечно же следует перед началом эксплуатации той или иной электроплиты, внимательно ознакомиться с техническим паспортом «Руководством по эксплуатации» и соответственно, следовать указанным рекомендациям.
Следует помнить, что подключать электрическую плиту к внешнему источнику переменного напряжения розетке без заземления — не допускается.
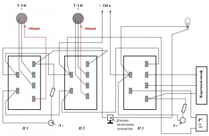
Проводить ремонт либо диагностику электроплиты следует с соблюдением мер безопасности, то есть, предварительно отсоединив штепсельную вилку от розетки. За основу данной обучающей темы, мы рассмотрим электрическую схему электропиты Электра 1001м.
То-есть, нам необходимо понять сущность всех электрических соединений. Тема, я бы сказал очень значимая для нас. К примеру, в случае какой либо неисправности необходимо поменять ту же самую конфорку. Что необходимо при этом учитывать? А соответствует ли установленная конфорка той мощности, которая прописана в руководстве по эксплуатации?
Далее, необходимо заменить переключатель мощности конфорки. К каким именно выводам контактам переключателя мощности — нужно подсоединить провода? Как правильно подключить конфорку к проводам? Как правильно соединить между собой два нагревательных элемента верхний и нижний ТЭНы духовки? Как правильно соединить два ТЭНа духовки в электрической схеме?
Как заменить:
- сигнальную лампу электроконфорки;
- сигнальную лампу жарочного шкафа;
- лампу освещения жарочного шкафа.
Или допустим, как заменить выключатель клавишный — электроплиты? Здесь как бы тема является довольно таки не простой, — как в проведении ремонта так и в правильном подключении.
Поменяли к примеру сетевой кабель со штепсельной вилкой, — а соответствуют ли контактные соединения силовой штепсельной вилки с контактами силовой розетки? В этой теме и я могу что — то упустить. Полагаю, что мы в своей жизни должны быть любознательными, интересующимися тем или иным источником информации, имеющей в своем содержании не негативную, а положительную сторону.
И нужно самим себе внушить, что:
- у Вас все получится;
- Вы сможете принять свое решение;
- Вы найдете необходимый источник информации;
- Вы станете специалистами в данном направлении.
По сути разобраться, мы уже ими являемся как таковыми, — если нас интересуют вопросы, относящиеся к электротехнике . Если нас … на данное время интересуют:
- технические сайты;
- техническая литература.
И так, к делу. Постараюсь изложить все по отдельности, для каждого электрического соединения, для каждого отдельного участка электрической цепи.
Способ подключения плиты к системе
Важно использовать шланги, конструкция которых разработана специально для доставки газа от централизованного стояка к потребителям. Важно, чтобы они были прочными и гибкими. При этом заламывать их нельзя
Проверяют герметичность и наличие сертификата соответствия качества
При этом заламывать их нельзя. Проверяют герметичность и наличие сертификата соответствия качества.
Этот документ указывает, что товар изготовлен с учетом требований действующих ГОСТов и международных стандартов по безопасности. Приобретайте только сертифицированную продукцию у проверенных поставщиков.


Некоторые все же решают выполнить самостоятельный монтаж газовой плиты с подключением к металлической разводке. Однако устройство трубопровода – процедура трудозатратная, и имеет ряд недостатков. Отсутствует возможность отодвинуть печку. Малейший перекос может стать причиной разгерметизации.
Соединения могут быть сварными или резьбовыми, а для этого потребуется специализированное дорогостоящее оборудование и навыки работы с ним. В качестве уплотнителей используется все та же ФУМ-лента либо нить Локтэйл 55.
Типы современных газовых шлангов
Водяные шланги выделяют цветом:
- Синий для холодной.
- Красный для горячей.


Газовый же имеет желтый цвет или отметки. Пытаться проигнорировать такую классификацию не стоит, да и не получится. Водяные трубки прослужат максимум две недели, и их придется менять. Хорошо, если утечка не приведет к печальным последствиям в виду отравления или взрыва.
Но и здесь есть своя характерная классификация шлангов по гибкости и прочности. Выбирать придется до того, как установить газовую плиту, чтобы потом не делать незапланированный ремонт.


Резиновым модификациям отдают предпочтение ввиду дешевизны. Такой шланг достаточно гибки и прочный. Он эксплуатируется при температурном режиме от -35 до +50 градусов по Цельсию. Поэтому установка плиты на газу на даче, выполняется именно с применением резиновой трубки.
Это удобно, когда к ней подключается баллон, стоящий вне дома в специальном железном коробе, или же если портативный резервуар находится на кухне. Его можно будет перемещать без риска разгерметизации.


Но есть усовершенствованная модель. Это резиновая трубка с бронированной металлической оплеткой, которая является дополнительной защитой от механических воздействий. Металл не позволить шлангу заломаться, перегнуться, и проходимость будет всегда достаточной.


Поэтому утечка в течение положенного срока службы практически исключена, и возможна только в местах соединения, где через специальные переходники система подключается к центральной разводке или баллону с газом. Сильфоновая модификация – новая веха в индустрии. В этом случае предусмотрена возможность растягивания, правда, в допустимых пределах.


Основные требования к шлангам
Есть ряд условий, обязательных для всех случаев. По правилам установки газовой плиты в квартире:
- Длина гибких соединителей (трасс) не превышает полутора метров.
- Сочленение нескольких отрезков недопустимо. Используется цельная трубка.
- Перегибать, скручивать, придавливать шланг категорически запрещено.
- Не должно быть надрезом, коррозии, трещин, даже незначительных повреждений.
- По истечению максимального срока службы, установленного производителем, требуется замена.
В целях обеспечения безопасности шланг с металлической оплеткой нельзя прислонять к электрическим проводникам, твердым поверхностям, предметам, изготовленным из горящих материалов. Пускай он свободно провисает за плиткой, не соприкасаясь ни с чем.
Подключение с помощью трубы


Несмотря на то, что жесткое крепление к стояку считается устаревшим, его часто выбирают из-за надежности и долговечности. Однако трудоемкость и необходимость применения специализированных навыков и инструмента часто является непреодолимым препятствием для тех, кто решился на монтаж собственными руками.
Еще один повод отказаться от затеи – стационарность конструкции. Плитку нельзя отодвинуть для уборки, перенести на новое место без прокладки новой трассы из цельнокатаных стальных труб.
Правила эксплуатации


@giftforyou.shop
Плита должна быть установлена ровно и прочно закреплена.
Внимание! Неправильное подключение электроплиты может привести к поражению током и пожарам!
Перед началом готовки проверьте чистоту поверхности. Дно посуды должно быть ровным. Убедитесь, что оно плотно прилегает к конфорке. В начале работы установите максимальную температуру для скорейшего нагрева плиты, затем убавьте мощность до средней или минимальной.
Заполняйте кастрюли не более чем на 80% от их объёма, чтобы избежать пролития и загрязнения рабочей поверхности.
Важно! Попадание воды и жира на раскалённую конфорку может привести к её тресканию, а также к короткому замыканию, пожарам и ожогам.
Перед эксплуатацией духового шкафа проверьте состояние дверцы. Она должна плотно прижиматься к корпусу в закрытом состоянии, а в открытом занимать горизонтальное положение. Затем установите необходимую температуру нагрева и включите прибор.
Внимание! Не оставляйте включённую плиту без присмотра. Не занимайтесь чисткой горячих поверхностей, находящихся под напряжением.
Безопасность линии
Итак, будем считать, что провод для электроплиты уложен. Теперь в распределительном щите монтируется для плиты отдельный автомат. Идеальный вариант, если устанавливается и отдельный УЗО. При этом все подключения должны производиться с помощью клеммников. Никаких скруток и других дедовских методов.
Что касается другой стороны кабеля, то он подключается к плите через клеммы, которые являются неотъемлемой частью бытового прибора. Как было сказано выше, подключение можно провести и через розетку. Это более удобный вариант в плане отключения плиты и переноса её в другое место. Но менее безопасный.
Современные плиты обязательно заземляются. И об этом расскажем чуть ниже.
Подводя итог всему вышесказанному, можно составить список требований к монтажному процессу:
- Для подключения электрической плиты требуется трёх- или четырёхжильный кабель сечением 4 или 6 мм².
- В распределительном щитке на плиту устанавливается отдельный автомат и УЗО.
- Бытовой прибор заземляется.
И несколько слов о монтаже розетки, если принято решение соединения плиты проводить через неё. Какие к этому процессу предъявляются требования:
Розетку можно монтировать только на поверхность из негорючего материала. Место монтажа – подальше от нагревательных приборов и других источников тепла. Концы многожильного медного кабеля перед соединением с контактами розетки надо обязательно пропаять. Главная задача – правильно провести подключение кабеля и со стороны плиты, и со стороны розетки
То есть обращайте внимание на цвета проводов.. Розетка для электрической плитыИсточник 24aul.ru
Розетка для электрической плитыИсточник 24aul.ru
С чего начинать
Сразу надо оговориться, что современные электрические плиты поступают в розничную продажу без питающего кабеля. Все дело в том, что сегодня производители стараются избегать условий создания критических ситуаций, которые могут возникнуть из-за розетки, к которой плиту подключают.
Конечно, в любом строительном магазине сегодня можно приобрести розетку безопасного исполнения, рассчитанную на высокий ток. К примеру, для электроплиты розетка должны выдерживать ток силой более 32 ампер. И это уже будет считаться безопасным подключением. Но нет никакой гарантии, что электропроводка дома имеет требуемое сечение уложенных кабелей.
Поэтому несколько слов о кабеле для электроплиты. Во-первых, провод должен быть сечением не менее 4 мм². И это лишь в том случае, если длина прокладываемого участка не превышает 12 м. Если длина больше, то потребуется кабель сечением 6 мм².
Далее потребуется определиться со шлейфом, а точнее, с его месторасположением. Если дом только строится, то этот вопрос надо учитывать до начала отделочных работ. Когда к делу приступают электрики. Чем короче прокладываемый участок, тем лучше. Обычно проводку укладывают в штробы на стенах или на полу. Иногда монтаж проводят под подвесными потолками.

Кабель для подключения электроплиты Источник strojdvor.ru
Меры безопасности
Во время подключения электроплиты своими руками надо обязательно соблюдать меры безопасности, поскольку это очень мощный бытовой прибор
И неважно, какой фирмы устройство: Дарина, Ладога, Ханса и так далее
Все детали: проводка, розетка, вилка и клеммник должны справляться со значительными нагрузками, а значит, они должны быть на них рассчитаны
Самое важное во всём этом – это правильный подбор сечения кабеля
Что будет, если неправильно подключить устройство, мы уже писали выше: удар током, пожар и порча имущества.
Не имеет смысла, как вы собираетесь подключать устройство – прямо на щит, без розетки и вилки или же с их помощью – обязательно подключайте УЗО. Если нет возможности его поставить, то в этом случае покупается дифференциальный автомат. Это устройство, которое в себе сочетает характеристики автоматического выключателя и дифференциального реле (УЗО). Автоматический выключатель нужен для того, чтобы защитить проводку от короткого замыкания или перенагрузки. УЗО нужно для того, чтобы найти утечку тока и спасти человеку жизнь.


Коробка для подключения электроплиты должна быть полностью защищена от попадания влаги
Это очень важно. Потому что, в противном случае, может возникнуть короткое замыкание, или вас может ударить током. Желательно, чтобы защита коробки была не ниже IP44
Желательно, чтобы защита коробки была не ниже IP44.


Вообще работа с электричеством требует особой осторожности и внимательности. Когда вы монтируете проводку, подключаете любой электроприбор (даже если вы просто вкручиваете лампочку), обязательно выключайте автомат питания. Когда вы монтируете проводку, подключаете любой электроприбор (даже если вы просто вкручиваете лампочку), обязательно выключайте автомат питания
Когда вы монтируете проводку, подключаете любой электроприбор (даже если вы просто вкручиваете лампочку), обязательно выключайте автомат питания.
Всех домочадцев следует предупредить, чтобы никто не трогал щиток. А если вы живёте в многоквартирном доме, то попросите кого-то остаться возле щита и предупреждать всех о том, чтобы его не трогали.
Обязательно ещё раз после этого надо проверить, нет ли фазы на жиле. И занимайтесь подключением в тонких тактильных прорезиненых перчатках нетёмных цветов. Потому что в резине тёмного цвета в качестве красителя используется уголь, а он является сверхпроводником.
Если вы используете многожильный кабель, то его конец надо в любом случае опрессовать. Потому что он со временем ослабевает, если этого не сделать, и контакт станет слабым, т.е. высока вероятность того, что он сгорит.


Внимательное прочтение наше статьи точно поможет вам подключить любую электрическую плиту к питанию. А также установить духовку и подключить конфорки. Только обязательно будьте максимально осторожны, совершая все действия. Помните, что электричество – это не шутки. С ним надо быть предельно бдительным и аккуратным. Тщательно подбирайте кабель, который планируете использовать для монтажа устройства. Не забывайте, что от него зависит то, какой автомат вам нужен. Также рекомендуем для дополнительной защиты от коротких замыканий и воспламенения ставить УЗО.
Помните о том, что для электрической плиты надо обязательно ставить отдельный автоматический выключатель. Также лучше подключать её напрямую к щиту, а не через розетку. Но если вы выбрали всё-таки второй способ, то обязательно с умом выбирайте все необходимые детали. В частности, саму розетку. Ведь в обычную подключать электроплиту нельзя.
Внимательно изучите схемы подключения устройства к сетям с разным количеством фаз. Незначительно эти процессы отличаются, поэтому не поленитесь прочитать о каждом из них. Также не забывайте о том, что для электрических приборов обязательно должно быть заземление. Если его нет, то постарайтесь как можно быстрее заземлить агрегат
А тем временем пользуйтесь ним с огромной осторожностью и с мерами безопасности, которые позволят вам избежать различных повреждений
Принцип работы


@asutpp.ru
Классические электрические, также известные как резистивные, плиты состоят из термостата, спиральных конфорок и тепловыделяющих элементов.
Принцип работы базируется на выделении тепла при прохождении электрического заряда через резистивный нагревательный элемент — закрученный в спираль проводник.
Мощность конфорок меняется двумя способами:
- ступенчато, включая и выключая спирали, регулируя их соединение;
- плавно, пользуясь биметаллическим терморегулятором.
Подготовка места
Прежде чем осуществить подключение электрической плиты, необходимо правильно выбрать ее расположение на кухонном пространстве — для этого надо придерживаться простых правил.
- Место установки должно быть ровным, чтобы при регулировке ножками можно было обеспечить устойчивое ее положение относительно горизонтали.
- Длину провода надо подбирать такую, чтобы свободно, при необходимости, отодвинуть бытовую технику от стены, не отключая ее от сети.
- Пользователи должны помнить, что разогретая конфорка может нагреваться до 100°C, поэтому нельзя размещать плиту рядом с холодильником.
- При встраивании в кухонный гарнитур надо защитить пластиковые панели от перегрева в процессе эксплуатации электроприбора.
- В непосредственной близости от индукционной плиты лучше не размещать другие электрические приборы — ее электромагнитное поле будет воздействовать на качественную их работу. Подробнее об этом можно прочитать здесь.
При выборе места решающим фактором может стать зонт вытяжной системы, который должен находиться над варочной поверхностью или за ней, в зависимости от применяемого типа вытяжки.
Базовая комплектация
Устройство любой модели электроплиты отечественного или импортного производства практически аналогичное, но у всех есть свои оригинальные нюансы. Например, современные электроплиты Hansa из Германии имеют особую комплектацию, но мы рассмотрим стандартный вариант, который есть у каждой модели электрической плиты. Традиционно эти изделия представляют собой комбинированный электрический прибор, предназначенный для приготовления пищи, он объединяет:
- варочную поверхность с конфорками;
- духовой шкаф;
- нижний ящик для хранения посуды и противней.
Принцип действия стандартный для большинства электроприборов: ток, проходя через ТЭН, нагревает его до заданной температуры. Для удобного управления на передней лицевой панели расположены регуляторы
– они могут быть механического или электронного типа в зависимости от класса изделия. Как правило, на этой же панели расположены
два индикатора
: один, извещающий о включении устройства в сеть, а второй оповещает о включении духовки. На некоторых плитах есть только первый индикатор. При помощи регуляторов пользователи могут устанавливать режим приготовления пищи на любой конфорке или в духовом шкафу.
На рисунке ниже показана схема устройства стандартной электроплиты.
Расшифруем обозначения:
- регулятор мощности;
- клеммная коробка;
- конфорка;
- опорная планка;
- датчик температуры духовки;
- петля;
- стопор;
- держатель тэна духовки;
- тэн духовки;
- внутренняя облицовочная панель;
- фиксатор защелки дверцы;
- гнездо защелки;
- изолирующая прокладка;
- тэн для гриля;
- ободок конфорки;
- шнур электропитания;
- земляная клемма;
- регулировочные ручки.
Подготовительный этап
Теперь перейдем именно к подготовке и последующему подключению рассматриваемой техники. До начала непосредственного подключения и работы с электропроводкой, следует правильно подобрать место для плиты. Существуют следующие правила, как это делать необходимо:
- место, где планируется устанавливать плиту должно быть ровным, чтобы при регулировании ножками обеспечивалось ее стабильное и устойчивое положение по горизонтали;
- длину провода следует делать с запасом, чтобы при необходимости можно было легко отодвинуть бытовую технику от стенки, не вынимая штекер из розетки;
- устройство нельзя ни в коем случае размещать близко к холодильнику, по причине того, что горячая конфорка может иметь температуру до сотни градусов;
- если плита будет встроена в кухонную стенку или гарнитур, то следует защитить панели, выполненные из пластика, от перегрева во время работы электрического прибора;
- рядом с плитой индукционного типа лучше не размещать иные электроприборы – электромагнитное поле может негативно сказаться на их эксплуатации.
Для осуществления работ понадобится иметь под рукой следующие материалы:
- 3-жильный кабель, сечение которого будет составлять 4-6 миллиметров. Это будет зависеть от длины;
- отдельный автомат для щитка, чтобы правильно осуществить подключение техники. Должен быть либо 32-амперный вариант либо 40-амперный аналог, в зависимости от проводного сечения;
- УЗО, что должно уберечь технику от перегрузок.
Последние два момента считаются обязательными компонентами процесса подключения рассматриваемого устройства, вне зависимости от производителя. Именно они спасут технику от сгорания из-за перепадов напряжения, которые могут наблюдаться в электросети города. Это своего рода переключатель. Если строители осуществили выведение только 3-жильного провода, то для монтажа спецрозетки либо клеммного ящика потребуется проделать каналы в стене, чтобы углубить кабель. Данные работы будут требовать кое-каких навыков и займут немало времени, но в итоге интерьер комнаты не пострадает, а кабель будет находиться внутри стены. Правда, сначала потребуется решить, что будет лучше сделать:
- подключить все напрямую;
- смонтировать розетку;
- смонтировать раздаточную коробку.
Если вы не знаете, что выбрать, то следует посоветоваться с профессионалом. Подключение напрямую считается наиболее безопасным, ведь отсутствие лишних кабелей существенно снижает риск перегрева устройства. В новых высотках ситуация самая простая – строители просто оставляют кабель, имеющей изоляцию, а жильцы уже сами решают, что делать. Решение через клеммный ящик, если отсутствует на кабеле вилка, также реально в новых домах.
Ящик обычно ставится на кухонной стенке не ниже 0,6 метров от пола, а плита устанавливается на расстоянии не далее пары метров от нее. Как правило, он делается из металла либо очень прочного пластика, а сверху накрывается крышкой.
Следует отметить, что внутри уже есть подключение к домашней электросети. Следует лишь узнать, каким образом можно выполнить подключение электроплиты. Схема является очень простой: черный кабель представляет собой фазу, голубой – ноль, а желтый – заземление. Все 3 жилы подключаются к коробке, с ориентировкой по цвету. Потом остается проверить затяжку винтов соединения и закрыть крышку.
Еще один способ подключения – через розетку. Сейчас на рынке есть три категории розеток:
белорусская;
У российского варианта провод заземления располагается сверху, его вход повернут на 90 градусов к 2 другим отверстиям. При работе с белорусской розеткой контакты повернуты на 120 градусов. Особенностью европейской розетки является наличие двух контактов с круглым сечением, а заземление будет иметь плоское сечение и располагаться снизу. Но этот вариант считается устаревшим. Если создавать проводку смысла нет, то смонтированную розетку просто надо проверить спецприбором, чтобы узнать фазу.
Выбор вида электромонтажа
Первое с чего нужно начать — определиться со способом монтажа линии. На сегодняшний день используется разводка открытого и скрытого типа. Открытая электропроводка представляет собой крепление всех составляющих элементов поверх готовых стен (трассы прокладываются в специальных кабельных каналах).
Разводка линии открытым способом
Преимущество заключается в следующем:
- поврежденный участок можно без проблем отремонтировать (не нужно разрезать обои, разрушать оштукатуренные стены и т. д.);
- более простые установочные и подготовительные работы (не нужно штробить стены по электропроводку в доме);
- удобно добавлять новые точки разветвления.
Недостатки у этого способа монтажа один —
очень часто не вписывается в общий интерьер комнат так как кабельные каналы имеют не слишком привлекательный вид.
Скрытая электропроводка в доме пользуется большей популярностью. В этом случае провода и кабели укладывают в стенах, для этого бурят штробы – канавки в стенах, потолке и полу или за подвесным потолком и обшивками стен.
Преимущество:
- не портит интерьер комнат своим видом;
- является пожаробезопасной;
- дешевле, чем наружная.
- вероятность повреждения значительно меньше;
- высокая долговечность всех элементов.
Среди недостатков выделяют:
- сложность ремонта и эксплуатации (чтобы заменить электропроводку в доме либо подсоединить новую точку, нужно вскрывать отделку стен;
- при выходе из строя очень сложно найти точное местонахождение поломки, если не использовать специальные приборы, к примеру, самодельный металлоискатель;
- запрещена в деревянном доме, согласно ПУЭ 7.1.38.;
- для электромонтажных работ нужно больше опыта и набор инструментов.
Рекомендуем Вам все же останавливать свой выбор на последнем способе, т. к. он более долговечен и вся линия не бросается в глаза! При выборе качественных комплектующих и правильном монтаже электропроводки в доме, вероятность поломки крайне мала.
Подключение электроплиты своими руками к сети 220 В


Чтобы подключить электроплиту к сети 220 В, вы должны иметь при себе трёхжильный кабель, трехконтактные розетка и вилка, которые имеют силу тока не меньше, чем 32 А. Чтобы не возникало лишних вопросов, хочу заметить, что в наше время производят электроплиты, которые ничем не отличаются по тому, как нужно их подключать. Поэтому, вопросы по типу, как подключить мою электроплиту от определённой фирмы, должны сразу отпасть. Единственное, чем они могут отличаться, это тем, какие у них крышки, прикрывающие клеммную коробку в корпусе. Так же она может иметь разнообразные способы крепления. Что находится внутри необходимого нам пространства абсолютно идентично.
Подключение кабеля к вашей электроплите
Схема подключения электроплиты достаточно проста. Во-первых, вам нужно подсоединить кабель для подключения электроплиты. Внизу задней панели имеется клеммная колодка. Вы ее сразу узнаете, потому что именно на нее выведены совершенно все проводники. рядом с ней, обычно, находятся небольшие схемки, в которых описано то, как подключаться в различных сетях.
Так как мы подробно описываем подключение электроплиты при сети в 220 В, то на схемах необходимо найти именно ее. Проверьте все ли контакты на вашей плите соединены примычками, если нет, то следуйте следующим указаниям. На вашей плите вы должны соединить примычкой первый, второй и третий контакты. Это и будет наша фаза, она имеет красный, коричневый проводник. Вторая примычка должна соединять четвертый и пятый контакты, образовывая нейтраль, имеющую голубой или же синий проводник. А шестой контакт — земля, он имеет зеленый или желтый проводник. Наиболее надежно будет, если, перед подключением ваших контактов, вы сожмете их контактными пластинами. Соблюдайте все цветовые маркировки, чтобы далее не совершить ошибки.
Как установить вашу вилку
Во втором шагу подключение электроплиты своими руками необходимо произвести установку самой вилки. Как уже пояснялось выше, нам нужна силовая вилка, а все силовые вилки имеют разборную конструкцию. Вы должны окрутить крепежные винты, их, обычно, два, и снять крышку от контактов. В этом шаге лучше всего сразу снять и фиксирующую планку, которая придерживает кабель. После снятия защитной изоляции, которая находится с края от гибкого кабеля, проводники должны расправиться. Конец кабеля, снятый от изоляции, необходимо провести к корпусу нашей вилки.
Далее взаимодействуют прижимные винты и жгутики, в которые скрутились многожильные проводники. А именно, жгутики должны скрутиться вокруг контактов, а вышеперечисленные прижимные винты должны затянуть их.
То, как вы подключите все проводники, — очень важно, потому что от этого зависит вся остальная работа. Не торопитесь и делайте все аккуратно и правильно. Во-первых, в верхний контакт нашей вилки должен проходить именно зеленый провод, тот же «земляной», следовательно при подключении нашей розетки землю нужно будет подать в тот же разъем
В нашей розетки остается нетронутым еще два контакта, а именно наша «Фаза» и наш «ноль». Их подключение не зависит от того, куда их подавать, но имеет очень важное значение то, что фаза должна подключаться к фазе, а наш ноль к нулю. Поэтому, стоит внимательно к этому отнестись
Во-первых, в верхний контакт нашей вилки должен проходить именно зеленый провод, тот же «земляной», следовательно при подключении нашей розетки землю нужно будет подать в тот же разъем. В нашей розетки остается нетронутым еще два контакта, а именно наша «Фаза» и наш «ноль»
Их подключение не зависит от того, куда их подавать, но имеет очень важное значение то, что фаза должна подключаться к фазе, а наш ноль к нулю. Поэтому, стоит внимательно к этому отнестись
Как же найти, где какой проводник
Чтобы подключить электроплиту в домашних условиях нужно иметь четкое представление о том, где именно находится наша «фаза», «земля» и «ноль». Без этих знаний подключить электроплиту будет невозможно. Найти наше землю будет очень легко. Обычно она располагается где-то наверху или внизу, но отдельно от всех остальных. Остальные два контакта надо находить с помощью индикатора напряжения. Как он работает? Вы должны установить индикатор туда, где находится ваша фаза, а реакцию смотрите по светодиоду на корпусе. В том случае, если наш светодиод загорается, значит напряжение поступает, следовательно это наша «фаза». А у нуля напряжение не проходит, поэтому светодиод не должен загореться.
Тип соединения
Перед установкой определяют нужный тип соединения. В зависимости от того, где происходит подключение электроплит, выбирают один из следующих вариантов:
- прямое подключение.
- с помощью клеммной коробки.
- через розетку.
Каждый из них имеет свои отличительные черты.
Прямое включение
Вариант прямого включения подходит, когда отключать плиту от общей сети не нужно. Это наиболее безопасный способ. При нем риск перегрева максимально снижен, так как нет дополнительных соединений.
При необходимости отдельного отключения нужно установить розетку или клеммную коробку.
Как устанавливать клеммную коробку
Клеммная коробка нужна при подключении современной плиты к сети без включения в розетку. В таком случае используется колодка в монтажной коробке, крепящаяся на стене снаружи, либо металлическая коробка для скрытой установки. Ее ставят, соблюдая расстояние 2 метра от электрической плиты. Однако высота не должна превышать 0,6 метров от пола.
При установке необходимо отключить электроэнергию. Далее следуют по схеме:
- Простым карандашом отмечают места крепления.
- Коробку крепят в бетонную стену, при использовании дюбелей.
- Наконечники уплотнителей срезают, чтобы после этого вводить провода.
- Соединение проводов: ноль с нулем, фазу с фазой и землю с землёй.
- Места соединения изолируют ПВХ изоляцией.
Подключение без розетки мало чем отличается от этого способа.
Включение через розетку
Это распространённый вариант подсоединения к сети, здесь использование заземления обязательно. Можно использовать трёхфазную розетку.
Сначала нужно подключить провод к автомату. После этого подключаются фазный и нулевой провода. Далее земля присоединяется к заземлению квартиры или дома. К месту установки розетки протягивают провод. Необходимо внимательно соединять провода, чтобы не перепутать.
Розетка закрепляется на стене подальше от конструкций из металла, а силовой кабель подсоединяют к плите вместе с вилкой.
Прямое включение
Этот способ будет наиболее подходящим в том случае, если отсутствует необходимость отключения бытового прибора — в данном случае электрической плиты — от общей электрической сети. Этот вариант считается наиболее безопасным из всех возможных. Это объясняется тем, что риск перегрева существенно снижен, ведь дополнительные соединения, которые могут этому способствовать, отсутствуют. Однако, если есть необходимость отдельного отключения, то в таком случае не обойтись без установки клеммной коробки или розетки.
Этот способ будет наиболее подходящим в том случае, если отсутствует необходимость отключения бытового прибора — в данном случае электрической плиты — от общей электрической сети.
Электрическая духовка (духовой шкаф)
Электрический духовой шкаф может быть, как в составе совмещенной электроплитки, так и независимым (встраиваемым) или даже настольным.
Настольные духовки обычно небольшого объема (15-40 литров), без дополнительных функций, стоят меньше встраиваемых. Их можно назвать упрощенным мобильным вариантом духовки, и если хочется чаще баловать себя запечёнными блюдами, то лучше рассматривать следующий вариант.
Независимый (встраиваемый) духовой шкаф – это поистине полноценный кухонный прибор для приготовления огромного разнообразия блюд. Установить такое устройство можно в любом удобном месте. Чаще всего духовка отправляется под столешницу, но также чрезвычайно удобным расположением духового шкафа является установка в колонне на уровне глаз. В таком случае не придётся каждый раз нагибаться, чтобы проверить готовность пищи, да и класть-доставать блюда так гораздо комфортнее.


Варианты установки духового шкафа: под столешницей и в колонне
Габариты встраиваемых духовок в основном стандартные: ширина составляет 60 см, глубина между 50 и 55 см. Высота по внутреннему размеру тоже около 55 см, а по внешнему – 60 см. Исключением являются духовки с функцией микроволновой печи, их высота варьируется от 36 до 55 см.
Впрочем, на рынке достаточно предложений духовок нестандартных размеров, поэтому подобрать подходящую духовку труда не составит.
Установка и подключение нового оборудования
Схема замены газовой плиты следующая:
- демонтаж устаревшего или пришедшего в непригодность оборудования;
- замена крана;
- установка новой плиты;
- ее подключение;
- проверка герметичности;
- принятие работ службой Мосгаз в Москве, Леноблагаз в Санкт-Петербурге и так далее.
Демонтаж газовой плиты
Чтобы демонтировать устаревшее оборудование, необходимо:
- перекрыть кран, расположенный на трубе, для отключения газоснабжения;
- проверить отсутствие газа, включив одну из конфорок;
- отсоединить газовую подводку;
- отключить плиту от электроэнергии (при необходимости).
После выполнения данных операций плиту можно убрать с кухни.
Отключение старого оборудования от газо- и электроснабжения
Замена крана
Если газовый кран не отвечает требованиям безопасности или не перекрывает газоснабжение полностью, то перед монтажом нового оборудования рекомендуется провести и замену крана.
Как правило, проводится установка оборудования и его подключение газовой службой, так как в целях повышения уровня безопасности рекомендуется отключить от газоснабжения весь подъезд. Однако, если есть возможность перекрыть в индивидуальном жилом помещении, то имея определенные навыки и все необходимое оборудование, работу можно выполнить самостоятельно.
Замена крана осуществляется по следующей схеме:
- демонтаж крана. В большинстве случаев на газовых системах в многоквартирных домах устанавливаются резьбовые вентили, демонтаж которых происходит достаточно легко. Однако в старых домах могут быть установлены и приварные вентили, демонтаж которых осуществляется при помощи болгарки (исключительно после отключения подачи носителя);
Если работа выполняется без отключения газа и одним человеком, то после демонтажа крана на трубу устанавливается специальная заглушка. При наличии двух и более работников заткнуть трубу можно руками.
- если резьба на газовой трубе повреждена или отсутствует, так как было установлено приварное оборудование, то на следующем этапе производится нарезка резьбы при помощи специального оборудования;
- герметизация резьбы;
- удаление заглушки и установка нового крана.
Последовательность действий при замене газового вентиля
Установка и подключение новой газовой плиты
На подготовленное место производится установка новой плиты. При установке необходимо выровнять ее в горизонт. Для этого большинство современных плит типа Гефест комплектуются регулируемыми ножками. При отсутствии такой функции выставление осуществляется с помощью различных прокладок.
Выравнивание по уровню
Далее осуществляется подключение гибкой подводки к плите и трубе. Для этого:
- резьба на подводке (трубе) герметизируется выбранным материалом;
- подводка фиксируется;
- аналогичным способом производится подключение к газовой плите;
Подсоединение газового шланга
- при необходимости плита подключается к системе электроснабжения.
Как установить и подключить газовую плиту самостоятельно, смотрите на видео.
Проверка герметичности
После окончания всех работ требуется проверить соединения на герметичность. Операция выполняется в следующем порядке:
- подготовка мыльного раствора;
- нанесение раствора на соединительные узлы.
Если раствор начинает образовывать пузыри, то соединение не герметично и перед вводом системы в эксплуатацию требуется устранение неисправности. Отсутствие пузырей говорит о полной герметичности системы.
Наличие утечки в системе газоснабжения
Принятие работ газовой службой
После проведения всех работ в газовую службу направляется заявка на ввод плиты в эксплуатацию. В назначенное время специалисты проверят правильность подключения и герметичность. На основе проверки будет дано разрешение на использование газовой плиты или предписание на устранение выявленных недостатков.
Если выполнять все работы по прилагаемой инструкции и в хорошо проветриваемом помещении, то можно полностью избежать негативных последствий при выполнении работы и сэкономить на оплате услуг специалистов.
Алгоритм как подключить комбинированную плиту в квартире
Если у вас до этого стояла электрическая плита, то изначально потребуется заключить договор на поставку газа. Чтобы это осуществить, необходимо предоставить в службу газового хозяйства следующие документы:
- подтверждение собственности;
- техпаспорт на жилое помещение (квартиру);
- справка о составе семьи;
- договор на техобслуживание;
- паспорт на газовый счётчик;
- абонентская книжка.
Однако самостоятельно подключение плиты к газопроводу запрещено на законодательном уровне
Если газовая служба при проверке заметит это нарушение, то наложит штраф и может расторгнуть договор на поставку газа. Тем не менее можно соединить плиту с газовой магистралью и электросетью, но не включать, а вызвать мастера, который проверит все соединения и даст добро на подключение. Такой способ позволяет сэкономить деньги на услугах от Горгаза, но без навыков в подобное работе или при халатном подходе к тому делу лучше не лезть.
Если вы решили всё-таки самостоятельно осуществить подключение, то лучше не отклоняться от следующего алгоритма действий:
- Провести силовую линию и установить розетку с заземлением рядом с предполагаемым местом расположения печи.
- Установить плиту на ровной поверхности либо отрегулировать высоту ножек с помощью уровня. Наклонная поверхность не позволит еде готовиться равномерно.
- Резьба гибкого шланга обматывается лентой ФУМ, после чего подключается к газовой трубе и затягивается ключом.
- Аналогично шланг подключается к прибору.
- Подключение устройства к электросети. Электрики советуют напрямую этого не делать, а только через розетку.
- Проверить герметичность соединений густым мыльным раствором под наблюдением мастера, тем самым сделав своё самостоятельное подключение законным.
- Проверить работоспособность конфорок и духового шкафа.
Самостоятельное подключение любой газовой техники – дело небезопасное, поэтому очень важно отнестись к этому делу предельно внимательно, не пренебрегая проверкой каждого соединения. Экономия пяти минут в дальнейшем может обойтись очень дорого
Схемы подключения
Стандартные схемы подключения не зависят от выбранного вами способа подсоединения техники к домашней сети и бывают трех видов: одно-, двух- или трехфазными. Если ваша плита рассчитана на 220В, то надо использовать первый вариант, а если на 380В, то применяются второй и третий варианты.


Одна фаза
К однофазной сети осуществляется подключение в городских квартирах многоэтажек, где вся проводка выполнена при помощи трехжильного провода. Чтобы без ошибок подсоединить новую бытовую технику, надо использовать специальные перемычки из меди сечением не менее 6 мм — они обычно присутствуют в распределительных коробках. Если по какой-то причине они отсутствуют, то их легко можно купить в магазине электротоваров. Соединение выполняется по следующей схеме:
- соединяем шиной винты № 1, 2, 3 с символом L;
- вторая шина соединит винты № 4 и 5, помеченные буквой N;
- оставшийся свободным винт с буквами PE используется для подключения заземления.


Провода распределять надо таким образом:
- черный или коричневый провод — это фаза, подключаем к клеммам L 1, 2 и 3;
- синий или ноль — закрепляется на № 1 и 2;
- зеленый — заземление крепим к соответствующей клемме.
Установленный порядок подсоединения разработан инженерами-специалистами в области электрических приборов и обсуждению не подлежит.
Двухфазное подключение
Подобная схема чаще всего применяется в частных домах, но можно ее применить и в квартире, когда проводка состоит из провода с четырьмя жилами. В этом случае перемычку ставим между винтом №1 и L1, вторую — винты N4 и N5, а винт L2 и для заземления остается свободным (см. схема 2N). Как правильно подсоединить провода, показано на фото:
- желтый провод подключается к перемычке клемм L1 и L2 — это A фаза;
- красную жилу — к клемме L3, фаза C;
- синяя обмотка — к перемычке нулевых клемм №4 и 5;
- зеленый провод — это стандартное заземление.


Три фазы
Такой вид подключения используется только в частных строениях или домах очень старой постройки, в современных квартирах практически не используется. Внешняя сложность не должна пугать домашнего мастера — реализация этого подключения довольно легко выполнима при точном выполнении рекомендаций.
Устанавливаемый вариант использует кабель нестандартного сечения с количеством жил 4 или 5 шт., при этом применяется только одна шина для нулевых клемм № 1 и 2, жилы необходимо подключать в таком порядке:
- фаза A — провод желтого цвета подключается к контакту L1;
- B — контакт L2, жила с обмоткой зеленого цвета;
- C — L3, провод красного цвета;
- N — синий провод идет к шине нулевых контактов;
- заземляющий провод подводится к аналогичной клемме.


Выбор розетки
Согласно техническим нормам электроплита должна включаться непосредственно в розетку. Подключение через удлинитель из соображений электрической безопасности запрещено. Для подключения электрической плиты нельзя использовать обычную розетку, поскольку она не способна выдерживать высокую нагрузку. Для электрических бытовых приборов большой мощности необходимы специальные розетки, рассчитанные на мощность 7 кВт и больше. Подбирая такую розетку, надо ориентироваться на максимальное значение номинального тока.
Силовые розетки могут быть изготовлены из карболита и высококачественного пластика. Розетки первого типа представлены только в черном цвете и имеют меньшую стоимость. Пластиковые розетки изготавливаются, в основном, в белом цвете. Они отличаются высоким качеством и высоким уровнем износоустойчивости, поэтому и стоят дороже, чем карболитовые.
Выпускаются силовые розетки для открытой и скрытой установки. Если розетка устанавливается непосредственно за плитой, которая стоит возле самой стенки, то лучше использовать модель для скрытой установки, у которой рабочий механизм полностью прячется в стене.
Необходимо также учитывать количество фаз в домашней сети и наличие заземляющего контакта в розетке.
Приступая к установке розетки, надо сначала отключить электропитание в квартире. Затем с помощью перфоратора в выбранном месте проделывается отверстие для стакана подрозетника. В подрозетник продевают питающий провод, с которого снимают защитную оплетку. Концы освобожденных проводов в разноцветной изоляции тщательно зачищают на длину до одного сантиметра. Потом их присоединяют к контактам розетки.
При этом очень важно правильно подсоединить все провода. Желто-зеленый провод надо подключить к заземляющему контакту розетки, который расположен по центру, а фазный и нулевой провода подсоединяют к крайним контактам
Очень важно, чтобы при подключении розетки ноль обязательно попадал на ноль, а фаза на фазу. В противном случае произойдет короткое замыкание. Поэтому очень внимательно надо проверить правильность и качество подсоединения проводов. После проверки подрозетник плотно фиксируют в стене, используя гипсовый или алебастровый раствор. В заключение необходимо проверить работу розетки и подключить саму плиту.
Иногда возможность монтажа силовой розетки для электроплиты отсутствует. В таком случае плиту можно подключить к питающему кабелю напрямую. Кабель помещают в распределительную коробку и все его провода присоединяют к соответствующим клеммам колодки. В некоторых случаях коробку не используют и питающий кабель выходит просто из стены.
При подключении плиты к кабелю без электророзетки надо раскрутить вилку на шнуре питания плиты. Затем в корпус вилки заводится разделанный конец кабеля и все его провода подсоединяются к проводам шнура. При этом надо тщательно следить за тем, чтобы провода были одного цвета, то есть голубой провод шнура питания плиты соединен с голубым проводом кабеля электросети, желто-зеленый с желто-зеленым и красный с красным. Конечно, все работы, связанные с подключением электрооборудования, следует проводить при отключенной домашней электросети.
Подключение плиты напрямую к электрокабелю считается более надежным, так как в этом случае присутствует минимальное количество контактных точек, что повышает надежность соединения. Но данный метод не совсем удобный, поскольку отключить электропитание плиты можно только с помощью автомата.
В том случае, когда в квартире уже есть розетка для электроплиты, необходимо проверить, где располагается фаза, ноль и заземление и соответственно подключать провода в вилке. Чтобы определить фазу в розетке, можно воспользоваться индикатором напряжения в виде отвертки. Делается это довольно просто: индикатор устанавливается в место предполагаемой фазы. Если на нем загорается светодиод, значит, есть напряжение и это – фаза. Если светодиод не загорается, то напряжения нет и это – ноль. Земля определяется еще проще. Обычно это контакт внизу или вверху розетки.
Подключение электроплиты по различным схемам
Большинство современных производителей электроплит поставляют свои изделия в торговую сеть без комплектации сетевым шнуром. Это вызвано современными требованиями электробезопасности, которые подразумевают подключение приборов большой мощности безрозеточным методом – с использованием специальных клеммных колодок.
Этот метод имеет два основных преимущества:
- питающий шнур может быть выбран произвольной длины;
- возможна замена индивидуального автомата на плавкий предохранитель (вставку).
Если длина шнура не превышает 6,0 метров, то электрическое сечение каждой жилы может быть принято равным 4,0 квадратных миллиметра. При большей длине минимальная величина сечения увеличивается до 6,0 квадратных миллиметров и установка плавкой вставки запрещается, а питание производится только через автоматический выключатель.
В принципе электроприбор можно подключать и при помощи специальной пары «вилка-электророзетка». Однако эта электроарматура должна быть рассчитана на ток не менее 32,0 ампер, а использование обычных бытовых вилок запрещается.
Однофазное подключение
Однофазное подключение (рис. 1) наиболее распространено в городских квартирах многоэтажных домов. Для его реализации необходимо установить соответствующим образом перемычки в клеммной коробке (расположена на задней панели) электроплиты. Все современные модели комплектуются перемычками нужного сечения. Если перемычки отсутствуют, то их необходимо приобрести в магазине электротоваров или вырезать из медной жилы самостоятельно. Минимальное электрическое сечение перемычки – 6,0 квадратных миллиметров.
Рис.1
Согласно схемы, для однофазного подключения необходимо:
- клеммы 1-2-3 соединить перемычками и подключить к фазовому проводу (коричневый, серый или черный цвет) питающего кабеля;
- клеммы 4-5 соединить между собой и подключить к нулевой жиле (обычно окрашена в синий цвет);
- клемму 6 соединить с заземляющей жилой кабеля – для однофазной сети, напряжением 220,0 вольт этот провод обычно имеет меньшее сечение и окрашен в желтый или зеленый цвет.
При выполнении всех соединений (проводов к клеммам и перемычек между клеммами) должен быть обеспечен надежный электрический контакт, для чего гайки в клеммной коробке необходимо хорошо затянуть. При некачественном контакте соединение будет греться, искрить, что приведет минимум к выгоранию изоляции клеммной коробке, а максимум – к пожару.
Подключение питающего кабеля к вилке проводим следующим образом:
- фазный провод подключается к штекеру (клемме) «L»;
- нулевой – к штекеру «N»;
- заземляющий – к штекеру, обозначенному условным значком заземления (в некоторых изделиях заземляющий контакт маркируется «earth» или «РЕ»).
Двухфазное подключение
Двухфазное подключение (рис. 2) используется достаточно редко и может быть выполнено лишь в жилых помещениях при наличии в них трехфазной сети. При этом электроконфорки будут подключены к двум фазным проводам, а одна фаза останется незагруженной.
Рис.2
Порядок установки перемычек, подключения к плите кабеля и соединения его с вилкой следующие:
- клеммы 1-2 или 2-3 соединяем перемычкой и подключаем к первому фазному проводу;
- свободную фазную клемму (3 или 2 зависит от того как установлена перемычка) подключаем ко второму фазному проводу);
- установка перемычек (4-5) и подключение нулевого и заземляющего проводов выполняется аналогично однофазной схеме.
Для штепсельного подключения электроплиты по двухфазной схеме необходимо приобрести комплект «вилка-электророзетка» для питания трехфазного оборудования, при этом один штекер вилки буде незадействован.
Идея N2: Инфракрасный обогреватель
Для изготовления инфракрасного обогревателя своими руками можно использовать несколько вариантов устройств. Рассмотрим два наиболее простых в реализации, для одного из них будет использоваться ИК пленка, применяемая в системе теплого пола, а для второго нагревательную панель изготовим из подручных средств. Если у вас остался пленочный ИК нагреватель от пола или есть возможность его достать, то это значительно упростит вам задачу.
Пленочный ИК нагреватель
Для изготовления такой инфракрасной модели вам понадобиться кусок рулонной фольгированной теплоизоляции, нагревательная пленка, питающий кабель для подключения в электрическую сеть, клеммы для подключения провода к пленке, терморегулятор или другие устройства для изменения температуры обогревателя.
Процесс изготовления состоит из таких этапов:
- Выберете место размещения, так как пленочный обогреватель не может самостоятельно стоять на полу или столе, его нужно крепить к стене, потолку, каркас или на другой жесткой поверхности.
- По размеру инфракрасной пленки вырежьте термоизоляцию и подготовьте фольгированную поверхность для наклеивания пленки.
Рис. 4: вырежьте термоизоляцию нужного размера - К подготовленному рулону приклейте пленку, обеспечьте плотное прилегание по всей длине. Для скрепления поверхностей можно использовать как клеящие составы, так и двухсторонний скотч. Но точки нанесения клеящего вещества должны располагаться не на инфракрасных излучателях.
Рис. 5: места для нанесения клеевого состава - По краям пленки закрепите клеммы, предварительно к клеммам припаяйте провод для подачи электрической энергии.
Рис. 6: припаяйте клемму к медной шине - Заизолируйте места электрических соединений при помощи изоленты, термоусадки или битумной ленты. Это нужно, чтобы при подключении нагревательного прибора в сеть исключить угрозу поражения электротоком от обогревателя и изолировать токоведущие части от стен и других конструктивных элементов зданий.
Рис. 7: заизолируйте места электрических контактов - В конструкцию электрообогревателя включите терморегулятор, наиболее удобной точкой включения является питающий провод. Так как элемент управления можно поместить в наиболее удобное и доступное место. Это позволит контролировать мощность теплоотдачи обогревателя для обогрева гаража.
- Закрепите ИК обогреватель на стене или другом конструктивном элементе. Если вы хотите установить его на полу, можно изготовить деревянный каркас.






































